HomeMade

Pełna wersja: Składamy wzbudnicę SSB G4CLF
Aktualnie przeglądasz uproszczoną wersję forum. Kliknij tutaj, by zobaczyć wersję z pełnym formatowaniem.
Szanowni Koledzy,

Wobec tak poważnej deklaracji wypada mi tylko podziękować Koledze Henrykowi w imieniu wszystkich tych, którzy chcą budować takie urządzenie. Przedstawiony przez Kolegę Henryka plan jest bardzo szlachetny i zarazem niezwykle atrakcyjny, ze względu na olbrzymie Jego doświadczenie. Wcześniej nową płytkę zdeklarował się zaprojektować Kolega Adam SP5FCS. Oczywiście w ramach swojego wolnego czasu.

Jeśli chodzi o mnie, to doświadczonej osobie, która by chciała przetestować płytkę Kolegi Henryka mogę również coś bezpłatnie zaofiarować, np. zestaw układów scalonych Plessey do nowej wzbudnicy. To może być mały wkład początkowy.

Wypada mi dodać, że prostszą i wolną od poprzednich błędów wersję naszej wzbudnicy, dla mniej wymagających Kolegów stworzył Kolega Piotr SP9LVZ. Jemu też osobiście i w imieniu naszej grupy dziękuję. Będziemy mogli budować równolegle obie wersje.

Pozdrawiam wszystkich
Jerzy
Kiedyś składałem i z powodzeniem pracowałem na firmowym opracowaniu wzbudnicy Plessey`a. Może ta wersja byłaby dobra do modyfikacji ?
W torze Tx jest dodatkowy wzmacniacz na SL610C, a w odbiorniku o jeden stopień na SL612C p.cz. więcej.
Witam kolegów, śledzę dyskusję, ale niestety nadal mam problemy wolnego czasu. Pierwszy projekt u mnie nie do końca zamknięty, a dyskusja o kolejnych wersjach się toczy. Mam pytanie, kto z kolegów skończył pierwsza wersję na gotowo?.... i jakie ma wnioski. Moja płytka wyszła bardzo dobrze i wymaga tylko kilku poprawek do mojego poziomu oczekiwań. Testując ja w swoich warunkach antenowych nie stwierdziłem problemów z modulacją skrośną.... nie jestem od końca przekonany czy wykonanie bardzo dobrych układów wejściowych i mieszacza będzie pasowało do dalszej części układu na wiekowych układach SL. Może jestem konserwatystą, ale wolę jakoś utrzymać płytkę w pierwotnym rozwiązaniu układowym,...
serdecznie pozdrawiam,....
Piotrze, ukończyłem odbiornik i jestem z niego bardzo zadowolony. Jest to chyba najlepszy układ jaki dotąd zbudowałem. Ma dla mnie kilka wad a raczej niedostatków, choćby największa w postaci braku zawężania pasma do cw i w ogóle pominięcie tej opcji.
Tx uruchomił się bez problemów ale nie podłączyłem jeszcze stopnia mocy, bo i warunków antenowych na razie nie mam.
To co zaproponował Henryk jest powiedziałbym tylko ..... MOCNE. To może być doskonały, uniwersalny moduł nowoczesnych układów amatorskich TRX-ów. Jeśli uda się ten ambitny plan, to przetestujemy takie rozwiązanie w naszej wzbudnicy, ale potem może umożliwiać modyfikację wielu już zbudowanych układów do współczesnego poziomu. To naprawdę wielka sprawa, zrobić prawie doskonały układ wejściowy trx-a.
Dziękuję Wojtku za twoją opinię, co potwierdza że koncepcje układu nawet z przed wielu lat, nieźle konkuruje ze współczesnymi rozwiązaniami. Co do CW w transceiverach z filtrami SSB/CW w p.cz. to sprawa nie jest tak prosta, jestem telegrafistą i brak CW w TRX też mnie nurtuje. W płytce Plesseya chodzi o to, że była projektowana pod SSB. Przy dodatkowej opcji CW, należało by w odbiorniku dodać drugi filtr wąskopasmowy, albo zamiennie z filtrem SSB albo jako kolejny filtr np. koniec p.cz., trzeba przełączać BFO, w nadajniku natomiast również trzeba by znów przełączać BFO i zrobić układ rozrównażania mieszacza. CW w trx SBB zaczyna komplikować bardzo układ. Jest oczywiście opcja nadawania CW wprost z syntezy częstotliwości, co uprasza TX.... takie rozwiązania już stosowałem. Niestety mnogość rozwiązań SSB/CW prowadzi do zindywidualizowanego podejścia,... co komu pasuje. Te powyższe problemy sprawiały, iż w ostatnich czasach pojawiło się mnóstwo konstrukcji, ale były to konstrukcje tylko CW lub tylko SSB....
Szanowni Koledzy,

Jakoś wcale mnie nie przeraża skala wyzwań jaką Kolega Henryk podejmuje. Więcej, bo to mnie nawet bardzo cieszy. Pozwólcie, ze przytoczę Wam krótką , autentyczną historyjkę z okresu gdy uprawiałem wyczynowe żeglarstwo.

Zabezpieczeniem w sprzęt dla żeglarzy trudniło się w latach 70 ubiegłego wieku kilka firm. Z reguły były to wówczas dosyć liche konstrukcje, nie wytrzymujące konkurencji zachodnich producentów. W warszawskim AZS zawiązaliśmy maszoperię i pod wytyczne naszych polskich mistrzów zaczęliśmy pracować nad nowymi kadłubami do Finn`a, Horneta i OK`i . Początkowo szło nam dosyć opornie ale wiedzieliśmy do czego zmierzamy. Powstawały kolejne wersje i ostatecznie nasze łodzie uzyskały niezwykłe wręcz parametry. Zaczęliśmy się ścigać ze światową czołówką, a nawet z nimi wygrywać. Żadna z osób nie była chemikiem, a nawet inżynierem. Mieliśmy tylko cel i potrafiliśmy ocenić końcowy efekt. Konkludując mogę stwierdzić, że w mojej opinii często zaawansowany amator ma większe szanse na osiągnięcie sukcesu aniżeli fachowiec z branży, który pracuje wyłącznie dla pieniędzy. Wszystko z powodu determinacji i olbrzymiego entuzjazmu amatorów.

Sądzę , że z naszymi radiowymi konstrukcjami jest podobnie. Teraz wykonamy sobie na szybko wersję uproszczoną, a gdy pojawi się projekt bardziej zaawansowany będziemy wszyscy lepiej przygotowani do jego realizacji.

Pozdrawiam
Jerzy sp5rzm
Piotrze, ja to widziałbym tak - prosty dwukwarcowy filtr, włączany gdzieś przed detektorem (jak w elecraft) i nadawanie prosto z dds-a, podobnie jak BFO - też generowane z dds-a. Nie będę przerabiać tej konstrukcji ale jest to do zrobienia.
Wojtku,..... jestem zwolennikiem prostych, skutecznych rozwiązań. Jeśli CW w Plesseyu ma być tylko możliwą emisją do pracy to wystarczy dać filtr CW po stronie m.cz. Jest wiele rozwiązań i bardziej i mniej nowoczesnych. Ja mam np. zewnętrzną przystawkę na układach MAX do zwężania płynnego pasma m.cz. od góry oraz drugą - filtr pasmowy m.cz. CW na 3 x uA741. Efekt praktycznie taki jak filtr kwarcowy CW, pomijając inne mankamenty np. działania układu automatyki. Nadajnik wprost z syntezy DDS to super rozwiązanie bo odpada mieszania sygnałów i jest od razu kluczowanie CW z poziomu układu syntezy. Nie trzeba nic ingerować w płytkę Plesseya.
Elecraft robił też tak swoje pierwsze układy,.... były to TRX CW, a od K2 z dodatkową płytką SSB. SSB było dodatkiem do TRX CW.

Odwróćmy sytuację, robimy płytkę SSB, CW można zrobić na tej płytce jako opcja w różnych wariantach... TX - CW można choćby zrobić jako generator m.cz. 800 Hz na torze mikrofonowym..... to jest rozwiązanie na poziomie prymitywnym, ale też działa.
Szanowni Koledzy Plesseyowcy i towarzyszący nam niemniej Szanowni Kibice,

Czy ktoś miał w praktyce do czynienia ze wzmacniaczem uPC1678G ? Czy Waszym zdaniem mozna by było go zaaplikować do wzmacniania sygnałów z VFO ? Kilku Kolegów buduje swoje wzbudnice wykorzystując mieszacze 17dbm . Z DDS`a poziom sygnału w.cz. jest trochę za niski do w/w mieszacza. Na wszelki wypadek załączam kartę katalogową uPC1678G w pdf.

Pozdrawiam
Jerzy
Jerzy, popatrz na 1 wykres ze strony 8 pdfa. Moc wyjściowa +17,5 dBm jest szczytem możliwości tego wzmacniacza. Polecam uwadze też wykres 4 ze strony 7. Zwróć uwagę na zmianę wzmocnienia zależne częstotliwości w zakresie 10 do 30 MHz. No i napięcie zasilania +5V które trzeba dostarczyć. Pozdrawiam, Janusz.
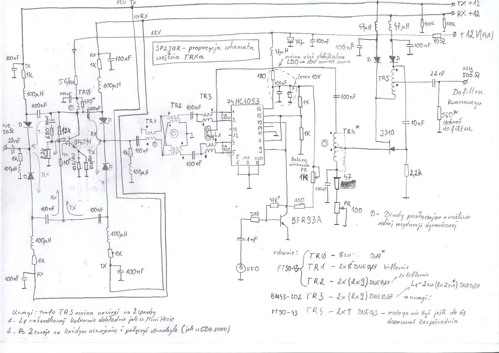
Zgodnie z obietnicą wklejam dziś swoją propozycję toru wejściowego TRXa do przemyślenia i ewentualnie sprawdzenia.
Kilka elementów tego toru jest wrysowanych trochę na zapas, gdyby np. okazało się że nie da się dopasować J310 do mieszacza na wprost, to wrysowałem trafo, które można umieścić w projekcie płytki drukowanej, ale przy pierwszym podejściu nie umieszczać w układzie. Jednak, gdyby ktoś dysponował innym bardziej wysokoprądowym fetem lub chciał połączyć wiele J310 równolegle to może spróbować z trafem.

Mieszacz na HC4053 pochodzący z MiniYesa można zastąpić tradycyjunym mieszaczem diodowym np. SRA-3H - będzie po staremu.

Wzmacniacz w.cz. też można zrobić inaczej - jest to tylko propozycja.
Należy zastanowić się jakie diody użyć do przełączania kierunku toru. Powinny być takie, aby nie było kłopotu z ich zdobyciem.

Schemat może być wykorzystany w zupełnie innym radiu, nie koniecznie tu budowanym, jest to tylko moja propozycja, kto zechce, wypróbuje, dobierze parametyry

Teraz kolej na kolegów, którzy zechcą zasymulować ten układ na komputerze.
Proponuję osobną symulację wzmacniacza w.cz. i dokładne sprawdzenie ewentualnie korektę impedancji wejściowej i wyjściowej.
To samo należy zrobić z mieszaczem - da to odpowiedź czy trafo na wejściu J310 jest potrzebne.
Symulacje powinny dać odpowiedź jakie będzie wzmocnienie i tłumienie poszczególnych stopni.

[attachment=10599]
Przekierowanie