Może wpiąć pomiędzy np. mieszacz i wzmacniacz - NWT i będziemy na wykresie widzieli jak zgrały się ze sobą impedancja 50 ohm mieszacza z nieznaną impedancją wzmacniacza rewersyjnego.
(11-03-2015 21:21)SP9LVZ napisał(a): [ -> ]Jerzy, nasz TRX ma wzmacniacz rewersyjny i tranzystor J310 raz jest podpięty bramką a raz drenem pod te transformatory. Zmienia to warunki dla transformacji... to 560 omów być może jest optymalne dla obu przypadków, ale na pewno nie idealnie. Może ktoś ma większe doświadczenie czy da się to jakoś w naszych warunkach pomierzyć? Mogę podpiąć VNA i sprawdzić SWR transformatora od strony mieszacza pod napięciem... może nie wybuchnie?
Piotrze,
Zwróciłeś uwagę na ten fragment, który mnie zafrapował, czyli na fakt, że teoretycznie, w przypadku odbioru, rezystancja obciążenia dla mieszacza powinna wynosić raczej 500 , a nie 560 omów.. Myślę podobnie do Ciebie, że nie jest to przypadek, a raczej świadomy wybór autora wzbudnicy. Przyjemnie byłoby wiedzieć skąd taka wartość się wzięła.. Z drugiej strony intuicyjnie wyczuwam, że dopasowanie między filtrem, a mieszaczem, w przypadku formowania wstęgi, może być mniej istotne niż przy odbiorze. Gdybym się nie mylił, to oznaczałoby to, że należy się skoncentrować na dopasowaniu po stronie odbiorczej. Gdybym..
Przed wpięciem VNA pod napięcie pewnie lepiej by było wpierw się ubezpieczyć, albo dać na nabożeństwo

.
Pozdrawiam serdecznie
Jerzy
Pisząc o obciążeniu mieszacza miałem na myśli uzwojenie wtórne transformatora w.cz., bo sam mieszacz jak wiadomo jest 50 omowy.
Na mój chłopski rozum

to różnica w dopasowaniu między 500 a 560omów nie będzie miała większego znaczenia.
Natomiast w kwestii diplexera, sam się ostatnio nad tym zastanawiałem wykonując mieszacz i pośrednią. Bez diplexera na ten wzmacniacz/separator na fecie trafiają wszystkie produkty mieszania. Jest jeszcze inna rzecz. Jeśli fet ma w drenie obwód rezonansowy, to impedancja widziana od strony źródła też się zmienia, zwłaszcza w okolicach częstotliwości rezonansowej. Ja dopasowałem (z odłączonym diplexerem) prąd pracy feta i obciążenie obwodu rezonasowego tak żeby było od strony źródła 50 omów w rezonansie. Potem zapiąłem przed źródłem diplexer. Mam teraz dopasowanie i w rezonansie, i poza nim (choć oczywiście są fale ~1dB, którymi się mało przejmuje).
Ja na tym etapie też bym proponował nie przejmować się na razie tym dopasowaniem mieszacza,... Układ ze wzmacniaczem rewersyjnym na J310 wg. mnie jest wystarczający. Reszta to drobne szczegóły. Myślę, by uruchomić do końca cały TRX, a później ew. testować inne modyfikacje.
Ja widać fachowcy od K2, jakoś specjalnie to tematu nie podeszli, a niby super część odbiorcza wg. ARRL. Tu trzeba przyznać, że skupili się bardziej na VFO i zrobili pętlę PLL sterowaną z DDSa. Jak z tego wynika, wg. nich czystość sygnału z VFO jest ważniejsza niż dopasowanie mieszacza.
[
attachment=9587]
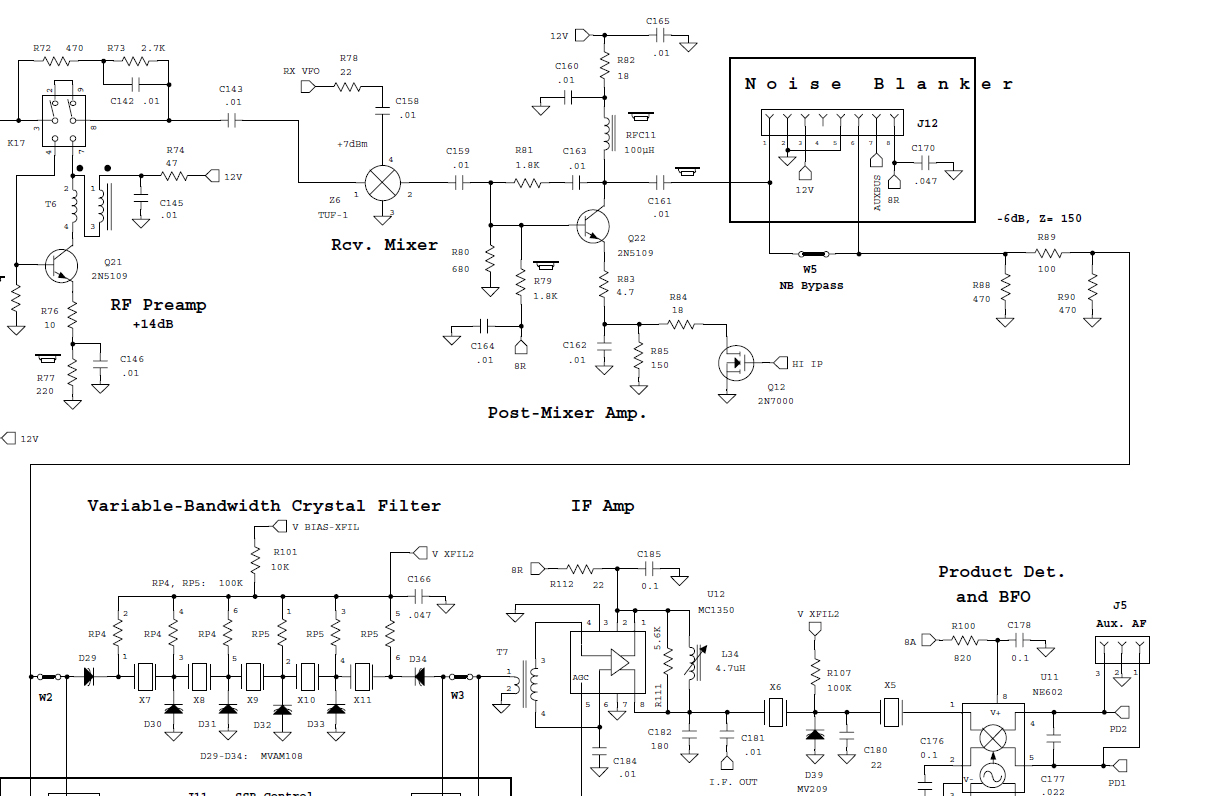
Śmieszna sprawa - wrzuciłem ten układ "Post Mixer Amp" z 2N5109 z K2 do symulatora i wyszło że impedancję taką jak chcemy to on może mieć dopiero od dobrych kilku MHz w górę, wcześniej jest sporo większa. Wszystko przez za mały kondensator w emiterze C162 - w K2 jest 10nF, ale przy tak małym rezystorze powinien być z 10x większy.
(12-03-2015 13:19)SP9LVZ napisał(a): [ -> ]Ja na tym etapie też bym proponował nie przejmować się na razie tym dopasowaniem mieszacza,... Układ ze wzmacniaczem rewersyjnym na J310 wg. mnie jest wystarczający. Reszta to drobne szczegóły. Myślę, by uruchomić do końca cały TRX, a później ew. testować inne modyfikacje.
Ja widać fachowcy od K2, jakoś specjalnie to tematu nie podeszli, a niby super część odbiorcza wg. ARRL. Tu trzeba przyznać, że skupili się bardziej na VFO i zrobili pętlę PLL sterowaną z DDSa. Jak z tego wynika, wg. nich czystość sygnału z VFO jest ważniejsza niż dopasowanie mieszacza.
Piotrze,
Nic dodać nic ująć ale jak wcześniej już napisałem przyjemnie byłoby wiedzieć jak to jest.. I nic więcej. Też jestem za tym, by wpierw poskładać wszystkie wzbudnice lecz jakiś chochlik szepce do ucha: nie rób tego za szybko, znajdź jakiś pretekst, by sprawę opóźnić..
Pozdrawiam
Jerzy
Z rzeczy całkiem przyziemnych, to chciałbym podpowiedzieć, że od Kolegi Waldemara otrzymałem tajną informację o tym, że dobre przełączające diody PIN, o symbolu "BA682" , do rewersyjnego wzmacniacza na J310, można kupić na warszawskim "Volumenie", w pawilonie nr. 44, w firmie "RCS Elektronik".
Taaak, jak już sobie tak wieczorem 20-22 usiądę w swoim kąciku i mi się nie chce to
włączam moją płytkę, którą ostatnio podpiołem do kitu wg K5BCQ na SI570 i jako filtry wejściowe antena LW, kondensator mikowy i kawałek koncentryka i sobie słucham, porównuję z innymi odbiornikami (Plessey PR2250, 2282, TFK 863, Icom, Kenwood) to wierzcie lub nie ale słyszę to samo i ten mały kawałek laminatu szklano-epoksydowego nie ma się czego wstydzić.
Na razie wygląda niepozornie w porównaniu do wspomnianych urządzeń, nie świeci tyloma lampkami i nie ma tylu gałek i przełączników ale jak dorośnie.
Link do kitu SI570.:
http://www.cliftonlaboratories.com/si570..._k5bcq.htm
A jak mi się znowu nie będzie nic chciało to sprawdzę jak będzie słychać gdy na wejście dam profesjonalne filtry pasmowe a na wyjście malutkie DSP wg BG5ROJ.
(12-03-2015 19:35)SP9LVZ napisał(a): [ -> ]To chyba mi też się nie chce, bo włączyłem swoja płytkę w czasie zawodów MP ARKI i tak było słychać,....
https://youtu.be/BjF9SuYmf5A
Piotrze,
Gdyby efekty mojego "niechcenia", były tak dobre jak Twoje dotychczasowe wyniki pracy przy płytce, to czułbym się w tej mierze całkowicie spełniony.
Pozdrawiam
Jerzy
Pragnę rozpocząć "podtemat" do drugiej edycji płytki G4CLF. Chodzi o filtr kwarcowy. Zważywszy, że filtry PP9-A2R są coraz trudniej osiągalne, to czy znalazłyby się na forum osoby, które mogłyby zaprojektować dla nas dobry filtr drabinkowy? Przy okazji zapytam: czy dajmy na to 8 -mio lub 10 - cio polowy filtr drabinkowy będzie miał porównywalną charakterystykę z naszym "dziadkiem" z Omigu? Gdyby było to osiągalne, to mogę w ramach moich możliwości zamówić tłocznik do jego stalowej obudowy (gdyby to miało jakiś sens).
Pozdrawiam wszystkich
sp5rzm Jerzy