Mam tu problem.Są oba napięcia razem i Tx=12V i Rx=12V.
Czy może Ktoś potwierdzić, że te napięcia nie występują razem tylko na przemian ?
[
attachment=10324]
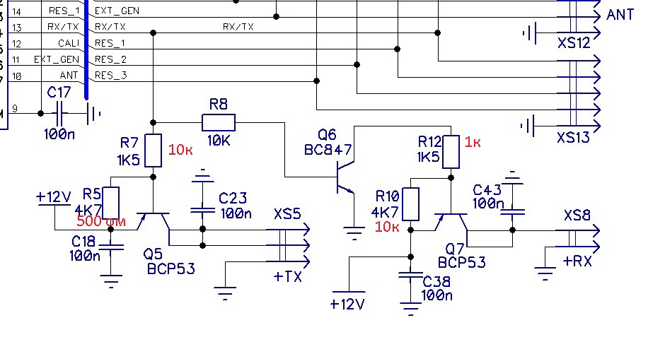
Tak, występują przemiennie, ponieważ Q6 odwraca polaryzację drugiego. Któryś tranzystor jest padnięty.
Andrzej, a co znaczą wartości napisane na czerwono? Pozmieniałeś? w obu gałęziach muszą być jednakowe.
Ryszard.Czy Ty to pomierzyłeś czy tylko na nos tak twierdzisz.
Ten fragment schematu pochodzi z ruskiej strony.Ktoś już też tam to sygnalizował.I to on zaznaczył na czerwono.
Ja próbowałem cały dzień to uruchomić.wyniki negatywne
Tu jeden Kolega to uruchomił zwiększając R8 do 200K.
Na wyjściu zalutowałem diody świecące.Wygląda różnie.Układ jest niestabilny.
Ponawiam pytanie....?
R8 zmieniamy 100-200K i wyliczamy dzielnik na bazę Q6 , by przy 12V był tam 0,7V. W jednym egzemplarzu mam R8 200K na 39K z bazy Q6 do masy, w drugim 120K na 22K i wszystko pracuje poprawnie i stabilnie.
Ręce opadają.
Ponawiam pytanie.
Czy Ktoś może potwierdzić niestabilność pracy tego fragmentu,który wcześniej opisałem ? (bez przeróbek)
Zbyszek czy robiłeś obserwacje tych napięć już po przeróbce.
Napięcie Rx pływa między 0V a 6V.Diody zapalają się kiedy chcą.
Pykniesz światłem czy lutownicą diody zmieniają stan (te diody świecące zalutowane na wyjściu + Rx i +Tx).
Chyba,że u Ciebie jest inaczej.
Artur czy u ciebie bez poprawek to tak jest "+12RX и +12VTX работает хорошо"
Doczytałem dalej,że
"У AVALA +12RX должно быть соеденено с +12TX - об этом уже писали ранее. Коммутировать их нет необходимости.
Нужно просто подать на эти выводы +12В и всё. Это позволит избавиться от щелчков при переходе с приёма на передачу и обратно, и упростить коммутацию при
включении режима калибровки подавления зеркального канала. "
Wnioskuję,że Q6 i Q7 są niepotrzebne .
Teraz to już brak jakiejkolwiek logiki.
Andrzeju, układ o który pytasz jest przełącznikiem napięć zasilania RX/TX. Jeśli linia RX/TX jest w stanie wysokim i ma + 12V to na wyjściu XS8 wystąpi napięcie +12V, natomiast na wyjściu XS5 będzie 0V. Do poprawnej pracy tego układu ważne jest aby napięcie na linii RX/TX przy nadawaniu było poniżej 0,5V natomiast przy odbiorze prawie 12V aby nie przewodził tranzystor Q5. Zwiększanie rezystora R8 na 100 czy 200 kom nie jest dobrym rozwiązaniem. Proponuję pomiędzy bazę a emiter Q6 wstawić rezystor 10 kom aby wykonać dzielnik.tak jak Zbyszek zaproponował. Pozdrawiam.
Niespecjalnie się na tym znam

, ale wydaje mi się, że jeżeli jest otwarty kolektor to należy go podeprzeć do plusa opornikiem np. 4k7, a nie iść w wysokoomowe, czułe na wszystko rozwiązania... Nie ma to jak niskoomowe stany logiczne...
