HomeMade

Pełna wersja: Transceiver wg. M0NKA
Aktualnie przeglądasz uproszczoną wersję forum. Kliknij tutaj, by zobaczyć wersję z pełnym formatowaniem.
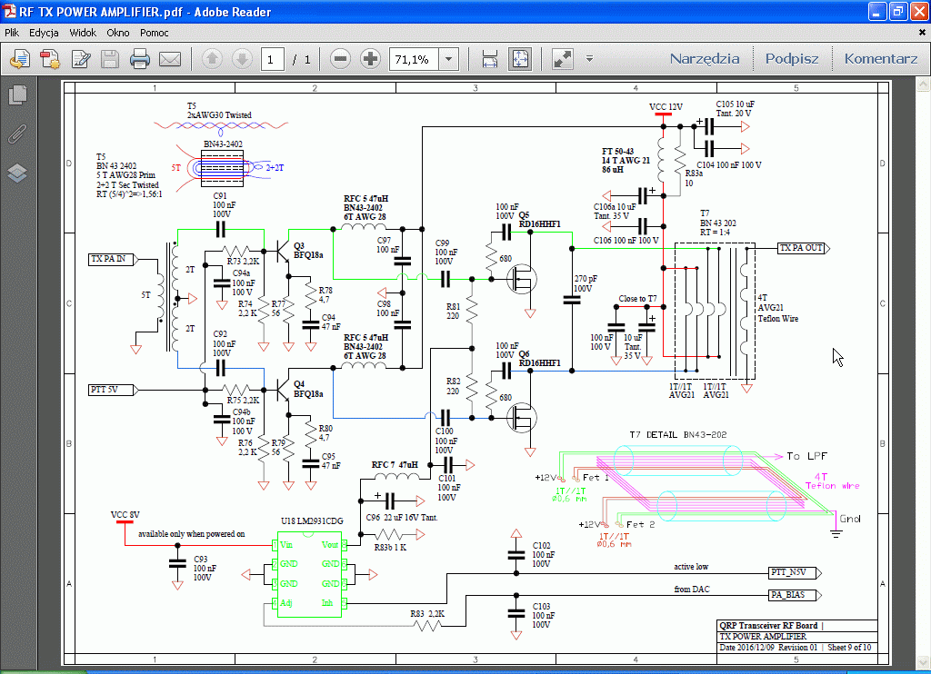
(08-05-2017 18:01)SP6AUO napisał(a): [ -> ]Jedynie co zmienię to tranzystory DXT3150 na BFQ18a.

Jakie skutki niesie zamiana tranzystorów? Próbowałeś? Czego należy się spodziewać po tej zmianie?
Nie mam pojęcia czy jakieś zmiany będą.
Nie mam DX-w a BFQ18a łatwiej zdobyć
Zobacz
[attachment=12845]
Andrzeju,
Kłopoty z regulacją mikrofonu zniknęły po wyłączeniu kompresora.
Procedura:
1. PTT
2. Lewą gałką w lewo -> CMP OFF
U mnie teraz działa regulacja bardzo fajnie...
Dzięki. ta informacja o mic jest ok.
Do pełni szczęścia brakuje w M0nku tłumika.
Taki tu znalazłem.
Tylko czy jest w obecnym FW funkcja ATT.
[attachment=12850]
(09-05-2017 5:53)SP6AUO napisał(a): [ -> ]Tylko czy jest w obecnym FW funkcja ATT.

Niestety, ma razie widzę to czarno...

Poradziłem sobie ze zbyt niskim PABiasem. Dla wartości 115 prąd zerowy końcówki wzrósł o 300 mA. Przeszukałem Yahoo i znalazłem rozwiązanie Artura SP3OSJ polegające na dodaniu rezystora 15k pomiędzy pin4 i pin8 U18. Bez problemu osiągnąłem 500 mA dla nastawy 96. Przed wlutowaniem rezystora mocno sugeruję zmniejszenie nastawy PABias do zera i powtórzenie strojenia.

[attachment=12856]

Edit:
W tzw. międzyczasie ulepiłem preamplifier wg Chrisa na oryginalnym MMIC (przyszły dzisiaj po południu). Jutro montaż, uruchomię nieco później i oczywiście napiszę (plus pomiary). Wygląda jak wygląda, ale może działać będzie dobrze...

[attachment=12862]
Witam,

Przed podłączeniem preampl. nastawy dla mocy 5W ustawiłem jak niżej. Następnie zmierzyłem maksymalną moc.
Pasmo -> nastawa 5W -> moc dla nastawy 55.
1,9 -> 16 -> 15,7 W
3,6 -> 16 -> 12,7 W
7,1 -> 26 -> 9,7 W
14,2 -> 46 -> 5,2 W
21,2 -> 55 -> 3,2W
29,0 -> 55 -> 1,6W
Podłączyłem preamplifer i okazało się, że nastawy dla mocy na niższych pasmach oscylują w granicach 3-6 (nastawy działają w zakresie 3-55), a na 28MHz -> 23.
Pasmo -> nastawa 5W -> moc dla nastawy 55.
1,9 -> 3 -> 18,0 W
3,6 -> 3 -> 15,4 W
7,1 -> 4 -> 13,5 W
14,2 -> 6 -> 11,3 W
21,2 -> 11 -> 10,8 W
29,0 -> 23 -> 5,8 W
A zatem wejście preampl. otrzymuje sygnał na poziomie szumów i zakłóceń, co odbiło się na jakości sygnału:
[attachment=12868] [attachment=12867]

Wstawiłem na wejściu kondensator 47p, który w założeniu miał zredukować wysterowanie i wymusić zwiększenie wysterowania, czyli nastaw. Oczywiście przy okazji przytnie wysterowanie na dolnych pasmach i nie ruszy górnych. W rezultacie nastawy dla 5W wyglądają tak:
1,9 -> 53 -> 5,0 W
3,6 -> 29 -> 10,5 W
7,1 -> 23 -> 10,6 W
10,1 -> 24 -> 11,0 W
14,2 -> 21 -> 9,5 W
17,2 -> 22 -> 9,7 W
21,2 -> 22 -> 9,1 W
24,9 -> 22 -> 8,8 W
29,0 -> 41- > 5,4 W

W zasadzie uzyskałem co chciałem, czyli nie mniej niż 5W...
Teraz czas na przemyślenie. Proszę o każdy pomysł w temacie - nie bardzo chcę wracać do 4xLM...

A tak preamplifier prezentuje się w M0NKA ver.05:

[attachment=12869]
Po przemyśleniu następny temat to antenna switch (przekaźnik), potem BFQ19a -> DX....
Po demontażu antena switcha nastąpiła zmiana:

1. zniknęły wzbudzenia na niższych pasmach (pisałem o tym parę postów wyżej).
Obecnie jest OK na wszystkich pasmach,
2. powyżej 14MHz podniosła się moc (7,5W na 28MHz), co świadczy, że PIN nisko
pracował,
3. przyjrzałem się sposobowi baypassów LM wg Chrisa i Paolo IZ6MAF. Paolo
zaproponował zdecydowanie krótsze połączenie - przemyślę i zrobię łącznie z
przecięciem niektórych ścieżek, coby nie robiły za anteny,
4. jeszcze raz się zastanowię nad BQ19a - może nie będzie takiej potrzeby...
Witam fanów mcHF, mój pierwszy post na forum. Od dawna przyglądałem sie temu projektowi i czekałem na pojawienie sie KIT-a aby jakoś podołać złożeniu tego TRX-a (jestem mocno początkujący). Kit przyszedł, złożyłem UI board wgrałem bootloader Chrisa. Złożyłem RF Board, połączyłem obie płytki, podpiąłem zasilanie i mini usb i nie potrafię wystartować radia. Nie wiem od czego zacząć, gdzie zmierzyć aby zlokalizować błąd. Zasilanie 12v sprawne, na bezpieczniku F1 prąd jest. Na listwie 30pin, pin nr 16- 0.4V, pin 15-0.02V.

Pozdrawiam
Rafał
Wgranie bootloadera nie uruchamia procesora.
Przy pomocy tego bootloadera wgrywamy firmware
które obsłuży procesor.
Powodzenia
Dziekuje Andrzeju za odpowiedz. Bootloader wgrany podpinajac tylko UI Board, podpowiedz jak wgrac firmware za pomoca mchf-manager. Wiem ze on potrzebuje sterowniki ale nie potrafie zainicjowac zeby moj Windows7 wykryl jakies urzadzenie zeby mu te sterowniki podac.
Po wgraniu FW i podaniu 12V na pinach 15 i 19 musi być 2.6V.Jeden załącza drugi wyłącza nasze TRx.
Przekierowanie