HomeMade

Pełna wersja: Transceiver wg. M0NKA
Aktualnie przeglądasz uproszczoną wersję forum. Kliknij tutaj, by zobaczyć wersję z pełnym formatowaniem.
Drogi Wojciechu.
LCD i na jednej płycie i na drugiej wy lutowane .
Po załączeniu oba Rx-y działają.
Tylko skąd procesor wie jaki będzie LCD.Ich jeszcze nie ma a m0nka ver0.3 steruje równolegle,a m0nka 0.4 szeregowo.
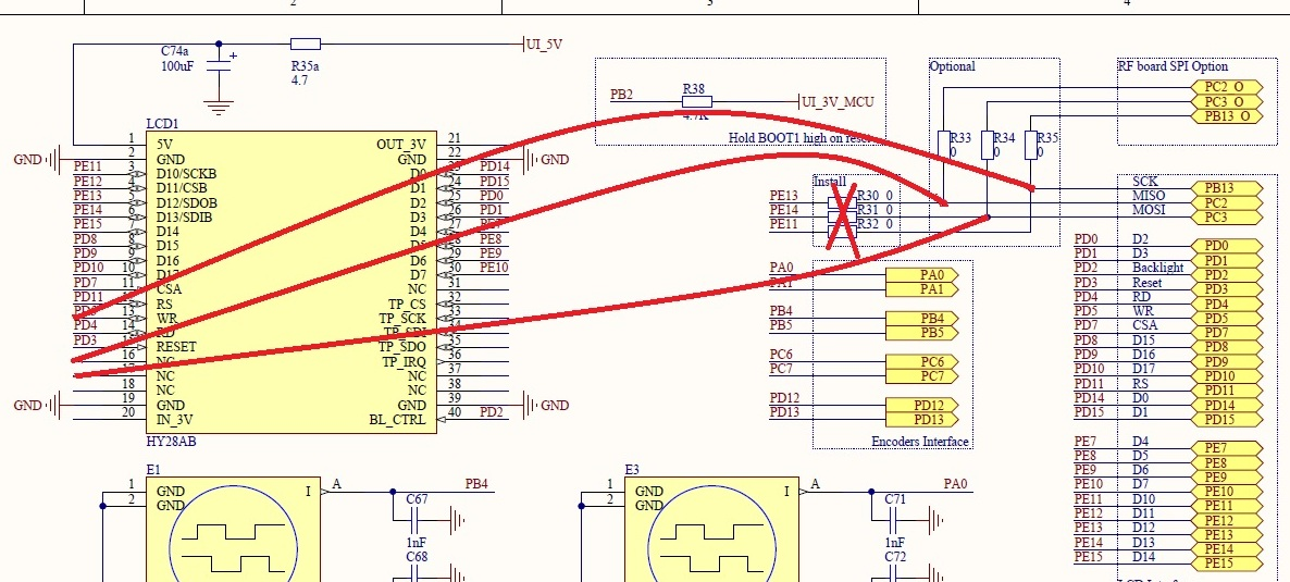
Na obu płytach brak rezystorów od R30 do R35.
Musi byś jakiś pin na STM32F407 który jak dostaje "0"to ma szeregowe wysterowanie,a jak "1" to równoległe,albo odwrotnie.
Może też być w programie wcześniejszym i po instalacji nowszych softów przenosi wcześniejsze zapisy.
Ja do tego jakoś dojdę.
Cudów nie ma.
Kiedyś na początku miałem LCD HY28A.Tam było sterowanie szeregowe.W pewnym momencie zmieniono na HY28B i działanie m0nka znacznie się poprawiło.Teraz wyraźnie mam w m0nka sterowanie szeregowe i złe działanie.
Jest nawet problem z wyłączeniem,przepuszcza kręcenie gałami,zapala biały ekran.
Jest tylko jeden problem.Jak wymusić sterowanie równoległe w ver0.4.
Obawiam się, że jedyny sposób zablokowania transmisji szeregowej to modyfikacja i przekomilowanie kodu.

BTW: Pamięć EEPROM 24LC01 jest dużo za mała do nowego softu Ma tylko 128 bajtów. Ja mam AT24CM01 (24C1024) pojemność 128 kilobajtów.

Wojciech
Witam Wojtku.
Czy możesz potwierdzić:
że masz PCB ver0.4 (wiem pisałeś)
że nie ma rezystorów od R30 do R35 (może którąś trójkę masz wlutowaną)
że nie masz LCD dotykowe ? (tak jak w załączniku)
[attachment=11343],[attachment=11344]
Potwierdzam,
Płytka to wersja 0.4 (oprogramowanie 1.0.0)
Zworki R30-R35 nie są wlutowane i nigdy nie były
Panel dotykowy nie jest podłączony (jest w planach)
Wyświetlacz działa w trybie równoległym (przy starcie pojawia się informacja na wyświetlaczu)
Miałem kiedyś biały ekran ale wylutowanie JFETa z płytki RF pomogło.

pozdrawiam, Wojciech
To już chyba ostatnia prośba.
Jaki procesor masz:
czy STM32F407 VGT6
czy STM32F407 VET6
VGT6

Wojciech
Wymieniłem VGT6 na VET6 wszystko wróciło do normy.Jutro wlutuję LCD i zainstaluję DF8OE.
Liczyłem ,że masz VET6 dlatego działa prawidłowo.
Jedzie do mnie PCB ver0.3 to zainstaluję Tego VGT6 i te parę elementów to go jeszcze raz sprawdzę.
Dzięki Wojtek za współpracę.Pozdrawiam
Cieszę się że w końcu płytka ruszyła.
Jeśli to był problem z niekontaktującą nóżką lub zwarciem między nóżkami to po wymianie procesora problemy mogą zniknąć (lub pojawić się, HI )

Pozdrawiam

Wojciech
Po zdjęciu procesora było zwarcie chyba między 49 i 50 pinem lub 74 i 75.
Jakoś szybko szybko i dobrze nie spamiętałem.
Jak go zlutuję do nowej płyty to wszystko wyjdzie.
[attachment=11353]
Zdjęcie nie jest najlepszej jakości,ale coś widać.
LCD HY28A/B też tak masz.
U mnie jest podobnie, ale troszkę inaczej:
[attachment=11362]
Wersja 1.0.0

Jest już nowa stabilna wersja 1.2.0 i nowy bootloader DF8OE. Powinien działać z pendrivem włożonym do dużego USB <- potwierdzam, DZIAŁA, mam już wersję 1.2.0

Wojciech
Przekierowanie