HomeMade

Pełna wersja: Transceiver wg. M0NKA
Aktualnie przeglądasz uproszczoną wersję forum. Kliknij tutaj, by zobaczyć wersję z pełnym formatowaniem.
Dzięki Staszek za wszelką pomoc.
Sytuacja opanowana.
Wymieniłem wczoraj stm32F407 i całe jego otoczenie,
łącznie ze stabilizatorem.
Skończyłem ponowny montaż,odpaliłem i działa prawidłowo.
Co było ???
Jedynie dławik RFC2 miał być 47uH a był 4,7uH.
Teraz zajmę się pomiarem mocy M0nka bo zamówiłem i już
jest w drodze wzmacniacz Pa 70W.

Niestety radość była krótka.
Wróciło do problemu.Samo się załącza po wyłączeniu.
I znowu wróciło do prawidłowej normy.
Zainstalowałem BL 3.2.0.
Wygląda,że żeby wgrać FW muszę uruchomić
U8 i wgrać FW przez USB.Przez Dfu nie ma możliwości.
Co prawda widzi FW który wgrałem wcześniej przez Dfu
ale,w ramach treningu muszę spróbować.
(21-06-2017 9:10)SP6AUO napisał(a): [ -> ]Zainstalowałem BL 3.2.0.
Wygląda,że żeby wgrać FW muszę uruchomić
U8 i wgrać FW przez USB.

Nie musisz U8 - wystarczy wlutować rezystor R43a... Potem szybko, łatwo i przyjemnie...

BTW: Czy znasz ścieżkę dostępu do ekranu pomiędzy płytkami? Ktoś produkuje? Ktoś sprzedaje? Nie mam możliwości samodzielnego wykonania...
Nie, nie znam takiej ścieżki dostępu.Chyba,ekran nie jest potrzebny.
To co ma być za ekranowane ma swoje pady ekranujące.
Przymierzałem się do włożenia M0nka do pięknej błyszczącej obudowy.
Nie jestem mechanikiem i przekracza to moje
manualne zdolności.Na razie obudowa i M0nka razem ale osobno,obok siebie.
Ta ver05 jest wyjątkowo czysta.Na ekranie nie mam żadnych sygnałów ani odbić.
Nawet na 28MHz jest czyste tło.Bez anteny S=1.Z anteną S=3.Stacje na drucie
wychodzą na S=7-8

W wersji PCB czerwonej niestety tych sygnałów własnych zakłócających jest sporo.
Tu przewiduję większą obudowę,bo chcę dołożyć PA 70W, o ile się da.
Chodzi o te 70W
Andrzeju, jakieś sukcesy z PA 70W?
Niestety,zakupiony blok 70W jeszcze nie dojechał.
Zajmuję się innym modelem 45W.Takim jako dostawka do m0nka.
Efektów jeszcze nie mam dopiero dziś wytrawiłem płytę.
Witajcie,

Dalszy ciąg dopieszczania wersji 0.5...
Szukałem przyczyny niesatysfakcjonującego przenoszenia LPF na 7 MHz. widać to jak niżej:
[attachment=13025]
Przyczyną było omyłkowe wstawienie kondensatorów 680p z dielektrykiem X7R zamiast C0G. Po wymianie - przebieg jak niżej:
[attachment=13026]
Warto zwracać uwagę na rodzaj dielektryku...
Witam,

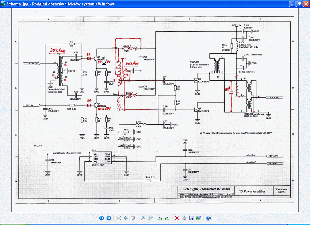
W swoim czasie wymieniłem tranzystory driwera na BFQ18a (post #771). Stwierdziłem, że grzeją się do mniej więcej 65 degC. Prąd kolektora ok. 15 mA (0.74V na emiterze, czyli na rezystorze 47ohm dla prądu stałego), przy dzielniku 2k2/2k2 w bazie.
Jak jest u Kolegów, którzy też wymienili driwery? Gdzieś w sieci czytałem, że należy dzielnik w bazie zamienić na 2k2/1k6, ale nie mogę tego znaleźć...
Andrzeju SP6AUO, a jakie jest Twoje stanowisko w tym temacie?
Z tym wyliczeniem Re to jest trochę inaczej przy różnych częstotliwościach.
Wychodzi,że rezystancja emitera to dwie równoległe gałęzie.
zależne od 47//4,7+Xc.
Xc chyba =1/2*pi*f* 47nF a f=28MHz
To przekracza już 50mA i tranzystor BFQ19 zaczyna bulgotać.
Jak zwiększymy prąd do 70mA uzyskamy na 28MHz na wy C99 i C100 około 15V.
Dlatego trzeba dać tranzystory BFG591 i ustalić prądy na 80mA uzyskamy moc wy Tx na 50om 16W.
Ja dorobiłem dopalacz na dwóch Buk452 który z 4-5W daje 50W przy 12V zasilania na 80m.
[attachment=13029]
(19-07-2017 20:53)SP6AUO napisał(a): [ -> ]Ja dorobiłem dopalacz na dwóch Buk452 który z 4-5W daje 50W przy 12V zasilania na 80m.

A wyższe pasma próbowałeś?
Jeszcze nie.Najpierw muszę przerobić drivery.Dokleić do M0nka porządny radiator.
Ta aluminiowa obudowa nie ma chłodzenia.Płyty się gotują
Przekierowanie