Odpowiedz 
 
Ocena wątku:
  • 15 Głosów - 4.07 Średnio
  • 1
  • 2
  • 3
  • 4
  • 5
Piligrim
SP5FCS Offline
Adam
*****

Liczba postów: 1,073
Dołączył: 02-02-2009
Post: #199
RE: Piligrim
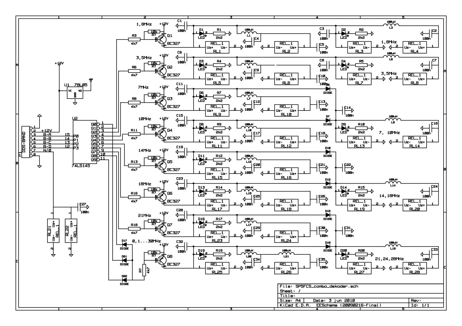
Podczas uruchamiania filtrów Combo pojawił się problem ze sterowaniem wyborem pasma. W pierwotnej wersji schematu zastosowałem tylko rezystory szeregowe w bazie tranzystora. Niestety okazało się, że tranzystory włączające górne pasma nie domykają się dając w zależności od typu tranzystorów oraz przekaźników napięcie (3,5...5)V na przekaźniki widoczne słabym świeceniem LED-ów sygnalizacyjnych na kilku pasmach a w skrajnych przypadkach problemami z wyłączenie pasma..

Rozwiązaniem tego problemu jest dodanie rezystorów 10k pomiędzy emiter a bazę tranzystora, tak jak na poprawionym schemacie. Dość łatwo dają się wlutować rezystory SMD 0805, sposób montażu na drugim zdjęciu. Musimy lekko unieść rezystory aby nie było zwarcia do masy druku. Polaryzacja bazy napięciem zasilania zatyka całkowicie tranzystor i problem znika.
Zamiast tranzystorów BC557, które są trochę za słabe do 4-ch przekaźników należy dać np BC327.
Jeśli wejścia sterujące LS145 "wiszą w powietrzu" to tak jakby były tam jedynki (wszystko wyłączone), po zwarciu wejść do masy mamy pasmo "0" czyli włączone filtry na najwyższe pasmo.
W sterowaniu filtrów BPF jest tylko jeden dławik, na schemacie były narysowane dwa ale brakło miejsca na druku.


Załączone pliki Miniatury
İmage İmage İmage

73 Adam
04-08-2010 22:39
Znajdź wszystkie posty użytkownika Odpowiedz cytując ten post
Odpowiedz 


Wiadomości w tym wątku
Piligrim - SQ5NPW - 05-03-2009, 8:33
RE: Piligrim - SP5FCS - 17-03-2009, 16:42
RE: Piligrim - SP5AQT - 16-06-2009, 11:14
RE: Piligrim - SP5FCS - 20-06-2009, 8:50
RE: Piligrim - SP5FCS - 23-06-2009, 7:35
RE: Piligrim - SP2JH - 23-06-2009, 12:41
RE: Piligrim - SP5FCS - 23-06-2009, 22:27
RE: Piligrim - QRP73 - 24-06-2009, 6:34
RE: Piligrim - SP2QCA - 24-06-2009, 9:48
RE: Piligrim - SP5FCS - 24-06-2009, 22:36
RE: Piligrim - SP2JH - 27-06-2009, 8:32
RE: Piligrim - SP5AQT - 28-06-2009, 22:23
RE: Piligrim - SP5FCI - 28-06-2009, 23:18
RE: Piligrim - SP5FCS - 28-06-2009, 23:43
RE: Piligrim - SP5TAA - 30-06-2009, 13:09
RE: Piligrim - SQ5OBR - 30-06-2009, 13:36
RE: Piligrim - SP2JH - 30-06-2009, 19:28
RE: Piligrim - SP2QCA - 01-07-2009, 0:17
RE: Piligrim - SP5FCS - 01-07-2009, 11:16
RE: Piligrim - SP2QCA - 01-07-2009, 15:57
RE: Piligrim - SP3RAF - 02-07-2009, 15:18
RE: Piligrim - SQ5NPW - 04-07-2009, 2:20
RE: Piligrim - SP5FCS - 07-07-2009, 0:33
RE: Piligrim - SQ5OBR - 07-07-2009, 21:28
RE: Piligrim - SP5FCS - 13-07-2009, 23:29
RE: Piligrim - SQ5OBR - 14-07-2009, 19:51
RE: Piligrim - SP2JH - 14-07-2009, 20:53
RE: Piligrim - SP2JH - 15-07-2009, 15:27
RE: Piligrim - SQ5OBR - 15-07-2009, 19:16
RE: Piligrim - SP2JH - 15-07-2009, 21:24
RE: Piligrim - SP2QCA - 17-07-2009, 12:06
RE: Piligrim - SQ5OBR - 16-07-2009, 3:21
RE: Piligrim - SP2JH - 16-07-2009, 6:07
RE: Piligrim - QRP73 - 16-07-2009, 7:15
RE: Piligrim - SP3RAF - 16-07-2009, 9:09
RE: Piligrim - SQ1GYQ - 16-07-2009, 7:23
RE: Piligrim - SQ5OBR - 16-07-2009, 8:07
RE: Piligrim - SP2GOW - 16-07-2009, 16:18
RE: Piligrim - SQ5STS - 16-07-2009, 19:54
RE: Piligrim - SQ5NPW - 16-07-2009, 18:59
RE: Piligrim - QRP73 - 16-07-2009, 19:17
RE: Piligrim - SQ5OBR - 16-07-2009, 19:48
RE: Piligrim - SP2JH - 16-07-2009, 20:25
RE: Piligrim - SP3RAF - 16-07-2009, 20:35
RE: Piligrim - SP5FCS - 16-07-2009, 20:59
RE: Piligrim - SP3RAF - 16-07-2009, 21:20
RE: Piligrim - SP2JH - 16-07-2009, 21:57
RE: Piligrim - SP2JH - 17-07-2009, 17:14
RE: Piligrim - SP5FCS - 19-07-2009, 22:48
RE: Piligrim - SQ5OBR - 21-07-2009, 10:32
RE: Piligrim - SP2JH - 21-07-2009, 17:37
RE: Piligrim - SP3RAF - 22-07-2009, 15:50
RE: Piligrim - SQ5OBR - 23-07-2009, 17:44
RE: Piligrim - SP8GVM - 23-07-2009, 18:31
RE: Piligrim - SP2JH - 24-07-2009, 17:57
RE: Piligrim - SQ5OBR - 24-07-2009, 18:42
RE: Piligrim - SQ8LUY - 27-07-2009, 12:51
RE: Piligrim - SP5FCS - 27-07-2009, 23:42
RE: Piligrim - SP3RAF - 28-07-2009, 15:06
RE: Piligrim - SP2JH - 28-07-2009, 16:06
RE: Piligrim - SP2QCA - 29-07-2009, 10:18
RE: Piligrim - SP3RAF - 28-07-2009, 17:13
RE: Piligrim - QRP73 - 28-07-2009, 20:31
RE: Piligrim - SP2JH - 28-07-2009, 21:11
RE: Piligrim - SQ8LUY - 28-07-2009, 21:19
RE: Piligrim - SP3RAF - 29-07-2009, 8:36
RE: Piligrim - SP8GVM - 30-07-2009, 14:20
RE: Piligrim - SP2JH - 01-08-2009, 13:40
RE: Piligrim - SP3RAF - 01-08-2009, 15:40
RE: Piligrim - QRP73 - 01-08-2009, 18:16
RE: Piligrim - SP2QCA - 01-08-2009, 21:41
RE: Piligrim - SP3RAF - 02-08-2009, 13:39
RE: Piligrim - SQ5OBR - 02-08-2009, 16:22
RE: Piligrim - SP3RAF - 03-08-2009, 9:09
RE: Piligrim - SQ5OBR - 03-08-2009, 12:10
RE: Piligrim - SP3RAF - 03-08-2009, 13:49
RE: Piligrim - SP5FCS - 03-08-2009, 17:52
RE: Piligrim - SP3RAF - 04-08-2009, 18:50
RE: Piligrim - SP5AQT - 05-08-2009, 20:19
RE: Piligrim - SP3RAF - 05-08-2009, 21:26
RE: Piligrim - SP5AQT - 05-08-2009, 22:25
RE: Piligrim - QRP73 - 06-08-2009, 9:21
RE: Piligrim - SP3RAF - 06-08-2009, 9:40
RE: Piligrim - SQ8LUY - 06-08-2009, 10:30
RE: Piligrim - SP2JH - 06-08-2009, 10:34
RE: Piligrim - SP9FKP - 06-08-2009, 14:16
RE: Piligrim - QRP73 - 07-08-2009, 12:32
RE: Piligrim - SP2JH - 07-08-2009, 15:17
RE: Piligrim - SP5FCS - 08-08-2009, 1:57
RE: Piligrim - SP8GVM - 09-08-2009, 6:12
RE: Piligrim - SP2JH - 09-08-2009, 6:24
RE: Piligrim - SQ1GYQ - 09-08-2009, 12:09
RE: Piligrim - SP8GVM - 09-08-2009, 14:33
RE: Piligrim - WQ7X - 11-08-2009, 5:27
RE: Piligrim - SP7DQR - 11-08-2009, 10:09
RE: Piligrim - SP5FCS - 11-08-2009, 11:56
RE: Piligrim - SP7DQR - 11-08-2009, 12:16
RE: Piligrim - sq2nns - 11-08-2009, 14:35
RE: Piligrim - SQ5OBR - 12-08-2009, 16:55
RE: Piligrim - SP5FCS - 12-08-2009, 20:15
RE: Piligrim - SP7DQR - 12-08-2009, 21:12
RE: Piligrim - SQ5OBR - 12-08-2009, 21:55
RE: Piligrim - SP7DQR - 12-08-2009, 22:59
RE: Piligrim - QRP73 - 13-08-2009, 7:25
RE: Piligrim - SQ5OBR - 13-08-2009, 11:56
RE: Piligrim - SP8GVM - 15-08-2009, 11:09
RE: Piligrim - SP5FCS - 16-08-2009, 17:54
RE: Piligrim - SP8GVM - 16-08-2009, 18:49
RE: Piligrim - SP5FCS - 19-08-2009, 8:26
RE: Piligrim - SQ5OBR - 02-09-2009, 14:53
RE: Piligrim - SQ5OBR - 03-09-2009, 18:52
RE: Piligrim - SP5FCS - 08-09-2009, 17:31
RE: Piligrim - SQ5OBR - 08-09-2009, 19:50
RE: Piligrim - SP8GVM - 08-09-2009, 19:51
RE: Piligrim - SQ5OBR - 08-09-2009, 23:31
RE: Piligrim - SP5FCS - 10-09-2009, 20:30
RE: Piligrim - SP8GVM - 12-09-2009, 18:32
RE: Piligrim - SP5AWA - 18-09-2009, 23:34
RE: Piligrim - SP3RAF - 18-09-2009, 23:35
RE: Piligrim - SQ5STU - 19-09-2009, 21:49
RE: Piligrim - SP8GVM - 24-09-2009, 14:44
RE: Piligrim - SQ5OBR - 01-10-2009, 3:20
RE: Piligrim - 3Z6AEF - 04-10-2009, 0:12
RE: Piligrim - SP5AQT - 04-10-2009, 10:11
RE: Piligrim - 3Z6AEF - 04-10-2009, 18:22
RE: Piligrim - SQ6IYY - 04-10-2009, 19:57
RE: Piligrim - SQ5ESM - 11-10-2009, 13:19
RE: Piligrim - SQ5NPW - 22-10-2009, 8:43
RE: Piligrim - SQ5ESM - 25-10-2009, 21:55
RE: Piligrim - SQ5NPW - 26-10-2009, 1:15
RE: Piligrim - SP2QCA - 26-10-2009, 4:49
RE: Piligrim - SQ5ESM - 28-10-2009, 20:22
RE: Piligrim - SQ5OBR - 26-10-2009, 19:44
RE: Piligrim - SP2JQR - 29-10-2009, 12:15
RE: Piligrim - 3Z6AEF - 29-10-2009, 14:19
RE: Piligrim - SP5FCS - 31-10-2009, 2:02
RE: Piligrim - SP7DQR - 12-11-2009, 9:26
RE: Piligrim - SQ5NPW - 14-11-2009, 18:12
RE: Piligrim - SP5FCS - 14-11-2009, 18:23
RE: Piligrim - SP5AQT - 22-11-2009, 11:45
RE: Piligrim - SP5JPB - 29-11-2009, 23:46
RE: Piligrim - SP8GVM - 03-12-2009, 17:28
RE: Piligrim - TG50 - 14-12-2009, 13:00
RE: Piligrim - SP5JPB - 19-12-2009, 15:39
RE: Piligrim - SQ5ESM - 20-12-2009, 14:54
RE: Piligrim - SQ4RBC - 21-12-2009, 1:47
RE: Piligrim - SQ5ESM - 21-12-2009, 21:15
RE: Piligrim - SQ1GYQ - 21-12-2009, 9:56
RE: Piligrim - SQ6IYY - 24-12-2009, 15:54
RE: Piligrim - SP9FKP - 24-12-2009, 23:18
RE: Piligrim - SQ6IYY - 25-12-2009, 12:18
RE: Piligrim - SP5CII - 25-12-2009, 17:57
RE: Piligrim - SP2JQR - 03-01-2010, 17:01
RE: Piligrim - SP8GVM - 03-01-2010, 20:10
RE: Piligrim - SP5FCS - 06-01-2010, 0:53
RE: Piligrim - SP9FKP - 06-01-2010, 9:26
RE: Piligrim - SP5FCS - 11-01-2010, 18:11
RE: Piligrim - SQ5OBR - 12-01-2010, 20:22
RE: Piligrim - SP5TAA - 12-01-2010, 23:26
RE: Piligrim - SQ5OBR - 13-01-2010, 2:30
RE: Piligrim - SP2QCA - 13-01-2010, 6:59
RE: Piligrim - SP3RAF - 13-01-2010, 23:13
RE: Piligrim - SQ5OBR - 13-01-2010, 19:01
RE: Piligrim - SQ5NPW - 23-01-2010, 0:17
RE: Piligrim - SP5FCS - 23-01-2010, 0:47
RE: Piligrim - SP5FCI - 29-01-2010, 22:51
RE: Piligrim - TG50 - 29-01-2010, 23:37
RE: Piligrim - SQ1GYQ - 30-01-2010, 18:28
RE: Piligrim - SP2QCA - 31-01-2010, 5:25
RE: Piligrim - SQ1GYQ - 31-01-2010, 12:50
RE: Piligrim - SP2JQR - 31-01-2010, 14:58
RE: Piligrim - SQ1GYQ - 31-01-2010, 18:20
RE: Piligrim - SP5FCS - 22-02-2010, 19:10
RE: Piligrim - SQ5NPW - 04-03-2010, 3:10
RE: Piligrim - SP5AQT - 13-03-2010, 22:06
RE: Piligrim - SP5AQT - 20-03-2010, 21:06
RE: Piligrim - SQ5NPW - 21-03-2010, 23:54
RE: Piligrim - K2KP - 23-03-2010, 19:04
RE: Piligrim - SP5AQT - 23-03-2010, 21:25
RE: Piligrim - K2KP - 24-03-2010, 14:23
RE: Piligrim - SP5FCI - 18-04-2010, 21:16
RE: Piligrim - SP9EZQ - 01-05-2010, 21:52
RE: Piligrim - SQ5NPW - 17-05-2010, 21:51
RE: Piligrim - SP6OUJ - 30-05-2010, 12:27
RE: Piligrim - SP5FCS - 04-06-2010, 0:19
RE: Piligrim - sq5obs - 21-06-2010, 8:46
RE: Piligrim - SP5AQT - 23-06-2010, 11:22
RE: Piligrim - sq5obs - 23-06-2010, 11:30
RE: Piligrim - SP5FCS - 28-06-2010, 22:34
RE: Piligrim - SQ5ESM - 27-07-2010, 13:17
RE: Piligrim - SP5FCS - 04-08-2010 22:39
RE: Piligrim - Sadowski25 - 28-08-2010, 1:05
RE: Piligrim - SP9MRN - 28-08-2010, 11:20
Części Piligrim - SP5FCI - 17-09-2010, 17:24
RE: Części Piligrim - SQ9NOX - 17-09-2010, 18:53
RE: Piligrim - SP5TAA - 18-09-2010, 1:30
RE: Piligrim - SP5FCI - 19-09-2010, 8:26
RE: Piligrim - SQ8GUM - 21-09-2010, 15:12
RE: Piligrim - SQ5RGS - 21-09-2010, 17:50
RE: Piligrim - UA9JES - 05-10-2010, 13:31
RE: Piligrim - SP5FCS - 05-10-2010, 14:16
RE: Piligrim - UA9JES - 05-10-2010, 14:27
kondensatory do Pilgrima - SP2QCA - 11-10-2010, 0:03
RE: kondensatory do Pilgrima - SP8RHP - 15-10-2010, 21:37
RE: Piligrim - UA9JES - 12-10-2010, 12:52
RE: Piligrim - SP5FCS - 12-10-2010, 13:41
RE: Piligrim - SP6OUJ - 30-10-2010, 19:18
RE: Piligrim - SP5FCI - 30-10-2010, 19:29
RE: Piligrim - SP9XW - 30-10-2010, 19:54
RE: Piligrim - SP6OUJ - 30-10-2010, 20:01
RE: Piligrim - SP2JQR - 30-10-2010, 22:32
RE: Piligrim - SP9FKP - 30-10-2010, 22:53
RE: Piligrim - SP6OUJ - 30-10-2010, 22:57
RE: Piligrim - SP2JQR - 31-10-2010, 8:30
RE: Piligrim - SP2QCA - 31-10-2010, 11:14
RE: Piligrim - RTVKRIS - 02-12-2010, 14:36
RE: Piligrim - sp9nje - 02-12-2010, 21:33
RE: Piligrim - RTVKRIS - 03-12-2010, 14:11
RE: Piligrim - SP2JQR - 03-12-2010, 22:07
RE: Piligrim - RTVKRIS - 04-12-2010, 23:35
RE: Piligrim - SP2JQR - 04-12-2010, 23:51
RE: Piligrim - RTVKRIS - 05-12-2010, 12:02
RE: Piligrim - SP2JQR - 05-12-2010, 12:54
RE: Piligrim - RTVKRIS - 06-12-2010, 13:36
RE: Piligrim - 2E0KKJ - 27-12-2010, 15:43
RE: Piligrim - SP2JQR - 27-12-2010, 16:05
RE: Piligrim - RTVKRIS - 28-12-2010, 15:32
RE: Piligrim - SP2JQR - 28-12-2010, 16:38
RE: Piligrim - RTVKRIS - 28-12-2010, 17:05
RE: Piligrim - SQ4AVS - 28-12-2010, 23:48
RE: Piligrim - SP5AQT - 29-12-2010, 12:24
RE: Piligrim - SP2JQR - 29-12-2010, 12:54
RE: Piligrim - SQ4AVS - 29-12-2010, 13:07
RE: Piligrim - SP2JQR - 29-12-2010, 17:11
RE: Piligrim - RTVKRIS - 29-12-2010, 21:27
RE: Piligrim - HM_DIPOL - 29-12-2010, 22:59
RE: Piligrim - SQ4AVS - 29-12-2010, 23:15
RE: Piligrim - SP9FKP - 30-12-2010, 0:15
RE: Piligrim - SQ4AVS - 30-12-2010, 1:43
RE: Piligrim - HM_DIPOL - 30-12-2010, 10:16
RE: Piligrim - SP2JQR - 30-12-2010, 11:24
RE: Piligrim - SP9FKP - 30-12-2010, 15:08
RE: Piligrim - RTVKRIS - 30-12-2010, 16:10
RE: Piligrim - SP2JQR - 30-12-2010, 20:27
RE: Piligrim - SQ7HJB - 02-02-2011, 12:47
RE: Piligrim - RTVKRIS - 02-02-2011, 16:12
RE: Piligrim - SQ7HJB - 02-02-2011, 17:01
RE: Piligrim - RTVKRIS - 03-02-2011, 16:52
RE: Piligrim - SQ7HJB - 03-02-2011, 23:11
RE: Piligrim - SP9FKP - 04-02-2011, 10:35
RE: Piligrim - SP5GTI - 06-02-2011, 21:46
RE: Piligrim - SP7NJR - 10-02-2011, 14:48
RE: Piligrim - 2E0KKJ - 25-02-2011, 12:23
RE: Piligrim - SP4HKQ - 25-02-2011, 16:33
RE: Piligrim - SP5FCS - 25-02-2011, 18:44
RE: Piligrim - SP6OUJ - 26-02-2011, 13:51
RE: Piligrim - RTVKRIS - 12-03-2011, 23:36
RE: Piligrim - SP2QCA - 28-04-2011, 12:25
RE: Piligrim - SP2JH - 15-03-2011, 21:56
RE: Piligrim - SP5MNO - 27-04-2011, 17:14
RE: Piligrim - RTVKRIS - 28-04-2011, 15:42
RE: Piligrim - 2E0KKJ - 05-06-2011, 11:02
RE: Piligrim - 3Z6AEF - 05-06-2011, 17:20
RE: Piligrim - 2E0KKJ - 05-06-2011, 18:23
RE: Piligrim - 2E0KKJ - 15-06-2011, 18:32
RE: Piligrim - TG50 - 15-06-2011, 21:18
RE: Piligrim - 2E0KKJ - 15-06-2011, 21:46
RE: Piligrim - RTVKRIS - 28-06-2011, 16:26
RE: Piligrim - SP4XYD - 28-06-2011, 21:05
RE: Piligrim - SQ2EER - 28-06-2011, 21:12
RE: Piligrim - SP9EZQ - 06-12-2011, 18:11
RE: Piligrim - RTVKRIS - 06-12-2011, 22:39
RE: Piligrim - SQ9RFC - 28-12-2011, 14:44
RE: Piligrim - SQ8Z - 28-12-2011, 15:25
RE: Piligrim - SP1UJB - 15-02-2012, 13:33
RE: Piligrim - SP2JH - 15-02-2012, 16:02
RE: Piligrim - SP6OJK - 19-02-2012, 20:43
RE: Piligrim - SP1UJB - 01-03-2012, 9:24
RE: Piligrim - SP8QEJ - 03-03-2012, 11:03
RE: Piligrim - SP1UJB - 03-03-2012, 11:44
RE: Piligrim - SQ8Z - 05-04-2012, 1:25
RE: Piligrim - SQ1GYQ - 05-04-2012, 7:14
RE: Piligrim - SQ8Z - 05-04-2012, 10:14
RE: Piligrim - SP2QCA - 08-04-2012, 22:18
RE: Piligrim - SQ8Z - 05-04-2012, 12:28
RE: Piligrim - SQ6OXK - 05-04-2012, 21:18
RE: Piligrim - SP9EZQ - 05-04-2012, 21:43
RE: Piligrim - SQ8Z - 05-04-2012, 22:33
RE: Piligrim - SP8QEJ - 06-04-2012, 9:35
RE: Piligrim - SP9EZQ - 06-04-2012, 17:59
RE: Piligrim - SQ8Z - 06-04-2012, 18:14
RE: Piligrim - SQ1GYQ - 06-04-2012, 19:57
RE: Piligrim - SQ8Z - 06-04-2012, 20:15
RE: Piligrim - SP1UJB - 07-04-2012, 21:43
RE: Piligrim - SQ8Z - 09-04-2012, 12:58
RE: Piligrim - SQ8Z - 17-04-2012, 2:41
RE: Piligrim - SP9IZM - 17-04-2012, 6:17
RE: Piligrim - SQ8Z - 17-04-2012, 11:52
RE: Piligrim - TG50 - 17-04-2012, 22:54
RE: Piligrim - SP9FKP - 17-04-2012, 14:41
RE: Piligrim - SQ8Z - 17-04-2012, 15:01
RE: Piligrim - SQ8Z - 18-04-2012, 1:16
RE: Piligrim - SQ9RFC - 18-04-2012, 2:18
RE: Piligrim - SQ8Z - 18-04-2012, 3:46
RE: Piligrim - SP9IZM - 18-04-2012, 7:31
RE: Piligrim - SP9FKP - 18-04-2012, 8:57
RE: Piligrim - SP5AQT - 18-04-2012, 9:00
RE: Piligrim - TG50 - 18-04-2012, 9:54
RE: Piligrim - SP2JQR - 18-04-2012, 9:59
RE: Piligrim - SP1UJB - 18-04-2012, 10:11
RE: Piligrim - SQ8Z - 18-04-2012, 12:44
RE: Piligrim - SP9IZM - 18-04-2012, 18:03
RE: Piligrim - SP9EZQ - 22-04-2012, 17:02
RE: Piligrim - SP2JQR - 18-04-2012, 21:28
RE: Piligrim - SQ8Z - 19-04-2012, 0:30
RE: Piligrim - SP2JQR - 19-04-2012, 9:17
RE: Piligrim - SQ8AQX - 19-04-2012, 9:34
RE: Piligrim - SQ8Z - 19-04-2012, 12:25
RE: Piligrim - SP9IZM - 19-04-2012, 18:16
RE: Piligrim - SQ8Z - 19-04-2012, 18:48
RE: Piligrim - SP9IZM - 19-04-2012, 18:55
RE: Piligrim - SQ8Z - 19-04-2012, 21:21
RE: Piligrim - SP5AQT - 19-04-2012, 21:46
RE: Piligrim - SQ8Z - 20-04-2012, 2:00
RE: Piligrim - GREG - 20-04-2012, 12:14
RE: Piligrim - SQ4AVS - 21-04-2012, 8:28
RE: Piligrim - SP5AQT - 21-04-2012, 18:32
RE: Piligrim - SQ4AVS - 21-04-2012, 20:21
RE: Piligrim - SP9FKP - 22-04-2012, 8:49
RE: Piligrim - SQ4AVS - 22-04-2012, 9:57
RE: Piligrim - SP9IZM - 22-04-2012, 20:04
RE: Piligrim - SP9EZQ - 22-04-2012, 21:25
RE: Piligrim - SP9FKP - 22-04-2012, 21:38
RE: Piligrim - SP9IZM - 22-04-2012, 22:40
RE: Piligrim - SP9EZQ - 31-07-2012, 19:40
RE: Piligrim - SQ4AVS - 22-04-2012, 23:09
RE: Piligrim - SP9EZQ - 23-04-2012, 9:20
RE: Piligrim - SP5AQT - 23-04-2012, 21:36
RE: Piligrim - SP9FKP - 23-04-2012, 22:20
RE: Piligrim - SQ4AVS - 24-04-2012, 6:28
RE: Piligrim - SP9FKP - 24-04-2012, 6:47
RE: Piligrim - SP5BMP - 24-04-2012, 13:48
RE: Piligrim - SQ4AVS - 24-04-2012, 15:01
RE: Piligrim - SP5AQT - 24-04-2012, 17:56
RE: Piligrim - SP9FKP - 24-04-2012, 18:06
RE: Piligrim - SP5AQT - 25-04-2012, 8:53
RE: Piligrim - SP9FKP - 25-04-2012, 9:00
RE: Piligrim - SP5AQT - 25-04-2012, 9:32
RE: Piligrim - SQ4AVS - 25-04-2012, 16:04
RE: Piligrim - SP9FKP - 25-04-2012, 16:16
RE: Piligrim - SQ4AVS - 25-04-2012, 16:34
RE: Piligrim - SQ5STS - 29-04-2012, 23:48
RE: Piligrim - SP3SWJ - 30-04-2012, 22:39
RE: Piligrim - SQ5STS - 30-04-2012, 23:06
RE: Piligrim - SP8RHP - 30-04-2012, 23:14
RE: Piligrim - SQ5STS - 01-05-2012, 1:43
RE: Piligrim - SP8RHP - 01-05-2012, 10:51
RE: Piligrim - TG50 - 05-05-2012, 18:36
RE: Piligrim - SQ4AVS - 05-05-2012, 19:19
RE: Piligrim - TG50 - 05-05-2012, 19:41
RE: Piligrim - SQ4AVS - 05-05-2012, 20:10
RE: Piligrim - SP5TIO - 05-05-2012, 20:25
RE: Piligrim - SQ4AVS - 05-05-2012, 20:56
RE: Piligrim - SP5TIO - 06-05-2012, 0:25
RE: Piligrim - SQ4AVS - 06-05-2012, 8:38
RE: Piligrim - SQ1GYQ - 06-05-2012, 16:30
RE: Piligrim - SP3RAF - 19-06-2012, 15:43
RE: Piligrim - QRPDXMAN - 04-07-2012, 23:14
RE: Piligrim - SP3RAF - 04-07-2012, 23:45
RE: Piligrim - QRPDXMAN - 05-07-2012, 23:00
RE: Piligrim - SP3RAF - 06-07-2012, 8:09
RE: Piligrim - QRPDXMAN - 06-07-2012, 18:58
RE: Piligrim - SQ1GYQ - 24-07-2012, 0:16
RE: Piligrim - SP3RAF - 24-07-2012, 12:46
RE: Piligrim - SQ1GYQ - 24-07-2012, 19:45
RE: Piligrim - SP8QEJ - 25-07-2012, 7:52
RE: Piligrim - SP2JQR - 25-07-2012, 12:11
RE: Piligrim - SP2QCA - 25-07-2012, 13:25
RE: Piligrim - SP8QEJ - 27-07-2012, 11:48
RE: Piligrim - SQ1GYQ - 27-07-2012, 19:44
RE: Piligrim - SP8QEJ - 30-07-2012, 13:00
RE: Piligrim - SP9IZM - 31-07-2012, 22:11
RE: Piligrim - SP9EZQ - 06-08-2012, 12:43
RE: Piligrim - SQ8Z - 07-08-2012, 12:27
RE: Piligrim - SP2JQR - 06-08-2012, 15:36
RE: Piligrim - SP3RAF - 06-08-2012, 16:50
RE: Piligrim - SP9EZQ - 07-08-2012, 12:08
RE: Piligrim - SQ1GYQ - 07-08-2012, 12:27
RE: Piligrim - SQ8GUM - 16-08-2012, 0:22
RE: Piligrim - SP3RAF - 20-08-2012, 10:28
RE: Piligrim - SQ1GYQ - 23-08-2012, 18:17
RE: Piligrim - SQ8Z - 23-08-2012, 19:47
RE: Piligrim - SP2JQR - 23-08-2012, 20:03
RE: Piligrim - SQ1GYQ - 27-08-2012, 17:09
RE: Piligrim - SP6IWX - 04-09-2012, 18:06
RE: Piligrim - SQ9RFC - 06-09-2012, 0:46
RE: Piligrim - SQ9RFC - 21-09-2012, 18:39
RE: Piligrim - SQ1GYQ - 20-09-2012, 7:18
RE: Piligrim - SP1UJB - 20-09-2012, 21:19
RE: Piligrim - SQ1GYQ - 21-09-2012, 18:02
RE: Piligrim - SQ1GYQ - 21-09-2012, 19:03
RE: Piligrim - SQ9RFC - 21-09-2012, 20:44
RE: Piligrim - SQ1GYQ - 27-09-2012, 22:13
RE: Piligrim - SQ1GYQ - 30-09-2012, 20:54
RE: Piligrim - SP5BMP - 01-10-2012, 7:26
RE: Piligrim - SQ1GYQ - 01-10-2012, 9:15
RE: Piligrim - SP5AQT - 01-10-2012, 12:45
RE: Piligrim - SQ1GYQ - 01-10-2012, 17:45
RE: Piligrim - SQ8GUM - 07-10-2012, 20:44
RE: Piligrim - SQ8GUM - 10-10-2012, 7:25
RE: Piligrim - SP5TAA - 10-10-2012, 20:08
RE: Piligrim - SP8QEJ - 10-10-2012, 14:21
RE: Piligrim - SQ1GYQ - 10-10-2012, 18:21
RE: Piligrim - SQ8GUM - 10-10-2012, 19:13
RE: Piligrim - SQ1GYQ - 10-10-2012, 19:23
RE: Piligrim - SQ1GYQ - 09-05-2013, 0:07
RE: Piligrim - SQ5IZX - 03-12-2014, 22:19
RE: Piligrim - SP5TIO - 03-12-2014, 22:23
RE: Piligrim - SP2JH - 13-01-2017, 20:30
RE: Piligrim - SQ1GYQ - 13-01-2017, 23:11
RE: Piligrim - SPO3O2OL - 14-01-2017, 0:52
RE: Piligrim - SP5MNO - 01-06-2017, 11:10
RE: Piligrim - M72M72 - 03-08-2017, 16:05
RE: Piligrim - SP4LVC - 03-08-2017, 16:29
RE: Piligrim - M72M72 - 03-08-2017, 17:37
RE: Piligrim - SPO3O2OL - 03-08-2017, 17:42
RE: Piligrim - M72M72 - 03-08-2017, 18:00
RE: Piligrim - SPO3O2OL - 03-08-2017, 18:25
RE: Piligrim - M72M72 - 03-08-2017, 18:33
RE: Piligrim - SPO3O2OL - 03-08-2017, 18:51
RE: Piligrim - M72M72 - 08-08-2017, 16:37
RE: Piligrim - SP5FCS - 12-08-2024, 10:17
RE: Piligrim - SQ8LUV - 12-08-2024, 15:13
Odp: Piligrim - SQ5STZ - 20-03-2009, 21:25
Odp: Piligrim - SQ5NBG - 29-03-2009, 23:39
Odp: Piligrim - SQ9NOX - 30-03-2009, 12:40
Odp: Piligrim - SP5FCS - 03-05-2009, 9:01
Odp: Piligrim - SP5FCS - 04-05-2009, 15:55
Odp: Piligrim - SP5FCS - 10-05-2009, 9:21
Odp: Piligrim - SQ5NPW - 21-05-2009, 0:06
Piligrim... - SP3RAF - 18-09-2009, 22:28

Skocz do:


Użytkownicy przeglądający ten wątek: 2 gości