28-07-2018, 23:38
Wykonałem mozolna pracę ...
Rdzeń BN43-3312, DNE 0.6
Pierwotne 2x1.5 zw. wtórne 4,3,2 zw.
Pierwotne 2x1.0 zw. wtórne 4,3,2 zw.
Pierwotne 2x0.5 zw. wtórne 4,3,2,1 zw.
W sumie 10 transformatorów
Z NWT7 sygnał zduszony o 30dB, na wejściu tłumik 4.5 dB 13.8V zasilanie.
Na wyjściu obciążenie 50 omów bezindukcyjne, oscyloskop (automatyczny pomiar napięcia pp zawsze na tej samej podziałce), cyfrowa miarka mocy FWD i REV
Pomiary przy 1.75, 3.5, 7.0, 14.0, 28.0 MHz
Pomiary Vpp out, I zas, P fwd, P rev
W sumie 200 punktów pomiarowych.
WNIOSKI:
Najlepsza przekładnia trafka to 1:2
Praktycznie identyczne wyniki przy
1.5 zw pierw. / 3 zw wtórnego (lepiej na dolnych pasmach)
1.0 zw pierw./ 2 zw wtórnego (lepiej na górnych pasmach)
Który wariant wybrać decyduje wygoda poprowadzenia grubych ścieżek zasilania i mas na PCB
... c.d.n.
Jak widać, 6 lat temu zrobiłem ten PA - wyniki było normalne ... a nawet rewelacyjne:
I parę lat później ...
Skąd te 40W !!!
Czy ktoś coś wie na temat znikających fotek - chciałem teraz popatrzeć jak to było wtedy... ale ! ... z tego posta zniknęły moje oscylogramy !
Dziś na trafku BN43-3312 nawinąłem 2x1.5 i 3 wtórnego (wszystko teflonową żyłą od cienkiego koncentryka). Nie działa dobrze ... max 10W brzydkiego sygnału.
Grzeje się mocno wszystko - coś tu nie gra.
Jednak da się uzyskać 30 W niezniekształconego na oko (5%) sygnału.
PA z (06-09-2012 1:09) odnalazłem.
Pomierzyłem i jest rewelacyjny.
3.6A 13.8V +- 50W pobrane z zasilacza, 30W do anteny 60-% sprawności ...
0.93 A prąd spoczynkowy na gorąco.
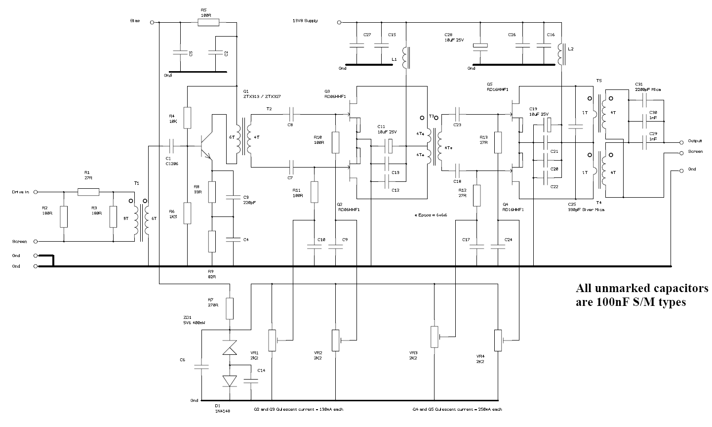
[attachment=14192]
Teraz trzeba zmusić do pracy moją nową PCB...
Rdzeń BN43-3312, DNE 0.6
Pierwotne 2x1.5 zw. wtórne 4,3,2 zw.
Pierwotne 2x1.0 zw. wtórne 4,3,2 zw.
Pierwotne 2x0.5 zw. wtórne 4,3,2,1 zw.
W sumie 10 transformatorów
Z NWT7 sygnał zduszony o 30dB, na wejściu tłumik 4.5 dB 13.8V zasilanie.
Na wyjściu obciążenie 50 omów bezindukcyjne, oscyloskop (automatyczny pomiar napięcia pp zawsze na tej samej podziałce), cyfrowa miarka mocy FWD i REV
Pomiary przy 1.75, 3.5, 7.0, 14.0, 28.0 MHz
Pomiary Vpp out, I zas, P fwd, P rev
W sumie 200 punktów pomiarowych.
WNIOSKI:
Najlepsza przekładnia trafka to 1:2
Praktycznie identyczne wyniki przy
1.5 zw pierw. / 3 zw wtórnego (lepiej na dolnych pasmach)
1.0 zw pierw./ 2 zw wtórnego (lepiej na górnych pasmach)
Który wariant wybrać decyduje wygoda poprowadzenia grubych ścieżek zasilania i mas na PCB
... c.d.n.
Jak widać, 6 lat temu zrobiłem ten PA - wyniki było normalne ... a nawet rewelacyjne:
(06-09-2012 1:09)SQ9RFC napisał(a): [ -> ]Sterowany z NWT7 20 watowy G6ALU na australijskiej czerwonej płytce bez jakichkolwiek modyfikacji, daje niezniekształconego (na oko) sygnału:
PASMO/ MOC/ PRĄD POBIERANY
1.8 --- 25.3W --- 2.67A
3.5 --- 19W --- 2.87A
7 --- 19.0W --- 3.10A
14 --- 15.0 --- 3.15A
28 --- 13.5 --- 3.42A
Moc mierzona mostkiem tego samego konstruktora co wzmacniacz.
Bias ustawiany na zimno 125 i 250 mA
Przed regulacją pobierał 40mA prądu - co mnie dziwi (bias z innego źródła).
Po regulacji na zimno pobiera 0.8A, nagrzany 1.1A
Następna wersja będzie miała większe trafo wyjściowe - oryginał się mocno nagrzewa.
I parę lat później ...
(13-06-2013 18:48)SQ9RFC napisał(a): [ -> ]...
Wycisnąłem z oryginału 20W na 80 i 35W na 40
...
Skąd te 40W !!!
Czy ktoś coś wie na temat znikających fotek - chciałem teraz popatrzeć jak to było wtedy... ale ! ... z tego posta zniknęły moje oscylogramy !
Dziś na trafku BN43-3312 nawinąłem 2x1.5 i 3 wtórnego (wszystko teflonową żyłą od cienkiego koncentryka). Nie działa dobrze ... max 10W brzydkiego sygnału.
Grzeje się mocno wszystko - coś tu nie gra.
Jednak da się uzyskać 30 W niezniekształconego na oko (5%) sygnału.
PA z (06-09-2012 1:09) odnalazłem.
Pomierzyłem i jest rewelacyjny.
3.6A 13.8V +- 50W pobrane z zasilacza, 30W do anteny 60-% sprawności ...
0.93 A prąd spoczynkowy na gorąco.
[attachment=14192]
Teraz trzeba zmusić do pracy moją nową PCB...
