Stron: 1 2 3 4 5 6 7 8 9 10
Wybacz ale mam odmienne zdanie i nie bardzo rozumiem o co chodzi z obwodem równoległym Jeśli dobrze rozumiem konfiguracja jest następująca: mieszacz-->diplekser-->obwód równoległy. A co dalej, gdzie filtr kwarcowy? Proszę uściślij założenia.
Piotrze napisałeś: Generalnie błędem jest dodawanie "dobrego" kondensatora do złego a już tragedią łączenie różnych wartości np 100pF+1nF+100nF a to plus drobny elektrolit co pewien czas to standard w odsprzęganiu. Celem łączenia jest uzyskanie niskiej impedancji w szerokim zakresie częstotliwości, chyba, że źle Ciebie zrozumiałem. Co do łączenia styrofleksu z ceramikiem NP0 to ze względu na indukcyjność pasożytniczą jak zależy nam na paśmie rzeczywiście lepiej złożyć z dwóch ceramików NP0
Tak, potwierdzam i podtrzymuję, łączenie wielu różnych kondensatorów równolegle w torach radiowych to błąd. Nie znając ich rzeczywistych parametrów naraża nas na przykre niespodzianki zwłaszcza w sytuacji gdy nie mamy czym zmierzyć. Ważne by zdać sobie sprawę z tych uwarunkowań i ostrożnie podchodzić do budowy torów radiowych z przypadkowych elementów, w sposób zbliżony do budowy układów cyfrowych. Obowiązuje zasada montażu "ukf", krótkie połączenia, krótkie wyprowadzenia, dobra "masa" i "czyste" zasilanie.
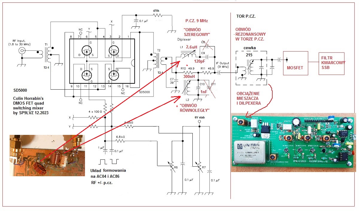
Drodzy koledzy - rozjeżdżamy się w dyskusji zaczynamy pisać o różnych rzeczach, ja jeszcze ogarniam, ale czytający pewnie już nie..., stąd zaczynają się chyba małe nieporozumienia w wypowiedziach,
- Rafał wchodzi w dyskusje ogólną o kondensatorach (blokujących), tu był temat jednego konkretnego kondensatora w układzie diplexera (kondensatora w obwodzie "równoległym"), w tym obwodzie "równoległym z indukcyjnością 300nH " NP0 o wartości 1nF daje o wiele mniejszą dobroć obwodu niż strofleksowy na tej zakładanej częstotliwości 9Mhz. U mnie tylko styrofleksowy spełniał swoje zadanie.
- Piotrze (FKP) nie jest taka konfiguracja jak rozumiesz (piszesz), inaczej to ja nazywam w swoich wypowiedziach,... dlatego nasze wypowiedzi też się zaczynają wymijać,
w ząłczeniu schemat i "nazwy" których używam w poprzednich wypowiedziach - inaczej nie porozumiemy się jeśli nie będziemy patrzeć na ten sam schemat...:
obwód szeregowy (diplexera), obwód równoległy (diplexera), obwód rezonansowy (na wejściu toru p.cz.)... to są rożne elementy układu,
Wcześniejsze pomiary pokazywałem takiego połączenia diplexer i wejście toru p.cz. (rzeczywisty, wykonany tor wzmacniacza p.cz.) z obwodem rezonansowym na wejsciu, ale rozbiłem też pomiary diplexer i od razu sam filtr kwarcowy o co prosił Henryk (JQR),
Zobacz na "obwód równoległy" diplexera, to on się rozjeżdża w częstotliwości, a on decyduje (miedzy innymi, a może i gównie) o stracie przenoszenia diplexera na częstotliwości 9 Mhz i on decyduje jak szybko inne częstotliwości będą "zwierane do masy" (przez rezystory 51R) i na nim występują te piki rezonansów 100 Mhz..... i większość co było pisane jest dyskusją wokół tego obwodu,...
[
attachment=18582]
Też Piotr (LVZ)
Ok, teraz mam pełną jasność. I jest tak jak się domyślałem bowiem nie ma najmniejszego sensu rozpatrywanie osobno "obwodu szeregowego" i "obwodu równoległego" dipleksera. One są silnie sprzężone i wpływają jeden na drugi w nierozerwalny sposób. Trzeba patrzeć na diplekser jak na jeden podzespół o określonych właściwościach, jak na taką "czarną skrzynkę". Wzajemne relacje są ściśle matematycznie zależne, podobnie jak w filtrach i nie sposób rozbijać to na atomy. Dlatego proponuję zakończyć analizę na tym etapie i ew. wrócić do niej w gotowym prototypie gdy pomiary wykażą jakieś nieprawidłowości. I nie przejmuj się stratami bo jak wykazały to i Twoje pomiary one są pomijalnie małe jeśli patrzeć na to globalnie.
Nie ma też co mierzyć tłumienia przejścia między portami dla "małej" i "dużej" cewki w obwodzie rezonansowym. To naturalne, że tłumienie będzie miało rożną wartość bo dla obwodu będącego w rezonansie mamy do czynienia z czystą rezystancją, którą w tym wypadku nazywamy impedancją charakterystyczną (falową) a która to zależy (w największym skrócie) od stosunku L do C. Im większa cewka tym większa wypada impedancja dla tej samej częstotliwości rezonansowej. Myślę, że to już będzie jasne.
I tak zrobimy, na tym etapie kończymy analizę diplexera. Chyba już wszystko zostało omówione.
To piszesz: - stosunek L/C, to mamy dwa sprzeczne warunki dla tego obwodu " równoległego" - diplexer pracuje tym epiej im indukcyjność jest mniejsza w tym obwodzie, a im indukcyjność mniejsza tym bardziej pogarszamy pracę tego obwodu dla przenoszenia częstotliwości p.cz. przez diplexer. Czyli możemy przekroczyć próg najlepszego efektu.
Pomiar tłumienia w rezonansie równoległym pomiedzy portami CH0 i CH1 to przede wszystkim dobór elementów do rezonansu na 9MHz.
Zamykając z mojej strony temat mieszacza na kluczach z użyciem DMOS SD5400, zrobiłem ostatni z planowanych testów wersji mieszacza wg mojej propozycji układu formowania sygnału na AC04 i AC86. Tym razem całość z układami smd.
Mieszacz pracuje od pierwszego włączenia. Wyniki podobne jak w wersji z układami DIL (SD5000), głownie chodzi o poziom tłumienia mieszacza ok 6-8 dB (tak jak w publikacjach o tym mieszaczu).
W załączeniu schemat i widok PCB. Zrobiłem prasowankę, więc konieczne były krosówki. Potencjometr równoważenia należny uwzględnić wielo-obrotowy.
Przy ustawianiu zrównoważania dla się to zrobić bardzo precyzyjnie dla jednej częstotliwości heterodyny, jednak przy zmianie częstotliwości heterodyny punkt równoważenia jest inny.
Zalety:
- wysoka wartość IP3 (mało zależy od dopasowania wej-wyj), bardzo niskie szumy mieszacza (nie mierzyłem co do wartości), stwierdzenie ogólne, ale w tym zakresie nie da się za bardzo "zepsuć" tego mieszacza,
- prosty i stabilny układ formowania sygnału heterodyny (w wersji AC04+AC86),
- dla wysokiej wartości IP3 nie potrzeba problematycznego wzmacniacza jak do mieszaczy diodowych wysokopoziomowych,
- bezproblemowe uruchomienie,
- układy AC/HC04, AC/HC86 i SD5400 bez problemu do nabycia,
Wady:
- problem idealnego zrównoważenia dla różnych częstotliwości heterodyn (trudno obecnie określić na ile istotny),
- pewna trudność z wykonaniem diplexera (cewka 312nH),
- tłumienie 6-8 dB.
Ja mam jedną uwagę co do tłumienia mieszaczy.
Jak wiadomo mieszacz produkuje z sygnału wejściowego (fwe) i heterodyny (fh) sygnały (fwe - fh), fwe + fh oraz produkty mieszania z harmonicznymi (załóżmy idealny prostokąt) fh czyli fwe - fh*3, fwe + fh*3, fwe - fh*5, fwe + fh*5 i tak dalej...
Jeśli poziom tłumienia mieszacza mierzymy na jednym listku z mieszania to z natury rzeczy pokaże się nam tłumienie CO NAJMNIEJ 6dB a nawet większe (zależy jak i ile harmonicznych).
Mam nadzieję że to uwzględniacie

Sytuacja jest analogiczna jak przy problematyce szumów odbiornika. Odbiornik z przemianą częstotliwości ma z założenia min. o 3 dB większe szumy niż homodynowy co wynika z analizy teoretycznej. Dlaczego homodyna ma przyjemniejszy sygnał audio niż superheterodyna z p.cz. ?.... to chyba częściowo wyjaśnia.
Test tłumienia mieszacza robię (nie mierzę ale weryfikuję) w bardzo praktyczny sposób. Ustawiam na trx (fabrycznym) jakąś konkretną stację o stałym poziomie sygnału na wybranym paśmie. Następnie odsłuchuję tą samą stację przez "konwerter" jakim jest testowany mieszacz, czyli na innej częstotliwości (niekoniecznie na 9 Mhz). Porównuję poziomy sygnałów, tło szumów, zakłócenia, itd... Tym sposobem mieszacze na kluczach wypadają mi zawsze jako z większym tłumieniem niż pasywny pierścieniowy na diodach (np ADE-1). To jest też szybki praktyczny test czy mieszacz pracuje poprawnie bez używania dodatkowych generatorów, mierników, analizatorów. Oczywiście do aktywnych nie ma co porównywać, bo w nich sygnały są wzmacniane.
(04-01-2024 15:53)SQ5KVS napisał(a): [ -> ]Ja mam jedną uwagę co do tłumienia mieszaczy.
.....
Jeśli poziom tłumienia mieszacza mierzymy na jednym listku z mieszania to z natury rzeczy pokaże się nam tłumienie CO NAJMNIEJ 6dB a nawet większe (zależy jak i ile harmonicznych).
....
Tłumienność przełączania odpowiadająca stratom modulatora idealnego wynosi:
b= ln(pi/2) = 0,45N (neperów) => ~ 3,9dB.
W praktyce osiąga się tłumienie min. 4,5dB.
Stron: 1 2 3 4 5 6 7 8 9 10