Odpowiedz 
 
Ocena wątku:
  • 2 Głosów - 5 Średnio
  • 1
  • 2
  • 3
  • 4
  • 5
Wzmacniacz QRP co nie tak?
SP7KH Offline
Użytkownik
***

Liczba postów: 145
Dołączył: 24-11-2010
Post: #41
RE: Wzmacniacz QRP co nie tak?
Niestety nastąpiło pewne przejęzyczenie - on na czysto będzie dopiero w formie "papierzanej".
Czynny to jeszcze trochę.
Co prawda płytka TRx-a 2008 czeka na filtr i uruchomienie, ale to jeszcze masa pracy, a i sam mały i prosty z założenia wzmacniacz staje się poniekąd ba.....dzo dojrzały - a i wcale nie taki prosty.
04-01-2011 22:32
Znajdź wszystkie posty użytkownika Odpowiedz cytując ten post
SQ1PSE Offline
Adam
*

Liczba postów: 31
Dołączył: 13-11-2010
Post: #42
RE: Wzmacniacz QRP co nie tak?
Witam ponownie!

Kilka dni mnie nie było i trochę nie poznałem tego wzmacniacza.

Czy ten schemat, który pokazał kolega SP7KH, to ten schemat, który był na początku, czy coś zupełnie innego? Pogubłem się.

Ponanosiłem poprawki z pierwszego postu kolegi SP2JQR, starając się je zrozumieć (nadal irf520 zostal, bo musze kupic 510-tki). Nie składałem jeszcze. Myślę, że od razu na płytce to zrobię.

Ktoś może zapytać dlaczego brnę w tę pierwszą wersję swoją, którą chcę przerabiać, ale naprawdę pomaga mi to zrozumieć.

Tę już przerobioną, pewnie wykonam, żeby mieć coś działającego, ale chcę zrozumieć.

Proszę o odniesienie się do tych moich "wypocin", nawet jeśli ogólniejszy schemat jest bardziej dopracowany i zaawansowany. Dziękuję!


Załączone pliki Miniatury
İmage
05-01-2011 0:57
Znajdź wszystkie posty użytkownika Odpowiedz cytując ten post
SP7KH Offline
Użytkownik
***

Liczba postów: 145
Dołączył: 24-11-2010
Post: #43
RE: Wzmacniacz QRP co nie tak?
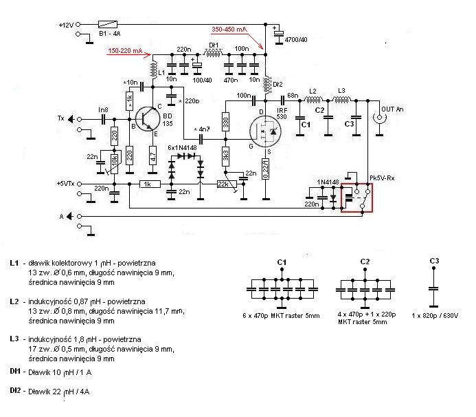
Chyba już - starałem się nie pokręcić, choć nawał informacji był spory.
Nie jestem pewien czy wskutek podłącenia tych diodek rezystor 1k poprzez które są zasilone nie wybuchnie żywym ogniem ?


Załączone pliki Miniatury
İmage
(Ten post był ostatnio modyfikowany: 05-01-2011 9:23 przez SP7KH.)
05-01-2011 7:44
Znajdź wszystkie posty użytkownika Odpowiedz cytując ten post
SP6OUJ Offline
Arek
**

Liczba postów: 57
Dołączył: 16-03-2010
Post: #44
RE: Wzmacniacz QRP co nie tak?
No to teraz pozostaje aby wypowiedzieli się fachowcy, czy schemat z poprawkami jest dobry i robimy. Sam jestem ciekawy jak będzie pracował.

73! Arek sp6ouj
05-01-2011 7:55
Odwiedź stronę użytkownika Znajdź wszystkie posty użytkownika Odpowiedz cytując ten post
SP7KH Offline
Użytkownik
***

Liczba postów: 145
Dołączył: 24-11-2010
Post: #45
RE: Wzmacniacz QRP co nie tak?
A taki był prosty na początku - i "alimentów" niewiele !
05-01-2011 8:05
Znajdź wszystkie posty użytkownika Odpowiedz cytując ten post
SP2JQR Online
Henryk
*****

Liczba postów: 1,528
Dołączył: 23-08-2009
Post: #46
RE: Wzmacniacz QRP co nie tak?
Wstrzymuję się od głosu, może jeszcze ktoś się wypowie co jeszcze jest nie tak?
05-01-2011 9:02
Znajdź wszystkie posty użytkownika Odpowiedz cytując ten post
SP9FKP Offline
Piotr
*****

Liczba postów: 1,287
Dołączył: 28-06-2009
Post: #47
RE: Wzmacniacz QRP co nie tak?
Rezystor 0.22/1 powinien być w źródle (S) a nie w bramce (G).
05-01-2011 9:11
Znajdź wszystkie posty użytkownika Odpowiedz cytując ten post
SP7KH Offline
Użytkownik
***

Liczba postów: 145
Dołączył: 24-11-2010
Post: #48
RE: Wzmacniacz QRP co nie tak?
Całkowita racja - zasugerowałem się czym innym niż opis - za momencik wymienię schemat na poprawiony.

I Już to ewidentne "przejęzyczenie" poprawione.
(Ten post był ostatnio modyfikowany: 05-01-2011 9:24 przez SP7KH.)
05-01-2011 9:17
Znajdź wszystkie posty użytkownika Odpowiedz cytując ten post
SP6OUJ Offline
Arek
**

Liczba postów: 57
Dołączył: 16-03-2010
Post: #49
RE: Wzmacniacz QRP co nie tak?
Brakuje mi tu jeszcze jednej pary przekaźnika, przełączającego wejście tranzystora BD135. No chyba, że ten wzmacniacz ma zostać dołożony do jakiegoś układu i stanowić integralną część. Jeśli jednak ma być jako "dostawka", to takie styki przekaźnika powinny być na wejściu.

73! Arek sp6ouj
05-01-2011 9:51
Odwiedź stronę użytkownika Znajdź wszystkie posty użytkownika Odpowiedz cytując ten post
SP7KH Offline
Użytkownik
***

Liczba postów: 145
Dołączył: 24-11-2010
Post: #50
RE: Wzmacniacz QRP co nie tak?
Ma Kolega całkowitą rację - jednak ten wzmacniacz rysowałem jako część nadawczą do kitu AVT p.t TRx-2008 (AVT 5127).
Dlatego też uparcie stosowałem jednakowe - jak w tym kicie - oznaczenia napięć
i sterowania nad./odb. - które jest tam realizowane poprzez podanie napięcia 5V na ewentualny wzmacniacz.
Sam kit w sobie wzmacniacza mocy nie posiada, ma tylko wyjście uformowanego sygnału SSB wysokości 1 V przy pełnym wymodulowaniu - czyli średni poziom sygnału SSB (w/g mnie) 300-600 mV.
Podejrzewam że twórca tego TRX-a (którego odbiornik cieszy się b.dobrą opinią)
miał już dość ciągłego narzekania "klientów" na niedopracowaną część w.cz. jego kitów, i zastosował metodę "Róbta se co chceta, a mnie spokój dajcie".
Ja ze swej strony tylko czekam aż Kolega SP2JQR policzy Pi filter dla wersji
30 W, co by znowu głowę zawracać samą "witaminką" 4-5W na wejściu 25-30 na wyjściu.
Tanim kosztem dałoby to mocy dla FT-817 na przykład.

Miłego dnia - Heniek
(Ten post był ostatnio modyfikowany: 05-01-2011 10:07 przez SP7KH.)
05-01-2011 10:03
Znajdź wszystkie posty użytkownika Odpowiedz cytując ten post
Odpowiedz 


Skocz do:


Użytkownicy przeglądający ten wątek: 1 gości