Odpowiedz 
 
Ocena wątku:
  • 2 Głosów - 5 Średnio
  • 1
  • 2
  • 3
  • 4
  • 5
Analizator NA01
SQ9MDD Offline
Rysiek
****

Liczba postów: 380
Dołączył: 01-02-2009
Post: #31
RE: Analizator NA01
(05-07-2011 9:25)sp6fre napisał(a):  Zauważyłem, że nie ma na forum praktyki publikowania kodu źródłowego. Postaram się jednak w odpowiednim momencie pokazać kod dla tego rozwiązania.
Po części masz rację, w konstrukcjach krótkofalarskich jest to nowość. Ale nadal namawiam (namawiamy) twórców by dzielili się swoimi rozwiązaniami, pisałem o tym w innej części forum:
http://sp-hm.pl/thread-838.html
W świecie open source jest to dobra praktyka. Wszelkiego rodzaju oprogramowanie jest dostępne wraz z źródłami.
Otwarte projekty, które popełniamy na tym forum są oznaczane ikonką copyleft i z reguły siedzą w dziale: Projekty Grupy HomeMade, sa tam zawsze wszystkie pliki w postaci źródłowej. Twój projekt jest autorski wziąłeś na siebie ciężar całego projektu, podziwiam i zazdroszczę wiedzy.

(05-07-2011 9:25)sp6fre napisał(a):  Z Youtube na razie nie korzystałem polegając na firmie, która opiekuje się moją stroną. Czyżby były kłopoty z prędkością odczytu danych?

Nie kłopotów nie było, poprostu ten serwis jest dobrze znany i może być dodatkowym kanałem informacyjnym o twojej konstrukcji.

Nie będę ukrywał że jak skończę kilka drobiazgów które robię teraz to chyba się pokuszę o zbudowanie miernika twojej konstrukcji.

...przede wszystkim nie zakłócać...
05-07-2011 12:16
Odwiedź stronę użytkownika Znajdź wszystkie posty użytkownika Odpowiedz cytując ten post
SP6FRE Offline
Leszek
****

Liczba postów: 737
Dołączył: 20-09-2009
Post: #32
RE: Analizator NA01
Dziękuję za informacje o otwartych projektach na forum. Przybędzie więc kolejny ale proszę o trochę cierpliwości tym bardziej że jest chyba na co czekać.
Zrobiłem prosty mostek pomiarowy, który doczeka się chyba oddzielnego wątku, a który wykorzystuję do pomiaru SWR. Nie mam jeszcze w pełni oprogramowanej tej funkcjonalności ale już teraz można coś pokazać.
Na zdjeciach widać konstrukcję mostka, który ma wymiary 40/50/20mm i zbudowany jest z trzech gniazd BNC, trzech oporników R51 oraz z transformatora na rdzeniu dwuotworowym.
Do badania działania mostka użyłem mojej anteny W3DZZ. Na pierwszym zdjęcu widać charakterystykę anteny w paśmie 1-30MHz gdzie z lewej strony, w pobliżu znacznika częstotliwości, słabo, ale widać wąski, głęboki pik w pobliżu 3.5MHz, kolejny na 7 oraz następny przy 14MHz oraz optycznie najszerszy pik w okolicach 21MHz. Pik oznacza, że w tym miejscu następuje zbliżenie impedancji anteny do 50 omów (inaczej mówiąc poprawia się dopasowanie co wiąże się z reguły z rezonansem).
Na kolejnym zdjęciu widać charakterystykę w węższym paśmie (3-8MHz) a na ostatnim dokładniejszy wykres charakterystyki anteny w paśmie 3-4MHz. Jak widać antena zestrojona jest prawie na środek pasma telegrafii pasma 3.5 ;-). Różnica w tłumieniu ponad 20dB to, o ile pamiętam, SWR mniejszy niż 1.2.
Docelowo ta funkcjonalność miernika wymagać będzie nieco innej kalibracji przed pomiarem (zmieni się tylko sposób ale czas kalibracji wyniesie jak do tej pory kilka sek.) a na ekranie pojawią się co najmniej wartość zmierzonego SWR.
L.J.


Załączone pliki Miniatury
İmage İmage İmage İmage İmage
06-07-2011 23:44
Odwiedź stronę użytkownika Znajdź wszystkie posty użytkownika Odpowiedz cytując ten post
SP6FRE Offline
Leszek
****

Liczba postów: 737
Dołączył: 20-09-2009
Post: #33
RE: Analizator NA01
Założyłem oddzielny wątek dla mostka pomiarowego SWR, który można znaleźć pod adresem:
Mostek pomiarowy SWR do miernika NA01
Rozbudowałem nieco program o pełną funkcjonalność pomiaru SWR. Na ekranie można już zobaczyć wartość SWR na poziomie poziomej linii odniesienia.
W tym przykładzie, pomiar mojej anteny W3DZZ pokazuje, że w paśmie 3.5MHz współczynnik SWR jest mniejszy niż ok. 2 w zakresie 3.44-3.66MHz. SWR 2 oznacza, że ok. 90% mocy doprowadzonej do anteny zostanie wypromieniowane a odbije się tylko ok. 10% mocy.
Antena ma zatem SWR <2 w paśmie ok. 220kHz ale częstotliwość pracy anteny jest za niska. Należałoby ją skrócić o ok. 3% (chyba 1-1.5m) wtedy pokrycie pasma byłoby lepsze bo rezonans wypadłby na 3.65. Podobnie, chcąc przesunąć rezonans anteny w pasmo telegrafii dx należałoby ją wydłużyć o ok. 0.5-1m
W szczycie dopasowania SWR anteny wynosi ok. 1.1.
Załączam zdjęcie z pomiaru anteny oraz aktualny plik hex. Ustawienia bitów fuse kontrolera są takie jak poprzednio
L.J.


Załączone pliki Miniatury
İmage

.hex  NET_AN1.HEX (Rozmiar: 54.14 KB / Pobrań: 1671)
(Ten post był ostatnio modyfikowany: 10-07-2011 9:34 przez SP6FRE.)
07-07-2011 23:34
Odwiedź stronę użytkownika Znajdź wszystkie posty użytkownika Odpowiedz cytując ten post
SP3VPA Offline
Tadeusz
**

Liczba postów: 56
Dołączył: 12-08-2009
Post: #34
RE: Analizator NA01
Zaczynam przygodę z NA01. Jak pójdzie? nie wiem. Płytka podstawowa zrobiona, część układów doszła a część zamówiłem. Reszta powinna być
w szufladzie. Jest to drugi projekt Leszka, który będę realizował. Pierwszy - synteza na SI570 - oczywiście działa.
Zaś projekt NA01 zaczyna być coraz bardziej interesujący. Leszku powodzenia
w pracach.
Tadeusz - sp3vpa.
11-07-2011 22:24
Znajdź wszystkie posty użytkownika Odpowiedz cytując ten post
SP6FRE Offline
Leszek
****

Liczba postów: 737
Dołączył: 20-09-2009
Post: #35
RE: Analizator NA01
Nic tak nie cieszy jak kolega, który zaufał prezentowanemu rozwiązaniu ;-)
Powoli kontynuuję oprogramowanie o nowe funkcjonalności. Tym razem chodzi o zespół pomiarów związanych z rezonansem obwodu LC lub rezonatora kwarcowego. W ramach tego pomiaru system określa częstotliwość rezonansu ale również parametry Lx oraz Cx przy znanych wartościach referencyjnych Cr oraz Lr. System automatycznie wylicza również dobroć mierzonego obwodu.
Z pomiarem dobroci mam jeszcze dylemat opisany w wątku:
metoda pomiaru dobroci
niemniej widać, że co najmniej możliwe będzie porównanie jakości obwodów.
Pomiar częstotliwości rezonansu wykonywane jest z dokładnością 10Hz co sprawdza się szczególnie przy pomiarach rezonatorów kwarcowych co, mam nadzieję, będę mógł pokazać na krótkim filmie. Pomiar 3 rezonatorów 8MHz wykazał różnicę w częstotliwościach rzędu 30Hz oraz ich dobroci w zakresie od 190000 do 120000.
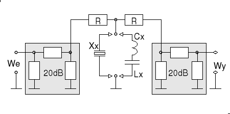
Sam pomiar będzie wymagał przystawki zawierającej dwa tłumiki 20dB oraz podstawek dla mierzonych elementów. Załączony schemat pokazuje, że nie będzie to układ zbyt skomplikowany ;-) Przed pomiarem trzeba będzie wykonać kalibrację podobną do tej przy pomiarze w paśmie. Pomiar pozwoli na znalezienie metodą rezonansową komplementarnej wartości pojemności Cx lub indukcyjności Lx przy znanej wartości referencyjnej Lr lub pojemności Cr. Wartości Lr i Cr można ustawić na początku pomiaru - dla tej funkcjonalności musiałem rozbudować początkowe menu jak to widać na pierwszym zdjęciu. Wartości Cr oraz Lr można zmieniać z krokiem LCst w zakresie od 0.1 do 1000 w zakresie od 0.1uH oraz 1pF do 99999uH oraz 99999pF. Sam pomiar jest wykonany automatycznie po właściwym doborze częstotliwości pomiaru. Dla przykładu, mając obwód rezonansowy gdzie dobrze określona jest pojemność należy doprowadzić do pomiaru jego rezonansu szeregowego uzyskując w wyniku wartość częstotliwości rezonansu, dobroć mierzonego obwodu rezonansowego oraz indukcyjność Lx użytej cewki przy znanej pojemności Cr. Dodatkowy wynik pojemności Cx pokazuje jaki powinien być kondensator Cx dla założonej w menu wartości indukcyjności Lr.
Na kolejnych zdjęciach widać wynik pomiaru rezonatora kwarcowego 8MHz oraz pomiar przypadkowego obwodu rezonansowego.
Wkrótce zamieszczę kolejną wersję oprogramowania z nową funkcjonalnością i przede mną oprogramowanie pomiaru mocy.
L.J.


Załączone pliki Miniatury
İmage İmage İmage İmage
(Ten post był ostatnio modyfikowany: 11-07-2011 23:09 przez SP6FRE.)
11-07-2011 23:07
Odwiedź stronę użytkownika Znajdź wszystkie posty użytkownika Odpowiedz cytując ten post
SP3VPA Offline
Tadeusz
**

Liczba postów: 56
Dołączył: 12-08-2009
Post: #36
RE: Analizator NA01
Witam.
Mam mały problem z wyświetlaczem WG12864B. Zamówiłem go, miał być ale dzisiaj otrzymałem info, że go nie ma i nie potrafią powiedzieć kiedy będą.
Przejrzałem net ale nie znalazłem tego typu. Są podobne czyli oparte na sterowniku KS0108B (HD61202/3) na aukcjach. Czy taki można nabyć?
Pozdrawiam - Tadeusz sp3vpa.
13-07-2011 21:22
Znajdź wszystkie posty użytkownika Odpowiedz cytując ten post
SP6FRE Offline
Leszek
****

Liczba postów: 737
Dołączył: 20-09-2009
Post: #37
RE: Analizator NA01
Proszę o więcej danych, może masz link do strony katalogowej takiego wyświetlacza? Próbowałem pobieżnie odszukać miejsce gdzie kupowałem sam wyświetlacz. Na razie bez powodzenia Ale jak znajdę to dam znać :-(
Najważniejsza jest zgodność wyprowadzeń, Jeśli ten warunek będzie spełniony wtedy nie trzeba będzie przerabiać druku. W ostateczności , jesli wyprowadzenia będa z tej samej strony trzeba będzie na gotowej już płytce wykonać test dołączenia wyświetlacza na przewodach a w razie pozytywnego wyniku druk bedzie musiał być zmodyfikowany :-(
Przy okazji informuję, że w wątku na temat pomiaru dobroci:
Metodyka pomiaru dobroci obwodów rezonansowych
dopisałem kolejne spostrzeżenia dotyczące tego pomiaru, które upewniają mnie w wyborze ostatecznej wersji przystawki do pomiaru dobroci.
L.J.
14-07-2011 0:11
Odwiedź stronę użytkownika Znajdź wszystkie posty użytkownika Odpowiedz cytując ten post
SP3VPA Offline
Tadeusz
**

Liczba postów: 56
Dołączył: 12-08-2009
Post: #38
RE: Analizator NA01
Witam.
Jeśli chciałbyś przejrzeć noty to będąc na Aledrogo w jej wyszukiwarce
wpisz 128x64 a pokaże się sporo tych wyświetlaczy. Ja przejrzę ze spokojem w pracy bo zgrałem na pendriva noty niektórych bo teraz nie mam czasu.
Pozdrawiam - Tadeusz sp3vpa.
14-07-2011 8:39
Znajdź wszystkie posty użytkownika Odpowiedz cytując ten post
SP6FRE Offline
Leszek
****

Liczba postów: 737
Dołączył: 20-09-2009
Post: #39
RE: Analizator NA01
Z występujących na Allegro urządzeń najbliższy jest ten typ:
http://allegro.pl/art-nowe-lcd-128x64-h-...41898.html
Przynajmniej mechanicznie jest podobny bo na zdjęciu ma wyprowadzenia z właściwej strony.
Ma wymiary nieco inne niż mój ale powinien pasować do płytki. Nie obejdzie się jednak bez korekty płytki drukowanej. Niektóre piny są na swoim miejscu ale większość trzeba przelutować, co może okazać się niezbyt trudne bo i tak na oryginalnej płytce do większości pinów są poprowadzone zwory.
Swój wyświetlacz kupowałem prawie 2 lata temu i nie wykluczam, że w razie potrzeby przerobię płytkę na typ częściej występujący obecnie na rynku.
L.J.
14-07-2011 10:37
Odwiedź stronę użytkownika Znajdź wszystkie posty użytkownika Odpowiedz cytując ten post
SP6FRE Offline
Leszek
****

Liczba postów: 737
Dołączył: 20-09-2009
Post: #40
RE: Analizator NA01
Znalazłem kolejny, zbliżony typ wyświetlacza:
wyświetlacz
Również i w tym wypadku należy nieco pomieszać z wyprowadzeniami bo układ jest dla większości wyprowadzeń inny.
L.J.
15-07-2011 10:30
Odwiedź stronę użytkownika Znajdź wszystkie posty użytkownika Odpowiedz cytując ten post
Odpowiedz 


Skocz do:


Użytkownicy przeglądający ten wątek: 2 gości