Odpowiedz 
 
Ocena wątku:
  • 10 Głosów - 4.6 Średnio
  • 1
  • 2
  • 3
  • 4
  • 5
HUSAREK - nowa homodyna dla "każdego"
SP2NJN Offline
Nowicjusz
*

Liczba postów: 16
Dołączył: 19-03-2011
Post: #171
RE: HUSAREK - nowa homodyna dla "każdego"
Witam kolegów składających Husarki.
Jestem na etapie składania zasadniczej płytki homodyny i mam pytanie czy połączenia z układów FST3125 do układów TS912 i LT 6231 poprzez pojemności 4,7uF do 10uF jest dowolne? Czy w działaniu układu wielkość pojemności ma jakieś znaczenie?


Załączone pliki Miniatury
İmage İmage
08-10-2012 17:36
Znajdź wszystkie posty użytkownika Odpowiedz cytując ten post
SQ5KHA Offline
Darek
***

Liczba postów: 173
Dołączył: 10-04-2011
Post: #172
RE: HUSAREK - nowa homodyna dla "każdego"
Witam,
Nie jestem w 100% pewien, ale skoro są widełki od 4,7uF do 10uF to chyba można zastosować kondensatory w tym przedziale pojemności. Chciałem jeszcze koledze podpowiedzieć, żeby zmienić kondensator C32 z 470nF na 4,7uF, do R30 i R31 można dołożyć kondensatory 470pF równolegle do tych rezystorów bo i tak są pady, choć może się okazać że będą niepotrzebne, rezystor R63 można dać na początek 47K, a kondensator C64 zachować 470nF, przynajmniej na początek uruchomienia. Chciałem oczywiście napisać, że te wszystkie podpowiedzi uzyskałem po rozmowie z kolegą, który też buduje Husarka. Jeśli coś pomyliłem to proszę o poprawienie mojej wypowiedzi.

73 Darek
08-10-2012 19:54
Znajdź wszystkie posty użytkownika Odpowiedz cytując ten post
SP2NJN Offline
Nowicjusz
*

Liczba postów: 16
Dołączył: 19-03-2011
Post: #173
RE: HUSAREK - nowa homodyna dla "każdego"
Kolego Darku dziękuję bardzo za informacje. Wykorzystam w trakcie składania.
Pozdrawiam Jurek
08-10-2012 22:38
Znajdź wszystkie posty użytkownika Odpowiedz cytując ten post
SP5FCS Offline
Adam
*****

Liczba postów: 1,073
Dołączył: 02-02-2009
Post: #174
RE: HUSAREK - nowa homodyna dla "każdego"
Zmodyfikowałem lekko projekt zasadniczej płytki homodyny do HUSARKA wykonany przez Zdzisława SP4HKQ.

Zmiany obejmują:
- poprawki związane z wykrytymi brakami i błędami na druku;
- podwójne piny połączeniowe pomiędzy modułem polifazera a płytką zasadniczą;
- przeniesienie złącza CW z lewej strony (złącza w.cz.) na wolny pin złącza po prawej stronie druku;
- większe obudowy dla dużych kondensatorów w obudowach 1206;
- opisy wartości na modułach polifazerów;
- zastąpienie rezystorów w obudowach 0805 elementami 1206;
- większe przelotki pod układami FST, (zamiana 40 na 50 mils);
- wprowadzenie termalpadów na górnej warstwie masy;
- drobne korekty prowadzenia ścieżek.

Projekt w obecnych kształcie powinien być łatwiejszy do wykonania termotransferem.


Załączone pliki Miniatury
İmage

.lay  Husarek_homodyna_v3.LAY (Rozmiar: 379.92 KB / Pobrań: 1201)

73 Adam
09-10-2012 20:43
Znajdź wszystkie posty użytkownika Odpowiedz cytując ten post
SQ5KHA Offline
Darek
***

Liczba postów: 173
Dołączył: 10-04-2011
Post: #175
RE: HUSAREK - nowa homodyna dla "każdego"
Witam,
Na płytce homodyny, jeśli chcemy zastosować tranzystor Q5 zgodnie ze schematem tzn. 2N700 to trzeba go obrócić o 180 stopni, ale możemy wlutować BS170 i wtedy tranzystor jest zgodny z obrysem na płytce.

73 Darek
10-10-2012 22:10
Znajdź wszystkie posty użytkownika Odpowiedz cytując ten post
SP9HVW Offline
Józef
***

Liczba postów: 158
Dołączył: 14-06-2010
Post: #176
RE: HUSAREK - nowa homodyna dla "każdego"
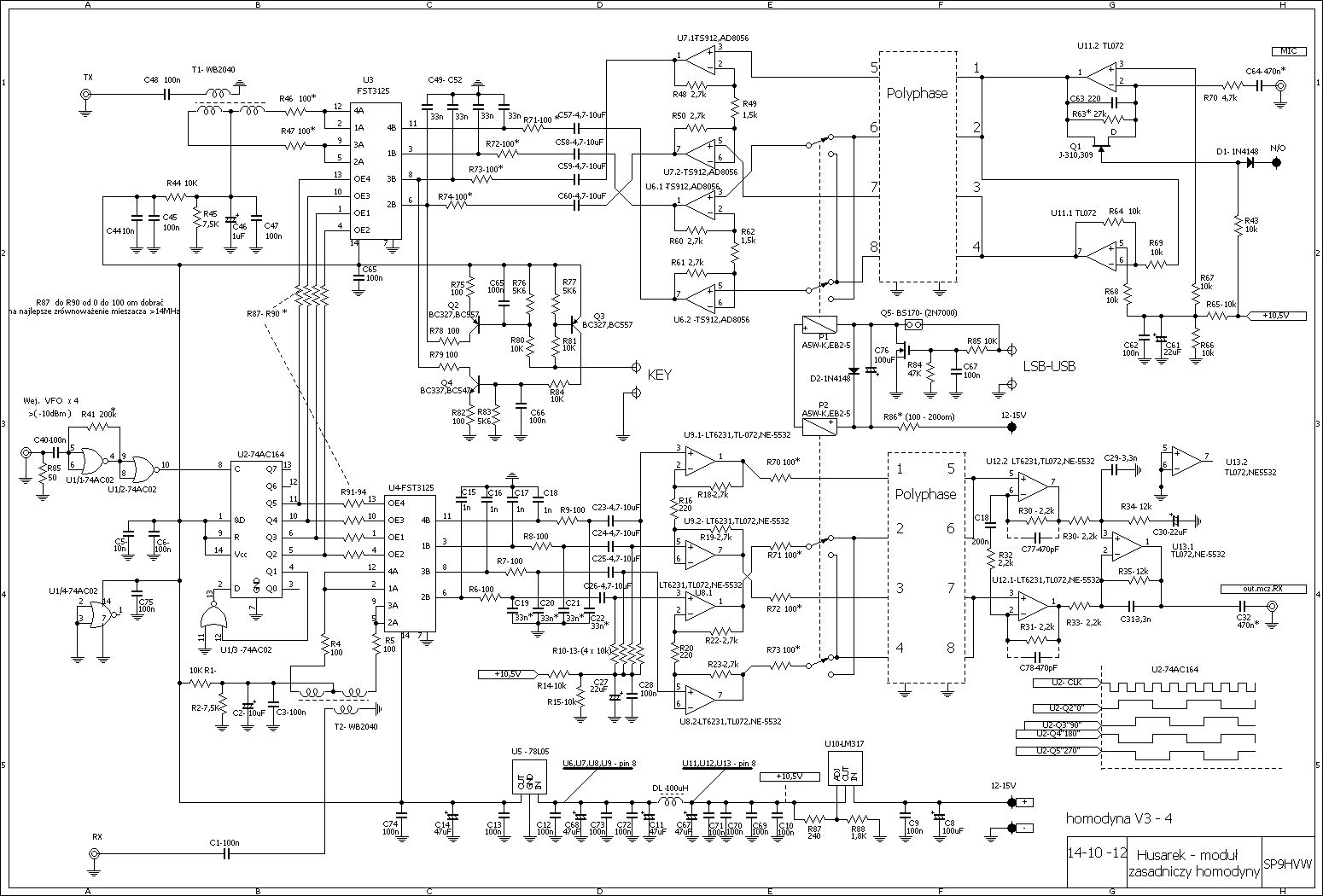
Schemat ideowy modułu zasadniczego homodyny z poprawkami i opisy wartości elementów na PCB.

Poprawiono błędy na schemacie ideowym zauważone przez SP9FKP. PCB wykonane zgodnie z przedstawionym schemacie.


Załączone pliki Miniatury
İmage

.lay  Husarek homod opis.LAY (Rozmiar: 460.1 KB / Pobrań: 1162)
(Ten post był ostatnio modyfikowany: 14-10-2012 13:05 przez SP9HVW.)
11-10-2012 0:31
Znajdź wszystkie posty użytkownika Odpowiedz cytując ten post
SP9FKP Offline
Piotr
*****

Liczba postów: 1,287
Dołączył: 28-06-2009
Post: #177
RE: HUSAREK - nowa homodyna dla "każdego"
Wyjście 1 U1 i 7 U13 nie powinno być zwarte do masy. Dioda D2 wrysowana odwrotnie a kondensator C76 minusem na masę.
(Ten post był ostatnio modyfikowany: 11-10-2012 7:35 przez SP9FKP.)
11-10-2012 7:35
Znajdź wszystkie posty użytkownika Odpowiedz cytując ten post
SP5FCS Offline
Adam
*****

Liczba postów: 1,073
Dołączył: 02-02-2009
Post: #178
RE: HUSAREK - nowa homodyna dla "każdego"
Józef, dziękujemy za poprawki schematu i naniesienie wartości elementów na projekt płytki. Aby zachować jednolitość opisu elementów na wszystkich płytkach projektu oraz uzyskać ułatwienie przy drukowaniu schematów montażowych płytek proponuję przyjąć pewien standard opisów.

- elementy przewlekane opisujemy na górnej warstwie opisu (czerwona) wg. numeracji na schemacie;
- elementy SMD na górnej warstwie miedzi (niebieska) opisujemy w miarę wolnego miejsca wartością elementu na górnej warstwie opisu (czerwona) obok elementu.
- minimalna wielkość opisu 1.5mm, format opisu: 100, 1k5, 22k, 100p, 22n, 4u7, 100u, unikajmy w opisach kropek, przecinków, dają dłuższy opis i czasem znikają na sicie;
- nie wolno umieszczać opisów wchodzących na pola lutownicze elementów SMD.
- elementy SMD na dolnej warstwie miedzi (zielona) opisujemy w miarę wolnego miejsca na dolnej warstwie opisu (żółta). Tam gdzie nie ma miejsca opisujemy elementy na warstwie "O" (białej), napisy np. 1,5mm umieszczamy na obrysie elementu a sam opis dajemy w lustrzanym odbiciu aby przy podglądzie dolnej warstwy płytki wartości były czytelne.
- poszczególne elementy możemy równie ponumerować wg. numeracji ze schematu tak aby przy wskazaniu muszką szybko identyfikować element na druku.

Na zdjęciach fragment druku homodyny Husarka zmodyfikowany pod powyższe wymogi.
--------------------------------------------------
W pliku projekt druku przerobiony zgodnie z zaproponowanymi zasadami, brakuje jeszcze numeracji elementów wg. schematu. Na czwartym zdjęciu ekran "ściągawki" do montażu elementów SMD z widocznymi opisami ich wartości.

Koledzy proponuję również aby numerować kolejne pliki projektu aby łatwiej odróżniać kolejne wersje projektów (Husarek_homodyna_v3_3).

Husarek_homodyna_v3_4 - dodane opisy układów scalonych, poprawione opisy górnych elementów SMD.

W wersji 3_4 był drobny błąd przy tranzystorze Q2, w pliku poprawiony projekt ver. 3_5.


Załączone pliki Miniatury
İmage İmage İmage İmage

.lay  Husarek_homodyna_v3_5.LAY (Rozmiar: 469.6 KB / Pobrań: 1099)

73 Adam
11-10-2012 15:23
Znajdź wszystkie posty użytkownika Odpowiedz cytując ten post
SP4HKQ Offline
Zdzisław SK!
****

Liczba postów: 490
Dołączył: 19-08-2009
Post: #179
RE: HUSAREK - nowa homodyna dla "każdego"
Zmontowałem i uruchomiłem płytkę automatyki. Pobiera ok 105 mA prądu z czego 60 mA pobiera wzmacniacz akustyczny LA4425. Kompresor, po drobnym błędzie z mojej strony, wystartował prawidłowo. W załączeniu wykres wykonany za pomocą programu audio tester. Automatyka odbiornika, także uruchomiła się bez problemu. Tranzystory NPN detektora dobrałem na jednakowy współczynnik Beta (różnica 4 jednostki, przy wartości zmierzonej ok 520). Rożnica napięć na kolektorach wyniosła 45 mV.
Miałem problem z generatorem podsłuchu telegrafii. Użyłem tranzystora BC109 z Betą ok 300 i generator nie wystartował. Dopiero jak zwarłem opornik R45 33 Om pojawiła się generacja. Po wymianie na tranzystor z Betą 620 generator pracuje w każdych warunkach. Częstotliwość generacji w moim wypadku wyniosła ok 600 Hz.


Załączone pliki Miniatury
İmage İmage
11-10-2012 20:08
Znajdź wszystkie posty użytkownika Odpowiedz cytując ten post
SQ5KHA Offline
Darek
***

Liczba postów: 173
Dołączył: 10-04-2011
Post: #180
RE: HUSAREK - nowa homodyna dla "każdego"
Witam,
uruchomiona częściowo automatyka, układ pobiera jak napisał wcześniej Zdzisław SP4HKQ, około 100mA, generator ruszył od pierwszego włączenia na tranzystorze BC547B Beta około 340, częstotliwość około 620Hz. Detektor na tranzystorach BC547B Beta 354 i 355, napięcie na kolektorze Q3 – 10.125V, a na kolektorze Q6 – 10,195V, trochę duży rozrzut, około 70mV, ale mieści się w granicach.


73 Darek
(Ten post był ostatnio modyfikowany: 12-10-2012 12:44 przez SQ5KHA.)
12-10-2012 12:44
Znajdź wszystkie posty użytkownika Odpowiedz cytując ten post
Odpowiedz 


Skocz do:


Użytkownicy przeglądający ten wątek: 8 gości