Odpowiedz 
 
Ocena wątku:
  • 2 Głosów - 5 Średnio
  • 1
  • 2
  • 3
  • 4
  • 5
Analizator NA01
SP6FRE Offline
Leszek
****

Liczba postów: 737
Dołączył: 20-09-2009
Post: #20
RE: Analizator NA01
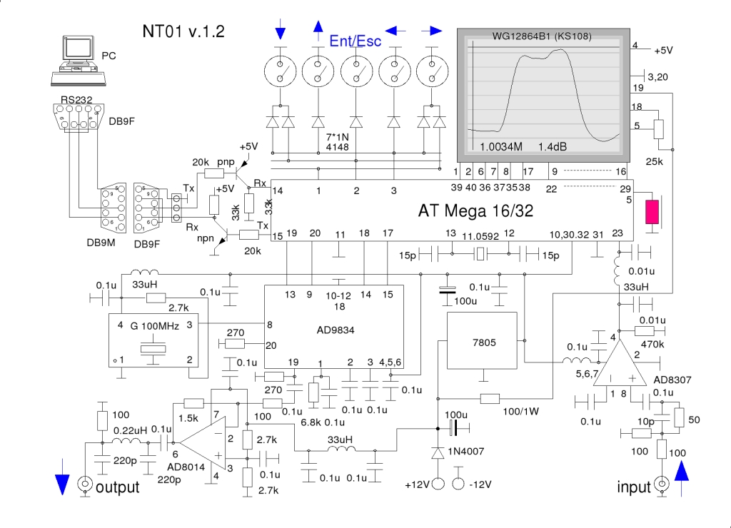
Po dłuższej przerwie wróciłem do przerwanego tematu. Na początek zamieszczam nowy schemat.
W nowej wersji użyłem tylko jednego mikroprocesora (Mega16 lub 32). Odpadła konieczność przesyłania danych pomiędzy układem pomiaru a układem wizualizacji wyniku. Dało to od razu duże korzyści. Czułość urządzenia wzrosła do ponad 80dB a prędkość pracy (wyświetlanie wykresu) jest komfortowa bo zmiany są widoczne niezwłocznie po wprowadzeniu w układzie.
Na razie możliwa jest jak poprzednio praca pomiędzy częstotliwościami początkową i końcową (od 0.1M do 50M) ale wprowadziłem również tryb pracy "start + zakres przemiatania" co pozwala na łatwiejsze ustawienie przedziału pracy.
Jak do tej pory istnieje możliwość ustalenia punktów na wykresie przez przesuwanie linii poziomej - tłumienia oraz pionowej - częstotliwości, w obu przypadkach na spodzie wyświetlacza widać współrzędne linii. Możliwe jest również przemiatanie liniowe lub logarytmiczne.
Jako wyświetlacz pracuje moduł 64/128 pixel-i typu WG12864B1 ze sterownikiem kompatybilnym z układem KS108.
Planuję wprowadzenie innych, drobniejszych funkcjonalności, na razie nie oprogramowałem jeszcze połączenia szeregowego z PC ale w sytuacji kiedy miernik ma większą niezależność nie jest to problem pierwszej pilności choć zapewne można znacznie bardziej atrakcyjnie przedstawić wyniki i "wyciągnąć" z danych źródłowych parametrów mierzonych urządzeń.
L.J.


Załączone pliki Miniatury
İmage
(Ten post był ostatnio modyfikowany: 26-06-2011 15:37 przez SP6FRE.)
26-06-2011 15:35
Odwiedź stronę użytkownika Znajdź wszystkie posty użytkownika Odpowiedz cytując ten post
Odpowiedz 


Wiadomości w tym wątku
Analizator NA01 - SP6FRE - 09-05-2010, 21:35
RE: Analizator NA01 - TG50 - 11-05-2010, 23:27
RE: Analizator NA01 - SP6FRE - 12-05-2010, 20:31
RE: Analizator NA01 - SP2QCA - 17-05-2010, 10:19
RE: Analizator NA01 - SP6FRE - 19-05-2010, 0:48
RE: Analizator NA01 - SP8RHP - 07-06-2010, 9:28
RE: Analizator NA01 - SQ4AVS - 07-06-2010, 10:20
RE: Analizator NA01 - SP6FRE - 09-06-2010, 14:08
RE: Analizator NA01 - SQ4AVS - 09-06-2010, 17:09
RE: Analizator NA01 - SP2QCA - 10-06-2010, 12:14
RE: Analizator NA01 - SQ4AVS - 10-06-2010, 12:55
RE: Analizator NA01 - SP2QCA - 10-06-2010, 16:14
RE: Analizator NA01 - SQ4AVS - 10-06-2010, 17:33
RE: Analizator NA01 - SP6FRE - 10-06-2010, 20:18
RE: Analizator NA01 - SQ4AVS - 10-06-2010, 20:41
RE: Analizator NA01 - TG50 - 11-06-2010, 12:54
RE: Analizator NA01 - SP2QCA - 12-06-2010, 2:04
RE: Analizator NA01 - SP3NYF - 11-06-2010, 17:39
RE: Analizator NA01 - SP6FRE - 13-06-2010, 23:04
RE: Analizator NA01 - SP6FRE - 26-06-2011 15:35
RE: Analizator NA01 - SP6FRE - 26-06-2011, 23:49
RE: Analizator NA01 - SP6FRE - 29-06-2011, 0:06
RE: Analizator NA01 - SP6FRE - 29-06-2011, 22:38
RE: Analizator NA01 - SP2QCA - 30-06-2011, 10:56
RE: Analizator NA01 - SP6FRE - 30-06-2011, 23:03
RE: Analizator NA01 - 3Z6AEF - 01-07-2011, 1:01
RE: Analizator NA01 - SP6FRE - 02-07-2011, 20:03
RE: Analizator NA01 - SP6FRE - 03-07-2011, 14:36
RE: Analizator NA01 - SQ9MDD - 04-07-2011, 12:28
RE: Analizator NA01 - SP6FRE - 05-07-2011, 9:25
RE: Analizator NA01 - SQ9MDD - 05-07-2011, 12:16
RE: Analizator NA01 - SP6FRE - 06-07-2011, 23:44
RE: Analizator NA01 - SP6FRE - 07-07-2011, 23:34
RE: Analizator NA01 - SP3VPA - 11-07-2011, 22:24
RE: Analizator NA01 - SP6FRE - 11-07-2011, 23:07
RE: Analizator NA01 - SP3VPA - 13-07-2011, 21:22
RE: Analizator NA01 - SP6FRE - 14-07-2011, 0:11
RE: Analizator NA01 - SP3VPA - 14-07-2011, 8:39
RE: Analizator NA01 - SP6FRE - 14-07-2011, 10:37
RE: Analizator NA01 - SP6FRE - 15-07-2011, 10:30
RE: Analizator NA01 - SP6FRE - 17-07-2011, 0:29
RE: Analizator NA01 - SP6FRE - 17-07-2011, 12:46
RE: Analizator NA01 - SP3SWJ - 18-07-2011, 14:14
RE: Analizator NA01 - SP6FRE - 18-07-2011, 22:00
RE: Analizator NA01 - SP6FRE - 22-07-2011, 0:16
RE: Analizator NA01 - SP3SWJ - 22-07-2011, 0:56
RE: Analizator NA01 - SP6FRE - 22-07-2011, 20:26
RE: Analizator NA01 - SP6FRE - 25-07-2011, 23:27
RE: Analizator NA01 - SP3SWJ - 25-07-2011, 23:48
RE: Analizator NA01 - SP6FRE - 29-07-2011, 0:15
RE: Analizator NA01 - SP6FRE - 31-07-2011, 19:30
RE: Analizator NA01 - SP6FRE - 07-08-2011, 21:39
RE: Analizator NA01 - SP3SWJ - 09-08-2011, 12:47
RE: Analizator NA01 - SP6FRE - 10-08-2011, 12:53
RE: Analizator NA01 - SP3SWJ - 10-08-2011, 16:59
RE: Analizator NA01 - SP6FRE - 28-08-2011, 22:11
RE: Analizator NA01 - SP3SWJ - 28-08-2011, 22:34
RE: Analizator NA01 - SP6FRE - 02-09-2011, 22:52
RE: Analizator NA01 - SP3SWJ - 02-09-2011, 23:42
RE: Analizator NA01 - SP6FRE - 03-09-2011, 18:01
RE: Analizator NA01 - SP6FRE - 04-09-2011, 18:43
RE: Analizator NA01 - SP6FRE - 09-09-2011, 21:15
RE: Analizator NA01 - SP6FRE - 12-09-2011, 21:47
RE: Analizator NA01 - SQ7HJB - 17-09-2011, 14:28
RE: Analizator NA01 - SP6FRE - 18-09-2011, 13:25
RE: Analizator NA01 - SQ7HJB - 18-09-2011, 14:34
RE: Analizator NA01 - SP6FRE - 18-09-2011, 14:48
RE: Analizator NA01 - SQ7HJB - 18-09-2011, 16:49
RE: Analizator NA01 - SQ7HJB - 21-09-2011, 0:31
RE: Analizator NA01 - SP6FRE - 21-09-2011, 10:17
RE: Analizator NA01 - SQ7HJB - 21-09-2011, 22:42
RE: Analizator NA01 - SP6FRE - 22-09-2011, 8:52
RE: Analizator NA01 - SQ7HJB - 22-09-2011, 12:25
RE: Analizator NA01 - SP6FRE - 22-09-2011, 12:41
RE: Analizator NA01 - SQ7HJB - 23-09-2011, 11:21
RE: Analizator NA01 - SP6FRE - 23-09-2011, 12:32
RE: Analizator NA01 - SQ7HJB - 24-09-2011, 17:25
RE: Analizator NA01 - SP6FRE - 28-09-2011, 22:55
RE: Analizator NA01 - SQ7HJB - 28-09-2011, 22:59
RE: Analizator NA01 - SP6FRE - 29-09-2011, 9:48
RE: Analizator NA01 - SP6FRE - 03-12-2011, 11:59
RE: Analizator NA01 - SQ7HJB - 01-01-2012, 12:00
RE: Analizator NA01 - SP8LNG - 21-01-2012, 22:51
RE: Analizator NA01 - SQ7HJB - 25-01-2012, 11:47
RE: Analizator NA01 - SP6FRE - 25-01-2012, 20:48
RE: Analizator NA01 - SQ7HJB - 25-01-2012, 23:58
RE: Analizator NA01 - SP6FRE - 26-01-2012, 0:21
RE: Analizator NA01 - SP8LNG - 26-01-2012, 0:53
RE: Analizator NA01 - SQ7HJB - 26-01-2012, 10:24
RE: Analizator NA01 - SP6FRE - 26-01-2012, 10:46
RE: Analizator NA01 - SP6FRE - 22-02-2012, 1:19
RE: Analizator NA01 - SQ4RNF - 24-02-2012, 21:12
RE: Analizator NA01 - SQ1GYQ - 24-02-2012, 18:30
RE: Analizator NA01 - SQ8Z - 24-02-2012, 21:27
RE: Analizator NA01 - SQ4AVS - 24-02-2012, 22:01
RE: Analizator NA01 - SP6FRE - 25-02-2012, 20:01
RE: Analizator NA01 - SP6FRE - 23-03-2012, 21:57
RE: Analizator NA01 - SQ1GYQ - 23-03-2012, 22:39
RE: Analizator NA01 - SQ8NVF - 24-03-2012, 18:45
RE: Analizator NA01 - SP6FRE - 24-03-2012, 19:39
RE: Analizator NA01 - SP6FRE - 26-03-2012, 23:35
RE: Analizator NA01 - SP6FRE - 28-03-2012, 23:50
RE: Analizator NA01 - SP6FRE - 31-03-2012, 21:32
RE: Analizator NA01 - SP6JUT - 04-04-2012, 18:01
RE: Analizator NA01 - SP6FRE - 05-04-2012, 23:10
RE: Analizator NA01 - SP6FRE - 14-04-2012, 0:10
RE: Analizator NA01 - SP6FRE - 16-04-2012, 22:05
RE: Analizator NA01 - SP6FRE - 19-06-2012, 13:10
RE: Analizator NA01 - SQ9ROP - 19-06-2012, 18:26
RE: Analizator NA01 - SP7MUN - 18-07-2012, 20:03
RE: Analizator NA01 - SP6FRE - 18-07-2012, 21:31
RE: Analizator NA01 - SP7MUN - 23-07-2012, 18:08
RE: Analizator NA01 - KLIMA - 23-07-2012, 19:08
RE: Analizator NA01 - SQ8NVF - 23-07-2012, 20:59
RE: Analizator NA01 - SQ1GYQ - 23-07-2012, 21:24
RE: Analizator NA01 - SP6FRE - 24-07-2012, 13:24
RE: Analizator NA01 - SP7MUN - 30-07-2012, 13:00
RE: Analizator NA01 - SP6FRE - 30-07-2012, 20:31
RE: Analizator NA01 - SP7MUN - 11-08-2012, 11:54
RE: Analizator NA01 - SP6FRE - 06-10-2012, 17:42
RE: Analizator NA01 - SP7MUN - 21-10-2012, 12:11
RE: Analizator NA01 - SP6FRE - 21-10-2012, 17:58
RE: Analizator NA01 - SQ1GYQ - 21-10-2012, 18:47
RE: Analizator NA01 - SP4HKQ - 21-10-2012, 20:18
RE: Analizator NA01 - SQ1GYQ - 21-10-2012, 20:39
RE: Analizator NA01 - SP7MUN - 26-10-2012, 12:57
RE: Analizator NA01 - SP6FRE - 29-10-2012, 14:08
RE: Analizator NA01 - SP7MUN - 29-10-2012, 16:34
RE: Analizator NA01 - SP9FKP - 30-10-2012, 8:58
RE: Analizator NA01 - SP6FRE - 31-10-2012, 8:46
RE: Analizator NA01 - SP6FRE - 18-11-2012, 19:53
RE: Analizator NA01 - SP7MUN - 11-01-2013, 16:09
RE: Analizator NA01 - SP7MUN - 11-02-2013, 15:56
RE: Analizator NA01 - SP6FRE - 11-02-2013, 19:41
RE: Analizator NA01 - SP7MUN - 12-02-2013, 12:19
RE: Analizator NA01 - SP6FRE - 07-04-2013, 12:46
RE: Analizator NA01 - SP7MUN - 18-04-2013, 13:29
RE: Analizator NA01 - SP6FRE - 19-04-2013, 13:58
RE: Analizator NA01 - SP6FRE - 06-05-2013, 22:07
RE: Analizator NA01 - SP6FRE - 11-05-2013, 15:29
RE: Analizator NA01 - SP6FRE - 16-05-2013, 22:06
RE: Analizator NA01 - SP6FRE - 19-05-2013, 14:59
RE: Analizator NA01 - SQ8LUY - 25-05-2013, 12:51
RE: Analizator NA01 - SP6FRE - 26-05-2013, 20:52
RE: Analizator NA01 - UA6HNA - 29-05-2013, 18:23
RE: Analizator NA01 - SP6FRE - 29-05-2013, 19:01
RE: Analizator NA01 - UA6HNA - 29-05-2013, 19:23
RE: Analizator NA01 - SP6FRE - 30-05-2013, 0:17
RE: Analizator NA01 - SQ9JXB - 28-06-2013, 18:32
RE: Analizator NA01 - SP6FRE - 11-07-2013, 8:30
RE: Analizator NA01 - UA6HNA - 11-07-2013, 18:31
RE: Analizator NA01 - SQ8LUY - 12-07-2013, 12:08
RE: Analizator NA01 - SP6FRE - 12-07-2013, 12:43
RE: Analizator NA01 - UA6HNA - 12-07-2013, 12:47
RE: Analizator NA01 - SQ7HJB - 12-08-2013, 20:13
RE: Analizator NA01 - SP8LNG - 19-09-2013, 22:02
RE: Analizator NA01 - SP6FRE - 25-09-2013, 15:40
RE: Analizator NA01 - SP8LNG - 27-09-2013, 0:16
RE: Analizator NA01 - SP6FRE - 27-09-2013, 8:04
RE: Analizator NA01 - SP8LNG - 30-09-2013, 23:17
RE: Analizator NA01 - SP6FRE - 01-10-2013, 13:40
RE: Analizator NA01 - SP8LNG - 03-10-2013, 0:05
RE: Analizator NA01 - SP6FRE - 03-10-2013, 9:15
RE: Analizator NA01 - SQ7HJB - 03-10-2013, 11:09
RE: Analizator NA01 - SP8LNG - 18-10-2013, 15:45
RE: Analizator NA01 - SP6FRE - 21-10-2013, 9:31
RE: Analizator NA01 - SP8LNG - 21-10-2013, 14:57
RE: Analizator NA01 - SQ7HJB - 29-10-2013, 20:26
RE: Analizator NA01 - SP6FRE - 30-10-2013, 19:40
RE: Analizator NA01 - SQ7HJB - 04-11-2013, 20:16
RE: Analizator NA01 - SP6FRE - 20-12-2013, 10:56
RE: Analizator NA01 - SP6FRE - 08-02-2014, 16:03
RE: Analizator NA01 - SQ5TDZ - 15-02-2014, 11:32
RE: Analizator NA01 - SQ9JXB - 15-02-2014, 17:35
RE: Analizator NA01 - blejders - 20-03-2014, 20:02
RE: Analizator NA01 - SP6FRE - 23-03-2014, 12:30
RE: Analizator NA01 - SQ4AVS - 23-03-2014, 12:57
RE: Analizator NA01 - SP4EJT - 23-03-2014, 15:34
RE: Analizator NA01 - SP9FKP - 23-03-2014, 15:45
RE: Analizator NA01 - blejders - 23-03-2014, 15:48
RE: Analizator NA01 - SP6FRE - 24-03-2014, 10:29
RE: Analizator NA01 - blejders - 24-03-2014, 15:57
RE: Analizator NA01 - SP6FRE - 24-03-2014, 18:14
RE: Analizator NA01 - blejders - 25-03-2014, 15:12
RE: Analizator NA01 - SQ4AVS - 25-03-2014, 16:52
RE: Analizator NA01 - blejders - 25-03-2014, 18:16
RE: Analizator NA01 - SQ4AVS - 25-03-2014, 19:41
RE: Analizator NA01 - SQ6ADE - 25-03-2014, 20:59
RE: Analizator NA01 - blejders - 25-03-2014, 22:55
RE: Analizator NA01 - SQ6ADE - 25-03-2014, 23:05
RE: Analizator NA01 - blejders - 25-03-2014, 23:54
RE: Analizator NA01 - SP6FRE - 26-03-2014, 10:34
RE: Analizator NA01 - SQ5TDZ - 12-07-2014, 8:05
RE: Analizator NA01 - SP7DCB - 05-01-2017, 9:34
RE: Analizator NA01 - SP6FRE - 05-01-2017, 10:55
RE: Analizator NA01 - SP7DCB - 05-01-2017, 14:30
RE: Analizator NA01 - SP6FRE - 05-01-2017, 16:22
RE: Analizator NA01 - SP7DCB - 05-01-2017, 22:21
RE: Analizator NA01 - SP7DCB - 12-01-2017, 23:51
RE: Analizator NA01 - SP6FRE - 13-01-2017, 10:19
RE: Analizator NA01 - SP6FRE - 30-01-2017, 22:12
RE: Analizator NA01 - SP6FRE - 18-05-2017, 13:52
RE: Analizator NA01 - SQ4AVS - 09-01-2021, 12:28

Skocz do:


Użytkownicy przeglądający ten wątek: 3 gości