Odpowiedz 
 
Ocena wątku:
  • 0 Głosów - 0 Średnio
  • 1
  • 2
  • 3
  • 4
  • 5
dobieranie diod do mieszacza diodowego
SQ5KVS Offline
Karol
*****

Liczba postów: 1,013
Dołączył: 26-09-2012
Post: #18
RE: dobieranie diod do mieszacza diodowego
Hej.
Ostatnio (to "ostatnio" to jak to u mnie, dość długi przedział czasu) drążę temat mieszaczy, modulatorów, na kluczach i diodach. Robiłem już wcześniej mieszacze ale nie do końca byłem zadowolony, zwłaszcza kiedy zacząłem sterować z Si5351a.

Problem doboru elementów (transformatora, diód, kluczy itp) jest jeszcze bardziej widoczny w przypadku kiedy do kluczowania używamy sygnału prostokątnego - czyli o szerokim widmie.
Przypomnię że w idealnym sygnale prostokątnym kolejne nieparzyste harmoniczne są tylko o 1/n słabsze, więc widmo jest bardzo szerokie.
W mieszaczu zwykle występują transformatory, baluny i inne elementy indukcyjne i okazuje się że zaniedbanie faktu iż kilka skręconych drucików ma między sobą pojemność prowadzi do
tego że mieszacza nie da się zrównoważyć albo występują na wyjściu śmieci, szpilki itp.

Typowy układ mieszacza diodowego podwójnie zrównoważonego:
İmage

Sygnał oscylatora często podajemy "z lewej strony". Transformatory często robi się jako tryfilarnie (trzema skręconymi drutami) nawinięte na jakimś rdzeniu.
Jak się na to patrzy to ma ręce i nogi i nie widać źródła problemu.
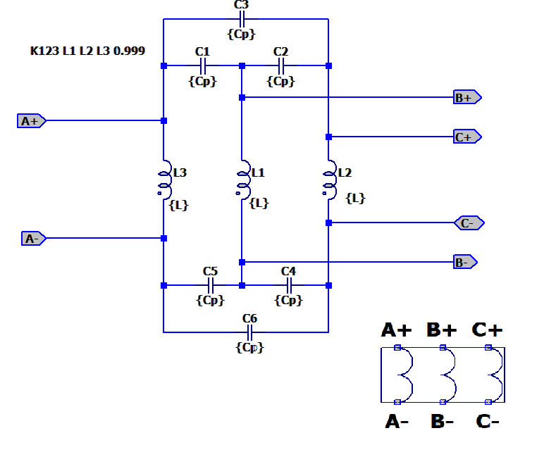
Polecam narysowanie schematu "zastępczego" takiego trafka (taki sobie zrobiłem w ulubionym LTSpice):

İmage

Dla uproszczenia pojemność między drutami zastąpiłem pojemnością na początku i końcu. To są ułamki pikofaradów (kto ma miernik pojemności niech sobie zmierzy) ale ma to wbrew pozorom znaczenie,
Strumień magnetyczny indukowany z jednego uzwojenia nie przechodzi też w 100% (prawie, ale jednak nie cały) przez inne uzwojenia, stąd stała sprzężenia <1. To nam tworzy omawianą przy okazji transformatorów do wzmacniaczy tak zwaną indukcyjność rozproszenia, jest to rzędu nanohenrów.

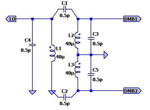
Takie trafko w mieszaczu wygląda wtedy mniej więcej tak (taki np. ADE-1):

İmage

Najbardziej przeszkadza nam kondensator C1 który powoduje niezrównoważenie mieszacza, zwłaszcza dla wyższych harmonicznych. Reszta pojemności rezonanse z indukcyjnościami rozproszenia i wyprowadzeń ale to są częstotliwości setek MHz i są zrównoważone.
I tej pojemności niestety nie da się zrównoważyć przy pomocy potencjometru ani balansowania pojemnościami. Efektem jest pojawienie się szpilek na wyjściach mieszacza. Jest to dość denerwujące i przy zasilaniu mieszacza z np. Si5351 na wyjściach RF/IF są szpilki sięgające kilkunastu mV.

Na szczęście można to łatwo rozwiązać wystarczy zastosować albo dodatkowy balun na wejściu (prądowy, 1:1) typowego mieszacza (jak już wiadomo to łatwo znaleźć, haha http://soldersmoke.blogspot.com/2014/12/...anced.html), można też na wyjściu. Ja zastosowałem typowy 1:4 guanellę. Oto jak rozkładają się pojemości w takim balunie:

İmage

Widać że oba końce (DBM1 i DBM2) są dobrze zrównoważone i żaden z nich nie ma bezpośredniego "przesłuchu" do LO.

Z takimi przemyśleniami usiadłem do zrobienia mieszacza. Na początku zlutowałem z 1N4148 SMD (o ile pamiętam to CD4148W i nie dobierałem ich). Na wyjściu nie guanella tylko zwykły tryfilarny transformator. Wszystko obciążone 50 omami. Na oscyloskopie szpileczki po 5mV. Po dołożeniu potencjometra i trymera do równoważenia szpilki zniknęły.
Dobra nasza, postanowiłem wlutować zamiast jednej 1N4148 dwie 1N5711. No i niestety. Wszystko się rozjechało. Ślepy traf chciał że 1N4148W miały minimalny (1mV) rozrzut w napięciach przewodzenia, rozrzut w pasku 1N5711 (20 sztuk) natomiast sięgał 7mV. Ponieważ nie miałem tylu 1N5711, porzuciłem je i wybrałem najbardziej zbliżone 1N4148. Na nowo zlutowanej płytce, bez trymera do równoważenia pojemności, mam ~500uVrms (odczyt z NWT7) sygnału co daje (załóżmy ~2V LO) ponad 70dB tłumienia Smile

Nie rozumiem - nie robię. Chyba że robię żeby zrozumieć.
(Ten post był ostatnio modyfikowany: 31-08-2021 16:51 przez SQ5KVS.)
31-08-2021 15:49
Znajdź wszystkie posty użytkownika Odpowiedz cytując ten post
Odpowiedz 


Wiadomości w tym wątku
RE: dobieranie diod do mieszacza diodowego - SQ5KVS - 31-08-2021 15:49

Skocz do:


Użytkownicy przeglądający ten wątek: 1 gości