Odpowiedz 
 
Ocena wątku:
  • 6 Głosów - 4 Średnio
  • 1
  • 2
  • 3
  • 4
  • 5
Fork-Heńka... czyli jak sobie poradzić z DDS za pomocą ARDUINO
SQ6IYY Offline
miso(michal]
***

Liczba postów: 157
Dołączył: 21-09-2009
Post: #237
RE: Fork-Heńka... czyli jak sobie poradzić z DDS za pomocą ARDUINO
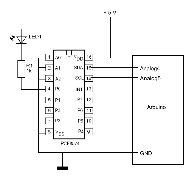
No tak zarzuciłem przynętę i czekam że bi się spławik ruszył ,spławik w tym przypadku temat o syntezie Zlomek lub Heniek plus AD9850 (Si5351) od razu się przyznam schematu niema ale jest typowa aplikacja za pojedyncze zespoły
si5351
İmage
schemat z strone SQ9NJE
reszta to jest typowi Arduino pro mini 5V 16 MHZ
na jednej plytce z Si5351 i PCF8574
jak na przykład
İmage
z drugie stronę PCB 3x stabilizatory 5V i 2x 3V3 plus C i R rezystory od 0R do 10K zalecano co maja robić ogranicza prąd lub tylko spolaryzować pin we wy
C jak powinno 100nF do blokady pinu (A0,A1,100nF do masy ) a reszta pinu do blokady po potrzeby
Na temat Kodu jest to MIX co się morze znaleźć w a temat Si5351 , DDS i moja próba powiązania w jedno całość na miarę moje wiedze (jest miesza od Zera) Dopisałem lub przepisałem kilka linijek z ruznich projektu
od SQ9NJE projekt syntezę do SDR
Teensy SDR świetni projekt
MultiFeaturedVFO
i mnóstwo innych co się nie przypominam nazwę a warto ich przestawić
Osobiście jestem zwolennikiem Złomka i jego kompilacji a pełen podziwu dla Macka SP9MRN i jego kodu Henkia za tego się starałem na jednej płytce uwzględnić dwa projekty
Moj projekt Zlomka ma zalozenie sterowanie BAND , ATT Preamp ,notch ,USB/LSB /CW
i kilka pinu jest wolne do kombinowania
i podpiąc do Husarka i SMD Piligrima
İmage
Na koniec podam z powodu techniczni produkcji musiałem zamówić ponad 40 plytek (min. 10 dm2) większość pójdę na sprzedaż jak gotowe moduły z moją kompilacjom Złomka a każdy może rozwijać dalej program według własnej wiedzy lub potrzeb
pozdrawiam

Nie otrzymasz koni wyścigowych krzyżując dwa osły
21-02-2016 20:24
Znajdź wszystkie posty użytkownika Odpowiedz cytując ten post
Odpowiedz 


Wiadomości w tym wątku
RE: Fork-Heńka... czyli jak sobie poradzić z DDS za pomocą ARDUINO - SQ6IYY - 21-02-2016 20:24

Skocz do:


Użytkownicy przeglądający ten wątek: 4 gości