Odpowiedz 
 
Ocena wątku:
  • 3 Głosów - 5 Średnio
  • 1
  • 2
  • 3
  • 4
  • 5
Synteza SPHM DDS
SP5FCS Offline
Adam
*****

Liczba postów: 1,073
Dołączył: 02-02-2009
Post: #220
RE: Synteza SPHM DDS
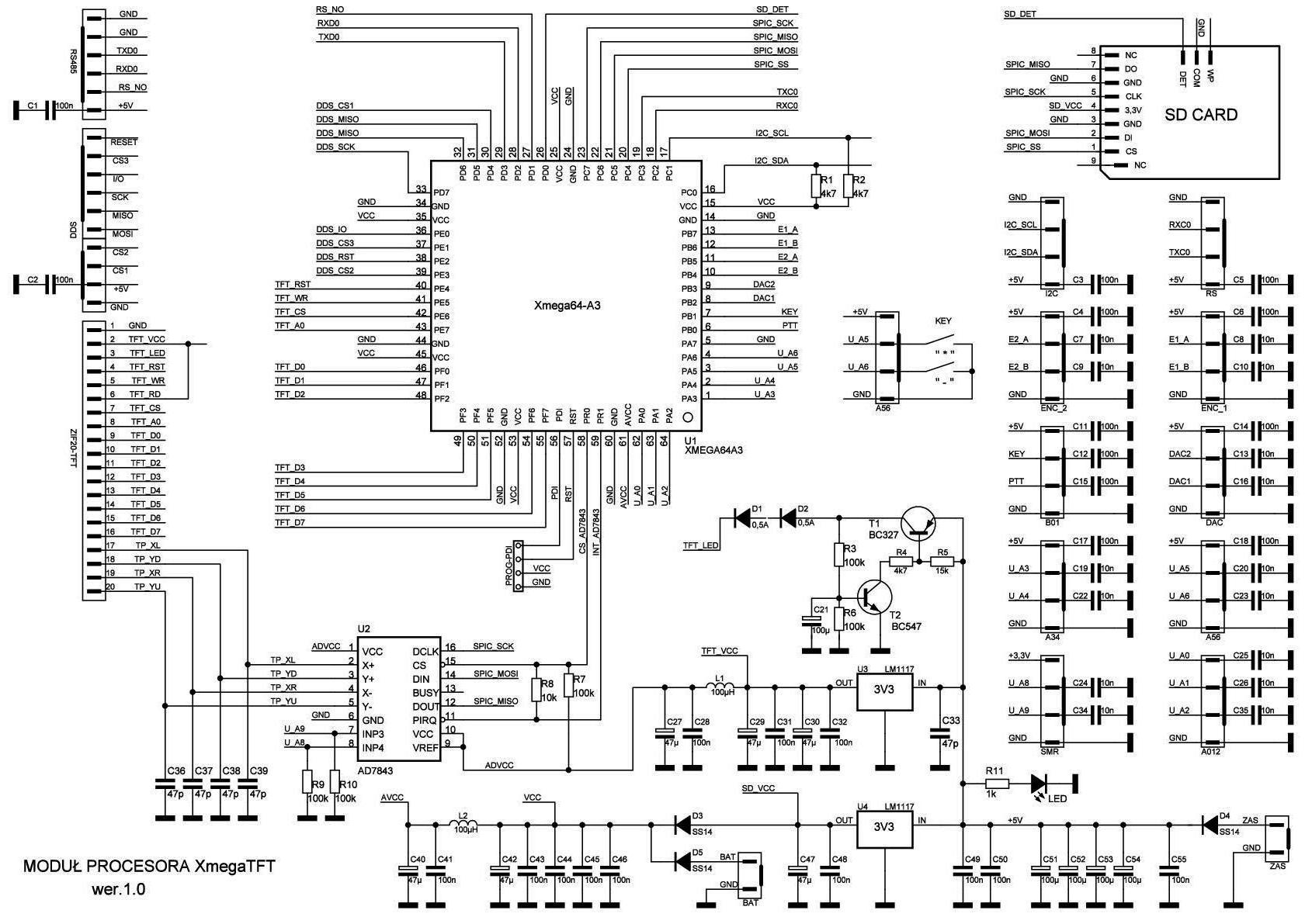
W ramach kontynuacji prac nad sterownikiem do HUSARKA poprawiłem projekt druku procesora Xmega. Początkowo zmiany miały być poważniejsze ale ostatecznie wykonana została tylko kosmetyka druku. Zależało mi aby nie zmienił się schemat ideowy, topologia i opis złączy co pozwoli posługiwać się jedną wersją oprogramowania do wszystkich sterowników. Gruntowną przebudowę sterownika wykonamy na procesorze do obsługi wyświetlacza 4,2 cala przeznaczonym do HUSARA. W załączniku ekrany w projektu płytki procesora.

W załączniku ostatni z brakujących schematów do wykonania całego opisu budowy i obsługi sterownika do radia HUSAREK. Opracowanie wymaga jeszcze drobnych uzupełnień oraz usunięcia literówek ale już w takiej postaci zaoszczędzi nam dużo czasu bez potrzeby czytania wszystkich postów w tym wątku.

Pierwsza wersja opisu została ukończona (pierwszy post wątku).
Proszę o wszelkie uwagi, zauważone braki, błędy oraz inne propozycje.


Załączone pliki Miniatury
İmage İmage İmage

73 Adam
26-03-2013 23:49
Znajdź wszystkie posty użytkownika Odpowiedz cytując ten post
Odpowiedz 


Wiadomości w tym wątku
Synteza SPHM DDS - SP5FCS - 10-08-2011, 22:15
RE: Synteza SPHM DDS - SP5FCS - 12-08-2011, 22:29
RE: Synteza SPHM DDS - SP3SWJ - 13-08-2011, 0:11
RE: Synteza SPHM DDS - SP5FCS - 13-08-2011, 0:39
RE: Synteza SPHM DDS - SP5FCS - 16-08-2011, 13:59
RE: Synteza SPHM DDS - HM_DIPOL - 16-08-2011, 21:09
RE: Synteza SPHM DDS - SP3SWJ - 16-08-2011, 21:56
RE: Synteza SPHM DDS - SQ6ADE - 16-08-2011, 22:29
RE: Synteza SPHM DDS - SP3NYF - 16-08-2011, 23:15
RE: Synteza SPHM DDS - SP3SWJ - 16-08-2011, 23:31
RE: Synteza SPHM DDS - SQ6OXK - 17-08-2011, 6:46
RE: Synteza SPHM DDS - SP5FCS - 17-08-2011, 8:22
RE: Synteza SPHM DDS - SQ6ADE - 17-08-2011, 9:17
RE: Synteza SPHM DDS - SP9MRN - 17-08-2011, 9:22
RE: Synteza SPHM DDS - SP3SWJ - 17-08-2011, 10:42
RE: Synteza SPHM DDS - SP9MRN - 17-08-2011, 13:12
RE: Synteza SPHM DDS - SP3SWJ - 17-08-2011, 12:03
RE: Synteza SPHM DDS - SP3SWJ - 17-08-2011, 15:00
RE: Synteza SPHM DDS - SP5FCS - 17-08-2011, 19:28
RE: Synteza SPHM DDS - 2E0KKJ - 18-08-2011, 19:39
RE: Synteza SPHM DDS - SP3SWJ - 17-08-2011, 19:45
RE: Synteza SPHM DDS - SP5FCS - 18-08-2011, 23:36
RE: Synteza SPHM DDS - SP5FCS - 31-08-2011, 9:58
RE: Synteza SPHM DDS - SP5BMP - 31-08-2011, 12:14
RE: Synteza SPHM DDS - SP5FCS - 31-08-2011, 12:40
RE: Synteza SPHM DDS - SQ6OXK - 02-09-2011, 23:36
RE: Synteza SPHM DDS - SP5FCS - 03-09-2011, 1:19
RE: Synteza SPHM DDS - TG50 - 04-09-2011, 10:14
RE: Synteza SPHM DDS - SP3SWJ - 04-09-2011, 11:05
RE: Synteza SPHM DDS - TG50 - 04-09-2011, 17:32
RE: Synteza SPHM DDS - SP1NV - 04-09-2011, 11:41
RE: Synteza SPHM DDS - SP4HKQ - 04-09-2011, 18:32
RE: Synteza SPHM DDS - SP3SWJ - 04-09-2011, 19:58
RE: Synteza SPHM DDS - SP5FCS - 05-09-2011, 10:38
RE: Synteza SPHM DDS - SQ6OXK - 06-09-2011, 19:19
RE: Synteza SPHM DDS - SP9HVW - 06-09-2011, 22:20
RE: Synteza SPHM DDS - SP3SWJ - 21-04-2012, 17:51
RE: Synteza SPHM DDS - SQ8NVF - 23-04-2012, 11:31
RE: Synteza SPHM DDS - SP9MRN - 23-04-2012, 11:40
RE: Synteza SPHM DDS - SP3SWJ - 23-04-2012, 12:48
RE: Synteza SPHM DDS - SP5FCS - 23-04-2012, 11:20
RE: Synteza SPHM DDS - SP9FKP - 23-04-2012, 11:45
RE: Synteza SPHM DDS - SQ8NVF - 23-04-2012, 12:15
RE: Synteza SPHM DDS - SP5FCS - 23-04-2012, 14:10
RE: Synteza SPHM DDS - SP9FKP - 23-04-2012, 14:24
RE: Synteza SPHM DDS - SQ8NVF - 23-04-2012, 14:34
RE: Synteza SPHM DDS - SP3SWJ - 23-04-2012, 14:37
RE: Synteza SPHM DDS - SP3SWJ - 23-04-2012, 14:28
RE: Synteza SPHM DDS - SP9FKP - 23-04-2012, 14:53
RE: Synteza SPHM DDS - SP3SWJ - 23-04-2012, 15:36
RE: Synteza SPHM DDS - SQ8NVF - 23-04-2012, 15:01
RE: Synteza SPHM DDS - SP9FKP - 23-04-2012, 15:47
RE: Synteza SPHM DDS - SP5FCS - 24-04-2012, 23:22
RE: Synteza SPHM DDS - SP3SWJ - 25-04-2012, 0:05
RE: Synteza SPHM DDS - SP3SWJ - 28-04-2012, 15:07
RE: Synteza SPHM DDS - SP5FCS - 28-04-2012, 21:04
RE: Synteza SPHM DDS - SP5FCS - 02-05-2012, 21:48
RE: Synteza SPHM DDS - SP3SWJ - 03-05-2012, 0:36
RE: Synteza SPHM DDS - SP5FCS - 03-05-2012, 2:17
RE: Synteza SPHM DDS - SP3SWJ - 03-05-2012, 2:36
RE: Synteza SPHM DDS - SP5FCS - 03-05-2012, 13:10
RE: Synteza SPHM DDS - TG50 - 05-05-2012, 18:07
RE: Synteza SPHM DDS - SP5FCS - 05-05-2012, 21:16
RE: Synteza SPHM DDS - TG50 - 06-05-2012, 7:17
RE: Synteza SPHM DDS - SQ4AVS - 06-05-2012, 7:32
RE: Synteza SPHM DDS - TG50 - 06-05-2012, 7:50
RE: Synteza SPHM DDS - SQ4AVS - 06-05-2012, 8:16
RE: Synteza SPHM DDS - SP9FKP - 06-05-2012, 8:45
RE: Synteza SPHM DDS - SQ4AVS - 06-05-2012, 8:51
RE: Synteza SPHM DDS - SP5FCS - 06-05-2012, 19:55
RE: Synteza SPHM DDS - SP3SWJ - 06-05-2012, 20:08
RE: Synteza SPHM DDS - SQ8NVF - 06-05-2012, 21:01
RE: Synteza SPHM DDS - SP3SWJ - 06-05-2012, 21:09
RE: Synteza SPHM DDS - SP9FKP - 07-05-2012, 14:22
RE: Synteza SPHM DDS - SP5FCS - 07-05-2012, 12:08
RE: Synteza SPHM DDS - AMATOR - 07-05-2012, 14:23
RE: Synteza SPHM DDS - SP5FCS - 07-05-2012, 18:18
RE: Synteza SPHM DDS - SP5FCS - 08-05-2012, 9:21
RE: Synteza SPHM DDS - SP5BMP - 08-05-2012, 10:47
RE: Synteza SPHM DDS - SP5FCS - 08-05-2012, 11:28
RE: Synteza SPHM DDS - SP3VZX - 11-05-2012, 16:34
RE: Synteza SPHM DDS - SP5FCS - 11-05-2012, 21:11
RE: Synteza SPHM DDS - SP3SWJ - 12-05-2012, 0:34
RE: Synteza SPHM DDS - SP3VZX - 13-05-2012, 11:58
RE: Synteza SPHM DDS - SP5FCS - 14-05-2012, 22:14
RE: Synteza SPHM DDS - SP3VZX - 15-05-2012, 10:55
RE: Synteza SPHM DDS - SP5FCS - 16-05-2012, 9:03
RE: Synteza SPHM DDS - SP3VZX - 16-05-2012, 20:56
RE: Synteza SPHM DDS - SP5FCS - 20-05-2012, 13:27
RE: Synteza SPHM DDS - SP5FCS - 21-05-2012, 17:14
RE: Synteza SPHM DDS - SQ8NVF - 21-05-2012, 17:53
RE: Synteza SPHM DDS - SP4HKQ - 21-05-2012, 18:28
RE: Synteza SPHM DDS - TG50 - 22-05-2012, 15:24
RE: Synteza SPHM DDS - SP5FCS - 31-05-2012, 1:05
RE: Synteza SPHM DDS - TG50 - 01-06-2012, 18:08
RE: Synteza SPHM DDS - SP5FCS - 03-06-2012, 16:16
RE: Synteza SPHM DDS - SP5FCS - 03-06-2012, 17:31
RE: Synteza SPHM DDS - SP9MRN - 26-06-2012, 15:53
RE: Synteza SPHM DDS - SP5FCS - 01-07-2012, 23:00
RE: Synteza SPHM DDS - SP5FCS - 02-07-2012, 23:11
RE: Synteza SPHM DDS - SP9MRN - 03-07-2012, 15:57
RE: Synteza SPHM DDS - SP5FCS - 04-07-2012, 15:22
RE: Synteza SPHM DDS - SP9MRN - 04-07-2012, 16:20
RE: Synteza SPHM DDS - SP5BMP - 04-07-2012, 17:06
RE: Synteza SPHM DDS - SQ1GYQ - 04-07-2012, 17:20
RE: Synteza SPHM DDS - SP5FCS - 04-07-2012, 21:55
RE: Synteza SPHM DDS - SP9MRN - 04-07-2012, 21:58
RE: Synteza SPHM DDS - SP3RAF - 04-07-2012, 22:24
RE: Synteza SPHM DDS - GREG - 04-07-2012, 22:40
RE: Synteza SPHM DDS - SP3RAF - 04-07-2012, 23:27
RE: Synteza SPHM DDS - SP5FCS - 05-07-2012, 0:25
RE: Synteza SPHM DDS - SP3RAF - 05-07-2012, 1:06
RE: Synteza SPHM DDS - SP9MRN - 05-07-2012, 1:23
RE: Synteza SPHM DDS - SP3RAF - 05-07-2012, 1:31
RE: Synteza SPHM DDS - SP9MRN - 05-07-2012, 9:49
RE: Synteza SPHM DDS - SP3RAF - 05-07-2012, 14:29
RE: Synteza SPHM DDS - SP1UJB - 05-07-2012, 11:56
RE: Synteza SPHM DDS - SP4HKQ - 05-07-2012, 12:12
RE: Synteza SPHM DDS - GREG - 05-07-2012, 14:23
RE: Synteza SPHM DDS - SP5FCS - 05-07-2012, 23:04
RE: Synteza SPHM DDS - SP5BMP - 06-07-2012, 8:06
RE: Synteza SPHM DDS - SP5FCS - 10-07-2012, 15:34
RE: Synteza SPHM DDS - SP3IQ - 10-07-2012, 22:16
RE: Synteza SPHM DDS - SP9MRN - 11-07-2012, 1:13
RE: Synteza SPHM DDS - SP5BMP - 11-07-2012, 8:17
RE: Synteza SPHM DDS - SP5FCS - 11-07-2012, 10:47
RE: Synteza SPHM DDS - SP9MRN - 11-07-2012, 13:53
RE: Synteza SPHM DDS - SP5FCS - 12-07-2012, 10:26
RE: Synteza SPHM DDS - SP9MRN - 12-07-2012, 10:33
RE: Synteza SPHM DDS - SP5FCS - 12-07-2012, 11:19
RE: Synteza SPHM DDS - SP5FCS - 13-07-2012, 0:18
RE: Synteza SPHM DDS - SP5FCS - 13-07-2012, 22:14
RE: Synteza SPHM DDS - SP3NYF - 13-07-2012, 22:26
RE: Synteza SPHM DDS - SP5FCS - 13-07-2012, 22:54
RE: Synteza SPHM DDS - SP5FCS - 14-07-2012, 17:39
RE: Synteza SPHM DDS - TG50 - 15-07-2012, 9:51
RE: Synteza SPHM DDS - SP5FCS - 15-07-2012, 16:11
RE: Synteza SPHM DDS - SP3SWJ - 15-07-2012, 16:38
RE: Synteza SPHM DDS - K2KP - 15-07-2012, 19:14
RE: Synteza SPHM DDS - SQ8AQX - 16-07-2012, 9:50
RE: Synteza SPHM DDS - SP2JQR - 15-07-2012, 19:27
RE: Synteza SPHM DDS - SP3SWJ - 15-07-2012, 20:00
RE: Synteza SPHM DDS - SP2JQR - 15-07-2012, 20:25
RE: Synteza SPHM DDS - SP5FCS - 16-07-2012, 11:04
RE: Synteza SPHM DDS - AMATOR - 16-07-2012, 15:12
RE: Synteza SPHM DDS - SP5FCS - 16-07-2012, 22:47
RE: Synteza SPHM DDS - SP9MRN - 17-07-2012, 10:53
RE: Synteza SPHM DDS - SP5FCS - 17-07-2012, 11:44
RE: Synteza SPHM DDS - TG50 - 17-07-2012, 20:16
RE: Synteza SPHM DDS - SP5FCS - 18-07-2012, 12:04
RE: Synteza SPHM DDS - SQ1GYQ - 18-07-2012, 19:26
RE: Synteza SPHM DDS - SP5FCS - 19-07-2012, 9:45
RE: Synteza SPHM DDS - SP4HKQ - 20-07-2012, 14:36
RE: Synteza SPHM DDS - SP5FCS - 23-07-2012, 14:24
RE: Synteza SPHM DDS - SP5FCS - 23-07-2012, 16:17
RE: Synteza SPHM DDS - SP5FCS - 27-07-2012, 11:00
RE: Synteza SPHM DDS - AMATOR - 28-07-2012, 20:29
RE: Synteza SPHM DDS - SP5FCS - 29-07-2012, 16:26
RE: Synteza SPHM DDS - SP5TAA - 28-07-2012, 20:55
RE: Synteza SPHM DDS - SP5BMP - 29-07-2012, 8:46
RE: Synteza SPHM DDS - AMATOR - 30-07-2012, 11:52
RE: Synteza SPHM DDS - SP5FCS - 30-07-2012, 21:14
RE: Synteza SPHM DDS - SP4HKQ - 01-08-2012, 19:51
RE: Synteza SPHM DDS - TG50 - 01-08-2012, 22:34
RE: Synteza SPHM DDS - SP5FCS - 02-08-2012, 19:05
RE: Synteza SPHM DDS - SP5FCS - 03-08-2012, 16:58
RE: Synteza SPHM DDS - AMATOR - 03-08-2012, 17:32
RE: Synteza SPHM DDS - SP5FCS - 03-08-2012, 22:51
RE: Synteza SPHM DDS - SP5FCS - 05-08-2012, 15:27
RE: Synteza SPHM DDS - AMATOR - 06-08-2012, 19:03
RE: Synteza SPHM DDS - SP5FCS - 06-08-2012, 23:10
RE: Synteza SPHM DDS - SP9FKP - 07-08-2012, 6:52
RE: Synteza SPHM DDS - SP5FCS - 07-08-2012, 10:11
RE: Synteza SPHM DDS - SP5FCS - 07-08-2012, 22:01
RE: Synteza SPHM DDS - SP5FCS - 08-08-2012, 14:59
RE: Synteza SPHM DDS - SP2JQR - 08-08-2012, 19:46
RE: Synteza SPHM DDS - SP5TAA - 08-08-2012, 20:21
RE: Synteza SPHM DDS - TG50 - 09-08-2012, 11:11
RE: Synteza SPHM DDS - SP5FCS - 09-08-2012, 22:48
RE: Synteza SPHM DDS - SP9FKP - 10-08-2012, 6:35
RE: Synteza SPHM DDS - SP5FCS - 12-08-2012, 22:02
RE: Synteza SPHM DDS - TG50 - 13-08-2012, 12:47
RE: Synteza SPHM DDS - SP5BMP - 13-08-2012, 13:21
RE: Synteza SPHM DDS - SP5FCS - 13-08-2012, 18:57
RE: Synteza SPHM DDS - SP5FCS - 14-08-2012, 22:57
RE: Synteza SPHM DDS - AMATOR - 25-08-2012, 23:57
RE: Synteza SPHM DDS - SP5FCS - 26-08-2012, 14:34
RE: Synteza SPHM DDS - SP5BMP - 26-08-2012, 9:28
RE: Synteza SPHM DDS - AMATOR - 27-08-2012, 16:11
RE: Synteza SPHM DDS - SP5FCS - 31-08-2012, 22:38
RE: Synteza SPHM DDS - SP9IZM - 01-09-2012, 21:10
RE: Synteza SPHM DDS - SP5FCS - 08-09-2012, 13:55
RE: Synteza SPHM DDS - SP5FCS - 20-09-2012, 21:19
RE: Synteza SPHM DDS - SP5FCS - 23-09-2012, 12:12
RE: Synteza SPHM DDS - SP5AQT - 28-09-2012, 9:52
RE: Synteza SPHM DDS - SP3IQ - 28-09-2012, 16:25
RE: Synteza SPHM DDS - SP5AQT - 29-09-2012, 15:56
RE: Synteza SPHM DDS - SP2QCA - 30-09-2012, 7:33
RE: Synteza SPHM DDS - SP5AQT - 30-09-2012, 11:27
RE: Synteza SPHM DDS - SP1UJB - 30-09-2012, 12:11
RE: Synteza SPHM DDS - SP3IQ - 13-10-2012, 16:35
RE: Synteza SPHM DDS - SP5FCS - 02-11-2012, 20:57
RE: Synteza SPHM DDS - SP5FCS - 27-02-2013, 18:41
RE: Synteza SPHM DDS - SQ5KHA - 06-03-2013, 21:56
RE: Synteza SPHM DDS - SP5FCS - 06-03-2013, 22:59
RE: Synteza SPHM DDS - SQ5KHA - 07-03-2013, 8:41
RE: Synteza SPHM DDS - SP5FCS - 12-03-2013, 22:36
RE: Synteza SPHM DDS - SP5FCS - 19-03-2013, 15:20
RE: Synteza SPHM DDS - SP5FCS - 22-03-2013, 0:49
RE: Synteza SPHM DDS - SP5FCS - 26-03-2013 23:49
RE: Synteza SPHM DDS - AMATOR - 27-03-2013, 18:11
RE: Synteza SPHM DDS - SP5FCS - 29-03-2013, 15:40
RE: Synteza SPHM DDS - SP5BMP - 27-03-2013, 19:44
RE: Synteza SPHM DDS - SP5AQT - 01-04-2013, 13:45
RE: Synteza SPHM DDS - SP5FCS - 07-04-2013, 13:53
RE: Synteza SPHM DDS - SP5FCS - 09-04-2013, 14:14
RE: Synteza SPHM DDS - SP3IQ - 09-04-2013, 23:41
RE: Synteza SPHM DDS - SP5FCS - 12-04-2013, 16:05
RE: Synteza SPHM DDS - SP2JQR - 12-04-2013, 17:46
RE: Synteza SPHM DDS - SP5BMP - 12-04-2013, 18:03
RE: Synteza SPHM DDS - SP2JQR - 13-04-2013, 9:49
RE: Synteza SPHM DDS - SP5FCS - 13-04-2013, 10:37
RE: Synteza SPHM DDS - SP5FCS - 29-04-2013, 23:56
RE: Synteza SPHM DDS - SP5FCS - 03-05-2013, 9:42
RE: Synteza SPHM DDS - SP3IQ - 03-05-2013, 12:04
RE: Synteza SPHM DDS - SQ1GYQ - 05-05-2013, 20:48
RE: Synteza SPHM DDS - SP5FCS - 05-05-2013, 22:01
RE: Synteza SPHM DDS - SP3NYF - 10-05-2013, 23:32
RE: Synteza SPHM DDS - SP3IQ - 06-05-2013, 1:03
RE: Synteza SPHM DDS - SQ4AVS - 06-05-2013, 17:53
RE: Synteza SPHM DDS - SP5FCS - 11-05-2013, 18:36
RE: Synteza SPHM DDS - SP9FKP - 11-05-2013, 19:59
RE: Synteza SPHM DDS - SQ4AVS - 11-05-2013, 20:22
RE: Synteza SPHM DDS - SP5FCS - 24-05-2013, 11:04
RE: Synteza SPHM DDS - SP5AQT - 30-05-2013, 15:12
RE: Synteza SPHM DDS - SP3IQ - 30-05-2013, 15:33
RE: Synteza SPHM DDS - SP5BMP - 30-05-2013, 20:12
RE: Synteza SPHM DDS - SP5FCS - 30-05-2013, 22:58
RE: Synteza SPHM DDS - SP3IQ - 31-05-2013, 10:01
RE: Synteza SPHM DDS - SP5FCS - 31-05-2013, 22:13
RE: Synteza SPHM DDS - SP3WXO - 31-05-2013, 23:26
RE: Synteza SPHM DDS - SP5FCS - 02-06-2013, 8:07
RE: Synteza SPHM DDS - SP3IQ - 31-05-2013, 23:38
RE: Synteza SPHM DDS - SP3WXO - 31-05-2013, 23:48
RE: Synteza SPHM DDS - SP5FCS - 11-06-2013, 19:40
RE: Synteza SPHM DDS - SQ5KVS - 12-06-2013, 11:02
RE: Synteza SPHM DDS - SP3IQ - 12-06-2013, 12:33
RE: Synteza SPHM DDS - SP5FCS - 12-06-2013, 17:36
RE: Synteza SPHM DDS - SP9FKP - 15-06-2013, 12:39
RE: Synteza SPHM DDS - SP5FCS - 15-06-2013, 21:38
RE: Synteza SPHM DDS - SP9FKP - 16-06-2013, 7:33
RE: Synteza SPHM DDS - SP5FCS - 22-06-2013, 12:23
RE: Synteza SPHM DDS - SP5FCS - 15-08-2013, 11:42
RE: Synteza SPHM DDS - SP5FCS - 23-08-2013, 21:01
RE: Synteza SPHM DDS - SP4LVC - 24-08-2013, 0:20
RE: Synteza SPHM DDS - SP5CGI - 24-08-2013, 0:34
RE: Synteza SPHM DDS - SP5FCS - 25-08-2013, 10:42
RE: Synteza SPHM DDS - SP5FCS - 17-10-2013, 22:11
RE: Synteza SPHM DDS - K2KP - 18-10-2013, 2:55
RE: Synteza SPHM DDS - SP5FCS - 18-10-2013, 20:00
RE: Synteza SPHM DDS - K2KP - 22-10-2013, 2:20
RE: Synteza SPHM DDS - SP5FCS - 30-12-2013, 12:02
RE: Synteza SPHM DDS - K2KP - 30-12-2013, 21:37
RE: Synteza SPHM DDS - SP5FCS - 02-01-2014, 21:32
RE: Synteza SPHM DDS - SP5FCS - 07-01-2014, 18:44
RE: Synteza SPHM DDS - K2KP - 07-01-2014, 20:07
RE: Synteza SPHM DDS - SP5FCS - 07-01-2014, 21:19
RE: Synteza SPHM DDS - K2KP - 09-01-2014, 18:37
RE: Synteza SPHM DDS - SP5FCS - 14-01-2014, 0:41
RE: Synteza SPHM DDS - SP5FCS - 14-01-2014, 10:11
RE: Synteza SPHM DDS - SP5FCS - 14-01-2014, 22:43
RE: Synteza SPHM DDS - K2KP - 14-01-2014, 23:34
RE: Synteza SPHM DDS - SP5FCS - 15-01-2014, 12:12
RE: Synteza SPHM DDS - SP5FCS - 16-01-2014, 0:59
RE: Synteza SPHM DDS - SP5FCS - 23-02-2014, 21:34
RE: Synteza SPHM DDS - SP3WYP - 25-02-2014, 16:49
RE: Synteza SPHM DDS - SP5FCS - 26-02-2014, 23:24
RE: Synteza SPHM DDS - SP3WYP - 26-02-2014, 23:56
RE: Synteza SPHM DDS - SP3WYP - 07-03-2014, 1:06
RE: Synteza SPHM DDS - SP5FCS - 07-03-2014, 10:41
RE: Synteza SPHM DDS - SP3WYP - 07-03-2014, 15:09
RE: Synteza SPHM DDS - SP5FCS - 08-03-2014, 10:49
RE: Synteza SPHM DDS - SP5FCS - 29-03-2014, 20:03
RE: Synteza SPHM DDS - SP5FCS - 29-03-2014, 21:56
RE: Synteza SPHM DDS - SQ8MVY - 29-03-2014, 22:57
RE: Synteza SPHM DDS - SP4LVC - 30-03-2014, 17:16
RE: Synteza SPHM DDS - SP5FCS - 02-04-2014, 1:15
RE: Synteza SPHM DDS - SP4LVC - 02-04-2014, 9:10
RE: Synteza SPHM DDS - SP5FCS - 04-04-2014, 22:13
RE: Synteza SPHM DDS - SP4LVC - 05-04-2014, 9:44
RE: Synteza SPHM DDS - SP5FCS - 15-04-2014, 21:06
RE: Synteza SPHM DDS - SP5FCS - 24-04-2014, 11:09
RE: Synteza SPHM DDS - SP4LVC - 24-08-2014, 17:32
RE: Synteza SPHM DDS - SP4LVC - 04-09-2014, 9:25
RE: Synteza SPHM DDS - SP4LVC - 06-09-2014, 20:03
RE: Synteza SPHM DDS - SP5FCS - 11-09-2014, 13:59
RE: Synteza SPHM DDS - SP4LVC - 11-09-2014, 23:03
RE: Synteza SPHM DDS - K2KP - 29-09-2014, 22:38
RE: Synteza SPHM DDS - SP5FCS - 29-09-2014, 23:14
RE: Synteza SPHM DDS - K2KP - 30-09-2014, 15:09
RE: Synteza SPHM DDS - SP5FCS - 30-09-2014, 20:52
RE: Synteza SPHM DDS - SP5FCS - 15-01-2015, 0:13
RE: Synteza SPHM DDS - LEX3200 - 13-02-2015, 23:49
RE: Synteza SPHM DDS - SP5FCS - 14-02-2015, 10:00
RE: Synteza SPHM DDS - LEX3200 - 17-02-2015, 22:00
RE: Synteza SPHM DDS - SP5FCS - 17-02-2015, 22:28
RE: Synteza SPHM DDS - LEX3200 - 17-02-2015, 23:52
RE: Synteza SPHM DDS - SP5FCS - 19-02-2015, 10:51
RE: Synteza SPHM DDS - LEX3200 - 19-02-2015, 23:20
RE: Synteza SPHM DDS - SP5FCS - 20-02-2015, 10:17
RE: Synteza SPHM DDS - LEX3200 - 24-02-2015, 20:20
RE: Synteza SPHM DDS - SP5FCS - 24-02-2015, 22:51
RE: Synteza SPHM DDS - LEX3200 - 24-02-2015, 23:57
RE: Synteza SPHM DDS - SP5FCS - 25-02-2015, 9:00
RE: Synteza SPHM DDS - LEX3200 - 25-02-2015, 22:13
RE: Synteza SPHM DDS - SP5FCS - 25-02-2015, 23:20
RE: Synteza SPHM DDS - SP2GNB - 27-02-2015, 15:22
RE: Synteza SPHM DDS - SP5FCS - 27-02-2015, 18:46
RE: Synteza SPHM DDS - SP2GNB - 27-02-2015, 20:26
RE: Synteza SPHM DDS - SP5FCS - 27-02-2015, 22:36
RE: Synteza SPHM DDS - SP2GNB - 03-03-2015, 22:33
RE: Synteza SPHM DDS - SP5FCS - 04-03-2015, 14:29
RE: Synteza SPHM DDS - SP2GNB - 31-03-2015, 22:32
RE: Synteza SPHM DDS - SP2GNB - 27-02-2015, 23:09
RE: Synteza SPHM DDS - LEX3200 - 28-02-2015, 0:15
RE: Synteza SPHM DDS - SP5FCS - 28-02-2015, 11:04
RE: Synteza SPHM DDS - LEX3200 - 28-02-2015, 12:09
RE: Synteza SPHM DDS - SP5FCS - 28-02-2015, 13:27
RE: Synteza SPHM DDS - LEX3200 - 28-02-2015, 15:44
RE: Synteza SPHM DDS - SP2IPT - 01-03-2015, 9:44
RE: Synteza SPHM DDS - SP5FCS - 02-03-2015, 10:15
RE: Synteza SPHM DDS - LEX3200 - 02-03-2015, 23:33
RE: Synteza SPHM DDS - SP5HBT - 05-03-2015, 13:11
RE: Synteza SPHM DDS - SP5FCS - 14-03-2015, 13:32
RE: Synteza SPHM DDS - SP5FCS - 22-03-2015, 17:00
RE: Synteza SPHM DDS - SQ4AVS - 22-03-2015, 23:12
RE: Synteza SPHM DDS - SP5FCS - 23-03-2015, 0:02
RE: Synteza SPHM DDS - SP5FCS - 01-04-2015, 10:57
RE: Synteza SPHM DDS - SP2GNB - 01-04-2015, 12:57
RE: Synteza SPHM DDS - SP5FCS - 01-04-2015, 15:02
RE: Synteza SPHM DDS - SP2GNB - 01-04-2015, 18:47
RE: Synteza SPHM DDS - SP5FCS - 01-04-2015, 23:12
RE: Synteza SPHM DDS - SP2GNB - 07-04-2015, 20:59
RE: Synteza SPHM DDS - SP5FCS - 07-04-2015, 21:47
RE: Synteza SPHM DDS - SP2GNB - 07-04-2015, 22:27
RE: Synteza SPHM DDS - SP3F - 08-04-2015, 13:10
RE: Synteza SPHM DDS - SP5BMP - 08-04-2015, 13:34
RE: Synteza SPHM DDS - SP5FCS - 08-04-2015, 13:48
RE: Synteza SPHM DDS - SP2GNB - 08-04-2015, 17:03
RE: Synteza SPHM DDS - SP5FCS - 08-04-2015, 17:41
RE: Synteza SPHM DDS - SP2GNB - 08-04-2015, 17:57
RE: Synteza SPHM DDS - SP5FCS - 08-04-2015, 18:56
RE: Synteza SPHM DDS - SP2GNB - 08-04-2015, 19:52
RE: Synteza SPHM DDS - SP5FCS - 08-04-2015, 19:58
RE: Synteza SPHM DDS - SP3F - 12-04-2015, 11:09
RE: Synteza SPHM DDS - SP2JQR - 12-04-2015, 12:15
RE: Synteza SPHM DDS - SP5FCS - 12-04-2015, 12:15
RE: Synteza SPHM DDS - SP3F - 22-04-2015, 16:32
RE: Synteza SPHM DDS - SP5FCS - 23-04-2015, 13:37
RE: Synteza SPHM DDS - SP2GNB - 12-05-2015, 19:40
RE: Synteza SPHM DDS - SP5FCS - 12-05-2015, 20:26
RE: Synteza SPHM DDS - SP2GNB - 12-05-2015, 20:41
RE: Synteza SPHM DDS - SP5FCS - 12-05-2015, 20:56
RE: Synteza SPHM DDS - SP2GNB - 12-05-2015, 21:32
RE: Synteza SPHM DDS - SP5FCS - 12-05-2015, 22:35
RE: Synteza SPHM DDS - SP2GNB - 12-05-2015, 23:10
RE: Synteza SPHM DDS - SP5FCS - 13-05-2015, 8:17
RE: Synteza SPHM DDS - SP2GNB - 13-05-2015, 16:56
RE: Synteza SPHM DDS - SP5FCS - 13-05-2015, 19:57
RE: Synteza SPHM DDS - SP2GNB - 13-05-2015, 21:19
RE: Synteza SPHM DDS - SP2GNB - 20-05-2015, 10:20
RE: Synteza SPHM DDS - SP5FCS - 20-05-2015, 11:43
RE: Synteza SPHM DDS - SP2GNB - 20-05-2015, 12:46
RE: Synteza SPHM DDS - SQ8MVY - 29-05-2015, 7:45
RE: Synteza SPHM DDS - SP5FCS - 30-05-2015, 23:05
RE: Synteza SPHM DDS - SQ8MVY - 30-05-2015, 23:14
RE: Synteza SPHM DDS - SP5FCS - 31-05-2015, 9:58
RE: Synteza SPHM DDS - SQ8MVY - 31-05-2015, 11:42
RE: Synteza SPHM DDS - SP5FCS - 31-05-2015, 21:30
RE: Synteza SPHM DDS - SQ8MVY - 31-05-2015, 22:00
RE: Synteza SPHM DDS - SP5FCS - 01-06-2015, 11:23
RE: Synteza SPHM DDS - SQ8MVY - 01-06-2015, 12:36
RE: Synteza SPHM DDS - SP5FCS - 01-06-2015, 14:04
RE: Synteza SPHM DDS - SP2GNB - 23-06-2015, 10:55
RE: Synteza SPHM DDS - SP5FCS - 23-06-2015, 12:04
RE: Synteza SPHM DDS - SP2GNB - 23-06-2015, 12:45
RE: Synteza SPHM DDS - SP2GNB - 28-06-2015, 21:28
RE: Synteza SPHM DDS - SP5FCS - 29-06-2015, 0:17
RE: Synteza SPHM DDS - SP2GNB - 29-06-2015, 21:02
RE: Synteza SPHM DDS - SP5FCS - 04-07-2015, 10:46
RE: Synteza SPHM DDS - SP2GNB - 04-07-2015, 11:27
RE: Synteza SPHM DDS - SP5FCS - 04-07-2015, 12:03
RE: Synteza SPHM DDS - SP2GNB - 05-07-2015, 9:01
RE: Synteza SPHM DDS - SP5FCS - 05-07-2015, 11:35
RE: Synteza SPHM DDS - SP2GNB - 05-07-2015, 12:41
RE: Synteza SPHM DDS - SP2GNB - 21-07-2015, 21:47
RE: Synteza SPHM DDS - SP5FCS - 27-07-2015, 23:47
RE: Synteza SPHM DDS - SQ8MVY - 21-07-2015, 23:20
RE: Synteza SPHM DDS - SP2GNB - 22-07-2015, 10:19
RE: Synteza SPHM DDS - SP2GNB - 28-07-2015, 20:48
RE: Synteza SPHM DDS - LEX3200 - 04-10-2015, 22:08
RE: Synteza SPHM DDS - SP5FCS - 05-10-2015, 21:16
RE: Synteza SPHM DDS - SP4LVC - 04-10-2015, 23:10
RE: Synteza SPHM DDS - SQ4AVS - 05-10-2015, 6:28
RE: Synteza SPHM DDS - SP4LVC - 25-10-2015, 10:32
RE: Synteza SPHM DDS - SP5FCS - 26-10-2015, 14:37
RE: Synteza SPHM DDS - SP4LVC - 29-10-2015, 9:48
RE: Synteza SPHM DDS - SQ8MVY - 29-10-2015, 21:44
RE: Synteza SPHM DDS - SP4LVC - 31-10-2015, 0:23
RE: Synteza SPHM DDS - SQ8MVY - 31-10-2015, 9:25
RE: Synteza SPHM DDS - SP4LVC - 31-10-2015, 13:32
RE: Synteza SPHM DDS - SQ5KVS - 31-10-2015, 20:59
RE: Synteza SPHM DDS - SP4LVC - 06-11-2015, 12:21
RE: Synteza SPHM DDS - SQ1GYQ - 06-11-2015, 21:11
RE: Synteza SPHM DDS - SP2IPT - 07-11-2015, 10:21
RE: Synteza SPHM DDS - SQ8MVY - 07-11-2015, 10:42
RE: Synteza SPHM DDS - SP2IPT - 08-11-2015, 21:37
RE: Synteza SPHM DDS - SQ1GYQ - 07-11-2015, 11:30
RE: Synteza SPHM DDS - SP2GNB - 07-11-2015, 18:32
RE: Synteza SPHM DDS - SP4LVC - 07-11-2015, 23:01
RE: Synteza SPHM DDS - SP4LVC - 09-11-2015, 9:19
RE: Synteza SPHM DDS - SQ8MVY - 09-11-2015, 11:11
RE: Synteza SPHM DDS - SP4LVC - 09-11-2015, 11:42
RE: Synteza SPHM DDS - SP5FCS - 09-11-2015, 12:22
RE: Synteza SPHM DDS - SP4LVC - 11-11-2015, 1:36
RE: Synteza SPHM DDS - K2KP - 26-11-2015, 18:09
RE: Synteza SPHM DDS - SP5FCS - 26-11-2015, 22:31
RE: Synteza SPHM DDS - SP2GNB - 26-11-2015, 22:40
RE: Synteza SPHM DDS - K2KP - 27-11-2015, 3:06
RE: Synteza SPHM DDS - SP5CGI - 27-11-2015, 15:06
RE: Synteza SPHM DDS - K2KP - 27-11-2015, 15:26
RE: Synteza SPHM DDS - SP4HKQ - 27-11-2015, 17:28
RE: Synteza SPHM DDS - K2KP - 28-11-2015, 1:46
RE: Synteza SPHM DDS - SP5FCS - 29-11-2015, 23:43
RE: Synteza SPHM DDS - SP2GNB - 09-12-2015, 22:45
RE: Synteza SPHM DDS - SP6RSP - 01-01-2016, 18:07
RE: Synteza SPHM DDS - SQ4AVS - 01-01-2016, 22:03
RE: Synteza SPHM DDS - SP2GNB - 03-02-2016, 21:07
RE: Synteza SPHM DDS - SP5FCS - 28-02-2016, 21:47
RE: Synteza SPHM DDS - SP2SGA - 14-02-2016, 9:59
RE: Synteza SPHM DDS - SP5FCS - 14-02-2016, 10:34
RE: Synteza SPHM DDS - SP2GNB - 28-02-2016, 23:03
RE: Synteza SPHM DDS - SP8GPQ - 27-05-2017, 19:21
RE: Synteza SPHM DDS - SP2FP - 06-07-2018, 21:03
RE: Synteza SPHM DDS - SQ6KBT - 18-10-2018, 19:09
RE: Synteza SPHM DDS - SQ8PEI - 23-03-2020, 15:59
RE: Synteza SPHM DDS - SP4LVC - 13-09-2020, 9:45
RE: Synteza SPHM DDS - SQ8NVF - 10-08-2011, 22:47
RE: Synteza SPHM DDS - SP3SWJ - 11-08-2011, 18:07
RE: Synteza SPHM DDS - SQ8NVF - 11-08-2011, 20:13
RE: Synteza SPHM DDS - SP5FCS - 11-08-2011, 22:17
RE: Synteza SPHM DDS - SP3SWJ - 11-08-2011, 22:18
RE: Synteza SPHM DDS - SQ8NVF - 12-08-2011, 10:20
RE: Synteza SPHM DDS - SP3SWJ - 12-08-2011, 11:47
RE: Synteza SPHM DDS - SQ8NVF - 12-08-2011, 12:23
RE: Synteza SPHM DDS - SP3SWJ - 12-08-2011, 12:44

Skocz do:


Użytkownicy przeglądający ten wątek: 3 gości