Odpowiedz 
 
Ocena wątku:
  • 0 Głosów - 0 Średnio
  • 1
  • 2
  • 3
  • 4
  • 5
Wzmacniacz na MRF 186
SP2FP Offline
PAWEŁ
***

Liczba postów: 184
Dołączył: 01-11-2009
Post: #1
Wzmacniacz na MRF 186
Witam . Dostępność i niska cena zachęciły mnie do prób wykonania stopnia PA na kfy. W wątku o LD-mosach jest dyskusja na ich temat
Podzielę się moimi pomiarami, jeśli ktoś dysponuję swoimi to poproszę, będzie co porównać. Sam tranzystor dedykowany jest do pracy przy wyższym napięciu 24-27v , ale jest stosowany we wzmacniaczach made in china z których uzyskuje się teoretycznie 40-50wat przy 14 V zasilania . Mnie się na razie nie udało uzyskać takiej mocy . Widziałem kilka filmów lecz nie było tam analizy widma , ani pomiarów imd.
Do sterowania używałem trxa K3 . Na początku bez tłumika - moc sterująca 0,1Wat ale łatwo było przesterować zwiększając moc . Dołożyłem tłumik około 4dB (nie ma go na zdjęciu) i podawałem taką moc aby uzyskać 20-22 waty na wyjściu po LPFie
Podając wyższe sterowanie 1-1,5w uzyskiwałem 30 i więcej wat , lecz sygnał mierzony na transformatorze wyjściowy, był mocno zniekształcony. Próba z przełożeniem trafa wyj. 1/3 dała gorsze rezultaty - większe straty i mniejsza moc . Akurat były to rdzenie o mniejszej przenikalności będę jeszcze próbował z BN-43
Odczyt na watomierzu był 1-2 wat większy jak podawane napięcie na oscyloskopie.
Trzeba wziąć poprawkę na błędy pomiaru takimi wskaźnikami kalibrację sond itp.
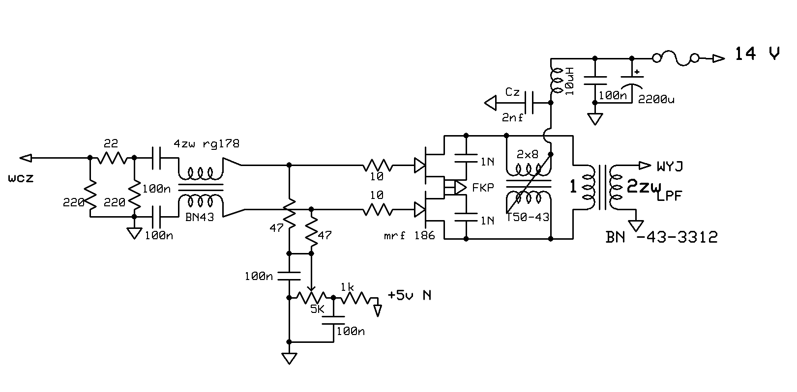
schemat :

.bmp  mrf 186 testym.bmp (Rozmiar: 175.21 KB / Pobrań: 1561)
oscylogramy - żółty przebieg po LPF, niebieski po trafie wyjściowym.
FFT też po trafie przed LPF. Po lpf za mała dynamika pomiaru fft-hantek , widać tylko czysty sygnał.
Celowo na razie nie stosowałem sprzężenia zwrotnego .
większe zniekształcenia na 80m są prawdopodobnie wynikiem małej pojemności D-G która dla wyższych częstotliwości działa jako sprzężenie zwrotne Przy końcówce na 2xRD16 miałem podobne zachowanie. Nie miałem flirtu LPF na 28 dlatego pomiary tylko do 21MHz
Na uwagę zasługuje niski dryf temperaturowy BIASu ustawiony na zimnym 500 ma dochodzi do 600 przy temperaturze około 40 st.
Metalowa stopa pozwala lepiej odprowadzać ciepło złącza, jak w obudowach to220.
wyniki pomiaru:
zasilanie 13,8v
trafo wej 1:1 trafo wyj 2:1
Prąd spoczynkowy 600mA (2x300/dren)
Pasmo m .... 80.....40.....20.....15
prąd A ....... 3,0....3,1....3,5....3,6
moc wyj refl 20.....21.....20.....20
nap bram sk 1,9....1,9....1,76...1,7
nap wyjść sk 32.....32.....32.....29
moc ster. W. 0,4....0,4....0,6....0,7
po niej tłumik 4 db.


Załączone pliki Miniatury
İmage İmage İmage İmage İmage İmage İmage İmage İmage
(Ten post był ostatnio modyfikowany: 20-06-2018 8:15 przez SP2FP.)
20-06-2018 8:15
Odwiedź stronę użytkownika Znajdź wszystkie posty użytkownika Odpowiedz cytując ten post
SP6AUO Offline
Andrzej
*****

Liczba postów: 1,051
Dołączył: 20-09-2009
Post: #2
RE: Wzmacniacz na MRF 186
Zgubił się kondensator 100n na odczepie zasilania po dławiku.

Andrzej
20-06-2018 9:46
Znajdź wszystkie posty użytkownika Odpowiedz cytując ten post
SP2FP Offline
PAWEŁ
***

Liczba postów: 184
Dołączył: 01-11-2009
Post: #3
RE: Wzmacniacz na MRF 186
Celowo go tam nie ma, pogarsza nieco parametry harmonicznych, bez niego pozwalam na bardziej automatyczną symetrię obwodu wyjściowego.
W układach z zasilaniem przez oddzielne dławiki lub trafo bifilarne też nie stosuję się uziemiania odczepu transformatora wyjściowego dla wcz. Zdarza się układ RC wtedy na rezystorze odkładana jest częściowo asymetria.
(Ten post był ostatnio modyfikowany: 20-06-2018 10:11 przez SP2FP.)
20-06-2018 10:11
Odwiedź stronę użytkownika Znajdź wszystkie posty użytkownika Odpowiedz cytując ten post
SP6AUO Offline
Andrzej
*****

Liczba postów: 1,051
Dołączył: 20-09-2009
Post: #4
RE: Wzmacniacz na MRF 186
Skoro taaak,to ok.

Andrzej
20-06-2018 10:34
Znajdź wszystkie posty użytkownika Odpowiedz cytując ten post
SP6LUN Offline
Andrzej
****

Liczba postów: 259
Dołączył: 01-09-2014
Post: #5
RE: Wzmacniacz na MRF 186
Proponuję zrobić test z takim nawinięciem transformatora:
İmage

Andrzej
20-06-2018 12:30
Znajdź wszystkie posty użytkownika Odpowiedz cytując ten post
SP2FP Offline
PAWEŁ
***

Liczba postów: 184
Dołączył: 01-11-2009
Post: #6
RE: Wzmacniacz na MRF 186
Z takim nawinięciem wyjdzie przekładnia 2/2zw czyli 1:1 na wyjściu otrzymamy połowę obecnego napięcia - czyli 4 x mniej mocy . Obecna indukcyjność jest w zupełności wystarczająca nawet dla 1,8.
20-06-2018 13:25
Odwiedź stronę użytkownika Znajdź wszystkie posty użytkownika Odpowiedz cytując ten post
SP6LUN Offline
Andrzej
****

Liczba postów: 259
Dołączył: 01-09-2014
Post: #7
RE: Wzmacniacz na MRF 186
Test wykluczy, albo potwierdzi nasycanie się rdzenia dla 80m
Aby zachować moc można na wtórnym dać 4 zwoje.

Andrzej
20-06-2018 14:37
Znajdź wszystkie posty użytkownika Odpowiedz cytując ten post
SP2FP Offline
PAWEŁ
***

Liczba postów: 184
Dołączył: 01-11-2009
Post: #8
RE: Wzmacniacz na MRF 186
Jasne, ale ten rdzeń BN-43-7051 daje radę przy 300 watach więc o nasyceniu raczej nie ma mowy, testowany przy innej konstrukcji z bipolarnymi.
Zasilałem też przez oddzielny rdzeń bifilarny tak aby prąd nie magnetyzował rdzenia i nie było różnicy.
Testów c.d.
**Zastosowałem sprzężenie zwrotne D-G : 1kohm-33nF-10uH , aby poprawić parametry na 80tce, nie psując wzmocnienia na wyższych pasmach . Praktycznie nie widać różnicy. Sam R+C też nie poprawia, oczywiście wzmocnienie maleje. Rdzeń wymieniony na docelowy mniejszy -BN 43-3312 to samo przełożenie 1/2 , parametry bez zmian.
***Zmieniłem przekładnie na 1/3 rdzeń BN 43-3312 i przy zasilaniu 13,8 uzyskałem 42 waty mocy dla 7 i 14 sterowanie około 2-2,5 wata. Na 21 troszkę gorzej ale są zamontowane kondensatory Dren-masa 1nf które poprawiają moc na dolnych zakresach a prawdopodobnie są za duże dla 21-28. Najgorzej wypadło 3,7MHz, prawie 3 waty sterowania i 33 waty na wyjściu. Po odpięciu sprzężenia pojawiła się pełna moc na 80tce -trzeba będzie znaleźć kompromis lub nie stosować sprzężenia. Pobór prądu około 6 Amper dla wszystkich pasm co daje około 80 wat mocy pobieranej . Uzyskiwane 40 wat output okupione jest podobną stratą ciepła na tranzystorze - sprawność około 50% mimo małego prądu spoczynkowego. Przy takiej mocy trzeba zadbać o odpowiednie chłodzenie.
**** Wróciłem do przekładni 1/2 , podniosłem napięcie zasilania do 24 V i przy 1 wacie sterowania pojawiło się 60 wat mocy wyjściowej dla3,5-14. Dla 21mniejsze wzmocnienie i 50 wat przy 1,4 wata sterowania brak sprzężenia zwrotnego, sprawność dalej około 50% .
Przy wszystkich próbach SWR od strony wejścia był 1,2:1
------------------
Moje wnioski:
**Bardzo dobra alternatywa zamiast 2x RD16 i mocy 20-25w/14v przy sterowaniu poniżej 1 wata lub mniejszej mocy bez tłumika wejściowego. Uwaga - bramki są łatwe do upalenia i wszędzie zalecają mały tłumik wejściowy .
***Dla 40w/14V wat większe chłodzenie, przy 3dB tłumiku sterowanie do 3 Wat, gorsza liniowość w porównaniu z wersją 20wat . Przyrost mocy będzie okupiony gorszymi parametrami liniowości IMD. Szczególnie nie polecane dla emisji cyfrowych.
****Jeśli miałbym zastosować ten tranzystor dla stacjonarnego TRXa i chciał mieć około 50 wat mocy to zasilał bym końcówkę napięciem 24 volt mając podobne parametry jak dla 20w/14v przy sterowaniu małą mocą i dobrą liniowością. Chłodzenie wymuszone raczej konieczne.
***** Można pokusić się o przeciwsobną parę takich tranzystorów i sprawdzić jak się będą zachowywać przy 12-14 V zasilania.
Dołączam oscylogramy przełożenia 1/3 przy zasilaniu 13,8


Załączone pliki Miniatury
İmage İmage İmage İmage
(Ten post był ostatnio modyfikowany: 20-06-2018 22:08 przez SP2FP.)
20-06-2018 14:45
Odwiedź stronę użytkownika Znajdź wszystkie posty użytkownika Odpowiedz cytując ten post
SP6LUN Offline
Andrzej
****

Liczba postów: 259
Dołączył: 01-09-2014
Post: #9
RE: Wzmacniacz na MRF 186
Poniżej moja interpretacja zniekształceń:
Zafalowania sygnału, które szczególnie są widoczne dla pasma 80m, wynikają z tego, że zmieniają się parametry transformatora w czasie każdego okresu sygnału.

Przy braku sygnału przez obie części uzwojenia pierwotnego płynie pewien prąd stały ale w przeciwnych kierunkach.
Sterowanie bramek tranzystorów powoduje zmniejszenie jednego i zwiększenie drugiego prądu o ta samą wartość X.
Po pominięciu prądu stałego efekt jest taki jak gdyby przez obie części uzwojenia pierwotnego płynął prąd X
Dopóki prąd ten jest identyczny w obu częściach, możemy je (części) traktować jak jeden zwój.
Problem zaczyna się w momencie, gdy jeden z tranzystorów się zatyka i prądy te nie są już równe.
Nadwyżka prądu, płynąca przez połówkę uzwojenia, już nie wraca drugą połówką (przez drugi otwór w rdzeniu), tylko bokiem przez zasilanie. W konsekwencji sprzężenie pomiędzy uzwojeniem pierwotnym, a wtórnym nie jest już bliskie jedności. Pojawia się indukcyjność rozproszenia. Obserwowane zafalowania to drgania obwodu złożonego z indukcyjności rozproszenia i pojemności rozproszonych + ewentualnie dołączonego do drenu kondensatora.

Andrzej
22-06-2018 16:53
Znajdź wszystkie posty użytkownika Odpowiedz cytując ten post
SP2FP Offline
PAWEŁ
***

Liczba postów: 184
Dołączył: 01-11-2009
Post: #10
RE: Wzmacniacz na MRF 186
Dokonałem modyfikacji zasilania drenów . Zastosowałem transformator (dławik) nawinięty bifilarne drutem fi0,5mm skręconym wkrętarka około 4-5 skrętek n 1cm 2x8 zwoi . Nie stosowałem kondensatorów odcinających trafo wyjściowe od DC ponieważ uważam że prąd stały w praktyce nie płynie przez uzwojenie, a jeśli jakiś wyrównawczy to będą to mA. Tak jak poprzednio umasienie poprzez 100nf punktu zasilania dławika bifilarnego psuje parametry, zmniejsza moc wyjściowa itp. dobranie mniejszej pojemności poprawia w/w parametry i wartość 2 nf (2x1nf kostki FKP o wysokiej dobroci) okazała się najbardziej korzystna szczególnie dla 3,5-7 MHz powyżej nie robiła różnicy. Ponieważ pojemność bramki jest około 150 pf to zmniejszyłem wartość rezystorów bramkowych z 22 na 10ohm. Warto je stosować bo unikniemy wzbudzeń na częstotliwościach ukf. Dokładałem też 1 zwój w dławik zasilania i poprzez rezystory doprowadziłem sygnał zwrotny do bramek , ale poza delikatnym spadkiem mocy nie było żadnej poprawy.
Konstruując kiedyś wzmacniacz jak w Husarku też na dolnych pasmach miałem większe zafalowania sygnału przed LPFem .
Po tych modyfikacjach uzyskałem lepsze wzmocnienie na 14-21 troszkę poprawy sprawności i lepszy oscylogram na 80tce.
Dla 21 tak jak pisałem trzeba by zmniejszyć pojemności D-masa np do 470pf , ale chce zastosować to opracowanie w trxie 80-40-20 więc bardziej zależy mi na poprawnej pracy w tym zakresie.
wyniki:
zasilanie 13,8v
trafo wej 1:1 trafo wyj 2:1
Prąd spoczynkowy 600mA (2x300/dren)
Pasmo m .... 80.....40.....20.....15
prąd A ....... 3,0....2,9....3,1....3,8
moc wyj refl 25.....23.....22.....19
nap wyjść sk 34.....33.....32.....29
moc ster. W. 0,3....0,4....0,4....0,5
po niej tłumik 4 db.
obecny schemat i oscylogramy poniżej:


Załączone pliki Miniatury
İmage İmage İmage İmage

.bmp  mrf 186 mod zasilania.bmp (Rozmiar: 159.04 KB / Pobrań: 1101)
23-06-2018 14:25
Odwiedź stronę użytkownika Znajdź wszystkie posty użytkownika Odpowiedz cytując ten post
Odpowiedz 


Skocz do:


Użytkownicy przeglądający ten wątek: 1 gości