Szukam praktycznego rozwiązania sterownika z wyświetlaczem dotykowym w obudowie panelowej. Wszystko idzie do przodu i są gotowe moduły w zasadzie pod dedykowany wyświetlacz. Np coś takiego
[Obrazek:
https://cdn.forbot.pl/blog/wp-content/up...cleo_1.jpg]
Płytka Kurta to trudne wyzwanie - małe elementy smd.
Może wspólnymi siłami udało by się wykonać własny projekt oparty na jakimś gotowym module wyświetlacza z procesorem. Oczywiście inne płytki wykonawcze i pomiarowe oddzielnie - jak najbardziej uniwersalnie. Nie jestem programistą i niestety nie pomogę w napisaniu softu ale może ktoś już napisał, chce się podzielić i można by to w jakiś sposób adaptować to do danego typu panelu. Kolega SP3JDZ (witec.pl) napisał taki program i prawdopodobnie go udostępni, kwestia pcb itd. ewentualne potrzebne zmiany lub dodatki.
Pokazana obudowa dla 5-7 cali załatwia sporo mechanicznych problemów. Robimy dziurę, nawet nie do końca ładną

i wkładamy panel .
Jeśli będą chętni to proponuję wątek Budowy PA z forum HOME MADE i zachęcam do wspólnego działania. Z mojej strony zapewniam udostępnienie wszystkich wykonanych modułów w.cz. i zabezpieczeń z pełną dokumentacją.
Ciąg dalszy płytki wejścia LD-mosa
Zmodyfikowałem wejście na bramki dodając pojemność 1n równolegle z rezystorami 10 ohm (5ohm).
Zamiast bramek , wlutowałem dwa kondensatory do masy 680pf - symulując pojemność "Ciss" tranzystora.
W tabelce efekty, bez tych pojemności napięcia były równe w całym mierzonym zakresie.
Wg mnie jest OK . Po zmontowaniu całej końcówki będzie można modyfikować tłumik lub pojemności w celu większej liniowości wzmocnienia-mocy. Pamiętać należy że te tranzystory lepiej pracują na 28 jak na 1,8 więc prawdopodobnie wzmocnienie będzie równiejsze. Pomiar nie uwzględnia sprzężenia zwrotnego.
Podałem sygnał z trxa K3. Moc ustawiona na 4 Waty. Napięcie wejściowe mierzone na wejściu tłumika 4 dB (rezystory 10/100/10 Ohm). Pomiar wykonany oscyloskopem cyfrowym z kalibrowaną sondą 1:10. Wartość RMS. Jak widać napięcia wejściowe nieznacznie się różnią w zależności od pasma, ale jest to normalne zjawisko szczególnie przy tak małej mocy TRXa. Swr nie przekroczył wartości 1:2 nawet na 50 MHz. Jak dojdzie 10 dB tłumik mocy to w zasadzie obciążenie trxa będzie idealne. Transile + diody (17V) w tłumiku ograniczają przebieg dla mocy 5 wat, diody Zenera w bramkach nie mają nic do roboty. Przy tej mocy napięcie na bramce wynosi około 9v PP. Oczywiście niech zostaną, zawsze są dodatkowym zabezpieczeniem przy silniejszym piku mocy sterującej.
Transformator wejściowy wykonałem napięciowo 2:1; impedancyjnie 50/12,5 .
Zastosowany przewód to RG316-25 Ohm. Żyła gorąca to uzwojenie pierwotne, a ekran to wtórne.
Poniżej zdjęcie testowanej płytki i tabelka.
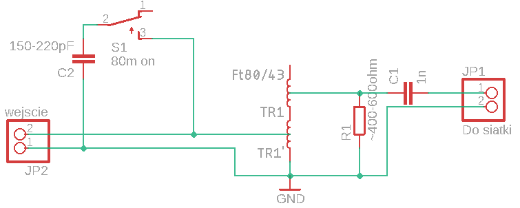
jeszcze schemat wejścia bo nie można wykonać pełnej edycji wpisu.