Liczba postów: 317
Liczba wątków: 10
Dołączył: 23-06-2010
Mimo wszystko ja bym unikał montowania wewnątrz, zawsze bedzie to jakaś zmiana temperatury.
Co do radiatora same izolacyjne śróy to nie wszystko, bo i tak muisz izolować radiator od obudowy, albo montować na izolowanych dystansach. Ja dla mnie łatwiej już kupić zestaw i odizolować tranzystor.
PS. Cześći to Taurus-ów już są, czekam jeszcze na rdzenię proszkowę od samego Amidona i trymerki (dziwne, że nie było od ręki na stanie)
Liczba postów: 317
Liczba wątków: 10
Dołączył: 23-06-2010
Widzisz mi się nie udało znaleść, przewaźnie byly inne i nie zabardzo pasowały. Poztym potrzebuje w sumie około 50 szt. a okazało się że nie wychodzą tak drogo. Wyszło średnio 0.50$ za sztukę czyli okóło 1,50 zł. Nie wiem jeszcze jaka jest cena przesyłki, ale pewnie nie przekroczy 10$
Wydaje mi się że nie jest to najgorsza cena.
Liczba postów: 410
Liczba wątków: 32
Dołączył: 18-06-2009
Witam
Rdzenie amidon
link z informacja co gdzie i za ile
http://ultek.foxnet.pl/sq7jhm/files/Amid...dzenie.pdf
Pozdrawiam
Andrzej
Liczba postów: 1
Liczba wątków: 0
Dołączył: 03-01-2010
Witam
Składam Taurus-a na 80m, TRX częściowo zmontowany miałem ponad 2 lata wcześniej, budowę przerwały życiowe zawirowania, w zeszłym tygodniu odkurzyłem odbiornik sprawdziłem i uruchomiłem bez większych problemów, aktualnie montuje nadajnik wzmacniacz mikrofonowy sprawdzony trochę kombinuje z pasmem przenoszenia żeby je zawęzić, jak dobrze pójdzie to już niedługo kolejny Taurus będzie pracował.
Liczba postów: 301
Liczba wątków: 19
Dołączył: 24-03-2009
(29-06-2010, 13:14)SP6-01-396 napisał(a): Ja dopiero czekam na płytki od Włodka zamówiłem sobie 3 kpl.
Zaczne od 80m. Zobaczymy jak mi pójdzie.
Z ANtkiem stanołem oczywiście na nadajniku, ale choć odbiornik pracuje i słychać stacje. Ostatnio odebrałem na zawodach dni może 77 stacji, ale cześć z nich nie był nawet dla mnie słyszalna.
Czołem panowie.
Zastanowiło mnie jak odbierałeś te stacje kiedy część z nich nawet dla ciebie nie była słyszalna...
na twoim miejscu nie zawracałbym se głowy jak uzyskać 10Watt`ów z tego QRP urządzenia a co zrobić aby większość stacji była słyszana...
powodzenia.
Witek sp5taa.
Liczba postów: 317
Liczba wątków: 10
Dołączył: 23-06-2010
Może źle się wyraziłem, w tych odebrany QSO, które nadawały się do zawodów, oczywiście byli słyszalni obaj korespondenci, a pisząc to miałem na myśli że w części nasłuchów słyszałem tylko jedną ze stacji, albo zakłócenia QRM od bliski stacji uniemożliwiały usłyszenie słabszej z nich.
Oczywiście masz rację, że czułość i selektywność jest bardzo istotna, no ale bez skutecznie pracującego nadajniki to trochę kiepski HM

To czy ma %W czy 10W już nie ma takiego dużego znaczenia, choć oczywiście zawsze milej mieć trochę więcej.
Liczba postów: 60
Liczba wątków: 11
Dołączył: 29-06-2010
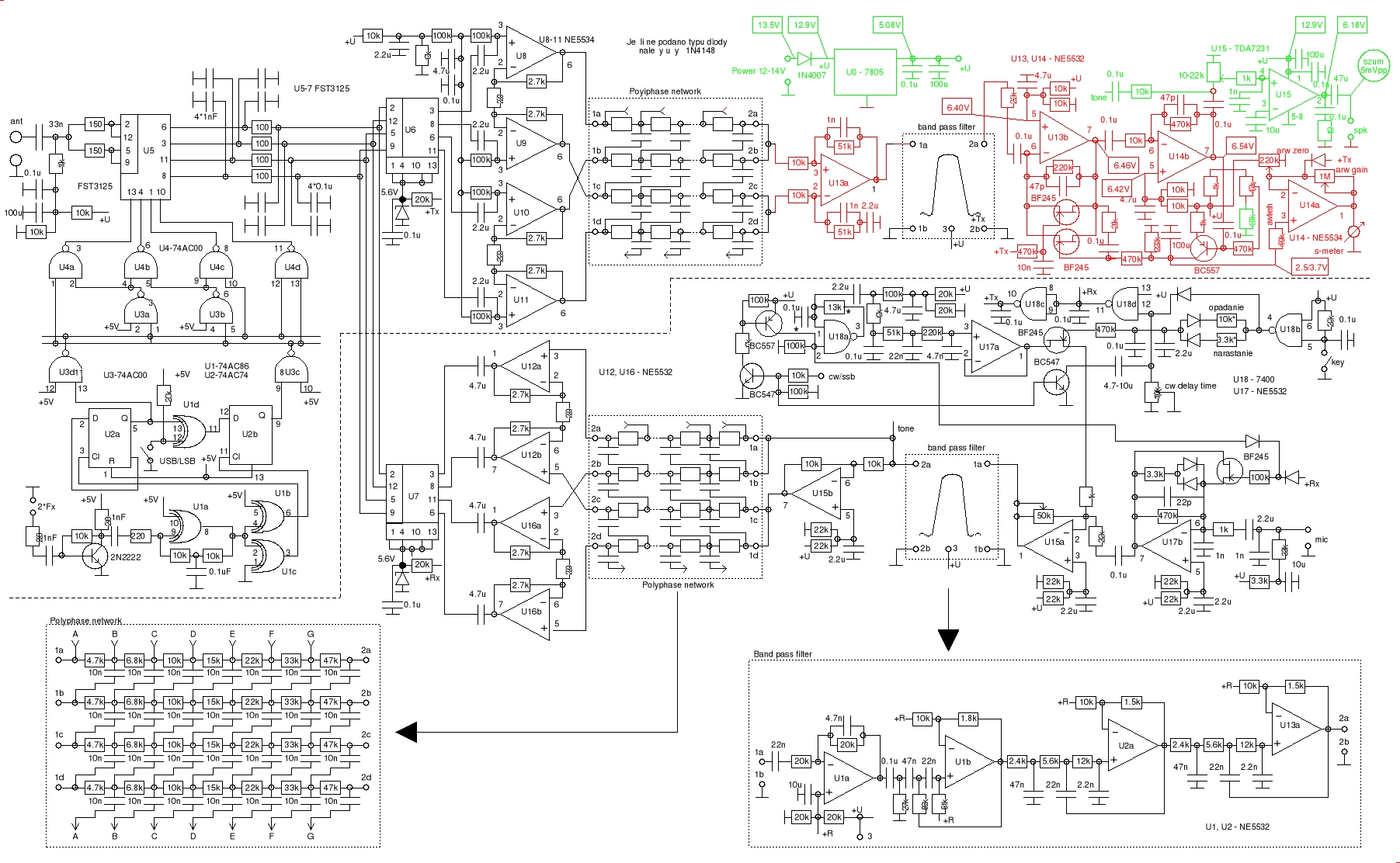
A ja walczę z Taurusem 80m i utknąłem na nadajniku.Sytuacja moja wygląda teraz tak (podaję wartości napięć na kolektorach):
I 2N3904 - 0,3V
II 2N3904 - 25,1V (!)
2N2219 - 2,57V
2SC2078 - 1,87V
WY Ant. - 3,04V
Co jest powodem,że nie uzyskuje odpowiedniego napięcia na driverze i PA? Wymieniłem już jeden i drugi (z innego sklepu), bo słyszałem o tzw. "malowankach", ale i to nic nie zmieniło.
Liczba postów: 213
Liczba wątków: 10
Dołączył: 19-04-2010
Witaj,
Jakie napięcie masz na bazie 2N2219? Czy jesteś pewien co do poprawnego wlutowania TR1?
BTW. Czy te napięcia, które podajesz są międzyszczytowe?
Z pozdrowieniami,
Łukasz SQ4RNF
Liczba postów: 60
Liczba wątków: 11
Dołączył: 29-06-2010
Napięcie na bazie 2N2219 wynosi 0,7V.
Na kołki MIC podaję sygnał sinus o napięciu ok. 40 mV.
Pomiar dokonuję sondą V640 podłączoną do uniwersalnego miernika cyfrowego, więc wg mnie jest to napięcie międzyszczytowe Vp-p.
Sprawdzałem Tr1 - jest prawidłowo wlutowany.
Liczba postów: 5
Liczba wątków: 2
Dołączył: 17-08-2010
Witam Wszystkich,
złożyłem wreszcie swojego TAURUSA na 80m (odbiornik) i mam problem z uruchomieniem. Po włączeniu zasilania w głośniku słychać cichutki szum (siła głosu na max). Po próbie strojenia potencjometrem w głośniku nie ma żadnej reakcji. Antena to około 20 metrowy odcinek drutu. Nie mam możliwości w miejscu w, którym pracuję na zamontowanie anteny.
Pozdrawiam