Odpowiedz 
 
Ocena wątku:
  • 13 Głosów - 4.62 Średnio
  • 1
  • 2
  • 3
  • 4
  • 5
Transceiver HMG 2010 "HUSAR"
admin Offline
Administrator
*****

Liczba postów: 91
Dołączył: 01-02-2009
Post: #1
Transceiver HMG 2010 "HUSAR"
Każdy radioamator budując kolejne swoje radio zastanawia się co w nim zmienić, ulepszyć lub poprawić aby kolejna konstrukcja była jeszcze lepsza. Podczas takich dyskusji w gronie kilku kolegów pojawiały się ciekawe propozycje rozwiązań konstrukcyjnych, które chcieliśmy sprawdzić praktycznie. Po kilku tygodniach wymiany korespondencji przez Internet oraz rozmów przez Skypa zapadła decyzja: budujemy nowe radio od podstaw.
Radio otrzymało nazwę HMG-2010 „HUSAR”

Z założenia miało to być radio wielopasmowe o nowoczesnej i oryginalnej konstrukcji, bardzo dobrych parametrach technicznych, z pełną dokumentacją elektroniczną, dobrym opisem oraz wsparciem poprzez forum HMG. Konstrukcja modułowa na fabrycznych płytkach pozwalająca na łatwą modyfikację i wariantowe konfigurowanie radia. Wykonanie tak rozbudowanego projektu przekraczało możliwości jednego konstruktora dlatego zawiązała się grupa projektowa.

Korzystając z Internetu i Skypa zastanawialiśmy się jaką konstrukcję radia przyjąć do realizacji. Konstrukcja miała być wspólna, wykonywana przez wszystkich członków grupy oraz w przyszłości przez innych średnio zaawansowanych radioamatorów. Zwyciężyła koncepcja połączenia radia superheterodynowego z homodynowym, ponieważ w ten sposób omija się spadek czułości homodyny na wyższych częstotliwościach, przy jednoczesnym wykorzystaniu jego rewelacyjnych własności odsłuchowych.

Prace projektowe wystartowały na wakacje. Należało sprawdzić kilka pomysłów układowych. Podczas spotkania w Burzeninie dokonaliśmy podziału prac oraz ustaliliśmy wstępny harmonogram realizacji. Aktualnie członkowie grupy kończą uruchamianie kilkunastu prototypów pierwszych modułów. Wstępne pomiary potwierdzają założenia konstrukcyjne i słuszność przyjętej koncepcji.

W miarę postępu dyskusji udało się zainteresować projektem kolejnych Kolegów.
Zapraszamy Kolegów do wsparcia projektu swoim doświadczeniem i wiedzą oraz do budowy własnego "HUSARA".

Aktualny skład grupy HUSAR:
Roman SP5AQT, Zdzisław SP6EER, Adam SP5FCS, Andrzej SP3GTG, Zdzisław SP4HKQ, Józef SP9HVW, Jarosław SP4XYV, Jerzy SQ5NPW,
Waldemar 3Z6AEF, Janusz SP5GTI, Wacek SP5JPB, Tomasz SQ5RIX, Janusz SP5BMP

Przewodnik po wątku HUSARA
- schemat blokowy HUSARA
- schemat ideowy homodyny HUSARA
- zdjęcia płytek drukowanych pośredniej i homodyny
- moduł homodyny Zdzisława SP4HKQ
- moduł homodyny Adama SP5FCS
- prototyp cyfrowego BFO do HUSARA
- docelowe BFO na fabrycznej płytce, program sterujący
- projekty płytek do syntezy RD3AY
- schemat ideowy modułu pośredniej częstotliwości
- PCB modułu pośredniej
- moduł pośredniej Zdzisława SP6EER
- schemat i opis mieszacza
- schemat i opis diplexera
- schemat i opis roofing filtra
- pomiary charakterystyki roofing filtra
- pomiary SWR-a roofing filtra
- pliki symulacyjne diplexera
- układ Notcha, schemat, opis, pomiary
- uniwersalny moduł DDS-a na AD9951
- schemat wzmacniacza PA 20W

W załącznikach zebrana dokumentacja modułów które powstały w ramach projektu HASAR.


Załączone pliki Miniatury
İmage İmage

.bmp  HUSAR p.cz.BMP (Rozmiar: 201.04 KB / Pobrań: 4493)
.lay  HUSAR p.cz..LAY (Rozmiar: 215.98 KB / Pobrań: 2111)
.bmp  HUSAR homodyna schemat.BMP (Rozmiar: 201.04 KB / Pobrań: 5105)
.lay  HUSAR homodyna.LAY (Rozmiar: 271.37 KB / Pobrań: 2028)
.bmp  HUSAR mixer.BMP (Rozmiar: 201.04 KB / Pobrań: 3507)
.lay  HUSAR m.cz.LAY (Rozmiar: 73.61 KB / Pobrań: 2116)
.lay  HUSAR PA 15W.LAY (Rozmiar: 114.79 KB / Pobrań: 2122)
12-02-2011 22:04
Znajdź wszystkie posty użytkownika Odpowiedz cytując ten post
SP4HKQ Offline
Zdzisław SK!
****

Liczba postów: 490
Dołączył: 19-08-2009
Post: #2
RE: Transceiver HMG 2010 "HUSAR"
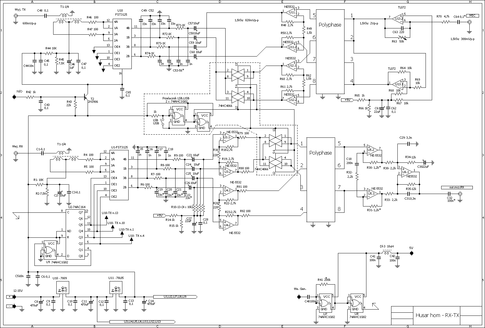
Prezentację konstrukcji zaczynamy od modułu homodyny. Homodyna składa się z dwóch niezależnych torów odbiorczego i nadawczego. Oba tory zostały umieszczone na jednej płytce wraz z mieszaczami i przesuwnikiem generatora. Płytka została zaprojektowana w technologii mieszanej z przewagą montażu SMD. Moduł homodyny po uzupełnieniu o wzmacniacz mikrofonowy, wzmacniacz m.cz., filtry pasmowe, PA oraz LPF pozwala na wykonanie pełnego transceivera. Dokumentację zaprezentujemy w kolejnych postach. Na zdjęciach zmontowana i uruchomiona płytka homodyny.


Załączone pliki Miniatury
İmage İmage
12-02-2011 22:19
Znajdź wszystkie posty użytkownika Odpowiedz cytując ten post
SP4HKQ Offline
Zdzisław SK!
****

Liczba postów: 490
Dołączył: 19-08-2009
Post: #3
RE: Transceiver HMG 2010 "HUSAR"
Transceiver HMG 2010 "HUSAR" z założenia ma być konstrukcją modułową. Uzgodniliśmy w grupie wymiary płytki modułu: szerokość 75 mm, długość 155 mm. Ktoś zapyta dlaczego takie. O szerokości zadecydował wymiar wysokości fabrycznej obudowy 80 mm, więc płytka zamknięta w ekran z laminatu w niej się zmieści w pionie. Długość wyszła sama podczas projektowania podstawowych modułów. Prezentowałem już swoje poglądy na temat techniki 50 Om i budowy urządzeń modułowych, więc nie będę się powtarzał. Łatwiej opracować jeden moduł niż całe radio. Tą drogą przez forum chcemy zaprosić wszystkich kolegów konstruktorów do współpracy. My nie zjedliśmy wszystkich rozumów i nie posiadamy wiedzy akademickiej, ale chcemy coś zrobić sobie, coś własnego. Andrzej SP2GOW proponuje zrobić Catalinę. A może energię przeznaczyć na zrobienie nowej dopracowanej konstrukcji, w której każdy znajdzie coś dla siebie. Bo więcej jest frajdy z uruchamiania nowych konstrukcji, niż powielania starych.

Założenia techniczne.
Jak napisano we wstępie ma być to połączenie superheterodyny z homodyną. Jednak płytki podstawowe zostały tak zaprojektowane, że każdy moduł może zostać wykorzystany jako samodzielny. Wiec dla zwolenników klasycznej superheterodyny będzie stanowić bazę do jej zrobienia. Wykonane moduły to nie są wersje ostateczne, ale od czegoś trzeba było zacząć. Jeśli komuś nasz projekt konkretnego modułu nie będzie się podobał zapraszamy do współpracy i prosimy o przedstawienie własnego rozwiązania. Nie będzie to projekt zamknięty, tylko cały czas modyfikowany zgodnie z trendami w konstrukcjach, możliwościami technicznymi i niestety też finansowymi. Płytki PCB zostały zaprojektowane w SprintLayout 5.0.
(Ten post był ostatnio modyfikowany: 13-02-2011 9:27 przez SP4HKQ.)
13-02-2011 9:04
Znajdź wszystkie posty użytkownika Odpowiedz cytując ten post
SP5FCS Offline
Adam
*****

Liczba postów: 1,073
Dołączył: 02-02-2009
Post: #4
RE: Transceiver HMG 2010 "HUSAR"
Docelowo projekt "HUSAR" zakłada opracowanie kilkunastu uniwersalnych modułów (filtry pasmowe, pierwszy mieszacz, pośrednia, filtry kwarcowe, homodyna, tor akustyczny, stopień mocy, LPF-y, synteza, sterowanie zasobami radia) z których będziemy mogli dość elastycznie zestawiać różne konfiguracje urządzenia według naszych potrzeb oraz umiejętności. Jednym z celów projektu jest zapewnienie budującym "HUSARA" możliwości ciągłej rozbudowy urządzenia w miarę zdobywania nowych doświadczeń oraz rosnących potrzeb.

Wyzwanie jest ogromne a pracy bardzo dużo, dlatego zachęcamy do aktywnego udziału w realizacji projektu. Każdy pomysł oraz wsparcie będzie bardzo pomocne, każdy z Kolegów może dołożyć własną "cegiełkę" do wspólnego urządzenia. Im zespół pracujący na urządzeniem będzie silniejszy tym szybciej powstanie całe radio oraz będzie bardziej dopasowane do oczekiwań szerokiego grona wykonawców.
Prosimy o rzeczową dyskusję popartą własnymi propozycjami i przemyśleniami na podstawie budowy innych urządzeń. Osobiście uważam, że modyfikowanie znanych konstrukcji narzuca zbyt dużo ograniczeń, wybierajmy najciekawsze rozwiązania i budujmy wspólnie nowe urządzenie od podstaw.

Pierwszym etapem realizacji radia jest "HUSAR-homodyna". Proponuję na tym temacie skoncentrować naszą dyskusję (mieszacze, przesuwniki, tor akustyczny, detektor ARW na m.cz., automatyka, kompresor mikrofonowy). Na bazie tego modułu możemy dość szybko uruchomić własną homodynę i przyłączyć się aktywnie do projektu "HUSAR".


Załączone pliki Miniatury
İmage İmage

73 Adam
13-02-2011 10:35
Znajdź wszystkie posty użytkownika Odpowiedz cytując ten post
HM_DIPOL Offline
Heniek
***

Liczba postów: 172
Dołączył: 27-04-2010
Post: #5
RE: Transceiver HMG 2010 "HUSAR"
Koledzy gratuluję pomysłu oraz pierwszych efektów pracy. Idea urządzenia jest bardzo ciekawa i daje duże możliwości eksperymentowania. Moim zdaniem grupa jest silna co daje gwarancje że nie skończy się tylko na dyskusji i za kilka miesięcy zobaczymy kompletne radio gotowe do łączności.

Moduł w wersji SMD znajdzie wielu zwolenników ale i przeciwników. Pewnym problemem będą dobre kondensatory SMD, oraz trudniejsze uruchamianie modułu. Konstrukcja nie jest zbytnio "upakowana", ścieżki solidne dlatego nie powinno być większych problemów z montażem.

Czy ta homodyna już coś odbiera ?

Jeśli uda się zrealizować ten projekt będziemy mogli powiedzieć:
"Polacy nie gęsi i swój ... nowy transceiver mają"
13-02-2011 13:28
Znajdź wszystkie posty użytkownika Odpowiedz cytując ten post
SP4HKQ Offline
Zdzisław SK!
****

Liczba postów: 490
Dołączył: 19-08-2009
Post: #6
RE: Transceiver HMG 2010 "HUSAR"
Henryk. Pierwszym krokiem po zmontowaniu było podłączenie do anteny. Stwierdzam tor odbiorczy homodyny działa. Ponieważ homodyna ma współpracować z pośrednią superheterodyny o poziomie wyjściowym sygnału ok -40 dBm co odpowiada w skali S 9+30dB, więc obniżyłem czułość wzmacniaczy homodyny. Pomimo tego stacje były słyszane czysto. Próby nadajnika, kontrolę zrównoważenia przesuwników robił Józef SP9HVW. Myślę, że sam na ten temat napisze.

Przygotowałem schemat blokowy projektowanego urządzenia. Jest to wersja robocza. Ale myślę, że pozwoli kolegom zorientować się w jego budowie.


Załączone pliki
.pdf  SchematBlokowy.pdf (Rozmiar: 161.96 KB / Pobrań: 6602)
(Ten post był ostatnio modyfikowany: 13-02-2011 15:39 przez SP4HKQ.)
13-02-2011 14:35
Znajdź wszystkie posty użytkownika Odpowiedz cytując ten post
SP1NV Offline
Mietek
**

Liczba postów: 91
Dołączył: 26-07-2009
Post: #7
RE: Transceiver HMG 2010 "HUSAR"
Projekt ciekawy moim zdaniem spełnia moje kryterium jako następcy radia wg.SP5WW. Sam próbowałem podobnego pomysłu kiedyś z moim SP5WW i odbiornikiem homodynowym jednak wtedy zabrakło zaparcia i może tego forum. Do dokończenia projektu będę wam koledzy szczerze kibicował no i mam nadzieje w tym miesiącu wrócić na pasma jako Ham.
13-02-2011 17:18
Znajdź wszystkie posty użytkownika Odpowiedz cytując ten post
SP2QCA Offline
Artur
****

Liczba postów: 341
Dołączył: 22-06-2009
Post: #8
RE: Transceiver HMG 2010 "HUSAR"
Koledzy,

Proszę nie traktować tego postu jako "czepialstwo" - DALEKI jestem od tego.
Gratuluję pomysłu i doceniam wkład.

Chciałem jedynie zwrócić uwagę że sprawdziłem i w słowniku języka polskiego
nie ma słowa "husar". W Wikipedii też nie.
Ale w obu tych źródłach jest:

huzar
husarz

więc może skoro to początek projektu to wystarczy tylko pozmieniac temat i kilka postów ...

73! Artur sp2qca
13-02-2011 18:57
Znajdź wszystkie posty użytkownika Odpowiedz cytując ten post
SP4HKQ Offline
Zdzisław SK!
****

Liczba postów: 490
Dołączył: 19-08-2009
Post: #9
RE: Transceiver HMG 2010 "HUSAR"
Artur myślę, że się jednak czepiasz. Po pierwsze nazwa HUSAR funkcjonuje w naszym języku. Sprawdź w Googlach. Sporo firm i urządzeń nosi tę nazwę. Po drugie nam ta nazwa się podobała i nic nie będziemy zmieniać.

Słownik języka polskiego
husar znaczenie żołnierz służący w husarii http://www.sjp.pl/co/husar

Słownik wyrazów obcych PWN 1980 str. 289
husar - nazwa dawna słowo pochodzenia węgierskiego oznaczające - żołnierz pancerny
(Ten post był ostatnio modyfikowany: 13-02-2011 20:57 przez SP4HKQ.)
13-02-2011 19:57
Znajdź wszystkie posty użytkownika Odpowiedz cytując ten post
SP5FCI Offline
Piotr
**

Liczba postów: 69
Dołączył: 20-06-2009
Post: #10
RE: Transceiver HMG 2010 "HUSAR"
(13-02-2011 19:57)SP4HKQ napisał(a):  Artur myślę, że się jednak czepiasz. Po pierwsze nazwa HUSAR funkcjonuje w naszym języku. Sprawdź w Googlach. Sporo firm i urządzeń nosi tę nazwę. Po drugie nam ta nazwa się podobała i nic nie będziemy zmieniać.

Słownik języka polskiego
husar znaczenie żołnierz służący w husarii http://www.sjp.pl/co/husar


Na samym dole tej strony co podałeś jest napisane trochę co innego Smile

Słownik PWN husar-wyraz nie występuje
husarz- żołnierz służący w husarii
huzar-żołnierz lekkiej jazdy ubrany i uzbrojony na sposób węgierski

Co prawda drukowany słownik PWN mam w wydaniu 1983, ale w internetowym PWN jest dokładnie tak samo

Ale też nie jest nigdzie napisane , że musi Smile, Autor decyduje co jak ma się nazywać, być może za kilka lat będzie w Wiki hasło-

Husar-zaawansowany TRX i zostaną podanej jego zdjęcia i parametry, oraz oczywiście konstruktorzy Smile



Pozdrawiam Piotr SP5FCI

Gratuluję koncepcji, z niecierpliwością czekam na resztę
13-02-2011 20:13
Znajdź wszystkie posty użytkownika Odpowiedz cytując ten post
Odpowiedz 


Skocz do:


Użytkownicy przeglądający ten wątek: 4 gości