Odpowiedz 
 
Ocena wątku:
  • 0 Głosów - 0 Średnio
  • 1
  • 2
  • 3
  • 4
  • 5
Miliwoltomierz 0-1V w.cz.
JACEK11111 Offline
Początkujący
**

Liczba postów: 50
Dołączył: 29-09-2016
Post: #1
Miliwoltomierz 0-1V w.cz.
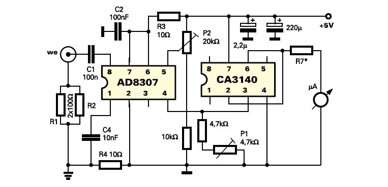
Witam wszystkich. Potrzebuje zbudować czuły miliwoltomierz w.cz od 0 do około 1 V.
W necie jest świetny układ na AD 8307, ale jest to układ logarytmiczny, super do strojenia odwodów LC. Potrzebuje układ do mierzenia napięć w.cz w woltach.
Zastanawiałem się nad układem AD 8361, mam pytanie co o tym sądzicie, ażeby go wstawić w miejsce AD8307, oczywiście inny układ wyprowadzeń, czy ktoś robił coś podobnego? Pozdrawiam.
İmage
19-03-2018 19:04
Znajdź wszystkie posty użytkownika Odpowiedz cytując ten post
Odpowiedz 


Skocz do:


Użytkownicy przeglądający ten wątek: