W chwili, gdy wysłałeś ten post na forum, miałem już wyniki symulacji i wnioski z nich płynące, więc wychodzi na to, że dyskusja nabiera tempa
Znów dziękuję bardzo za zainteresowanie tematem i najpierw przedstawię wyniki symulacji i wnioski, a na koniec odniosę się do Twojego tekstu.
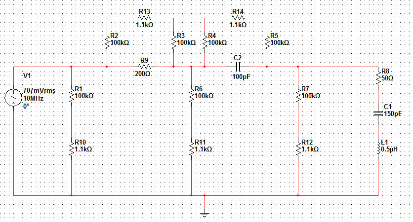
Otóż przeprowadziłem symulację sieci pomiarowej z pomiarem napięć bezpośrednio przez wirtualne oscyloskopy. Coś jak tutaj:
Najbardziej skrajne przypadki pomiarowe (najmniejsze napięcia) występują przy największych częstotliwościach. Przyjąłem 70MHz jako max, bo tyle jeszcze może podać DDS na AD9851 z filtrem.
Do tego oczywiście najbardziej skrajne przypadki występują przy pomiarze Vz (czyli bezpośrednio na zaciskach mierzonej impedancji), czego oczywiście można było się spodziewać i bez symulacji

W zależności od tego, czy mierzona impedancja jest bliska 0 (w symulacji dałem tam kondensator 100nF i F=70MHz), czy też duża (w symulacji dałem tam rezystor 2k) rozpiętość mierzonych napięć była od ~74uVrms do 640mVrms. To daje potrzebną dynamikę pomiaru na poziomie ~79dB.
Drugi skrajny przypadek, to pomiar Vx (czyli różnicowy na zaciskach reaktancji referencyjnej), lecz tam nie schodziłem poniżej 6.8mVrms, więc i potrzebna dynamika nie była większa niż 40dB.
Wniosek pierwszy więc nasuwa się sam: ze względu na potrzebną dynamikę pomiaru Vz kostka AD8307 idealnie by się do tego nadawała, ale pod warunkiem, że sygnał będzie podawany na wejście bez żadnego tłumienia - tylko wtedy powinniśmy (według zapewnień producenta tej kostki) uzyskać wiarygodny pomiar napięcia na poziomie 74uVrms (ok. -70dBm), a nawet z jakimś zapasem.
Drugi wniosek, wynikający trochę z pierwszego jest taki, że w takim razie, AD8307 podłączamy bezpośrednio do punktów pomiarowych, a ich impedancję wejściową uwzględniamy przy obliczeniach z pomiarów. Jednocześnie milcząco zakładamy, że impedancja wejściowa AD8307 w zakresie od 2-70MHz nie zmieni się na tyle istotnie, aby pomiary traciły sens, albo aby ta zmiana nie mogła być zniwelowana w procesie kalibracji numerycznej (open-short-load w pełnym zakresie).
(15-09-2016 12:01)SP6FRE napisał(a): [...] mam wątpliwości co do połączenia galwanicznego (wprawdzie przez rezystory) wejść poszczególnych układów jak to pokazałeś na swoim schemacie. [...] Jeśli zamienisz 100k na mniejsze sytuacja będzie się z tego punktu widzenia pogarszać. Po co komplikować układ przez jakieś niekontrolowane prądy błądzące DC?
Bardzo słusznie

Skoro więc rezygnuję z tłumienia na wejściach AD8307 powędrują tam kondensatory 100nF.
(15-09-2016 12:01)SP6FRE napisał(a): Jak znajdę chwilę to spróbuję policzyć jak wydłubać ze wskazań napięcia wyjściowego i mocy odniesienia P0 wartość napięcia różnicowego dla AD8307 [...]
Już to wcześniej zrobiłem tyle, że podaję wynik w dBm

P = 16 - (2.5 - Vout)/0.025
P - to różnicowy pomiar dBm na wejściu kostki
16 - bo tyle (+16dBm) pokazuje kostka dla Vout = 2.5V
2.5 - bo to jest napięcie referencyjne na wyjściu kostki dla górnego progu
0.025 - bo takie jest nachylenie charakterystyki kostki (25mV/dB)
Dalej oczywiście z dBm możemy sobie policzyć napięcie różnicowe na zaciskach kostki.
(15-09-2016 12:01)SP6FRE napisał(a): i jak to wpływa na błąd pomiaru. Ponieważ będziemy mieć do do czynienia nie z funkcją logarytmiczną, która spłaszcza różnice a z jej odwrotnością (funkcją potęgową), która wzmacnia różnice to może się okazać, że szacowana teoretycznie dokładność pomiaru polegnie na tej transformacji.
O! I tutaj bardzo chętnie zobaczyłbym wyniki Twoich rozważań
(15-09-2016 12:01)SP6FRE napisał(a): Z tego punktu widzenia jest prawdopodobne, że każdy z układów będzie musiał mieć własną kalibrację aby moc odniesienia dla każdego z nich była jednakowa.
No i tutaj zastanawiałem się, czy czasami kalibracja numeryczna (open-short-load) nie będzie wystarczająca... w końcu ewentualna odchyłka w poziomie mocy referencyjnej będzie stała dla danej kostki, a więc dla danego punktu pomiarowego...
(15-09-2016 12:01)SP6FRE napisał(a): Przy okazji pomiar wektorowy impedancji możliwy jest również za pomocą pomiaru 3 napięć. Moja analiza (z resztą oparta na wcześniejszych pracach innych kolegów) znajduje się w tym wątku:
http://www.sp-hm.pl/thread-1606.html
Zgadza się. I wygląda to nawet jak swego rodzaju uproszczenie metody 5-pomiarowej opisanej w dokumencie, który załączyłem na początku.
Jednak metoda 5-pomiarowa daje nam jasno określony znak reaktancji, czego nie zapewnia metoda 3-pomiarowa, skoro mamy tam pierwiastek z kwadratów. Nie wiem też, jak wypadłaby analiza błędów przy metodzie 3-pomiarowej...
(15-09-2016 12:01)SP6FRE napisał(a): W tym układzie pomiary sa dość dobre jeśli różnica w impedancji nie jest duża ale dla większych różnic zawodzi właśnie pomiar małych napięć. Nierównomierności charakterystyk diod detektorów, wahania temperatury i inne efekty stają się porównywalne z mierzonymi napięciami co czyni wyniki mniej wiarygodnymi
Tak. Nawet autor tego dokumentu, który podsyłałem, proponuje detektory diodowe. Ze względu jednak na te wątpliwości, o których piszesz, powstał mój pomysł wykorzystania AD8307 do tego celu

bo reszta to tylko same obliczenia, które w dobie szybkich komputerów nie powinny być niczym szczególnym.
Pierwsza wersja oprogramowania do U-VNA już powstała w pamięci mojego kalkulatora programowalnego

Pyta mnie o pięć napięć, rezystancję referenyjną i reaktancję referencyjną, a w wyniku podaje mi rzeczywistą i urojoną część impedancji (wraz z prawidłowym znakiem reaktancji!)
Pozdrawiam,
Rafał SP3GO
Do listy zalet U-VNA (na razie teoretycznych, póki oczywiście nie powstał działający prototyp

chciałbym jeszcze dodać dwie bardzo istotne:
1. całkowita niezależność dokładności pomiarów od wahań amplitudy sygnału generatora w funkcji częstotliwości.
W obliczeniach bierze udział Vs, czyli napięcie na zaciskach generatora, a cały pomiar jest robiony jednorazowo dla danej częstotliwości, więc napięcie Vs dla danej częstotliwości może być dowolne, a dla następnej (w przemiataniu) znów inne
2. Czystość sygnału generatora nie jest już tak krytyczna!

AD8307 mierzy bowiem napięcie RMS.
Symulacja wykazała, że podając nawet sygnał prostokątny (o dowolnej amplitudzie) wynik pomiaru części rzeczywistej badanej impedancji jest równie dokładny!
Oczywiście ze względu na reaktancję referencyjną (dla której nie jesteśmy w stanie podać jednoznacznej wartości w przypadku wielu harmonicznych o znaczących mocach), pomiar części urojonej impedancji badanej przy podaniu sygnału prostokątnego pokazuje już bzdury ;-)
Czyżby U-VNA uwolnił nas wreszcie od ciasnych wymogów na stałość amplitudy, czystość sygnału i 50-omową impedancję wyjściową generatorów w naszych analizatorach?
Pozdrawiam,
Rafał SP3GO