Odpowiedz 
 
Ocena wątku:
  • 23 Głosów - 4.26 Średnio
  • 1
  • 2
  • 3
  • 4
  • 5
HUSAREK DSP
SP5BMP Offline
Janusz
****

Liczba postów: 606
Dołączył: 02-11-2010
Post: #1
HUSAREK DSP
Dobiegają końca prace związane z budową i oprogramowaniem HUSARKA DSP.
Zostanie on przedstawiony kolegom w Burzeninie. Tak jak poprzedni Husarek , jest to TRX z bezpośrednią przemianą.
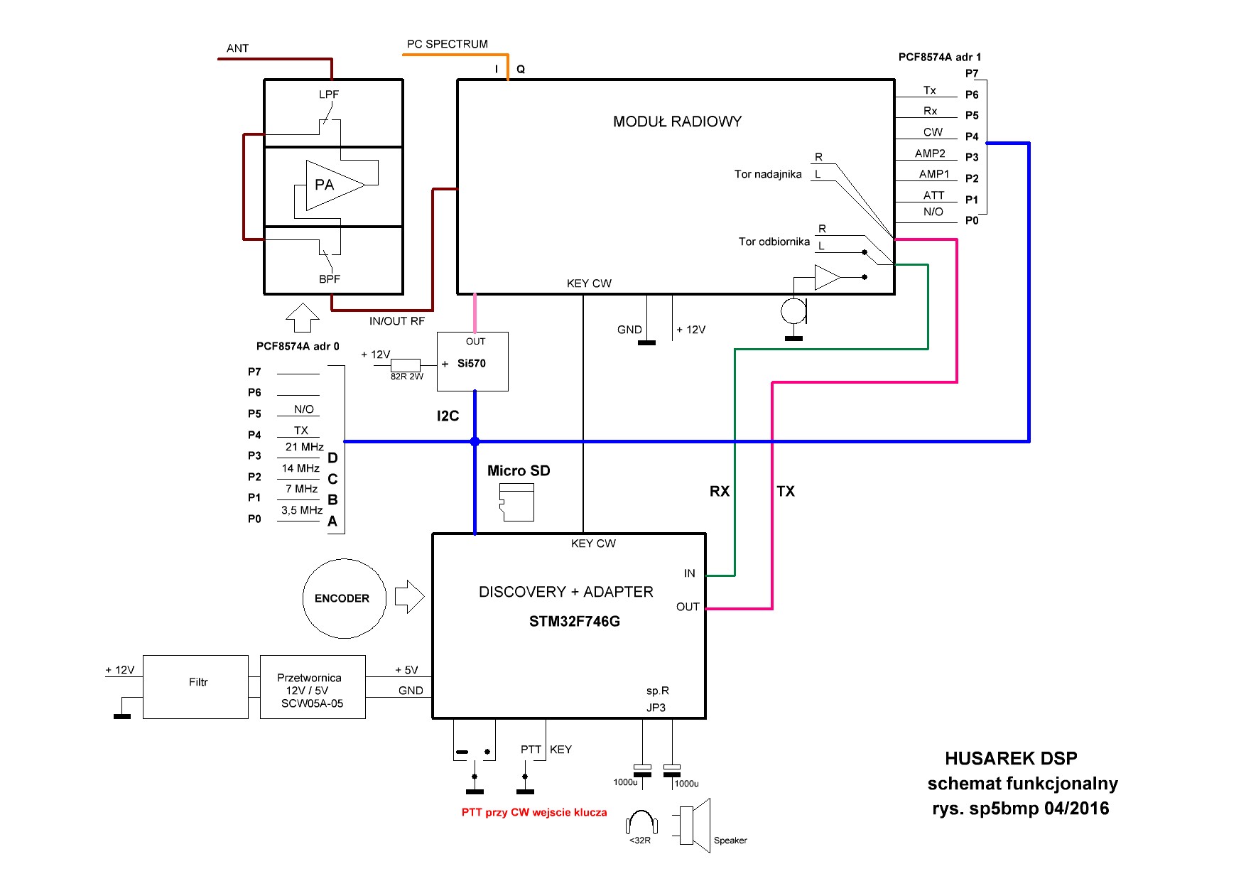
Do budowy urządzenia wykorzystany został gotowy moduł Discovery STM32F746G. Moduł ten posiada 4,3” dotykowy wyświetlacz i doskonałej jakości 24 bitowy kodek wraz ze wzmacniaczem mocy mcz. Steruje on urządzeniem poprzez magistralę I2C, oraz dokonuje filtrowania DSP. Można załączyć następujące filtry: 2,5 kHz, 2,2 kHz, 1,9 kHz, 1 kHz, 500 Hz, 200 Hz i 100 Hz, oraz trzy stałe czasu ARW dla każdej emisji. Po stronie nadawczej można wybrać stopień kompresji z zakresu: 1, 2, 4 lub 8. Wbudowany jest też klucz telegraficzny, jak i istnieje możliwość podłączenia klucza ręcznego. Cechą charakterystyczną urządzenia jest to , ze posiada ono tylko jedną gałkę , która steruje enkoderem. Pozostałe ustawienia można zmieniać za pomocą wyświetlacza. Urządzenie w podstawowej wersji jest 4 pasmowe: 80m, 40m, 20m, 15m. Można je rozbudować o pozostałe zakresy. Wybór następuje w ustawieniach 1 z 4 lub w kodzie BCD dla sterowanie BPF i LPF. Autorem oprogramowania jest mój kolega Tomasz Korniluk , który włożył masę pracy i zgodził się je udostępnić bezinteresownie braci krótkofalarskiej dla celów amatorskich za co bardzo dziękuję. Dokumentacja urządzenia jak i program udostępnię tu na Forum.
73, Janusz.


Załączone pliki Miniatury
İmage İmage
(Ten post był ostatnio modyfikowany: 13-10-2016 17:30 przez SP5BMP.)
30-08-2016 21:45
Znajdź wszystkie posty użytkownika Odpowiedz cytując ten post
SP9FKP Offline
Piotr
*****

Liczba postów: 1,287
Dołączył: 28-06-2009
Post: #2
RE: HUSAREK DSP
Gratulacje! Czy dasz radę wyprowadzić sygnały I/Q na złącze minijack? Można by było zrobić porównania do innych DSP.
31-08-2016 14:19
Znajdź wszystkie posty użytkownika Odpowiedz cytując ten post
SP5BMP Offline
Janusz
****

Liczba postów: 606
Dołączył: 02-11-2010
Post: #3
RE: HUSAREK DSP
Tak Piotrze. Sygnał I/Q jest wyprowadzony na zewnątrz. W zamyśle moim było, aby oglądać na PC spektrum.
31-08-2016 16:45
Znajdź wszystkie posty użytkownika Odpowiedz cytując ten post
SP5FCS Offline
Adam
*****

Liczba postów: 1,073
Dołączył: 02-02-2009
Post: #4
RE: HUSAREK DSP
Gratuluję Kolegom Januszowi i Tomkowi konsekwencji w realizacji tego projektu. Husarek DSP to kolejny ważny krok w rozwoju naszych krajowych konstrukcji. Szczególnie cieszy to, że powstało DSP z dobrymi filtrami i automatyką. Napisanie takiego oprogramowania wymagało dużej wiedzy i jeszcze więcej czasu. Mam nadzieję, że Hurarek DSP będzie przynajmniej tak popularny jak jego starszy "imiennik".

Istotnym elementy odróżniającym to opracowanie od innych SDR-ów jest wykorzystanie gotowego modułu Dicovery_F746 (TFT 4,3"+STM32F746+kodek). To duże ułatwienie dla wielu kolegów bez doświadczenia w lutowaniu i uruchamianiu rozbudowanych sterowników na procesorach. Wystarczy kupić moduł, wgrać poprzez USB oprogramowanie (wbudowany STlink na module) i sterownik mamy gotowy.

Czekamy na więcej szczegółów w postaci schematów, druków i opisów.

73 Adam
01-09-2016 12:38
Znajdź wszystkie posty użytkownika Odpowiedz cytując ten post
SP2JQR Offline
Henryk
*****

Liczba postów: 1,528
Dołączył: 23-08-2009
Post: #5
RE: HUSAREK DSP
Tak trzymać. Czekamy na płytki.
01-09-2016 13:36
Znajdź wszystkie posty użytkownika Odpowiedz cytując ten post
SP3IQ Offline
Bogdan
****

Liczba postów: 281
Dołączył: 23-10-2011
Post: #6
RE: HUSAREK DSP
Ja też się bardzo cieszę. Publikacja źródeł programów często powoduje fajny efekt, że poprzez różne modyfikacje projekt żyje długo. Będę próbował się pobawić modyfikacjami.
01-09-2016 15:42
Znajdź wszystkie posty użytkownika Odpowiedz cytując ten post
K2KP Offline
Arek
***

Liczba postów: 114
Dołączył: 06-07-2009
Post: #7
RE: HUSAREK DSP
Witam.
Moje gratulacje rowniez dla kolegow . Jako ze posiadam Husarka ( musze powiedziec ze to jeden z moich ulubionych TRX-ow) az jestem ciekawy tej nowej konstrukcji. Czy beda opublikowane materialy? Jakis schemat ,program itd.

Pozdrawiam
Arek
AC2FC
01-09-2016 19:59
Znajdź wszystkie posty użytkownika Odpowiedz cytując ten post
SP9HVW Offline
Józef
***

Liczba postów: 158
Dołączył: 14-06-2010
Post: #8
RE: HUSAREK DSP
Janusz gratuluje ukończenia DSP - Husarek. Po ukończeniu Picastara , Husarka - (Husar czeka ukończenia ) a może jako podstawowy lub drugi trx w Husarze z 2-ma wyświetlaczami 1 z sterownikiem od Adama SP5FCS + moduł Discovery DSP -Husarka, coś takiego bym widział ( pomarzyć można ) ale na pewno od strony programowej jest to duże wyzwanie . 73 Józef
02-09-2016 0:30
Znajdź wszystkie posty użytkownika Odpowiedz cytując ten post
SP5BMP Offline
Janusz
****

Liczba postów: 606
Dołączył: 02-11-2010
Post: #9
RE: HUSAREK DSP
Dane techniczne:
Transceiver homodynowy w podstawowej wersji 4 pasmowy 80, 40, 20 i 15 metrów.
Zbudowany w oparciu o moduł Discovery STM32F746G z 4,3 calowym graficznym wyświetlaczem dotykowym.
Emisje : CW i SSB
Tłumienie nośnej 50 dB
Tłumienie 2 wstęgi 60 dB
Moc nadajnika 14W dla napięcia 13,8V, zbudowany stopień końcowy na 2x RD16HHF1
Czułość 0.1 uV
Filtry: 100, 200, 500 Hz, 1kHz, 1,9kHz, 2,2kHz i 2,5kHz.
Załączany wzmacniacz wejściowy 10 dB.
Załączany tłumik wejściowy 20dB.
Załączany dodatkowy wzmacniacz w torze odbiornika 12dB.
Funkcja niezależnego strojenia odbiornika jak i nadajnika.
Notch ręczny jak i automatyczny.
Wbudowany klucz elektroniczny oraz kompresor.
VFO na układzie Si570.
Krok enkodera x1, 3, 5 jak i bezpośrednia szybka zmiana x10, 100, 1000 i więcej.
3 stale czasowe ARW
Dane ustawień zapisywane na karcie SD.
Prąd pobierany: odbiór 0,44A nadawanie 3,2A

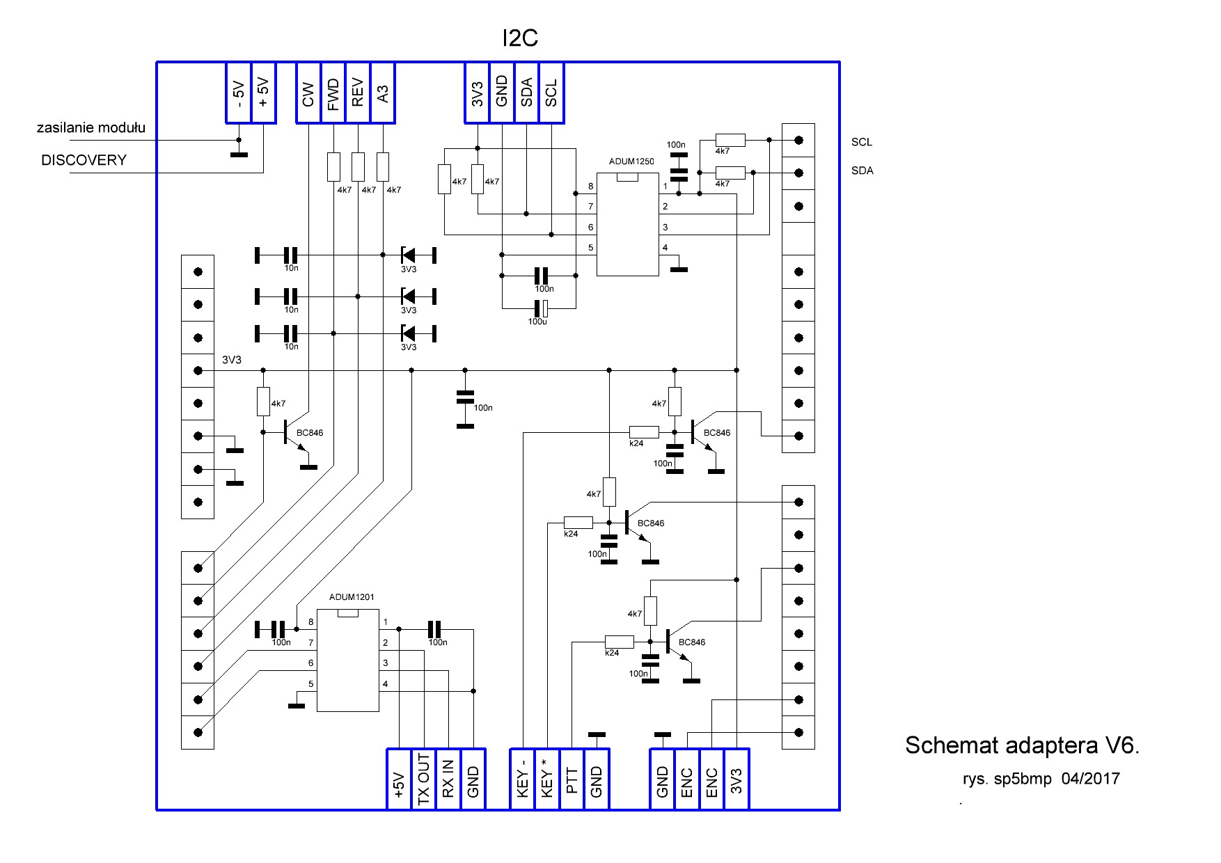
Zamieszczam schematy i projekty płytek drukowanych., które są w wersji do „prasowania”. Autorem projektu płytek modułu radiowego, LPF i BPF jest kolega Maciek sp5cgi za co bardzo dziękuję. Brak jest schematu wzmacniacza mocy. Do jego budowy wykorzystałem płytkę drukowaną z poprzedniej wersji Husarka. Załączam program w wersji binarnej, który można wgrać do modułu Discovery za pomocą ST-linka. 73, Janusz.


Załączone pliki Miniatury
İmage İmage İmage İmage İmage İmage İmage

.lay6  moduł radiowy 12,7-6,141PM.lay6.lay6 (Rozmiar: 530.76 KB / Pobrań: 4787)
.lay6  plytka BPF 51.lay6 (Rozmiar: 165.22 KB / Pobrań: 2785)
.lay6  plytka LPF1-24.lay6 (Rozmiar: 136.17 KB / Pobrań: 3029)
.lay6  Płytka adaptera_V6.lay6 (Rozmiar: 125.58 KB / Pobrań: 2583)
.lay6  Plytka przetwornicy.lay6 (Rozmiar: 25.91 KB / Pobrań: 3043)
.rar  husarekDSP_12042017_A.rar (Rozmiar: 128.64 KB / Pobrań: 3481)
(Ten post był ostatnio modyfikowany: 29-04-2018 10:45 przez SP5BMP.)
07-09-2016 9:38
Znajdź wszystkie posty użytkownika Odpowiedz cytując ten post
SP6IFN Offline
Ryszard
****

Liczba postów: 463
Dołączył: 23-03-2010
Post: #10
RE: HUSAREK DSP
Janusz! Ja również GRATULUJĘ zakończenia prac nowej, udanej i mocno zaawansowanej konstrukcji. Za chwilę wyjeżdżam do Burzenina, więc z wielką satysfakcją dołączę do grona gapiów, mając nadzieję na wiele fotek Twego TRx_a.
Fotki sam sobie zrobię.
Rysio!
09-09-2016 7:49
Odwiedź stronę użytkownika Znajdź wszystkie posty użytkownika Odpowiedz cytując ten post
Odpowiedz 


Skocz do:


Użytkownicy przeglądający ten wątek: 10 gości