Odpowiedz 
 
Ocena wątku:
  • 1 Głosów - 5 Średnio
  • 1
  • 2
  • 3
  • 4
  • 5
TRX "FUKUŚ"
SP2JQR Offline
Henryk
*****

Liczba postów: 1,528
Dołączył: 23-08-2009
Post: #41
RE: TRX "FUKUŚ"
Jeśli się odpowiednio zaprojektuje ścieżkę masy to przenikanie generatora można wyraźnie zmniejszyć nawet bez ekranowania.
20-10-2016 8:27
Znajdź wszystkie posty użytkownika Odpowiedz cytując ten post
SP2FP Offline
PAWEŁ
***

Liczba postów: 184
Dołączył: 01-11-2009
Post: #42
RE: TRX "FUKUŚ"
Jedli mamy na pokładzie wzmacniacze pośredniej to właśnie one wzmacniają GFN, sam detektor owszem nie stwarzał problemów. Wzmocnienie pośredniej miałem max do 90 db więc ona słyszała i wzmacniała GFN który jet potrzebny do demodulacji w tym typie radia.
Była taka kość PKD01 nie wiem czy jest jeszcze dostępna i ile kosztuje , ale do detekcji arw na mcz wydaje się idealna?
http://www.analog.com/media/en/technical.../PKD01.PDF
---
aha cena od 20 $ spoko
(Ten post był ostatnio modyfikowany: 20-10-2016 8:43 przez SP2FP.)
20-10-2016 8:43
Odwiedź stronę użytkownika Znajdź wszystkie posty użytkownika Odpowiedz cytując ten post
SP2JQR Offline
Henryk
*****

Liczba postów: 1,528
Dołączył: 23-08-2009
Post: #43
RE: TRX "FUKUŚ"
A może do detekcji ARW użyć taniego i jeszcze dostępnego TDA1072. Co prawda p.cz. katalogowo pracuje w nim tylko do 1MHz, ale na podobnym układzie zrobiono MiniYesa na 9MHz, któy też katalogowo miał mało.
20-10-2016 16:25
Znajdź wszystkie posty użytkownika Odpowiedz cytując ten post
SQ5KVS Offline
Karol
*****

Liczba postów: 1,013
Dołączył: 26-09-2012
Post: #44
RE: TRX "FUKUŚ"
Niestety od przeprowadzki nie mam czasu na rozwój fukusia. Sporadycznie udaje mi się odkopać lutownicę. Taka tylko myśl mnie naszła przed Burzeninem, że zamiast schodzić na produkt detektorze do audio i męczyć się z AGC, zejść do pośredniej typu 30kHz tam robić agc, a potem demodulować to do audio. Albo wpuścić na DSP. I co otrzymujemy? Elecrafta Smile

Pozdrawiam
20-10-2016 17:20
Znajdź wszystkie posty użytkownika Odpowiedz cytując ten post
SQ5KVS Offline
Karol
*****

Liczba postów: 1,013
Dołączył: 26-09-2012
Post: #45
RE: TRX "FUKUŚ"
Witam.
Fukuś dalej pełznie. Zostało mi tylko płytkę narysować. Ale że ostatnio zmieniłem pracę na taką z mniejszą ilością czasu to i wolniej się rysuje...
Proszę o poradę a-propo wzmacniacza po filtrze kwarcowym.
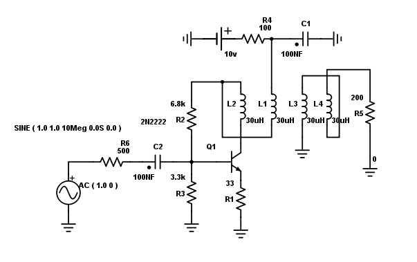
Założenia były takie:
Impedancja wejściowa ~500 omów, wyjściowa ~200.
Wzmocnienie nieco ponad 15dB (w zależności od dopasowania 15-18 dB).
Szumy małe - tranzystor dobry - BF193.
Może nawet wzmacniać sygnały rzędu setek mV bez zniekształceń.

Wszystkie parametry poza szumowymi pomierzyłem i wychodzą podobnie do założonych.

Pierwotne założenie było takie - aby uniknąć zbędnych transformatorów i indukcyjności do nawijania - wyjście z JF'ta po mikserze miało być dopasowane do 500 omowej impedancji filtru. Tak samo wejście do opisywanego wzmacniacza. Co w zasadzie udało się osiągnąć ale wątpliwość mą wzbudziła zasadność takiego postępowania.
- Są inne filtry kwarcowe które mogą mieć inną impedancję we/wy i wtedy i tak trzeba dopasować.
- Nieco trudniej się osiąga stabilność i dobre dopasowanie dla wejściowego 500 omów niż na 50 omów.
- Przy torze na 50 omach, lubiący eksperymentować mogliby wrzucić zamiast tego tranzystora jakiś wzmacniacz monolityczny itp.

W sumie więc, nie jestem pewien co lepsze - zrobić na 50 omów a filtr z obu stron dopasować cewką i kondensatorem czy postawić na prostotę?

İmage
13-02-2017 15:48
Znajdź wszystkie posty użytkownika Odpowiedz cytując ten post
SP2FP Offline
PAWEŁ
***

Liczba postów: 184
Dołączył: 01-11-2009
Post: #46
RE: TRX "FUKUŚ"
Jeśli filtr będzie drabinkowy własnego wykonania to dla ssb najlepsze dopasowanie uzyska się dla 330-360-400 ohm .
Z doświadczenia wiem że filtr dopasowany rezystancyjnie np dla 400 ohm będzie miał nieco inne parametry po dopasowaniu go układem L, lub transformatorem do 50 ohm. Wtedy lepiej od razu wykonać dopasowanie dla 50 ohm na płytce filtra kwarcowego. Przy 500 omach w zasadzie większość filtrów od starszych trxów da się zamontować.
Tak czy tak stawiam na dopasowania jak najbardziej rezystancyjne , wtedy filtr dobrze odwzorowuje swoje parametry.
Jeśli sam wzmacniacz ma mieć 200 ohm wyjścia to może zastosuj rez. 200 ohm w kolektorze zamiast transformatora ?
nie wiem czy wystarczy wtedy wzmocnienia . Może jeszcze lepiej zastosować wzmacniacz z wyjściem rezonansowym LC - jedna cewka , dwie pojemności szeregowe tak dobrane aby uzyskać 200 ohm ? - mniej śmieci będzie z takiego wzmacniacza ?
Zawsze jakiś kompromis Smile
13-02-2017 17:25
Odwiedź stronę użytkownika Znajdź wszystkie posty użytkownika Odpowiedz cytując ten post
SP2JQR Offline
Henryk
*****

Liczba postów: 1,528
Dołączył: 23-08-2009
Post: #47
RE: TRX "FUKUŚ"
Mam dobre doświadczenia z dopasowywaniem filtrów za pomocą rezonanowych ogniw typu L. Nie dają widocznych strat a dopasowana ch-ka ładnie wygląda na analizatorze.
13-02-2017 17:51
Znajdź wszystkie posty użytkownika Odpowiedz cytując ten post
SQ5KVS Offline
Karol
*****

Liczba postów: 1,013
Dołączył: 26-09-2012
Post: #48
RE: TRX "FUKUŚ"
Przedstawiony układ jest wzmacniaczem PO filtrze kwarcowym z wejściem do mieszacza na kluczach. Wzmacniacz - wtórnik źródłowy na fecie będzie przed filtrem (jak gdzieś tam na początku tematu podawałem). Równolegle do transformatora będzie rezystor kilka kilo, żeby najlepiej dopasować impedancję wyjściową wzmacniacza widzianą od strony mieszacza (czyli tak naprawdę wejściową - od strony mieszacza "w tył"). W drenie będzie układ rezonansowy obciążony rezystorem 500 omów i filtrem kwarcowym.
Niestety ciężko jest tak zrobić aby układ - nawet tak prosty jak ten wyżej - miał na wejściu wyłącznie składową rezystancyjną, chyba że dla bardzo małych częstotliwości. Pomimo zastosowania tranzystora do w.cz. (BFR193) na wejściu i tak jest pewne przesunięcie fazy (ok 10 stopni). Mogę to skompensować cewką w szeregu na wejściu, kondensatorem kilkanaście pF na wyjściu albo...?
13-02-2017 17:53
Znajdź wszystkie posty użytkownika Odpowiedz cytując ten post
SQ5KVS Offline
Karol
*****

Liczba postów: 1,013
Dołączył: 26-09-2012
Post: #49
RE: TRX "FUKUŚ"
Przeprowadziłem kilka pomiarów mojego wzmacniacza wraz z prostym filtrem kwarcowym przed (który - wykonałem kiedyś z kwarców 6MHz, lekko przebranych - tzn nie ze 100 ale raptem z 25 sztuk.. Po policzeniu i dobraniu kondensatorów C0G - bez trymerów - jestem naprawdę zadowolony ale to w innym wątku wkrótce) i jestem całkiem zadowolony.
Darował bym sobie całe te zabawy gdyby były tanie i niskoszumne wzmacniacze monolityczne o wzmocnieniu na KF rzędu 15 dB. Albo takich nie znalazłem albo to jakieś "kwiatki" trudno osiągalne. A skoro już mam zaprojektowany wzmacniacz to mogę sobie na nim dobrać impedancję wejścia jak chcę.
Ale jak zwykle mam jakieś ale:
Popatrzmy na schemat wewnętrzny jakiegoś prrostego MMICa , ERA itp. Pytanie - jak jest osiągana impedancja wyjściowa (równa akurat najczęściej 50 omów)? Prądem tranzystora, wartością/rodzajem ujemnego sprzężenia itp?
Załóżmy że mamy np. taki wzmacniacz a po nim mieszacz. Wzmacniacz powinien być dopasowany wyjściem. Czy ta impedancja jest widziana taka sama w "dwie strony" - czyli czy mieszacz obciąża wzmacniacz impedancją powiedzmy 50Omów, ale tak samo - np. dla produktów mieszania - mieszacz widzi wyjście wzmacniacza?
22-02-2017 11:15
Znajdź wszystkie posty użytkownika Odpowiedz cytując ten post
SP2JQR Offline
Henryk
*****

Liczba postów: 1,528
Dołączył: 23-08-2009
Post: #50
RE: TRX "FUKUŚ"
O impedancji pisałem trochę tu;

http://sp-hm.pl/thread-672-post-6329.html#pid6329

Dotyczy to nie tylko wzmacniaczy mocy na mosfecie , ale wszystkich rodzajów wzmacniaczy, również scalonych. Do MMICa też możesz zastosować zewnętrzne sprzęzenie zwrotne.
(Ten post był ostatnio modyfikowany: 22-02-2017 14:14 przez SP2JQR.)
22-02-2017 14:14
Znajdź wszystkie posty użytkownika Odpowiedz cytując ten post
Odpowiedz 


Skocz do:


Użytkownicy przeglądający ten wątek: 2 gości