Odpowiedz 
 
Ocena wątku:
  • 0 Głosów - 0 Średnio
  • 1
  • 2
  • 3
  • 4
  • 5
Mikser na układzie SD8901HD
bolanren Offline
Jerzy SP5RZM
****

Liczba postów: 434
Dołączył: 10-04-2011
Post: #1
Mikser na układzie SD8901HD
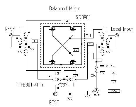
Jako tak zwany new beginner chciałbym zapytać czy któryś z Kolegów popełnił mieszacz oparty na układzie SD8901HD? Czy do tego mieszacza jest sens by zastosować diplekser[/size][/font]? SP5RZM - Jerzy


Załączone pliki Miniatury
İmage
30-07-2014 21:45
Znajdź wszystkie posty użytkownika Odpowiedz cytując ten post
SP4HKQ Offline
Zdzisław SK!
****

Liczba postów: 490
Dołączył: 19-08-2009
Post: #2
RE: Mikser na układzie SD8901HD
Jerzy jest to układ typowego mieszacza podwójnie zrównoważonego gdzie zamiast diod zastosowano tranzystory. Natomiast diplekser służy do dopasowania wyjścia mieszacza do 50 OMm w szerokim zakresie częstotliwości. Poprawia to odporność na modulację skrośną, a wiec zwiększa IP3 mieszacza.
31-07-2014 8:37
Znajdź wszystkie posty użytkownika Odpowiedz cytując ten post
bolanren Offline
Jerzy SP5RZM
****

Liczba postów: 434
Dołączył: 10-04-2011
Post: #3
RE: Mikser na układzie SD8901HD
Dziękuję za odpowiedź. Czy z tego wynika, że by wykorzystać w pełni możliwości tego kwartetu należałoby dodać diplekser? Pytanie moje związane jest z tym, że posiadam pewną ilość układu SD8901HD (wersja z metalową obudową) ale również mam mieszacze kołowe o stosunkowo dobrych na KF parametrach. Drąży mnie niepewność jaki z mieszaczy zastosować..? Na stronie producenta SD8901 znalazłem porównanie charakterystyk między SD8901, U350 i diodowym mieszaczem kołowym. Na moją słabą znajomość elektroniki, z wykresu chyba wynika, że w zasadzie zysk w przypadku mieszacza opartego na SD8901 dotyczyłby przede wszystkim niższego poziomu mocy z LO. Nie wiem czy jest to poprawna analiza? Na wszelki wypadek załączam link do strony producenta SD8901 oraz wspomniany wyżej wykres.

http://www.datasheetlib.com/datasheet/79...#datasheet

73
sp5rzm Jerzy


Załączone pliki Miniatury
İmage
31-07-2014 16:01
Znajdź wszystkie posty użytkownika Odpowiedz cytując ten post
SQ4AVS Offline
Rafał
*****

Liczba postów: 1,421
Dołączył: 29-01-2010
Post: #4
RE: Mikser na układzie SD8901HD
Ogólnie żeby takie parametry utrzymać to musisz mieć dużo moc LO dużo i dopasować i to dobrze. Diplekser może być za mało. U350 ma wzmocnienie a ponadto nie jest tak wrażliwy na dopasowanie.
31-07-2014 16:25
Odwiedź stronę użytkownika Znajdź wszystkie posty użytkownika Odpowiedz cytując ten post
SQ5KVS Offline
Karol
*****

Liczba postów: 1,013
Dołączył: 26-09-2012
Post: #5
RE: Mikser na układzie SD8901HD
Witaj.
Poziom sygnału w tego typu mieszaczach jest zawsze istotny, i nie może być za mały, bo wtedy silne sygnały wejściowe mogą same przełączać klucze (diody, tranzytory) w mieszaczu (tak ogólnie pisząc).
Natomiast diplekser po mieszaczu ma za zadanie utrzymać dopasowanie w szerokim zakresie. Zakładając że nie masz super wąskiego filtru wejściowego przed mieszaczem, na wejściu mieszacza zawsze masz wiele różnych częstotliwości. Patrz np. pasmo 40m - tu, obok pasma amatorskiego masz pasmo radiowe, z nadajnikami o mocach setek kW (np. takie China Radio, chyba 7205 kHz). Albo sąsiad krótkofalowiec 100m dalej.
Nawet jeśli masz właściwy poziom LO, to wszystkie produkty przemiany tego co wchodzi na mikser (baardzo wiele) powinny być tak samo na wyjściu miksera "pochłaniane". Jeśli nie są, (np. jeśli dla danego produktu impedancja filtru po mieszaczu jest wysoka), to "wracają" w postaci podwyższonego napięcia do mieszacza, i mogą przesterować klucze, itp itd. Trochę jak w pralce, hi.
Tak że, jeśli chcesz mieć dobry mieszacz, to musisz mieć właściwy poziom LO I (AND) właściwe dopasowanie na wyjściu (np. diplexer).
Opis miksera i diplexera HUSAR'a

BTW, fajnie widać zależność produktów mieszacza od poziomu LO na odbiorniku SDR. Wtedy możemy widzieć szerokie widmo. Regulując poziom LO, nagle się okazuje że zaczynają wychodzić "duchy" których tak naprawdę wcale nie ma.
(Skrót myślowy - jak obserwujemy produkty mieszania odbiornikiem SDR)
(Ten post był ostatnio modyfikowany: 31-07-2014 20:28 przez SQ5KVS.)
31-07-2014 20:28
Znajdź wszystkie posty użytkownika Odpowiedz cytując ten post
bolanren Offline
Jerzy SP5RZM
****

Liczba postów: 434
Dołączył: 10-04-2011
Post: #6
RE: Mikser na układzie SD8901HD
Witam Kolegów,

Dziękuję za wszystkie odpowiedzi. W jednej z nich pojawiła się informacja o tym, że układ U350 ma wzmocnienie. Z tabeli producenta Calogic porównującej wartości IP3 dla 3 rodzajów mieszaczy najbardziej stroma jest charakterystyka SD8901. W innym materiale znalezionym w necie skonstatowałem, że elektrycznie U350 jest tym samym co SD8901 lecz z nieco gorszymi parametrami. Oczywiście jeżeli prawdą jest to co podaje producent. W pewnym japońskim opracowaniu opublikowanym w Internecie przedstawione są wyniki badań nad różnymi rodzajami mieszaczy. Ten zbudowany na SD8901 przykuł moją uwagę ze względu na swoje wysokie IP3 więc go kupiłem. Opracowanie Japończyka przedstawia również sposoby nawinięcia transformatorów. Moja wzbudnica pracuje z mieszaczem SRA 1H80 . Niestety moje słabe doświadczenie nie pozwala ocenić mi jakości pracy tego elementu, a co bardziej mnie zawstydza, to pewnie nie potrafiłbym nawet pomierzyć jego parametrów..Obecnie projektowana jest dla mnie płytka nowej wzbudnicy i stąd temat ewentualnej zamiany mieszacza diodowego na kwartet jfet`ów . Zastanawiam się jednak czy jest sens zmieniać układ, bo może "skórka nie warta za wyprawkę"?

73
sp5rzm Jerzy


Załączone pliki
.pdf  SD8901HD datasheet.pdf (Rozmiar: 52.85 KB / Pobrań: 1204)
31-07-2014 20:50
Znajdź wszystkie posty użytkownika Odpowiedz cytując ten post
SP2JQR Offline
Henryk
*****

Liczba postów: 1,528
Dołączył: 23-08-2009
Post: #7
RE: Mikser na układzie SD8901HD
Mieszacz taki jak w pierwszym poście nie ma wzmocnienia, tak jak w diodowym występuje w nim tłumienie sygnału.

Można zbudować inny mieszacz w konfiguracji aktywnej z zasilaniem tranzystorów. Będzie miał wtedy wzmocnienie, ale dynamika będzie mniejsza.
01-08-2014 11:23
Znajdź wszystkie posty użytkownika Odpowiedz cytując ten post
bolanren Offline
Jerzy SP5RZM
****

Liczba postów: 434
Dołączył: 10-04-2011
Post: #8
RE: Mikser na układzie SD8901HD
Witam Forumowiczów,

Dziękuję Henryku za wyjaśnienie. Przy okazji jako pospolity dyletant zapytam: dlaczego niekiedy sinusoidalny sygnał doprowadzany z LO do mieszacza, po drodze się zamienia na kształt prostokątny? Wprawdzie z literatury dowiedzieć się można, że to ze względu na IP3 ale istoty zjawiska już nie tłumaczą...

Pozdrawiam
sp5rzm Jerzy
02-08-2014 20:18
Znajdź wszystkie posty użytkownika Odpowiedz cytując ten post
SP2JQR Offline
Henryk
*****

Liczba postów: 1,528
Dołączył: 23-08-2009
Post: #9
RE: Mikser na układzie SD8901HD
Jest to dość skomplikowana sprawa.
Stosuje się w praktyce dwa rodzaje sterowania mieszaczy. Układy scalone z komórką Gilberta oraz klasyczne mieszacze diodowe zasila się sygnałem czysto sinusoidalnym.
Tutaj występują dwa sprzeczne ze sobą kryteria. Amplituda nie może być za mała, bo nie wysteruje elementów kluczujących, nie osiągnie się w ten sposób wystarczającego IP3, ale też nie może być za duża aby widmo wyjściowe nie było zbyt zaśmiecone.
Mierząc IP3 i jednocześnie obserwując widmo na analizatorze widma można praktycznie dobrać właściwą amplitudę heterodyny dla mieszaczy analogowych.

W ostatnich czasach rozpanoszyły się mieszacze z kluczami analogowymi sterowanymi cyfrowo. Ponieważ od strony heterodyny są to układy w czystej postaci cyfrowe, wymagają one sygnałów prostokątnych do sterowania kluczy. Tu nie mamy wyboru i nie możemy polepszyć widma wyjściowego poprzez obniżenie amplitudy. Sygnał musi być podany w takim standardzie cyfrowym jaki reprezentuje sobą klucz analogowy wykorzystany jako mieszacz.

Wszystkie typy mieszaczy zarówno analogowe jak i te z kluczami sterowanymi cyfrowo działają na tej samej zasadzie - są układami mnożącymi. Użycie do mnożenia sygnałów prostokątnych daje możliwość uzyskiwania bardzo dużej odporności mieszaczy na intermodulację, ale jednocześnie pociąga za sobą wytwarzanie bardzo bogatego widma na wyjściu. Niektórzy producenci sprzętu wykorzystują mieszacze na kluczach cyfrowych tylko w odbiornikach, a w nadajnikach stosują klasyczne rozwiązania. Wykorzystując klucze stosują czasem na ich wejściu i wyjściu dodatkowe dławiki, a nawet całe filtry wycinające wyższe harmoniczne sygnału heterodyny, aby nie wydostawały się wstecznie (dla RX) do anteny.
Dobrym rozwiązaniem jest zastosowanie wzmacniacza w.cz. w RX. Oprócz wzmocnienia daje on separację sygnału i zmniejsza przenikanie wsteczne sygnału z mieszacza do anteny. W przypadku homodyn najbardziej zależy nam na obniżeniu cieknącej nośnej, słyszalnej wyraźnie w pobliżu takiego odbiornika, a przy okazji poziom harmonicznych zakłócających łaczność UKF jest też mniejszy.

I jeszcze jedna ciekawostka. W wielu mieszaczach, a w szczególności diodowych, ze względu na nieliniową ch-kę elementów następuje i tak zamiana sygnałów na prostokątny. Widmo wyjściowe zależy od tego jak łagodne są zbocza i jaki mają kształt. Każdą funkcję o dowolnym kształcie można rozłożyć szeregiem Fouriera i przemnożyć - tak robią teoretycy obliczając widma wyjściowe, czyli ilość prążków na wyjściu. Można teoretycznie dobrać kształt funkcji sterującej, aby na wyjściu prążków było najmniej.

A tak bardziej na chłopski rozum to elementy używane do budowy mieszaczy mają nieliniowe ch-ki. W praktyce objawia się to tym, że aby włączyć element potrzebna jest określona wartość sygnału. Przykładowo dioda krzemowa otworzy się ( zacznie przewodzić) przy napięciu 0,7V. I teraz jeśli do mieszacza doprowadzimy amplitudę mniejszą to diody nie będą się otwierać i mieszacz nie będzie pracował. Po lekkim zwiększeniu amplitudy sinusa sterującego będzie on otwierał diody tylko w szczytach przebiegu. Kąt otwarcia diód w mieszaczu będzie mały. Kąt otwarcia jest to czas otwarcia kluczy w odniesieniu do okresu przebiegu sterującego wyrażony w stopniach. To trochę jak odkręcanie kranu z wodą, najpierw trochę po kropelce, a potem coraz większy strumień. Sygnał wejściowy w takiej sytuacji tylko częściowo przedostanie się w przemnożonej postaci do wyjścia mieszacza. Tłumienie będzie bardzo duże.
W tej sytuacji pojawienie się na wejściu mieszacza dużego sygnału może też wyzwolić diody i będziemy mieli intermodulację. Zwiększenie amplitudy sygnału sterującego powoduje, że kąt otwarcia będzie duży, diody w pełni wysterowane. Tłumienie będzie małe. Z powodu przepływu dużego prądu sterującego otwieraniem diód, małe sygnały wejściowe już nie będą mogły tak łatwo zmienić ich punkt pracy, w związku z tym odporność na intermodulację będzie duża.
Przy dużej amplitudzie sygnału heterodyny, kąt otwarcia klucza diodowego jest duży, ale nigdy nie będzie tak duży dla sinusa jak może być duży dla sygnału prostokątnego. Z tąd tłumienie mieszaczy sterowanych prostokątem jest mniejsze. Gdy mieszacz diodowy wysterujemy zbyt dużą mocą diody mogą nie wytrzymać, dlatego istnieją specjalne rozwiązania ze zwiększoną ilością diód.
03-08-2014 9:23
Znajdź wszystkie posty użytkownika Odpowiedz cytując ten post
bolanren Offline
Jerzy SP5RZM
****

Liczba postów: 434
Dołączył: 10-04-2011
Post: #10
RE: Mikser na układzie SD8901HD
Dzień dobry,

Dziękuję Henryku za piękny wykład. Zrozumiałem i jestem Ci za tę porcję szlachetnej wiedzy wdzięczny. Ale zapytam jeszcze o jedno. Czy diplekser po mieszaczu jest w stanie wyciąć część niepożądanych produktów pojawiających się na jego wyjściu wskutek sterowania sygnałem prostokątnym i czy wzmacniacz po diplekserze jest właśnie tym wzmacniaczem, o którym w ostatnim swoim poście wspominałeś (odnoszę się tutaj do konstrukcji "Husarka")?

Pozdrawiam
sp5rzm Jerzy
03-08-2014 10:45
Znajdź wszystkie posty użytkownika Odpowiedz cytując ten post
Odpowiedz 


Skocz do:


Użytkownicy przeglądający ten wątek: