Odpowiedz 
 
Ocena wątku:
  • 0 Głosów - 0 Średnio
  • 1
  • 2
  • 3
  • 4
  • 5
TouchTRX - sterownik radia HUSAR
SP5FCS Offline
Adam
*****

Liczba postów: 1,073
Dołączył: 02-02-2009
Post: #1
TouchTRX - sterownik radia HUSAR
Rozpoczynam prace nad nowym sterownikiem dedykowanym do radia HUSAR. Moim zdaniem HUSAR powinien mieć nowy sterownik aby odróżniał się od Husarka. Docelowo radio HUSAR ma być konstrukcją jeszcze bardziej zaawansowaną dlatego w sterowniku będą potrzebne dodatkowe funkcje np. obsługa drugiego sprzętowego odbiornika. Jest również szansa na wprowadzenie pewnych poprawek wynikających z eksploatacji pierwszej wersji sterownika.

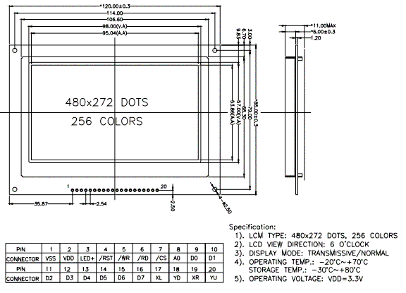
Pierwsza zmiana to większy wyświetlacz 4,3 cala z tej samej rodziny co poprzedni. Wybrany model ma rozdzielczość 480x272 pikseli, jest bardziej "panoramiczny", wysokość prawie taka sama ale jest dłuższy co do radia fajnie pasuje. Wyświetlacz nie jest tani (244zł) ale ma wszystkie zalety "młodszego brata", dobry kontrast, kolory, i jest piekielnie szybki. Dodatkowa zaleta to ma pamięć na dwa ekrany, programowo zmieniana intensywność podświetlania, normalne złącze szpilkowe co 2,54mm.

Nowy sterownik radia będzie zawierał:
- wyświetlacz TFT 4,3 cala + panel dotykowy;
- złącza do 4 obsługi enkoderów;
- multiplekser na 4053 do obsługi czterech układów Si570;
- zegarek + bateria + 24c512 na płytce sterownika;
- optoizolację dla PTT, KEY, CW;
- trzeci kanał szeregowy (CAT, DSP, easyATU lub 2*DSP);

Początkowo myślałem o wersji na dwóch procesorach ale to trochę komplikuje budowę i uruchomienie sterownika. Jeśli uda się to zrobić na Xmega128A3U to układ będzie równie prosty jak w pierwszym sterowniku. Multiplekser magistrali I2C pozwoli sterować 4 generatorami na Si570 potrzebnymi do obsługi dwóch odbiorników (VFO+BFO). Moduł procesora będzie miał wymiar wyświetlacza TFT i będzie składany z min "na kanapkę". Aktualnie projektuję druk prototypu sterownika.

Drugie problem do rozwiązania to zobrazowanie dodatkowych informacji oraz klawiszy dotykowych. Ja skłaniam się za szybkim dostępem do funkcji DSP. W załącznikach widok wybranego wyświetlacza TFT 4,3 cala.


Załączone pliki Miniatury
İmage İmage

73 Adam
22-03-2014 2:05
Znajdź wszystkie posty użytkownika Odpowiedz cytując ten post
SP2IPT Offline
Jakub
***

Liczba postów: 233
Dołączył: 01-03-2012
Post: #2
RE: TouchTRX - sterownik radia HUSAR
Adamie trzymam kciuki i od razu dodaje pierwsza rzecz do listy zyczen Smile
Opcjonalne wejscie 10 MHz do zewnetrznego wzorca z GPS oraz wspominana kiedys mozliwosc pomiaru dodatkowego LO (uzywa sie zazwyczaj 90-130MHz) + przeliczanie wynikow dla kilku transwerterow.

pz
22-03-2014 11:05
Znajdź wszystkie posty użytkownika Odpowiedz cytując ten post
SP5FCS Offline
Adam
*****

Liczba postów: 1,073
Dołączył: 02-02-2009
Post: #3
RE: TouchTRX - sterownik radia HUSAR
Skończyłem projekt druku pod nowy sterownik radia. Jak widać na zdjęciach układ sterownika jest bardzo prosty, zawiera tylko niezbędne układy. Płytka ma wymiary wyświetlacza TFT a mimo to nie ma zbyt wiele miejsca na złącza. Starałem się poprawić lokalizację złączy w stosunku do elementów umieszczanych na panelu radia (złącza klucza, PTT, enkoderów). Moduł będzie składany na "kanapkę" z wyświetlaczem TFT dlatego zastosowałem złącza kątowe na brzegu płytki. Docelowo planuję dorobić w tym samy wymiarze również moduł rejestrów szeregowych z zasilaniem z 12V.

Kompletny sterownik TouchTRX będzie składał się z trzech modułów:
- wyświetlacza TFT 4,3 cala;
- modułu procesora XmegaTFT43;
- modułu rejestrów szeregowych.

Ekrany z widokiem płytki w załącznikach.


Załączone pliki Miniatury
İmage İmage

73 Adam
22-03-2014 17:04
Znajdź wszystkie posty użytkownika Odpowiedz cytując ten post
SP5FCS Offline
Adam
*****

Liczba postów: 1,073
Dołączył: 02-02-2009
Post: #4
RE: TouchTRX - sterownik radia HUSAR
Zmontowałem prototypowy moduł nowego sterownika do Husara (zdjęcia z załącznikach). Dzięki zastosowaniu złączy kątowych moduł procesora z wyświetlaczem zajmuje bardzo mało miejsca ( całość około 22mm grubości). Na zdjęciach wersja do uruchamiania radia na złączach. Pod złączami są pola do przylutowania okablowania bezpośrednio do płytki procesora po zakończeniu uruchamiania całego radia.
Nie wlutowałem jeszcze baterii 3,6V bo myślę o kolejnej płytce z rejestrami szeregowymi do sterowania radiem.
Moduł procesora z wyświetlaczem TFT 4,3" + podświetlanie zasilany z 5V pobiera 250mA.

W przyszłym tygodniu zacznę modyfikować oprogramowanie. Może macie koledzy jakieś propozycje zmian w wyglądzie ekranu w stosunku do pierwszej wersji sterownika.
Wyświetlacz TFT 4,3 cala ma rozdzielczość 480x270 pikseli ( model 3,5 cala miał 320x240) co pozwala na umieszczenie na nim dodatkowej informacji oraz dodatkowych klawiszy sterujących.


Załączone pliki Miniatury
İmage İmage İmage

73 Adam
23-03-2014 11:12
Znajdź wszystkie posty użytkownika Odpowiedz cytując ten post
SP5FCS Offline
Adam
*****

Liczba postów: 1,073
Dołączył: 02-02-2009
Post: #5
RE: TouchTRX - sterownik radia HUSAR
Po dostosowaniu funkcji graficznych do większego rozmiaru wyświetlacza (320x240 -> 480x272) oraz przeskalowaniu panela dotykowego uruchomiłem ostatnią wersję oprogramowania sterownika XmegaTFT na wyświetlaczu 4,3 cala. Jak widać na zdjęciu nowy ekran jest sporo większy i trzeba opracować pod niego nowy układ klawiszy i dodatkowych elementów do zobrazowania informacji.
Czarne obszary po prawej stronie i na dole to pozostała część ekranu do wykorzystania, widoczne refleksy na zdjęciu to folia ochronna.

Pierwsze spostrzeżenia z testów:
1/ Kontrast i kolory bardzo podobne do TFT-3,5 cala, mniejsze kąty oglądania, nie nadaje się do obserwowania od dołu (na godzinę 6:00, pozycja horyzontalna). Prostopadle do ekranu i od góry jest OK. Gdyby była taka konieczność możemy obrócić wyświetlacz o 180 stopni i zrobić "lustrzane odbicie grafiki").

2/ Wyświetlacz 4,3 cala jest wolniejszy od wersji 3,5 cala. Częściowo wynika to z konieczności wysyłania dodatkowego bajtu adresu dla osi Y, dla 240 pikseli był 1 bajt, teraz dla 272 muszą być dwa. Sam kontroler TFT również jest lekko wolniejszy dlatego poszczególne funkcje graficzne musiałem lekko spowolnić.


Załączone pliki Miniatury
İmage

73 Adam
16-04-2014 19:51
Znajdź wszystkie posty użytkownika Odpowiedz cytując ten post
K2KP Offline
Arek
***

Liczba postów: 114
Dołączył: 06-07-2009
Post: #6
RE: TouchTRX - sterownik radia HUSAR
Moze Adamie warto pomyslec nad "wbudowanym" panadapterem umozliwiajacym wizualny podglad pasma? A moze pomyslec nad zewnetrzym wyjsciem na przyklad na monitor komputerowy bezposrednio z syntezy? Wiem wiem zaraz napiszesz ze masz CAT i mozes podlaczyc do komputera ale to niedokonca to samo. Moze zrobic to na dwuch procesorach?Oczywscie latwo sie mowi ale to tylko takie moje "zyczenia" Smile


Pozdrawiam
Arek AC2FC
16-04-2014 22:24
Znajdź wszystkie posty użytkownika Odpowiedz cytując ten post
HF8V Offline
Tomek(ex SP8WJT)

Liczba postów: 73
Dołączył: 27-01-2013
Post: #7
RE: TouchTRX - sterownik radia HUSAR
Bardzo udana konstrukcja. A jak wygląda sprawa z szumami generowanymi przez ten wyświetlacz?
17-04-2014 13:42
Znajdź wszystkie posty użytkownika Odpowiedz cytując ten post
SP5FCS Offline
Adam
*****

Liczba postów: 1,073
Dołączył: 02-02-2009
Post: #8
RE: TouchTRX - sterownik radia HUSAR
(17-04-2014 13:42)SP8WJT napisał(a):  A jak wygląda sprawa z szumami generowanymi przez ten wyświetlacz?

Na etapie prototypu trudno to ocenić ponieważ należałoby zaekranować moduł sterownika i zrobić praktyczne testy w radiu. Wyświetlacz 4,3 cala posiada podobny sterownik Actel IGLOO co model 3,5 cala dlatego poziom zakłóceń będzie podobny. Podstawowy zegar procesora i wyświetlacza pracuje powyżej pasm amatorskich ale może również dawać zakłócenia w dół np. 32MHz podzielone przez:4,5,6,8,itd.
Z wstępnych obserwacji i opinii kolegów którzy zbudowali i uruchomili Husarki ze sterownikiem XmegaTFT wynika, że najbardziej "śmieci" komunikacja poprzez magistralę I2C. Prostokąt 100/400kHz generuje harmoniczne które słychać na pasmach dlatego ważna jest konstrukcja radia i ekranowanie modułów.
Po zakończeniu prac trzeba będzie sprawdzić na analizatorze widma co produkuje kompletny sterownik i czy te produkty będą wchodzić w pasma amatorskie.

(16-04-2014 22:24)AC2FC napisał(a):  Moze Adamie warto pomyslec nad "wbudowanym" panadapterem umozliwiajacym wizualny podglad pasma?

Przy jednym, wąskim odbiorniku i pojedynczym procesorze mogę zrobić tylko prosty skaner pasma. Taki scaner na żądanie będzie w nowym sterowniku TouchTRX (1 i 4 zdjęcie). Do ciągłego podglądu przydałby się dodatkowy, nawet bardzo prosty tor odbiorczy. Nowy sterownik może obsługiwać do czterech Si570 więc da się to zrobić nawet na jednym procesorze. Za radiami fabrycznymi i komputerami trudno będzie nadążyć ale jak na warunki amatorskie "zabawka" do radia zapowiada się fajna.

Zdjęcia ekranów:
1/ Główny ekran sterownika, dolne okno w trybie skanera, aktywna funkcja przestrajania pilota BFO.
2/ Ekran z oktywnym oknem zmiennych parametrów DSP (wersja PicaStar).
3/ Ekran z aktywnym oknem numerycznego wprowadzania nastawy częstotliwości.
4/ Główny ekran sterownika z menu wyboru pasma po lewej stronie i menu obsługi pamięci po prawej.


Załączone pliki Miniatury
İmage İmage İmage İmage

73 Adam
18-04-2014 22:08
Znajdź wszystkie posty użytkownika Odpowiedz cytując ten post
SQ6ADE Offline
Radjoamator.
****

Liczba postów: 540
Dołączył: 05-04-2010
Post: #9
RE: TouchTRX - sterownik radia HUSAR
Nie można zwolnić transmisji I2C ?

tylko na FM UKF -> Just True Sound Hi-Fi Smile
18-04-2014 22:18
Znajdź wszystkie posty użytkownika Odpowiedz cytując ten post
SP9FKP Offline
Piotr
*****

Liczba postów: 1,286
Dołączył: 28-06-2009
Post: #10
RE: TouchTRX - sterownik radia HUSAR
Nie trzeba, wystarczy zmniejszyć stromość zboczy impulsów sterujących a widmo i tym samym poziom zakłóceń się zmniejszy.
19-04-2014 10:16
Znajdź wszystkie posty użytkownika Odpowiedz cytując ten post
Odpowiedz 


Skocz do:


Użytkownicy przeglądający ten wątek: 1 gości