Odpowiedz 
 
Ocena wątku:
  • 10 Głosów - 4.6 Średnio
  • 1
  • 2
  • 3
  • 4
  • 5
HUSAREK - nowa homodyna dla "każdego"
SP4HKQ Offline
Zdzisław SK!
****

Liczba postów: 490
Dołączył: 19-08-2009
Post: #631
RE: HUSAREK - nowa homodyna dla "każdego"
Arku można zastosować np 2N5109, tylko ma inną obudowę. Przy odrobinie inwencji da się go bez problemu wstawić.
17-12-2013 21:16
Znajdź wszystkie posty użytkownika Odpowiedz cytując ten post
K2KP Offline
Arek
***

Liczba postów: 114
Dołączył: 06-07-2009
Post: #632
RE: HUSAREK - nowa homodyna dla "każdego"
Czesc Zdzislaw,
Wzmacniacz wstepnie uruchomiony. Jako tranzystor zastosowalem 2N2219A ( mam ich troche, stare zapasy wojskowe ;-) ). Wzmacniacz daje 13W w zakresie od 1.8Mhz do 21Mhz , powyzej jest 11.5W . Mam zamiar poeksperymentowac troche z transformatorem wyjsciowym.
Pozdrawiam i Zycze Wszystkiego Najlepszego w Nowym Roku 2014
Arek
AC2FC

Witam ponownie.
Husarek zostal uruchomiony ( zostala tylko kosmetyka no i moze PA 100W - ale to w przyszlosci ).Jezeli chodzi o odbiornik to mozna posluchac tutaj https://www.youtube.com/watch?v=LBbd1ZDz6Bk
Jedna uwaga dla nowo skladajacych , sprawdzajcie kazdy element przed montazem . Nawet jezeli element sa nowe ze sklepu. Przy uruchamianiu mialem niemile problem z kondesatorami ( SMD 150pf - okazalo sie ze maja niecale 100pf ale tylko niektore !! . Kupilem ich 50 sztuk na "rolce" i okazalo sie ze niektore maja po 150pf a niektore nie . Wyszlo to w momncie strojenia BFP. Podobny problem mialem rowniez z nowym kondensatorem SMD 2.2nf .W tym przypadku byl calkowicie zly. Dodam ze kondensatory kupione byly w Newark.com i Mouser.com . Nigdy wczesniej nie mialem problem z tymi dostawcami.

Pozdrawiam Arek AC2FC
(Ten post był ostatnio modyfikowany: 30-12-2013 2:39 przez K2KP.)
28-12-2013 18:36
Znajdź wszystkie posty użytkownika Odpowiedz cytując ten post
AMATOR Offline
Nowicjusz
*

Liczba postów: 33
Dołączył: 01-02-2009
Post: #633
RE: HUSAREK - nowa homodyna dla "każdego"
Arek radio ma ciekawy wygląd i bardzo ładnie odbiera, fajna nagroda pod choinkę za kilka miesięcy pracy, gratulacje. To chyba pierwszy Husarek w USA, może się tam zadomowi na dobre i "husarkowa rodzina zacznie się powiększać", hi.
Ciekawe jak radio ze wschodniej Europy ocenią twoi lokalni koledzy ?

Napisz proszę co sprawiło Ci największą trudność przy budowie Husarka. Kusi mnie aby zabrać się za jego budowę ale wyzwanie jak dla mnie jest duże.

Wady fabryczne elementów niestety ciągle występują i po wlutowaniu sprawiają wiele kłopotów. Przy SMD warto również nie mieszać elementów o tej samej wartości z różnych dostaw i od różnych producentów. Miałem kondensatory NP0 100pF które były tak równe (102pF) że nie musiałem ich mierzyć. Aż tu nagle kłopoty, sprawdzam wartość a to tylko 90pF. Dopiero wtedy zaskoczyłem że na dnie torebki była stara partia kondensatorów.
02-01-2014 9:31
Znajdź wszystkie posty użytkownika Odpowiedz cytując ten post
K2KP Offline
Arek
***

Liczba postów: 114
Dołączył: 06-07-2009
Post: #634
RE: HUSAREK - nowa homodyna dla "każdego"
Jezeli chodzi o Husarka to jeszcze go nie pokazywalem oficjalnie w klubie. Kilku kolegow z klubu wdzialo wczesniej niektore bloki i byli bardzo " mile zaskoczeni " ze mozna obecnie zrobic dobre radio wlasnorecznie . Tutaj w usa bardzo malo krotkofalowcow sklada czy zajmuje sie konstrukcjami. Oczywscie najbardziej wszytkim podobala sie synteza Adama :-). Jezeli chodzi o czesci to prawie wszystko jest dostepne . Pisze prawie bo niestety wyswietlacza nie da sie dostac w USA. A ostatnio widzialem post ze i w polsce juz ciezko go dostac. Generalnie dzieki pomocy kolegow z polski zakupilem plytki, cewki do filtrow akustycznych no i synteze. Reszte elementow dokupilem na miejscu. Bardzo pomogl mi przy tym Adam SP5FCS , za co bardzo dziekuje. Jezeli chodzi o budowe nowych to zobaczymy . Rozmawialem juz z kilkoma krotkofalowcami ( polacy ) tutaj na miejscu i bede ich dalej namawial na montaz Husarka.
Generalnie radio startuje bez wiekszego problemu. Jezeli tylko przylozysz sie do montazu i bedziesz przestrzegal uwag zawartych w instrukcji to nie powinno byc wiekszego problemu. Dla mnie najwiecej czasu zajelo nawiniecie cewek do filtrow akustycznych. Ale nie przejmuj sie nie jest to az takie straszne ;-). Cewki do LPF i BFP generalnie nie sprawiaja wiekszego problemu niemniej jednak warto je pozniej pomierzycz no i jak juz beda gotowe filtry to je " obejrzec " na NWT albo na spectrum analyzer.

Pozdrawiam
Arek AC2FC
Zycze Wszytkiego Najlepszego w Nowym 2014 roku dla wszytkich zainteresowanych tematem Husarka
02-01-2014 14:49
Znajdź wszystkie posty użytkownika Odpowiedz cytując ten post
AMATOR Offline
Nowicjusz
*

Liczba postów: 33
Dołączył: 01-02-2009
Post: #635
RE: HUSAREK - nowa homodyna dla "każdego"
Arek dziękuję za krótką refleksję z budowy Husarka i kilka wskazówek które pomogą podjąć decyzję o budowie. Podoba mi się audio z homodyny oraz to że prawie niczego nie trzeba w niej regulować. W sumie dokładne sprawdzenie każdego elementu wymaga dużo czasu ale nie jest to nic trudnego nawet przy znikomej wiedzy. Co innego zrobienie filtru kwarcowego i pilotów BFO. Mnie interesuje głównie 80, 40 i może 20m dlatego tego nawijanie nie będzie tak dużo.
Przy okazji życzę wszystkim wielu ukończonych konstrukcji home made w Nowym Roku, może to będzie właśnie Husarek.
03-01-2014 15:34
Znajdź wszystkie posty użytkownika Odpowiedz cytując ten post
SP5FCS Offline
Adam
*****

Liczba postów: 1,073
Dołączył: 02-02-2009
Post: #636
RE: HUSAREK - nowa homodyna dla "każdego"
W załączniku schemat ideowy filtrów BPF wykonany przez Janusza SP5BMP do płytek drukowanych BPF z kompletu druków do Husarka z DW Radio.

Husarek zyskał w tym roku nową funkcjonalność, możliwość sterowania z komputera poprzez CAT.
Szczegóły w opisie sterownika.


Planujemy w tym roku zebranie wszystkich dostępnych materiałów o Husarku na płytę DVD. Zachęcamy do publikowania zdjęć swoich urządzeń oraz opisów i doświadczeń z budowy. Każde zdjęcie, opis, komentarz, porada czy wskazówka będzie cenna dla kolejnych wykonawców Husarka.


Załączone pliki Miniatury
İmage

73 Adam
12-01-2014 11:56
Znajdź wszystkie posty użytkownika Odpowiedz cytując ten post
SP3F Offline
Romek
***

Liczba postów: 202
Dołączył: 26-05-2013
Post: #637
RE: HUSAREK - nowa homodyna dla "każdego"
Witam.
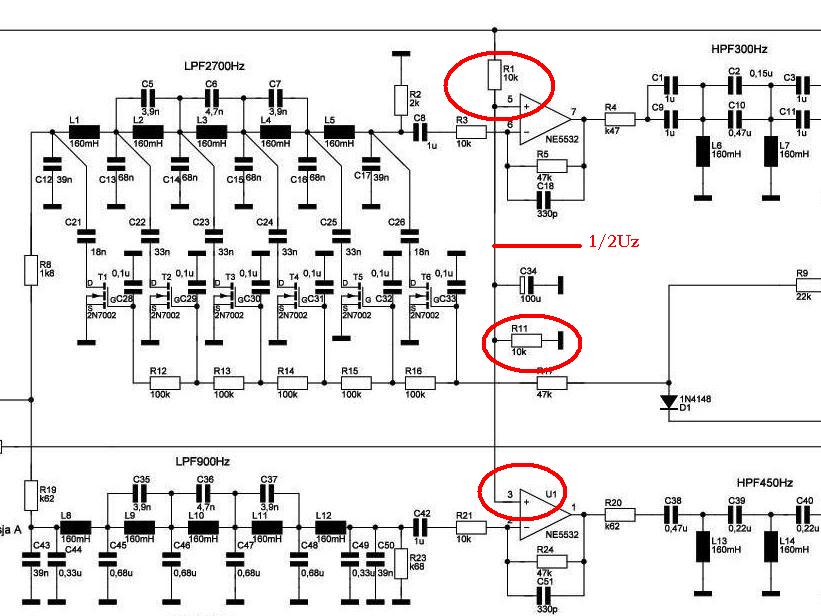
Kończę obsadzać 2 płytki z DW-Radio - filtry m.cz. Sobie i koledze. Mam pytanie: na płytce jest malunek (białą barwą) rezystora R1, właściciwe - wartość 22k, tymczasem na schemacie (jakąkolwiek wersję nie popatrzę) stoi w tym miejscu 10 k. Uważam, że błąd jest na płytce, ale proszę mnie upewnić.
73- Roman

73 - Dziadek Romek
(ex. sp3nyg)
12-01-2014 21:17
Znajdź wszystkie posty użytkownika Odpowiedz cytując ten post
SP4HKQ Offline
Zdzisław SK!
****

Liczba postów: 490
Dołączył: 19-08-2009
Post: #638
RE: HUSAREK - nowa homodyna dla "każdego"
R1 z R11 stanowią dzielnik dla otrzymania połowy napięcia zasilania tj 6 V na nogi 3 i 5 wzmacniacza. Więc oba mają być jednakowe i właściwie to obojętne czy oba mają 10 czy 22kOm.


Załączone pliki Miniatury
İmage
12-01-2014 21:35
Znajdź wszystkie posty użytkownika Odpowiedz cytując ten post
SP3F Offline
Romek
***

Liczba postów: 202
Dołączył: 26-05-2013
Post: #639
RE: HUSAREK - nowa homodyna dla "każdego"
(12-01-2014 21:35)SP4HKQ napisał(a):  R1 z R11 stanowią dzielnik dla otrzymania połowy napięcia zasilania tj 6 V na nogi 3 i 5 wzmacniacza. Więc oba mają być jednakowe i właściwie to obojętne czy oba mają 10 czy 22kOm.

Dzięki. Zagapiłem się i nie zauważyłem R11, Ale ponieważ nie mam pod ręką 22 k to wsadzę coś między 10 a 20 k.

73 - Roman.

73 - Dziadek Romek
(ex. sp3nyg)
12-01-2014 21:45
Znajdź wszystkie posty użytkownika Odpowiedz cytując ten post
SP4HKQ Offline
Zdzisław SK!
****

Liczba postów: 490
Dołączył: 19-08-2009
Post: #640
RE: HUSAREK - nowa homodyna dla "każdego"
Najlepiej aby wszystkie oporniki były 10 kOm, bo oporniki na wejściach R3, R21 też mają wartość 10 kOm.
(Ten post był ostatnio modyfikowany: 12-01-2014 21:50 przez SP4HKQ.)
12-01-2014 21:49
Znajdź wszystkie posty użytkownika Odpowiedz cytując ten post
Odpowiedz 


Skocz do:


Użytkownicy przeglądający ten wątek: 8 gości