Odpowiedz 
 
Ocena wątku:
  • 1 Głosów - 5 Średnio
  • 1
  • 2
  • 3
  • 4
  • 5
Pomiar dobroci obwodu rezonansowego
SP6FRE Offline
Leszek
****

Liczba postów: 737
Dołączył: 20-09-2009
Post: #33
RE: Pomiar dobroci obwodu rezonansowego
W związku z kolejnym etapem budowy miernika NA01
NA01
chciałbym ponownie wrócić do tematu.
Eksperymentując z kilkoma metodami pomiaru dobroci obwodów doszedłem do wniosku, że najbardziej skuteczną metodą w procedurze automatycznej będzie metoda z użyciem tłumików 20dB oraz pomiarem częstotliwości szeregowego obwodu rezonansowego, tym bardziej, że nadaje się ona również do pomiaru częstotliwości rezonansowej (w tym rezonatorów kwarcowych) a także do pomiaru indukcyjności przy znanej pojemności i pojemności przy znanej indukcyjności.
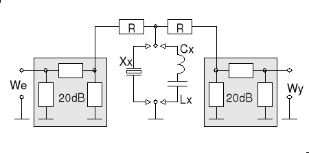
Niestety, metoda ta pokazana na rysunku ma wadę. O ile przy pomiarze rezonatorów kwarcowych mających bardzo dużą dobroć nie ma to znaczenia o tyle przy pomiarze "zwykłych" obwodów wydaje się istotne.
Jak widać na schemacie pomiarowym, badany układ rezonansowy (także rezonator kwarcowy) włącza się pomiędzy dwa tłumiki o wartości 20dB i impedancji 50 omów. Przy odpowiednim doborze zakresu częstotliwości pomiarowych można uzyskać z łatwością wykresy jak na zdjęciach, dla których system automatycznie wylicza dobroć oraz częstotliwość rezonansu. Niestety, wyliczona dobroć zależy silnie od użytych rezystorów R i tak dla rezystancji R=150 omów dobroć obwodu to 68 a przy R=38 omów dobroć ma wartość 93. Zapewne istnieje sposób aby matematycznie uwzględnić wartości użytych oporników w wyliczeniu rzeczywistej wartości dobroci obwodu nieobciążonego. Niestety, nie udało mi się na razie trafić na odpowiedni kawałek teorii, który mógłby mnie tu wspomóc :-( . Jeśli więc ktoś czuje się na siłach sam udzielić takiej rady lub może wskazać ślad gdzie można znaleźć odpowiednie sugestie to będę wdzięczny. Wprawdzie decydując się na jakąś konkretna wartość R mógłbym założyć, że interesuje mnie czy dobroć jest większa czy mniejsza ale może uda się problem rozwiązać do końca jeszcze na etapie programowania tej funkcjonalności.
Zastosowanie tłumików 20dB oraz oporników R pozwala "znieczulić" układ pomiarowy co paradoksalnie poprawia warunki pomiaru dobroci. Próby ze słabym sprzężeniem za pomocą pojemności dają, przynajmniej u mnie, gorsze wyniki, szczególnie dla pomiaru automatycznego a poza tym ten sposób silnie zależy od częstotliwości.
Dodatkowym efektem przy pomiarze dobroci jest pomiar częstotliwości rezonansu oraz pojemności przy znanej indukcyjności lub pomiar indukcyjności przy znanej pojemności. Widoczne na zdjęciach wartości Lx oraz Cx to właśnie wyliczone wartości komplementarne dla przyjętych wartości referencyjnych Lr i Cr. Dla przykładu, widoczny na zdjęciu obwód rezonansowy zbudowany jest z nieznanej cewki oraz kondensatora referencyjnego Cr=100pF. Dla tej wartości pojemności system określił indukcyjność na Lx=4.3uH. Podobnie zakładając, że indukcyjność referencyjna ma wartość 10uH system wylicza pojemność na Cx=43pF. Oczywiście wartości referencyjne Lr i Cr można ustawić przed pomiarem.
Na kolejnych zdjęciach pokazuję schemat układu pomiarowego, pomiar rezonatora kwarcowego 8MHz oraz pomiar obwodu LC raz z opornikiem R=150 oraz na kolejnym zdjęciu z R=38 omów.
L.J.


Załączone pliki Miniatury
İmage İmage İmage İmage
(Ten post był ostatnio modyfikowany: 11-07-2011 22:36 przez SP6FRE.)
11-07-2011 22:35
Odwiedź stronę użytkownika Znajdź wszystkie posty użytkownika Odpowiedz cytując ten post
Odpowiedz 


Wiadomości w tym wątku
RE: Pomiar dobroci obwodu rezonansowego - SP6FRE - 11-07-2011 22:35

Skocz do:


Użytkownicy przeglądający ten wątek: 1 gości