Odpowiedz 
 
Ocena wątku:
  • 13 Głosów - 4.62 Średnio
  • 1
  • 2
  • 3
  • 4
  • 5
Transceiver HMG 2010 "HUSAR"
SP4HKQ Offline
Zdzisław SK!
****

Liczba postów: 490
Dołączył: 19-08-2009
Post: #119
RE: Transceiver HMG 2010 "HUSAR"
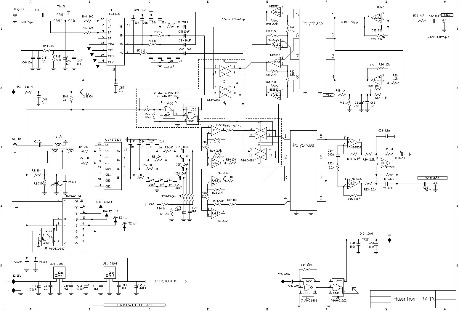
Ze względu na zainteresowanie urządzeniami homodynowymi i prośby kolegów o udostępnienie projektu PCB modułu homodynowego, zamieszczam obiecane materiały. Przełacznik USB/LSB znajduje się na dodatkowej płytce. Jak skończę projekt tej dodatkowej płytki to go dodam do tego postu.


Załączone pliki
.lay  HUSAR hom. RX-TX.LAY (Rozmiar: 271.37 KB / Pobrań: 1446)
.bmp  Husar hom RX-TX p.BMP (Rozmiar: 201.04 KB / Pobrań: 1854)
02-06-2011 9:10
Znajdź wszystkie posty użytkownika Odpowiedz cytując ten post
Odpowiedz 


Wiadomości w tym wątku
Transceiver HMG 2010 "HUSAR" - admin - 12-02-2011, 22:04
RE: Transceiver HMG 2010 "HUSAR" - SP4HKQ - 02-06-2011 9:10

Skocz do:


Użytkownicy przeglądający ten wątek: 1 gości