Odpowiedz 
 
Ocena wątku:
  • 13 Głosów - 4.62 Średnio
  • 1
  • 2
  • 3
  • 4
  • 5
Transceiver HMG 2010 "HUSAR"
SP4HKQ Offline
Zdzisław SK!
****

Liczba postów: 490
Dołączył: 19-08-2009
Post: #47
RE: Transceiver HMG 2010 "HUSAR"
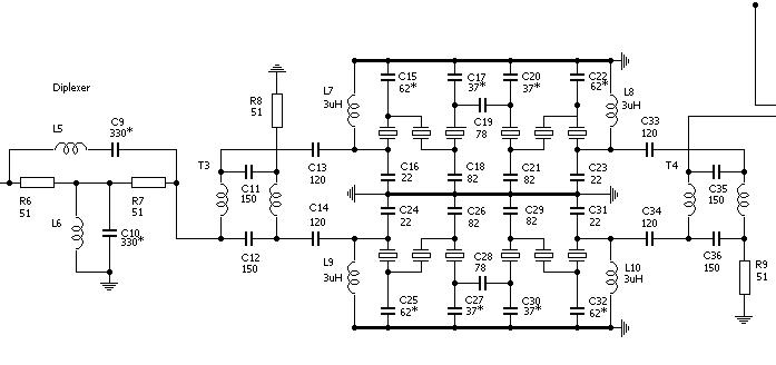
Roofing filtr
Kolejny stopień realizujący, wraz diplekserem, prawidłowe obciążenie wyjścia mieszacza opornością 50 Om. Jego nazwa sugeruje, że jest to filtr dachowy – osłaniający. Po raz pierwszy został użyty w odbiorniku Telefunken E1700. Nie należy go mylić z pojedynczym, wąskim filtrem bezpośrednio po mieszaczu w urządzeniach z pierwszą pośrednią powyżej 40 MHz. Działanie roofing filtra polega na eliminacji częstotliwości zbliżonych do częstotliwości pośredniej, ale nie znajdujących się w paśmie przenoszenia filtru kwarcowego i które nie zostały odfiltrowane przez diplekser.

İmage
Sygnał z dipleksera jest rozdzielany przez rozdzielacz fazowy na dwa tory, przesunięte w fazie względem sygnału wejściowego o +45 stopni i -45 stopni ze stratą ok. 3 dB. W obu torach znajdują się jednakowe drabinkowe filtry kwarcowe, dopasowane układem LC do 50 Om. Podstawą prawidłowego działania jest ich jednakowe przesuniecie fazowe. Za filtrami znajduje się sumator fazowy sumujący sygnał z obu torów. Sygnał znajdujący się w kanale filtru w procesie sumowania podnosi się o 3 dB, a sygnały z poza kanału częściowo się znoszą (różne przesunięcia fazowe) lub odkładają na oporności 50 Om sumatora. Roofing filtr prawidłowo pracuje, gdy dla częstotliwości pośredniej jego wyjście jest obciążone opornością 50 Om.
W projekcie HUSAR roofing filtr pełni też rolę filtru zasadniczego, wspomagającego prace homodyny. Okupione to jest wysiłkiem na wybranie „jednakowych” 12 kwarców i zestrojenie filtrów, aby ich charakterystyki pokrywały się (miały jednakowe przesuniecie fazowe).

Wykresy z NWT filtrów drabinkowych roofing filtru, różnice miedzy zielonym a czerwonym pomiarem wynikają z różnic sond.


Załączone pliki
.pdf  Filtr 8.867 jeden kanał.pdf (Rozmiar: 18.36 KB / Pobrań: 2254)
.pdf  Filtry 8.867 dwa kanały.pdf (Rozmiar: 18.2 KB / Pobrań: 1948)
02-03-2011 22:44
Znajdź wszystkie posty użytkownika Odpowiedz cytując ten post
Odpowiedz 


Wiadomości w tym wątku
Transceiver HMG 2010 "HUSAR" - admin - 12-02-2011, 22:04
RE: Transceiver HMG 2010 "HUSAR" - SP4HKQ - 02-03-2011 22:44

Skocz do:


Użytkownicy przeglądający ten wątek: 2 gości