|
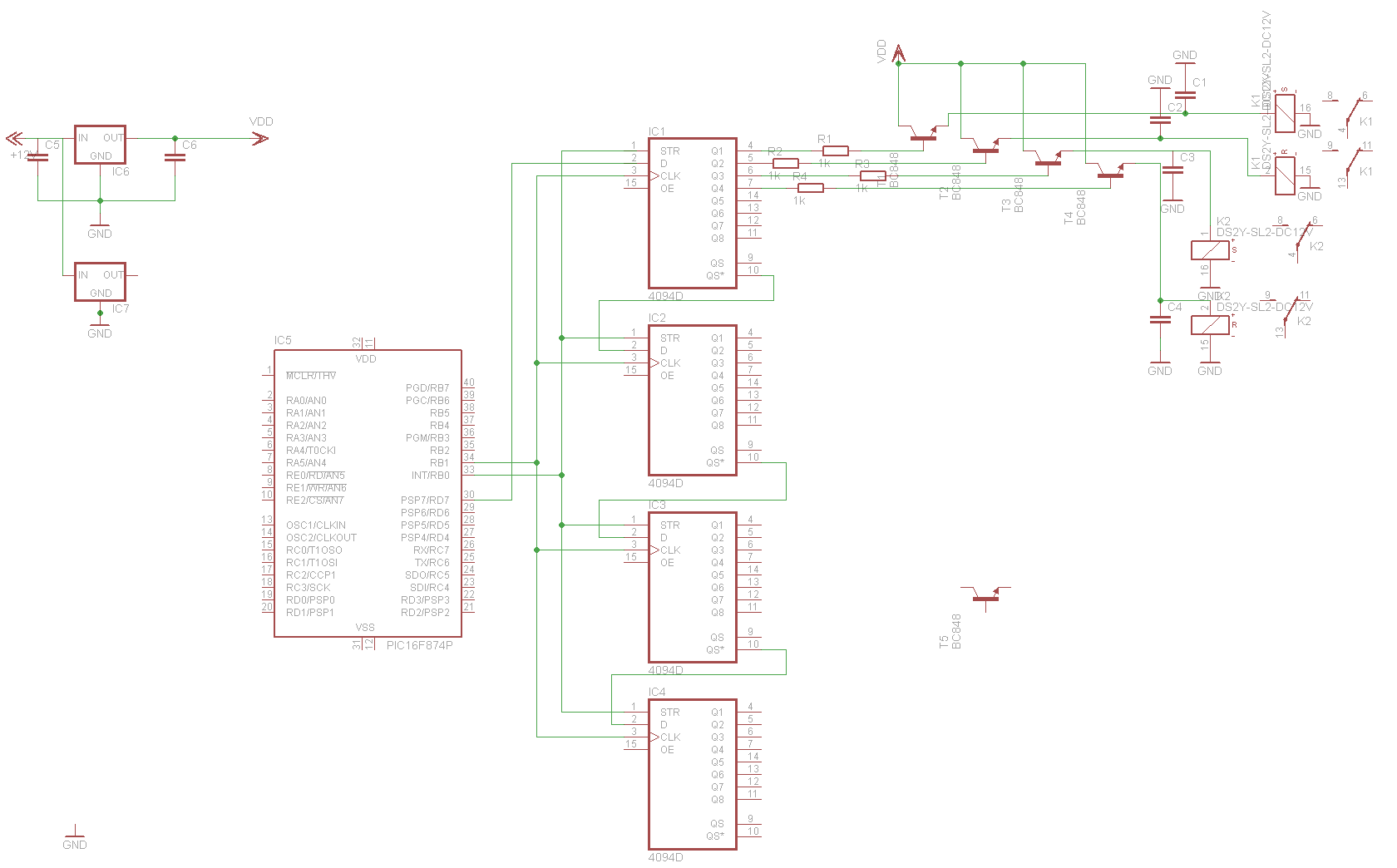
Skrzynka antenowa domowej roboty
|
SQ4CTK
Grzegorz ![]() ![]() ![]() Liczba postów: 139 Dołączył: 13-07-2009 |
|
||
| 22-07-2009 20:28 |
|
|
« Starszy wątek | Nowszy wątek »
|
Użytkownicy przeglądający ten wątek: 1 gości






