Odpowiedz 
 
Ocena wątku:
  • 2 Głosów - 5 Średnio
  • 1
  • 2
  • 3
  • 4
  • 5
Wzmacniacz QRP co nie tak?
SQ1PSE Offline
Adam
*

Liczba postów: 31
Dołączył: 13-11-2010
Post: #84
RE: Wzmacniacz QRP co nie tak?
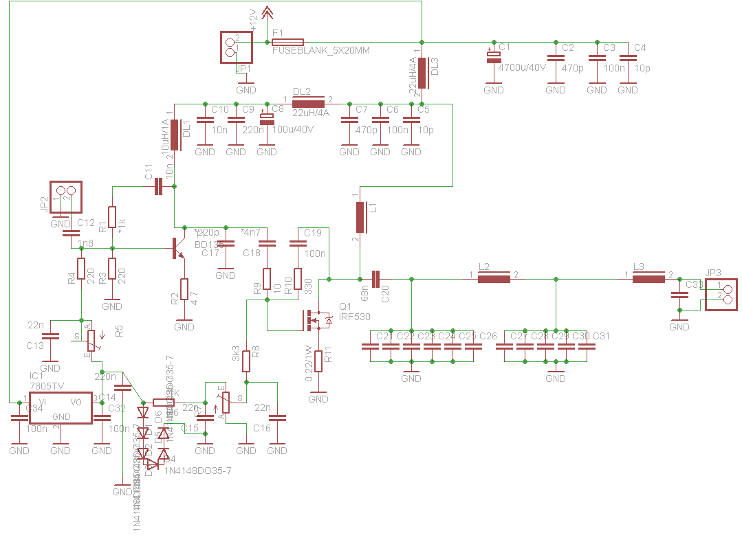
Poprawiłem potencjometry, cewki i odjąłem kondensator w filtrze.
Rezystora 3k3 nie ruszałem - zamiast niego po prostu wsadzić zworę?

Co do układu stopni na schemacie - zgadzam się, ale już nie przerabiałem. Będę wiedział na następny raz. Próbuję wyrzeźbić płytkę i trzeba to odpalić Smile.


Załączone pliki Miniatury
İmage

.sch  wzm sp-hm1.sch (Rozmiar: 444.85 KB / Pobrań: 1136)
(Ten post był ostatnio modyfikowany: 12-01-2011 3:46 przez SQ1PSE.)
12-01-2011 3:44
Znajdź wszystkie posty użytkownika Odpowiedz cytując ten post
Odpowiedz 


Wiadomości w tym wątku
Wzmacniacz QRP co nie tak? - SQ1PSE - 30-12-2010, 16:17
RE: Wzmacniacz QRP co nie tak? - SQ1PSE - 12-01-2011 3:44
RE: Wzmacniacz QRP co nie tak? - TJOW - 25-01-2011, 22:18

Skocz do:


Użytkownicy przeglądający ten wątek: 2 gości