Odpowiedz 
 
Ocena wątku:
  • 2 Głosów - 5 Średnio
  • 1
  • 2
  • 3
  • 4
  • 5
Wzmacniacz QRP co nie tak?
SP7KH Offline
Użytkownik
***

Liczba postów: 145
Dołączył: 24-11-2010
Post: #37
RE: Wzmacniacz QRP co nie tak?
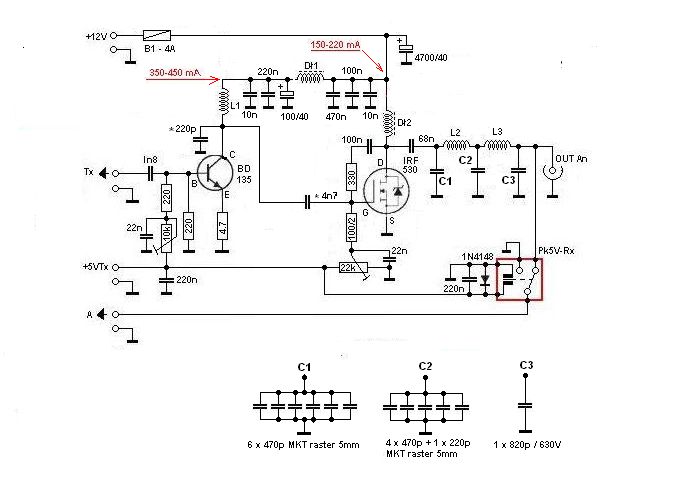
Nie jestem pewien czy nie pomieszałem - ale mój edytor - czyli moja myszka -"jest sprawny inaczej"


Załączone pliki Miniatury
İmage
04-01-2011 20:03
Znajdź wszystkie posty użytkownika Odpowiedz cytując ten post
Odpowiedz 


Wiadomości w tym wątku
Wzmacniacz QRP co nie tak? - SQ1PSE - 30-12-2010, 16:17
RE: Wzmacniacz QRP co nie tak? - SP7KH - 04-01-2011 20:03
RE: Wzmacniacz QRP co nie tak? - TJOW - 25-01-2011, 22:18

Skocz do:


Użytkownicy przeglądający ten wątek: 2 gości