Odpowiedz 
 
Ocena wątku:
  • 7 Głosów - 4.14 Średnio
  • 1
  • 2
  • 3
  • 4
  • 5
Składamy wzbudnicę SSB G4CLF
bolanren Offline
Jerzy SP5RZM
****

Liczba postów: 434
Dołączył: 10-04-2011
Post: #984
RE: Składamy wzbudnicę SSB G4CLF
Zamieszczam zdjęcie wzbudnicy Plessey z 3 stopniami IF, puszkami ekranującymi ale bez akustycznego filtru, który w kolejnej wersji został umieszczony pomiędzy wzmacniaczem operacyjnym, a stopniem mocy m.cz.

İmage
z drugiej strony płytki jest tyle samo ekranujących puszek. Taki "radiowy Abrams" Smile .
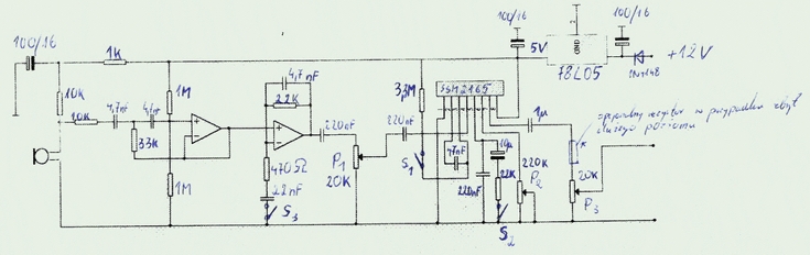
Przedstawiam sprawdzony layout mikrofonowego kompresora . Układ został opracowany przez Kolegę Henryka SP2JQR , był też kiedyś opublikowany w "ŚR". Ze względu na wysoką czułość powinien być dobrze ekranowany.
İmage
Kompresor doskonale sprawdza się przy pracy QRP.
Pliki GERBER przedstawionego layout`u mikrofonowego kompresora. Plik jest w wersji skompresowanej, tak jak zazwyczaj wymagają tego producenci pcb.


Załączone pliki
.lay6  kompresor sp2jqr last v. 2 b by sp5rzm.lay6 (Rozmiar: 131.78 KB / Pobrań: 1003)
.rar  mikrofonowy kompresor sp2jqr.rar (Rozmiar: 57.42 KB / Pobrań: 438)
(Ten post był ostatnio modyfikowany: 18-09-2023 23:36 przez bolanren.)
17-09-2023 10:38
Znajdź wszystkie posty użytkownika Odpowiedz cytując ten post
Odpowiedz 


Wiadomości w tym wątku
RE: Składamy wzbudnicę SSB G4CLF - bolanren - 17-09-2023 10:38

Skocz do:


Użytkownicy przeglądający ten wątek: 4 gości