Odpowiedz 
 
Ocena wątku:
  • 1 Głosów - 5 Średnio
  • 1
  • 2
  • 3
  • 4
  • 5
trx cw na wszystkie pasma - prosta konstrukcja
SP6FRE Offline
Leszek
****

Liczba postów: 737
Dołączył: 20-09-2009
Post: #146
RE: trx cw na wszystkie pasma - prosta konstrukcja
Witam!

W poście 119 rysunek druku nie zawiera opisu elementów. Prawdopodobnie wkleiłem do post-a nie ten rysunek więc uzupełniam :-(

L.J.


Witam!

Wydaje się, że oprogramowanie płytki sterownika do współpracy z uBITX-em dobiega końca. W zasadzie są już wszystkie moduły funkcjonale a w tym:
- obsługa O/N
- przełącznik filtrów pasmowych przy nadawaniu
- monitor cw
- klucz elektroniczny (praca od 6 do 20 grup/min.)
- pomiar siły sygnału
- opóźnienie przy przejściu N/O przy pracy cw
- automatyczne przełączanie wstęgi dla pracy poniżej i powyżej 10MHz

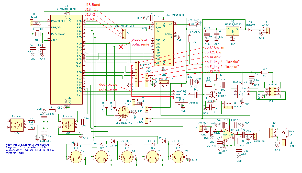
Niestety, po raz kolejny, ale mam nadzieję ostatni, należy wykonać drobną modyfikację płytki sterownika. Zabrakło mi wyjścia do kluczowania cw dlatego musiałem zabrać nieużywane teraz wyjście PB0 z obwodu generatora (i tak było nie podłączone ze względu na modyfikację płytki SI5351 -> patrz post #123).

İmage İmage

Rysunek pokazuje jak należy zmodyfikować połączenia a zdjęcie pokazuje jak to zrobiłem "w naturze".
Dodatkowo zamieściłem opis wszystkich sygnałów i w jaki sposób idą z płytki sterownika do płytki trx-a.

İmage İmage İmage İmage

Na zdjęciach pokazałem wygląd urządzenia w obudowie z okablowaniem poza podłączeniem płytki nadajnika. Płytkę nadajnika musiałem podnieść na tulejkach o 10mm bo z trudem mieściły się pod nią wtyki połączeń kablowych płytki głównej. Ale jeśli zastosuje się zamiast połączeń rozłączalnych połączenia lutowane to będzie wystarczająco dużo miejsca aby kable zmieściły się pod nadajnikiem.

İmage İmage

Oprogramowanie zostało w części SETUP wzbogacone o możliwość ustawienia czasu opóźnienia podczas przejścia z nadawania na odbiór przy pracy cw oraz o możliwość programowania poziomu detekcji każdego stopnia siły sygnału S.
W przypadku opóźnienia można je regulować co ok. 50ms prawymi klawiszami a dla arw jeden krok regulacji to ok. 4.9mV. Arw ma 11 stopni - wskazań od S1 do S9 a także S9+ oraz S9++. Na razie nie mam kalibracji poziomów arw ale jak ją zrobię to wstawię w procedurę ładowania wartości domyślnych.

W ten sposób w procedurze SETUP można będzie programować:
- kierunek pracy impulsatora
- opóźnienie N/O przy pracy cw
- które z pasm będą aktywne a które będą wyłączone (od 1.8 do 28, dla każdego z osobna)
- poziom detekcji siły odbieranego sygnału dla każdej pozycji od S1 do S9 a także S9+ i S9++
- częstotliwość pośrednią (regulacja ustawienia częstotliwości filtra oraz położenia nośnej względem zbocza filtra).
Teraz muszę zebrać wszystkie informacje w jeden dokument, coś w rodzaju manual-a, gdzie opiszę w jednym miejscu pozycje na wyświetlaczu, funkcje klawiszy w różnych kontekstach oraz możliwości konfiguracyjne.

A w zakresie prób praktycznych to sprawdziłem jak działa nadawanie cw. Sygnał na wyjściu z płytki to ok. 150mV pp (60uW).
C.d.n.

L.J.


Załączone pliki Miniatury
İmage

.hex  het_03m328p.hex (Rozmiar: 47.39 KB / Pobrań: 657)
(Ten post był ostatnio modyfikowany: 07-04-2020 10:39 przez SP6FRE.)
06-04-2020 17:46
Odwiedź stronę użytkownika Znajdź wszystkie posty użytkownika Odpowiedz cytując ten post
Odpowiedz 


Wiadomości w tym wątku
RE: trx cw na wszystkie pasma - prosta konstrukcja - SP6FRE - 06-04-2020 17:46

Skocz do:


Użytkownicy przeglądający ten wątek: 3 gości