Odpowiedz 
 
Ocena wątku:
  • 1 Głosów - 4 Średnio
  • 1
  • 2
  • 3
  • 4
  • 5
Transceiver lampowy CW wg. G3PNI
SP5RF Offline
Robert
****

Liczba postów: 343
Dołączył: 13-03-2010
Post: #11
RE: Transceiver lampowy CW wg. G3PNI
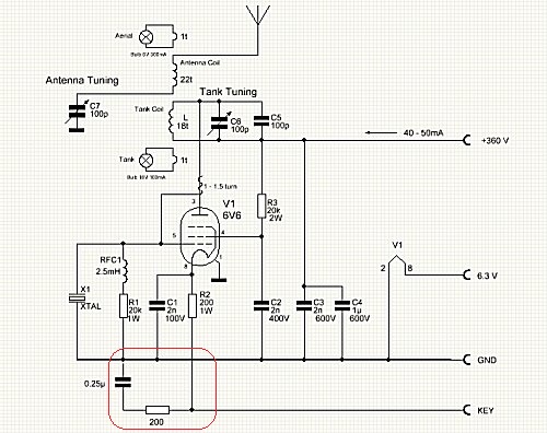
Znalazłem taką modyfikację nadajnika Paraset kształtującą front i zakończenie znaku. (rys.)

Dziękuję, wiem już o wiele więcej.

73!


Załączone pliki Miniatury
İmage

Shy SP5RF
30-10-2010 16:29
Znajdź wszystkie posty użytkownika Odpowiedz cytując ten post
Odpowiedz 


Wiadomości w tym wątku
RE: Transceiver lampowy CW wg. G3PNI - SP5RF - 30-10-2010 16:29

Skocz do:


Użytkownicy przeglądający ten wątek: 1 gości