Odpowiedz 
 
Ocena wątku:
  • 2 Głosów - 5 Średnio
  • 1
  • 2
  • 3
  • 4
  • 5
Transceiver OVI40
RK6AJE Offline


Liczba postów: 2
Dołączył: 23-09-2018
Post: #448
RE: Transceiver OVI40
Witajcie drodzy przyjaciele!
Od dłuższego czasu obserwuję twój temat rozwoju. Mam duże zainteresowanie.

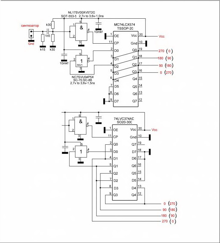
Problem tradiowo dublowane na wszystkich pasmach polega na zastosowanej rasschipitele faz „przeciw Johnson” (to szerokie pasmo). Na chipie 74XXX74. Schemat ten jest szeroko rozpowszechniony na świecie, ponieważ jest prosty. Ale to NIE jest poprawne (błędne) rozwiązanie problemu uzyskiwania sygnałów 0 i 90 stopni! Ten błąd występuje w Internecie od wielu lat.

Podstawowa zasada działania "„przeciw Johnson" na układach serii 74XX74 ZAWSZE powoduje błąd większy niż 2 ... 5 stopni. Z tego błędu wynika, że ​​zawsze tłumienie kanału lustrzanego na poziomie implementacji sprzętu będzie zawsze gorsze niż 40dB. Niski poziom tłumienia zakłóceń lustrzanych będzie zawsze, nawet jeśli część elektryczna 2 kanałów 0 i 90 stopni zostanie wykonana idealnie i równo na poziomie napięcia.

Ten problem występuje w wielu prostych konstrukcjach SDR. Takich jak transceiver SoftRock, M0NKA i wiele prostych schematów rozproszonych w Internecie.
Na dużym komputerze domowym problem ten rozwiązują silne zasoby obliczeniowe. Ale tylko w trybie "odbioru". W trybie "transferu" problem pozostaje i rozwiązuje go w prosty sposób (w szerokim paśmie częstotliwości), chyba że zmienisz schemat licznika Jonson!

To nie jest bezpodstawna teoria lub fikcja. Nasi amatorzy radiowi od kilku lat pracowali nad ulepszeniem schematu SDR-1000, aby uzyskać maksymalną charakterystykę elektryczną z prostego obwodu.
Liczne eksperymenty dowodzą poprawności tego, co napisałem powyżej.

Istnieje kilka innych schematów, które dają bardzo mały błąd w stopniach w kanale 0 i kanale 90. Jednak schematy te są bardzo mało skomplikowane.

Patrzę i widzę, że programiści poświęcają bardzo dużo czasu i wysiłku na chęć rozwiązania problemu tylko w sposób programowy. Ten problem jest bardzo trudny dla małego zasobu procesora STM32F407. Ale ten problem jest rozwiązywany dobrze i po prostu przez sprzęt.

Piszę z tłumaczeniem Google. Mam nadzieję, że rozumiesz znaczenie mojego listu.

Hello dear friends!
I have been watching your development topic for a long time. I have a lot of interest.

The problem of suppressing mirror interference on all bands (ie, in a wide frequency band) is hidden in the used phase of the mower on the "Johnson counter". On the chip 74XX74. This scheme is widely spread in the world because it is simple. But, this is NOT a correct (erroneous) solution to the problem of obtaining signals 0 and 90 degrees! This error goes around the Internet for many years.

The fundamental principle of the "Johnson counter" operation on the 74XX74 series chips ALWAYS gives an error greater than 2 ... 5 degrees. From this error it always follows that suppressing the mirror channel at the hardware implementation level will always be worse than 40dB. Low level of suppression of mirror interference will always be, even if, the electrical part of 2 channels 0 and 90 degrees is executed ideally and equally in voltage level.

This is not an unfounded theory or fiction. Our radio amateurs for several years were working on improving the scheme of SDR-1000, to obtain the maximum electrical characteristics from a simple circuit.
Numerous experiments prove the correctness of what I wrote above.

This problem is present in many simple SDR-constructions. Such as SoftRocK, M0NKA transceiver, and a lot of simple schemes distributed on the Internet.
On a large home computer, this problem is solved by strong computing resources. But, only in the "reception" mode. In the "transfer" mode, the problem remains and solve it in simple ways (in a wide frequency band), unless you change the "jonson counter" scheme!

There are several other schemes that give a very small error in degrees in channel 0 and channel 90. But, these schemes are very little complicated.

I look and see that programmers spend a very large amount of effort and time on the desire to conquer the problem only in a programmatic way. This problem is very difficult for a small resource of the STM32F407 processor. But, this problem is solved well and simply by hardware.

I write with Google translation. I hope you understand the meaning of my letter.


Kilka opcji rozwiązania problemu kanału lustrzanego w dołączonych obwodach.
Several options for solving the problem of a mirror channel in attached circuits.


Załączone pliki Miniatury
İmage İmage İmage
(Ten post był ostatnio modyfikowany: 26-09-2018 6:51 przez RK6AJE.)
25-09-2018 20:47
Znajdź wszystkie posty użytkownika Odpowiedz cytując ten post
Odpowiedz 


Wiadomości w tym wątku
Transceiver OVI40 - SP9BSL - 06-12-2017, 9:30
RE: Transceiver OVI40 - SP4EBI - 06-12-2017, 13:44
RE: Transceiver OVI40 - SP9BSL - 06-12-2017, 19:19
RE: Transceiver OVI40 - SQ9RNV - 06-12-2017, 21:16
RE: Transceiver OVI40 - SP4EBI - 09-12-2017, 19:28
RE: Transceiver OVI40 - SP9BSL - 10-12-2017, 12:22
RE: Transceiver OVI40 - SP4EBI - 10-12-2017, 12:37
RE: Transceiver OVI40 - SP9BSL - 10-12-2017, 13:01
RE: Transceiver OVI40 - SP4EBI - 10-12-2017, 13:41
RE: Transceiver OVI40 - SP9BSL - 10-12-2017, 13:44
RE: Transceiver OVI40 - SP4EBI - 10-12-2017, 13:50
RE: Transceiver OVI40 - SP9BSL - 10-12-2017, 15:20
RE: Transceiver OVI40 - SP9AWP - 10-12-2017, 15:22
RE: Transceiver OVI40 - SP9BSL - 10-12-2017, 15:25
RE: Transceiver OVI40 - SP9AWP - 10-12-2017, 15:37
RE: Transceiver OVI40 - SP3OSJ - 12-12-2017, 13:12
RE: Transceiver OVI40 - SP9BSL - 12-12-2017, 13:32
RE: Transceiver OVI40 - SP4EBI - 12-12-2017, 13:44
RE: Transceiver OVI40 - SP9BSL - 12-12-2017, 13:58
RE: Transceiver OVI40 - SP4EBI - 12-12-2017, 14:08
RE: Transceiver OVI40 - SP9BSL - 12-12-2017, 14:22
RE: Transceiver OVI40 - SP4EBI - 12-12-2017, 14:29
RE: Transceiver OVI40 - SP9BSL - 12-12-2017, 14:52
RE: Transceiver OVI40 - SP4EBI - 12-12-2017, 16:37
RE: Transceiver OVI40 - SP3OSJ - 12-12-2017, 19:34
RE: Transceiver OVI40 - SP9BSL - 12-12-2017, 22:15
RE: Transceiver OVI40 - SP4EBI - 12-12-2017, 22:22
RE: Transceiver OVI40 - SP3OSJ - 16-12-2017, 2:06
RE: Transceiver OVI40 - SP9BSL - 16-12-2017, 8:46
RE: Transceiver OVI40 - SP4EBI - 17-12-2017, 13:00
RE: Transceiver OVI40 - SP2GNB - 17-12-2017, 13:10
RE: Transceiver OVI40 - SP9BSL - 17-12-2017, 13:21
RE: Transceiver OVI40 - SP4EBI - 17-12-2017, 15:06
RE: Transceiver OVI40 - SP2GNB - 17-12-2017, 15:40
RE: Transceiver OVI40 - SP4EBI - 17-12-2017, 15:46
RE: Transceiver OVI40 - SP3OSJ - 17-12-2017, 15:58
RE: Transceiver OVI40 - SP9BSL - 17-12-2017, 16:31
RE: Transceiver OVI40 - SP4EBI - 17-12-2017, 16:55
RE: Transceiver OVI40 - SP9BSL - 17-12-2017, 17:00
RE: Transceiver OVI40 - SP4EBI - 17-12-2017, 17:13
RE: Transceiver OVI40 - SP3OSJ - 17-12-2017, 18:26
RE: Transceiver OVI40 - SP9BSL - 17-12-2017, 20:20
RE: Transceiver OVI40 - SP4EBI - 17-12-2017, 20:41
RE: Transceiver OVI40 - SP9BSL - 17-12-2017, 22:37
RE: Transceiver OVI40 - SP4EBI - 17-12-2017, 22:40
RE: Transceiver OVI40 - SP3OSJ - 18-12-2017, 9:36
RE: Transceiver OVI40 - SP9BSL - 18-12-2017, 10:12
RE: Transceiver OVI40 - SP3OSJ - 18-12-2017, 11:09
RE: Transceiver OVI40 - SP9BSL - 18-12-2017, 11:17
RE: Transceiver OVI40 - SP3OSJ - 18-12-2017, 11:36
RE: Transceiver OVI40 - SP9BSL - 18-12-2017, 11:59
RE: Transceiver OVI40 - SP4EBI - 19-12-2017, 19:28
RE: Transceiver OVI40 - SP3OSJ - 20-12-2017, 12:58
RE: Transceiver OVI40 - SP4EBI - 20-12-2017, 13:16
RE: Transceiver OVI40 - SP9BSL - 21-12-2017, 9:44
RE: Transceiver OVI40 - SP3OSJ - 21-12-2017, 10:35
RE: Transceiver OVI40 - SP9BSL - 21-12-2017, 10:49
RE: Transceiver OVI40 - SP4EBI - 21-12-2017, 11:18
RE: Transceiver OVI40 - SP3OSJ - 27-12-2017, 2:09
RE: Transceiver OVI40 - SP9BSL - 27-12-2017, 9:10
RE: Transceiver OVI40 - SP4EBI - 29-12-2017, 12:11
RE: Transceiver OVI40 - SP9BSL - 29-12-2017, 12:17
RE: Transceiver OVI40 - SP4EBI - 29-12-2017, 13:02
RE: Transceiver OVI40 - SP9BSL - 29-12-2017, 13:11
RE: Transceiver OVI40 - SP9BSL - 29-12-2017, 13:28
RE: Transceiver OVI40 - SP4EBI - 29-12-2017, 19:09
RE: Transceiver OVI40 - SP9BSL - 29-12-2017, 21:44
RE: Transceiver OVI40 - SP3OSJ - 31-12-2017, 15:02
RE: Transceiver OVI40 - SP9BSL - 31-12-2017, 15:37
RE: Transceiver OVI40 - SP9AWP - 31-12-2017, 16:31
RE: Transceiver OVI40 - SP9BSL - 31-12-2017, 16:48
RE: Transceiver OVI40 - SP4EBI - 31-12-2017, 17:10
RE: Transceiver OVI40 - SP9BSL - 31-12-2017, 17:19
RE: Transceiver OVI40 - SP3OSJ - 31-12-2017, 17:21
RE: Transceiver OVI40 - SP4EBI - 31-12-2017, 17:24
RE: Transceiver OVI40 - SP9BSL - 31-12-2017, 18:15
RE: Transceiver OVI40 - SP4EBI - 31-12-2017, 18:36
RE: Transceiver OVI40 - SP9BSL - 31-12-2017, 18:43
RE: Transceiver OVI40 - SP4EBI - 31-12-2017, 18:45
RE: Transceiver OVI40 - SP9BSL - 31-12-2017, 18:48
RE: Transceiver OVI40 - SP4EBI - 03-01-2018, 18:25
RE: Transceiver OVI40 - SP9BSL - 03-01-2018, 18:37
RE: Transceiver OVI40 - SP4EBI - 03-01-2018, 19:46
RE: Transceiver OVI40 - SP9BSL - 03-01-2018, 20:18
RE: Transceiver OVI40 - SP4EBI - 03-01-2018, 20:24
RE: Transceiver OVI40 - SP9BSL - 03-01-2018, 21:08
RE: Transceiver OVI40 - SP4EBI - 03-01-2018, 21:10
RE: Transceiver OVI40 - SP3OSJ - 04-01-2018, 0:24
RE: Transceiver OVI40 - SP4EBI - 04-01-2018, 2:19
RE: Transceiver OVI40 - SP9BSL - 04-01-2018, 9:01
RE: Transceiver OVI40 - SP4EBI - 04-01-2018, 12:18
RE: Transceiver OVI40 - SP9BSL - 04-01-2018, 12:23
RE: Transceiver OVI40 - SP4EBI - 04-01-2018, 12:29
RE: Transceiver OVI40 - SP9BSL - 06-01-2018, 10:13
RE: Transceiver OVI40 - SP9BSL - 06-01-2018, 17:35
RE: Transceiver OVI40 - SP4EBI - 07-01-2018, 14:40
RE: Transceiver OVI40 - SP9BSL - 07-01-2018, 15:25
RE: Transceiver OVI40 - SP4EBI - 07-01-2018, 15:38
RE: Transceiver OVI40 - SP9BSL - 07-01-2018, 15:42
RE: Transceiver OVI40 - SP4EBI - 07-01-2018, 15:48
RE: Transceiver OVI40 - SP9BSL - 07-01-2018, 17:04
RE: Transceiver OVI40 - SP9BSL - 07-01-2018, 20:50
RE: Transceiver OVI40 - SP9BSL - 09-01-2018, 18:54
RE: Transceiver OVI40 - SP9BSL - 09-01-2018, 22:11
RE: Transceiver OVI40 - SP3OSJ - 09-01-2018, 22:11
RE: Transceiver OVI40 - SP9BSL - 09-01-2018, 22:14
RE: Transceiver OVI40 - SP9BSL - 09-01-2018, 22:31
RE: Transceiver OVI40 - SP9BSL - 10-01-2018, 20:15
RE: Transceiver OVI40 - SP3OSJ - 11-01-2018, 21:36
RE: Transceiver OVI40 - SP3OSJ - 11-01-2018, 23:12
RE: Transceiver OVI40 - SP3OSJ - 16-01-2018, 1:45
RE: Transceiver OVI40 - SP9BSL - 16-01-2018, 8:35
RE: Transceiver OVI40 - SP3OSJ - 16-01-2018, 12:49
RE: Transceiver OVI40 - SP9BSL - 16-01-2018, 12:54
RE: Transceiver OVI40 - SP3OSJ - 24-01-2018, 19:47
RE: Transceiver OVI40 - SP9BSL - 24-01-2018, 23:43
RE: Transceiver OVI40 - SP3OSJ - 25-01-2018, 2:03
RE: Transceiver OVI40 - SP9BSL - 25-01-2018, 9:34
RE: Transceiver OVI40 - SP3OSJ - 25-01-2018, 16:51
RE: Transceiver OVI40 - SP9BSL - 25-01-2018, 23:41
RE: Transceiver OVI40 - SP9BSL - 29-01-2018, 14:35
RE: Transceiver OVI40 - SP2GNB - 01-02-2018, 20:00
RE: Transceiver OVI40 - SP2GNB - 06-02-2018, 9:41
RE: Transceiver OVI40 - SP9BSL - 06-02-2018, 10:10
RE: Transceiver OVI40 - SP2GNB - 06-02-2018, 11:35
RE: Transceiver OVI40 - SP9BSL - 06-02-2018, 11:54
RE: Transceiver OVI40 - SP2GNB - 06-02-2018, 12:19
RE: Transceiver OVI40 - SP9BSL - 06-02-2018, 12:23
RE: Transceiver OVI40 - SP2GNB - 06-02-2018, 12:42
RE: Transceiver OVI40 - SP2GNB - 06-02-2018, 14:41
RE: Transceiver OVI40 - SP9BSL - 06-02-2018, 21:48
RE: Transceiver OVI40 - SP3OSJ - 06-02-2018, 21:06
RE: Transceiver OVI40 - SP2GNB - 06-02-2018, 21:39
RE: Transceiver OVI40 - SP2GNB - 07-02-2018, 9:33
RE: Transceiver OVI40 - SP9BSL - 07-02-2018, 16:04
RE: Transceiver OVI40 - SP2GNB - 07-02-2018, 18:32
RE: Transceiver OVI40 - SP9BSL - 07-02-2018, 23:04
RE: Transceiver OVI40 - SP9BSL - 08-02-2018, 11:53
RE: Transceiver OVI40 - SP2GNB - 08-02-2018, 13:34
RE: Transceiver OVI40 - SP2GNB - 09-02-2018, 14:51
RE: Transceiver OVI40 - SP9BSL - 09-02-2018, 15:13
RE: Transceiver OVI40 - SP2GNB - 09-02-2018, 15:41
RE: Transceiver OVI40 - SP9BSL - 09-02-2018, 15:44
RE: Transceiver OVI40 - SP3OSJ - 09-02-2018, 16:22
RE: Transceiver OVI40 - SP2GNB - 09-02-2018, 16:51
RE: Transceiver OVI40 - SP3OSJ - 09-02-2018, 22:06
RE: Transceiver OVI40 - SP9BSL - 09-02-2018, 22:56
RE: Transceiver OVI40 - SP3OSJ - 12-02-2018, 18:58
RE: Transceiver OVI40 - SP9BSL - 12-02-2018, 19:05
RE: Transceiver OVI40 - SP3OSJ - 12-02-2018, 20:11
RE: Transceiver OVI40 - SP9BSL - 12-02-2018, 22:01
RE: Transceiver OVI40 - SP3OSJ - 13-02-2018, 0:41
RE: Transceiver OVI40 - SP9BSL - 13-02-2018, 0:47
RE: Transceiver OVI40 - SP2GNB - 16-02-2018, 9:47
RE: Transceiver OVI40 - SP9BSL - 16-02-2018, 13:33
RE: Transceiver OVI40 - SP3OSJ - 16-02-2018, 19:35
RE: Transceiver OVI40 - SP9BSL - 16-02-2018, 20:13
RE: Transceiver OVI40 - SP3OSJ - 20-02-2018, 11:23
RE: Transceiver OVI40 - SP2GNB - 22-02-2018, 22:58
RE: Transceiver OVI40 - SP9BSL - 22-02-2018, 23:46
RE: Transceiver OVI40 - SP3OSJ - 23-02-2018, 0:14
RE: Transceiver OVI40 - SP9BSL - 23-02-2018, 0:30
RE: Transceiver OVI40 - SP3OSJ - 23-02-2018, 13:07
RE: Transceiver OVI40 - SP2GNB - 23-02-2018, 15:54
RE: Transceiver OVI40 - SP9BSL - 23-02-2018, 16:09
RE: Transceiver OVI40 - SP2GNB - 23-02-2018, 17:41
RE: Transceiver OVI40 - SP2GNB - 24-02-2018, 11:08
RE: Transceiver OVI40 - SP9BSL - 24-02-2018, 12:03
RE: Transceiver OVI40 - SP2GNB - 24-02-2018, 14:24
RE: Transceiver OVI40 - SP9BSL - 24-02-2018, 17:15
RE: Transceiver OVI40 - SP2GNB - 26-02-2018, 19:40
RE: Transceiver OVI40 - SP3OSJ - 16-03-2018, 12:21
RE: Transceiver OVI40 - SP9BSL - 16-03-2018, 12:40
RE: Transceiver OVI40 - SP3OSJ - 16-03-2018, 13:22
RE: Transceiver OVI40 - SP9BSL - 16-03-2018, 15:25
RE: Transceiver OVI40 - SP2GNB - 16-03-2018, 14:44
RE: Transceiver OVI40 - SP9BSL - 05-04-2018, 22:51
RE: Transceiver OVI40 - SP3OSJ - 06-04-2018, 0:13
RE: Transceiver OVI40 - SP9BSL - 06-04-2018, 10:27
RE: Transceiver OVI40 - SP2GNB - 06-04-2018, 10:45
RE: Transceiver OVI40 - SP3OSJ - 13-04-2018, 14:32
RE: Transceiver OVI40 - SP9BSL - 13-04-2018, 15:57
RE: Transceiver OVI40 - SP3OSJ - 13-04-2018, 16:12
RE: Transceiver OVI40 - SP9BSL - 13-04-2018, 16:20
RE: Transceiver OVI40 - SP3OSJ - 13-04-2018, 16:45
RE: Transceiver OVI40 - SP9BSL - 13-04-2018, 16:51
RE: Transceiver OVI40 - SP2GNB - 13-04-2018, 18:04
RE: Transceiver OVI40 - SP9BSL - 13-04-2018, 18:27
RE: Transceiver OVI40 - SP3OSJ - 13-04-2018, 19:41
RE: Transceiver OVI40 - SP9BSL - 13-04-2018, 19:45
RE: Transceiver OVI40 - SP2GNB - 14-04-2018, 11:45
RE: Transceiver OVI40 - SP3OSJ - 14-04-2018, 12:20
RE: Transceiver OVI40 - SP2GNB - 14-04-2018, 12:40
RE: Transceiver OVI40 - SP9BSL - 14-04-2018, 22:21
RE: Transceiver OVI40 - SP3OSJ - 14-04-2018, 13:20
RE: Transceiver OVI40 - SP2GNB - 14-04-2018, 17:17
RE: Transceiver OVI40 - SP2GNB - 15-04-2018, 9:54
RE: Transceiver OVI40 - SP9BSL - 15-04-2018, 10:06
RE: Transceiver OVI40 - SP9BSL - 18-04-2018, 12:50
RE: Transceiver OVI40 - SP4EBI - 18-04-2018, 13:15
RE: Transceiver OVI40 - SP3OSJ - 18-04-2018, 17:25
RE: Transceiver OVI40 - SP9BSL - 18-04-2018, 17:36
RE: Transceiver OVI40 - SP3OSJ - 19-04-2018, 10:49
RE: Transceiver OVI40 - SP9BSL - 19-04-2018, 11:13
RE: Transceiver OVI40 - SP3OSJ - 19-04-2018, 12:53
RE: Transceiver OVI40 - SP9BSL - 19-04-2018, 13:05
RE: Transceiver OVI40 - SP3OSJ - 19-04-2018, 20:40
RE: Transceiver OVI40 - SP2GNB - 19-04-2018, 22:48
RE: Transceiver OVI40 - SP3OSJ - 19-04-2018, 23:32
RE: Transceiver OVI40 - SP2GNB - 19-04-2018, 23:55
RE: Transceiver OVI40 - SP9BSL - 20-04-2018, 8:33
RE: Transceiver OVI40 - SP3OSJ - 20-04-2018, 13:12
RE: Transceiver OVI40 - SP9BSL - 20-04-2018, 15:39
RE: Transceiver OVI40 - SP9BSL - 04-05-2018, 17:46
RE: Transceiver OVI40 - SP4EBI - 04-05-2018, 21:31
RE: Transceiver OVI40 - SP9BSL - 04-05-2018, 22:22
RE: Transceiver OVI40 - SP4EBI - 05-05-2018, 0:21
RE: Transceiver OVI40 - SP3OSJ - 05-05-2018, 20:40
RE: Transceiver OVI40 - SP2GNB - 06-05-2018, 9:17
RE: Transceiver OVI40 - SP4EBI - 07-05-2018, 12:32
RE: Transceiver OVI40 - SP9BSL - 07-05-2018, 13:37
RE: Transceiver OVI40 - SP9BSL - 07-05-2018, 14:46
RE: Transceiver OVI40 - SP3OSJ - 07-05-2018, 17:29
RE: Transceiver OVI40 - SP9BSL - 07-05-2018, 17:38
RE: Transceiver OVI40 - SP4EBI - 07-05-2018, 22:02
RE: Transceiver OVI40 - SP9BSL - 08-05-2018, 8:55
RE: Transceiver OVI40 - SP3OSJ - 08-05-2018, 13:51
RE: Transceiver OVI40 - SP9BSL - 08-05-2018, 14:35
RE: Transceiver OVI40 - SP3OSJ - 08-05-2018, 15:56
RE: Transceiver OVI40 - SP9BSL - 08-05-2018, 16:19
RE: Transceiver OVI40 - SP4EBI - 09-05-2018, 14:31
RE: Transceiver OVI40 - SP9BSL - 09-05-2018, 15:05
RE: Transceiver OVI40 - SP3OSJ - 09-05-2018, 18:31
RE: Transceiver OVI40 - SP4EBI - 09-05-2018, 15:15
RE: Transceiver OVI40 - SP9BSL - 11-05-2018, 10:34
RE: Transceiver OVI40 - SP3OSJ - 11-05-2018, 12:44
RE: Transceiver OVI40 - SP4EBI - 11-05-2018, 13:18
RE: Transceiver OVI40 - SP3OSJ - 11-05-2018, 13:49
RE: Transceiver OVI40 - SP9BSL - 11-05-2018, 13:51
RE: Transceiver OVI40 - SP3OSJ - 11-05-2018, 14:31
RE: Transceiver OVI40 - SP9BSL - 11-05-2018, 14:32
RE: Transceiver OVI40 - SP3OSJ - 11-05-2018, 15:01
RE: Transceiver OVI40 - SP9BSL - 11-05-2018, 15:35
RE: Transceiver OVI40 - SP3OSJ - 18-05-2018, 13:46
RE: Transceiver OVI40 - SP9BSL - 18-05-2018, 14:09
RE: Transceiver OVI40 - SP3OSJ - 18-05-2018, 17:52
RE: Transceiver OVI40 - SP9BSL - 03-06-2018, 20:18
RE: Transceiver OVI40 - SP4EBI - 03-06-2018, 20:36
RE: Transceiver OVI40 - SP9BSL - 03-06-2018, 20:49
RE: Transceiver OVI40 - SP3OSJ - 04-06-2018, 9:03
RE: Transceiver OVI40 - SP9BSL - 04-06-2018, 11:15
RE: Transceiver OVI40 - SP3OSJ - 04-06-2018, 14:37
RE: Transceiver OVI40 - SP9BSL - 04-06-2018, 14:46
RE: Transceiver OVI40 - SP3OSJ - 04-06-2018, 15:02
RE: Transceiver OVI40 - SP9BSL - 04-06-2018, 15:32
RE: Transceiver OVI40 - SP3OSJ - 04-06-2018, 21:01
RE: Transceiver OVI40 - SP9BSL - 04-06-2018, 21:15
RE: Transceiver OVI40 - SP4EBI - 04-06-2018, 21:31
RE: Transceiver OVI40 - SP9BSL - 04-06-2018, 21:33
RE: Transceiver OVI40 - SP4EBI - 04-06-2018, 22:19
RE: Transceiver OVI40 - SP9FKP - 06-06-2018, 11:10
RE: Transceiver OVI40 - SP9BSL - 06-06-2018, 11:31
RE: Transceiver OVI40 - SP9BSL - 06-06-2018, 11:57
RE: Transceiver OVI40 - SP3OSJ - 06-06-2018, 17:20
RE: Transceiver OVI40 - SP2GNB - 06-06-2018, 20:05
RE: Transceiver OVI40 - SP9BSL - 08-06-2018, 12:33
RE: Transceiver OVI40 - SP3OSJ - 09-06-2018, 15:53
RE: Transceiver OVI40 - SP2GNB - 09-06-2018, 17:07
RE: Transceiver OVI40 - SP3OSJ - 11-06-2018, 13:15
RE: Transceiver OVI40 - SP2GNB - 11-06-2018, 14:02
RE: Transceiver OVI40 - GREG - 11-06-2018, 13:48
RE: Transceiver OVI40 - SP3OSJ - 11-06-2018, 17:04
RE: Transceiver OVI40 - SP9BSL - 13-06-2018, 21:11
RE: Transceiver OVI40 - SP3OSJ - 14-06-2018, 3:40
RE: Transceiver OVI40 - SP9BSL - 14-06-2018, 8:33
RE: Transceiver OVI40 - SP3OSJ - 14-06-2018, 9:25
RE: Transceiver OVI40 - SP9BSL - 14-06-2018, 9:43
RE: Transceiver OVI40 - SP3OSJ - 14-06-2018, 10:21
RE: Transceiver OVI40 - SP9BSL - 14-06-2018, 10:44
RE: Transceiver OVI40 - SP3OSJ - 14-06-2018, 13:54
RE: Transceiver OVI40 - SP9BSL - 14-06-2018, 14:41
RE: Transceiver OVI40 - SP4EBI - 14-06-2018, 17:18
RE: Transceiver OVI40 - SP9BSL - 14-06-2018, 18:15
RE: Transceiver OVI40 - SP2GNB - 28-06-2018, 15:02
RE: Transceiver OVI40 - SP9BSL - 28-06-2018, 16:05
RE: Transceiver OVI40 - SP2GNB - 28-06-2018, 18:22
RE: Transceiver OVI40 - SP3OSJ - 29-06-2018, 20:52
RE: Transceiver OVI40 - SP9BSL - 29-06-2018, 21:34
RE: Transceiver OVI40 - SP3OSJ - 29-06-2018, 22:34
RE: Transceiver OVI40 - SP9BSL - 29-06-2018, 22:47
RE: Transceiver OVI40 - SP3OSJ - 29-06-2018, 23:05
RE: Transceiver OVI40 - SP9BSL - 30-06-2018, 12:41
RE: Transceiver OVI40 - SP2GNB - 03-07-2018, 14:47
RE: Transceiver OVI40 - SP9BSL - 03-07-2018, 17:06
RE: Transceiver OVI40 - SP2GNB - 03-07-2018, 18:22
RE: Transceiver OVI40 - SP2GNB - 07-07-2018, 13:19
RE: Transceiver OVI40 - SP3OSJ - 13-07-2018, 22:10
RE: Transceiver OVI40 - GREG - 13-07-2018, 22:30
RE: Transceiver OVI40 - SP2GNB - 15-07-2018, 10:23
RE: Transceiver OVI40 - SP3OSJ - 15-07-2018, 11:23
RE: Transceiver OVI40 - GREG - 15-07-2018, 14:47
RE: Transceiver OVI40 - SP2GNB - 15-07-2018, 15:31
RE: Transceiver OVI40 - SP3OSJ - 17-07-2018, 19:42
RE: Transceiver OVI40 - SP9BSL - 17-07-2018, 22:41
RE: Transceiver OVI40 - SP2GNB - 17-07-2018, 23:12
RE: Transceiver OVI40 - SP9BSL - 18-07-2018, 14:56
RE: Transceiver OVI40 - SP2GNB - 18-07-2018, 17:15
RE: Transceiver OVI40 - SP4EBI - 18-07-2018, 18:56
RE: Transceiver OVI40 - SP9BSL - 18-07-2018, 19:24
RE: Transceiver OVI40 - SP4EBI - 18-07-2018, 20:42
RE: Transceiver OVI40 - SP9BSL - 19-07-2018, 9:45
RE: Transceiver OVI40 - GREG - 19-07-2018, 9:48
RE: Transceiver OVI40 - SP4EBI - 19-07-2018, 15:37
RE: Transceiver OVI40 - SP9BSL - 20-07-2018, 22:56
RE: Transceiver OVI40 - SP4EBI - 21-07-2018, 19:24
RE: Transceiver OVI40 - SP9BSL - 23-07-2018, 11:30
RE: Transceiver OVI40 - SP9BSL - 28-07-2018, 10:42
RE: Transceiver OVI40 - GREG - 28-07-2018, 13:03
RE: Transceiver OVI40 - SP9BSL - 31-07-2018, 9:36
RE: Transceiver OVI40 - SP3OSJ - 06-08-2018, 18:40
RE: Transceiver OVI40 - SP9BSL - 06-08-2018, 22:48
RE: Transceiver OVI40 - SP3OSJ - 07-08-2018, 8:40
RE: Transceiver OVI40 - SP9BSL - 07-08-2018, 8:59
RE: Transceiver OVI40 - SP3OSJ - 07-08-2018, 9:09
RE: Transceiver OVI40 - SP9BSL - 07-08-2018, 17:33
RE: Transceiver OVI40 - SP9BSL - 08-08-2018, 8:31
RE: Transceiver OVI40 - SP3OSJ - 10-08-2018, 7:47
RE: Transceiver OVI40 - SP9BSL - 10-08-2018, 9:14
RE: Transceiver OVI40 - SP3OSJ - 10-08-2018, 11:42
RE: Transceiver OVI40 - SP9BSL - 10-08-2018, 11:55
RE: Transceiver OVI40 - SP3OSJ - 10-08-2018, 12:30
RE: Transceiver OVI40 - SP3OSJ - 10-08-2018, 15:14
RE: Transceiver OVI40 - SQ8AQX - 11-08-2018, 0:25
RE: Transceiver OVI40 - SP3OSJ - 11-08-2018, 9:10
RE: Transceiver OVI40 - SP2GNB - 15-08-2018, 17:21
RE: Transceiver OVI40 - SP9BSL - 15-08-2018, 22:09
RE: Transceiver OVI40 - SP3OSJ - 16-08-2018, 8:09
RE: Transceiver OVI40 - SP2GNB - 16-08-2018, 9:01
RE: Transceiver OVI40 - SP3OSJ - 16-08-2018, 9:45
RE: Transceiver OVI40 - SP2GNB - 16-08-2018, 11:38
RE: Transceiver OVI40 - SP9BSL - 16-08-2018, 12:37
RE: Transceiver OVI40 - SP3OSJ - 16-08-2018, 13:36
RE: Transceiver OVI40 - SP9BSL - 16-08-2018, 14:41
RE: Transceiver OVI40 - SP2GNB - 17-08-2018, 9:44
RE: Transceiver OVI40 - SP2GNB - 16-08-2018, 13:07
RE: Transceiver OVI40 - SP2GNB - 20-08-2018, 8:59
RE: Transceiver OVI40 - SP9BSL - 20-08-2018, 10:12
RE: Transceiver OVI40 - SP2GNB - 20-08-2018, 11:16
RE: Transceiver OVI40 - SP9BSL - 20-08-2018, 11:20
RE: Transceiver OVI40 - SP2GNB - 20-08-2018, 11:40
RE: Transceiver OVI40 - SP9BSL - 20-08-2018, 23:04
RE: Transceiver OVI40 - SP2GNB - 20-08-2018, 23:49
RE: Transceiver OVI40 - SP3OSJ - 22-08-2018, 12:49
RE: Transceiver OVI40 - SP9BSL - 22-08-2018, 13:18
RE: Transceiver OVI40 - SP2GNB - 22-08-2018, 13:31
RE: Transceiver OVI40 - SP9BSL - 22-08-2018, 13:50
RE: Transceiver OVI40 - SP2GNB - 22-08-2018, 14:30
RE: Transceiver OVI40 - SP3OSJ - 22-08-2018, 15:40
RE: Transceiver OVI40 - SP9BSL - 22-08-2018, 15:45
RE: Transceiver OVI40 - SP2GNB - 22-08-2018, 20:27
RE: Transceiver OVI40 - SP9BSL - 22-08-2018, 22:09
RE: Transceiver OVI40 - SP3OSJ - 22-08-2018, 22:40
RE: Transceiver OVI40 - SP2GNB - 22-08-2018, 22:46
RE: Transceiver OVI40 - SP9BSL - 22-08-2018, 22:48
RE: Transceiver OVI40 - SP9BSL - 23-08-2018, 8:59
RE: Transceiver OVI40 - SP2GNB - 23-08-2018, 20:49
RE: Transceiver OVI40 - SP3OSJ - 28-08-2018, 15:27
RE: Transceiver OVI40 - SP9BSL - 28-08-2018, 17:57
RE: Transceiver OVI40 - SP3OSJ - 28-08-2018, 20:11
RE: Transceiver OVI40 - SP9BSL - 28-08-2018, 20:26
RE: Transceiver OVI40 - SP2GNB - 28-08-2018, 21:52
RE: Transceiver OVI40 - SP9BSL - 28-08-2018, 23:05
RE: Transceiver OVI40 - SP2GNB - 29-08-2018, 7:59
RE: Transceiver OVI40 - SP2GNB - 29-08-2018, 10:10
RE: Transceiver OVI40 - SP9BSL - 29-08-2018, 10:40
RE: Transceiver OVI40 - SP3OSJ - 29-08-2018, 11:45
RE: Transceiver OVI40 - SP2GNB - 29-08-2018, 13:31
RE: Transceiver OVI40 - SP3OSJ - 29-08-2018, 14:16
RE: Transceiver OVI40 - SP9BSL - 29-08-2018, 11:56
RE: Transceiver OVI40 - SP4EBI - 29-08-2018, 12:30
RE: Transceiver OVI40 - SP9BSL - 29-08-2018, 13:40
RE: Transceiver OVI40 - SP9BSL - 29-08-2018, 14:29
RE: Transceiver OVI40 - SP4EBI - 29-08-2018, 14:30
RE: Transceiver OVI40 - SP9BSL - 29-08-2018, 14:37
RE: Transceiver OVI40 - SP4EBI - 29-08-2018, 14:46
RE: Transceiver OVI40 - SP2GNB - 29-08-2018, 20:47
RE: Transceiver OVI40 - SP3JDZ - 01-09-2018, 12:17
RE: Transceiver OVI40 - SP9BSL - 01-09-2018, 12:31
RE: Transceiver OVI40 - SP3OSJ - 01-09-2018, 15:54
RE: Transceiver OVI40 - SP3JDZ - 01-09-2018, 12:38
RE: Transceiver OVI40 - GREG - 01-09-2018, 16:13
RE: Transceiver OVI40 - SP3JDZ - 01-09-2018, 19:45
RE: Transceiver OVI40 - SP9BSL - 01-09-2018, 12:43
RE: Transceiver OVI40 - SP3JDZ - 01-09-2018, 15:43
RE: Transceiver OVI40 - SP9BSL - 01-09-2018, 16:02
RE: Transceiver OVI40 - SP3OSJ - 02-09-2018, 17:39
RE: Transceiver OVI40 - SP2GNB - 02-09-2018, 19:13
RE: Transceiver OVI40 - GREG - 02-09-2018, 17:46
RE: Transceiver OVI40 - SP4EBI - 02-09-2018, 20:02
RE: Transceiver OVI40 - SP3OSJ - 02-09-2018, 22:11
RE: Transceiver OVI40 - SP2GNB - 03-09-2018, 8:45
RE: Transceiver OVI40 - SP4EBI - 03-09-2018, 9:25
RE: Transceiver OVI40 - SP4EBI - 03-09-2018, 9:46
RE: Transceiver OVI40 - SP3OSJ - 03-09-2018, 9:56
RE: Transceiver OVI40 - SP2GNB - 03-09-2018, 10:24
RE: Transceiver OVI40 - SP9AWP - 05-09-2018, 12:15
RE: Transceiver OVI40 - SP3OSJ - 05-09-2018, 17:49
RE: Transceiver OVI40 - SP9BSL - 05-09-2018, 20:34
RE: Transceiver OVI40 - SP4EBI - 05-09-2018, 21:45
RE: Transceiver OVI40 - SP4EBI - 06-09-2018, 12:10
RE: Transceiver OVI40 - SP3OSJ - 06-09-2018, 13:56
RE: Transceiver OVI40 - SP2GNB - 06-09-2018, 19:21
RE: Transceiver OVI40 - SP9BSL - 06-09-2018, 20:41
RE: Transceiver OVI40 - SP9BSL - 06-09-2018, 22:27
RE: Transceiver OVI40 - SP2GNB - 06-09-2018, 23:13
RE: Transceiver OVI40 - SP3JDZ - 12-09-2018, 12:53
RE: Transceiver OVI40 - SP2GNB - 12-09-2018, 14:13
RE: Transceiver OVI40 - SP3JDZ - 12-09-2018, 15:07
RE: Transceiver OVI40 - SP9BSL - 14-09-2018, 15:08
RE: Transceiver OVI40 - SP2GNB - 16-09-2018, 11:58
RE: Transceiver OVI40 - SP9BSL - 16-09-2018, 13:14
RE: Transceiver OVI40 - SP2GNB - 16-09-2018, 14:01
RE: Transceiver OVI40 - SP9BSL - 16-09-2018, 14:29
RE: Transceiver OVI40 - SP2GNB - 16-09-2018, 16:38
RE: Transceiver OVI40 - SP4EBI - 16-09-2018, 20:16
RE: Transceiver OVI40 - SP4EBI - 16-09-2018, 20:48
RE: Transceiver OVI40 - SP9BSL - 16-09-2018, 22:43
RE: Transceiver OVI40 - SP4EBI - 16-09-2018, 23:37
RE: Transceiver OVI40 - SP9BSL - 17-09-2018, 8:25
RE: Transceiver OVI40 - SP3OSJ - 22-09-2018, 18:51
RE: Transceiver OVI40 - SP9BSL - 22-09-2018, 21:44
RE: Transceiver OVI40 - SP2GNB - 23-09-2018, 18:55
RE: Transceiver OVI40 - SP9BSL - 23-09-2018, 20:08
RE: Transceiver OVI40 - SP2GNB - 23-09-2018, 20:18
RE: Transceiver OVI40 - SP9BSL - 23-09-2018, 20:52
RE: Transceiver OVI40 - SP2GNB - 24-09-2018, 20:18
RE: Transceiver OVI40 - SP9BSL - 24-09-2018, 21:45
RE: Transceiver OVI40 - SP2GNB - 25-09-2018, 10:03
RE: Transceiver OVI40 - RK6AJE - 25-09-2018 20:47
RE: Transceiver OVI40 - SP9BSL - 26-09-2018, 8:17
RE: Transceiver OVI40 - SP2GNB - 26-09-2018, 8:26
RE: Transceiver OVI40 - SP9BSL - 26-09-2018, 8:39
RE: Transceiver OVI40 - SP2GNB - 26-09-2018, 9:32
RE: Transceiver OVI40 - SP9FKP - 26-09-2018, 11:05
RE: Transceiver OVI40 - RK6AJE - 26-09-2018, 9:48
RE: Transceiver OVI40 - SP9BSL - 26-09-2018, 10:52
RE: Transceiver OVI40 - SP3OSJ - 26-09-2018, 16:23
RE: Transceiver OVI40 - SP2GNB - 27-09-2018, 11:59
RE: Transceiver OVI40 - SP9BSL - 27-09-2018, 13:06
RE: Transceiver OVI40 - SP3OSJ - 27-09-2018, 14:26
RE: Transceiver OVI40 - SP4EBI - 02-10-2018, 11:02
RE: Transceiver OVI40 - SQ9RNV - 02-10-2018, 13:30
RE: Transceiver OVI40 - SP4EBI - 04-10-2018, 11:45
RE: Transceiver OVI40 - SQ9RNV - 04-10-2018, 15:08
RE: Transceiver OVI40 - SP2GNB - 04-10-2018, 12:14
RE: Transceiver OVI40 - SP9BSL - 04-10-2018, 12:24
RE: Transceiver OVI40 - SP3OSJ - 04-10-2018, 14:50
RE: Transceiver OVI40 - SP2GNB - 04-10-2018, 15:06
RE: Transceiver OVI40 - SP3OSJ - 08-10-2018, 13:03
RE: Transceiver OVI40 - SP4EBI - 04-10-2018, 15:23
RE: Transceiver OVI40 - SQ9RNV - 04-10-2018, 16:51
RE: Transceiver OVI40 - SP3OSJ - 05-10-2018, 14:49
RE: Transceiver OVI40 - SQ9RNV - 05-10-2018, 18:16
RE: Transceiver OVI40 - SP4EBI - 05-10-2018, 18:23
RE: Transceiver OVI40 - SQ9RNV - 05-10-2018, 19:10
RE: Transceiver OVI40 - SP3OSJ - 06-10-2018, 22:25
RE: Transceiver OVI40 - SQ9RNV - 07-10-2018, 8:37
RE: Transceiver OVI40 - SP3OSJ - 08-10-2018, 0:47
RE: Transceiver OVI40 - SP2GNB - 08-10-2018, 13:10
RE: Transceiver OVI40 - SP3OSJ - 08-10-2018, 14:39
RE: Transceiver OVI40 - SP3JDZ - 08-10-2018, 15:00
RE: Transceiver OVI40 - GREG - 08-10-2018, 20:19
RE: Transceiver OVI40 - SP3JDZ - 08-10-2018, 20:41
RE: Transceiver OVI40 - SP3OSJ - 08-10-2018, 20:58
RE: Transceiver OVI40 - SP3JDZ - 09-10-2018, 7:45
RE: Transceiver OVI40 - SP3OSJ - 14-10-2018, 1:15
RE: Transceiver OVI40 - SP2GNB - 14-10-2018, 8:37
RE: Transceiver OVI40 - SP2GNB - 18-10-2018, 15:00
RE: Transceiver OVI40 - GREG - 30-10-2018, 13:59
RE: Transceiver OVI40 - SP3OSJ - 31-10-2018, 10:27
RE: Transceiver OVI40 - GREG - 31-10-2018, 23:36
RE: Transceiver OVI40 - SP4EBI - 10-12-2018, 19:47
RE: Transceiver OVI40 - SP3OSJ - 11-12-2018, 10:41
RE: Transceiver OVI40 - SP9MK - 11-12-2018, 11:59
RE: Transceiver OVI40 - SP3OSJ - 11-12-2018, 13:16
RE: Transceiver OVI40 - SP9MK - 11-12-2018, 13:25
RE: Transceiver OVI40 - SP9BSL - 05-01-2019, 21:27
RE: Transceiver OVI40 - GREG - 05-01-2019, 23:01
RE: Transceiver OVI40 - SP9BSL - 05-01-2019, 23:43
RE: Transceiver OVI40 - SP3OSJ - 06-01-2019, 0:42
RE: Transceiver OVI40 - SP9BSL - 06-01-2019, 12:22
RE: Transceiver OVI40 - SP3OSJ - 06-01-2019, 14:32
RE: Transceiver OVI40 - SP9BSL - 06-01-2019, 14:46
RE: Transceiver OVI40 - SQ8MXL - 06-01-2019, 22:01
RE: Transceiver OVI40 - SP6AUO - 06-01-2019, 22:46
RE: Transceiver OVI40 - SP9BSL - 06-01-2019, 22:50
RE: Transceiver OVI40 - SP3OSJ - 07-01-2019, 12:21
RE: Transceiver OVI40 - SP9BSL - 18-01-2019, 13:44
RE: Transceiver OVI40 - SP3OSJ - 18-01-2019, 16:42
RE: Transceiver OVI40 - SP3OSJ - 18-01-2019, 22:58
RE: Transceiver OVI40 - SP9BSL - 19-01-2019, 0:17
RE: Transceiver OVI40 - GREG - 23-01-2019, 11:46
RE: Transceiver OVI40 - SP4EBI - 19-02-2019, 1:32
RE: Transceiver OVI40 - GREG - 19-02-2019, 16:22
RE: Transceiver OVI40 - SP3OSJ - 19-02-2019, 23:57
RE: Transceiver OVI40 - SP9BSL - 20-02-2019, 11:32
RE: Transceiver OVI40 - SP9BSL - 20-02-2019, 11:55
RE: Transceiver OVI40 - SP4EBI - 20-02-2019, 12:32
RE: Transceiver OVI40 - SP4EBI - 20-02-2019, 13:32
RE: Transceiver OVI40 - SP3OSJ - 20-02-2019, 15:15
RE: Transceiver OVI40 - SP9BSL - 20-02-2019, 16:36
RE: Transceiver OVI40 - SP3OSJ - 20-02-2019, 17:09
RE: Transceiver OVI40 - SP9FKP - 20-02-2019, 19:20
RE: Transceiver OVI40 - SP3OSJ - 21-02-2019, 14:05
RE: Transceiver OVI40 - SP5FCS - 21-02-2019, 14:44
RE: Transceiver OVI40 - SP3OSJ - 21-02-2019, 18:56
RE: Transceiver OVI40 - SP9BSL - 22-02-2019, 0:37
RE: Transceiver OVI40 - SP3OSJ - 22-02-2019, 3:06
RE: Transceiver OVI40 - GREG - 23-02-2019, 16:55
RE: Transceiver OVI40 - SP9BSL - 24-02-2019, 14:48
RE: Transceiver OVI40 - GREG - 25-02-2019, 18:54
RE: Transceiver OVI40 - SP9BSL - 25-02-2019, 19:56
RE: Transceiver OVI40 - GREG - 26-02-2019, 15:02
RE: Transceiver OVI40 - SP9BSL - 26-02-2019, 15:12
RE: Transceiver OVI40 - SQ8MXL - 05-03-2019, 20:52
RE: Transceiver OVI40 - SP9BSL - 05-03-2019, 23:13
RE: Transceiver OVI40 - SQ8MXL - 06-03-2019, 13:19
RE: Transceiver OVI40 - SQ8MVY - 06-03-2019, 14:21
RE: Transceiver OVI40 - SQ8MXL - 07-03-2019, 22:12
RE: Transceiver OVI40 - GREG - 09-03-2019, 14:26
RE: Transceiver OVI40 - SP4EBI - 09-03-2019, 16:47
RE: Transceiver OVI40 - SP9BSL - 09-03-2019, 23:00
RE: Transceiver OVI40 - SP4EBI - 10-03-2019, 1:15

Skocz do:


Użytkownicy przeglądający ten wątek: 3 gości