Odpowiedz 
 
Ocena wątku:
  • 3 Głosów - 5 Średnio
  • 1
  • 2
  • 3
  • 4
  • 5
Skrzynka przy antenie
SP3SWJ Offline
Jarek
****

Liczba postów: 656
Dołączył: 20-03-2010
Post: #50
RE: Skrzynka przy antenie
;-) pozwolę sobie wykonać test wstawiania obrazka :-)

Proponowana obudowa :-)

İmage


Ale jak ktoś chce to i w plastikowe wiadro zamontuje :-)
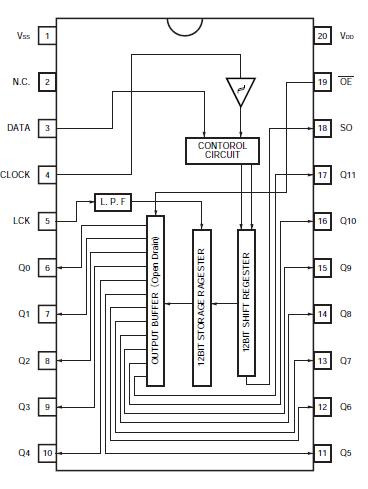
Coś dla miłośników Serial IN - Paralel OUT BU2099FV

İmage

Tylko dostępność do bani i mały prąd wyjściowy..

Z takimi scalakami to przydał by się procek gabarytów MEGA8 ale 128 k pamięci i dwa porty COM .... Cool


Załączone pliki
.pdf  BU2099FV.pdf (Rozmiar: 245.29 KB / Pobrań: 961)
(Ten post był ostatnio modyfikowany: 05-09-2010 18:25 przez SP3SWJ.)
05-09-2010 17:05
Odwiedź stronę użytkownika Znajdź wszystkie posty użytkownika Odpowiedz cytując ten post
Odpowiedz 


Wiadomości w tym wątku
Skrzynka przy antenie - SP9MRN - 02-09-2010, 15:02
RE: Skrzynka przy antenie - 3Z6AEF - 02-09-2010, 23:15
RE: Skrzynka przy antenie - SQ6ADE - 03-09-2010, 23:08
RE: Skrzynka przy antenie - SP3SWJ - 03-09-2010, 0:32
RE: Skrzynka przy antenie - SP9MRN - 03-09-2010, 11:02
RE: Skrzynka przy antenie - 3Z6AEF - 03-09-2010, 6:50
RE: Skrzynka przy antenie - SP3SWJ - 03-09-2010, 21:46
RE: Skrzynka przy antenie - SP5FCS - 03-09-2010, 22:13
RE: Skrzynka przy antenie - SP9MRN - 03-09-2010, 22:48
RE: Skrzynka przy antenie - SP3SWJ - 03-09-2010, 22:57
RE: Skrzynka przy antenie - 3Z6AEF - 03-09-2010, 23:18
RE: Skrzynka przy antenie - SP9MRN - 04-09-2010, 0:08
RE: Skrzynka przy antenie - SP5FCS - 04-09-2010, 0:10
RE: Skrzynka przy antenie - 3Z6AEF - 04-09-2010, 0:25
RE: Skrzynka przy antenie - SP3SWJ - 04-09-2010, 0:30
RE: Skrzynka przy antenie - 3Z6AEF - 04-09-2010, 0:51
RE: Skrzynka przy antenie - SP3SWJ - 04-09-2010, 1:08
RE: Skrzynka przy antenie - 3Z6AEF - 04-09-2010, 1:35
RE: Skrzynka przy antenie - SP3SWJ - 04-09-2010, 1:53
RE: Skrzynka przy antenie - 3Z6AEF - 04-09-2010, 10:11
RE: Skrzynka przy antenie - HM_DIPOL - 04-09-2010, 9:40
RE: Skrzynka przy antenie - SP3SWJ - 04-09-2010, 11:33
RE: Skrzynka przy antenie - SP5FCS - 04-09-2010, 14:03
RE: Skrzynka przy antenie - SP3SWJ - 04-09-2010, 14:42
RE: Skrzynka przy antenie - 3Z6AEF - 04-09-2010, 16:52
RE: Skrzynka przy antenie - SP3SWJ - 04-09-2010, 18:08
RE: Skrzynka przy antenie - SP5FCS - 04-09-2010, 18:09
RE: Skrzynka przy antenie - SP3SWJ - 04-09-2010, 18:26
RE: Skrzynka przy antenie - SP5FCS - 04-09-2010, 18:48
RE: Skrzynka przy antenie - SQ6ADE - 04-09-2010, 18:51
RE: Skrzynka przy antenie - SP5FCS - 04-09-2010, 21:28
RE: Skrzynka przy antenie - 3Z6AEF - 04-09-2010, 22:03
RE: Skrzynka przy antenie - SQ6ADE - 04-09-2010, 22:25
RE: Skrzynka przy antenie - SP3SWJ - 04-09-2010, 18:52
RE: Skrzynka przy antenie - SP9FKP - 04-09-2010, 19:15
RE: Skrzynka przy antenie - SQ6ADE - 04-09-2010, 20:31
RE: Skrzynka przy antenie - SQ1GYQ - 04-09-2010, 23:38
RE: Skrzynka przy antenie - SP3SWJ - 04-09-2010, 23:46
RE: Skrzynka przy antenie - HM_DIPOL - 05-09-2010, 9:46
RE: Skrzynka przy antenie - SQ6OXK - 05-09-2010, 10:11
RE: Skrzynka przy antenie - SP3SWJ - 05-09-2010, 10:39
RE: Skrzynka przy antenie - HM_DIPOL - 05-09-2010, 11:40
RE: Skrzynka przy antenie - SQ6OXK - 06-09-2010, 12:26
RE: Skrzynka przy antenie - SP9FKP - 05-09-2010, 11:55
RE: Skrzynka przy antenie - SP3SWJ - 05-09-2010, 12:45
RE: Skrzynka przy antenie - SQ1GYQ - 05-09-2010, 13:07
RE: Skrzynka przy antenie - 3Z6AEF - 05-09-2010, 13:08
RE: Skrzynka przy antenie - SP3SWJ - 05-09-2010, 13:46
RE: Skrzynka przy antenie - 3Z6AEF - 05-09-2010, 14:36
RE: Skrzynka przy antenie - SP9MRN - 05-09-2010, 15:12
RE: Skrzynka przy antenie - SP3SWJ - 05-09-2010 17:05
RE: Skrzynka przy antenie - SQ6ADE - 05-09-2010, 18:41
RE: Skrzynka przy antenie - SP3SWJ - 05-09-2010, 19:11
RE: Skrzynka przy antenie - 3Z6AEF - 05-09-2010, 20:15
RE: Skrzynka przy antenie - HM_DIPOL - 05-09-2010, 19:01
RE: Skrzynka przy antenie - SQ6ADE - 05-09-2010, 19:40
RE: Skrzynka przy antenie - SP3NYF - 05-09-2010, 21:23
RE: Skrzynka przy antenie - SP5FCS - 05-09-2010, 23:16
RE: Skrzynka przy antenie - 3Z6AEF - 06-09-2010, 3:21
RE: Skrzynka przy antenie - SP3NYF - 06-09-2010, 8:50
RE: Skrzynka przy antenie - 3Z6AEF - 06-09-2010, 10:27
RE: Skrzynka przy antenie - SQ4AVS - 06-09-2010, 17:56
RE: Skrzynka przy antenie - SP3NYF - 06-09-2010, 19:58
RE: Skrzynka przy antenie - SQ6ADE - 06-09-2010, 20:19
RE: Skrzynka przy antenie - SQ4AVS - 06-09-2010, 20:02
RE: Skrzynka przy antenie - SP5FCS - 06-09-2010, 21:29
RE: Skrzynka przy antenie - SP3SWJ - 06-09-2010, 21:46
RE: Skrzynka przy antenie - SQ4AVS - 06-09-2010, 22:07
RE: Skrzynka przy antenie - SP5FCS - 07-09-2010, 0:10
RE: Skrzynka przy antenie - HM_DIPOL - 07-09-2010, 9:42
RE: Skrzynka przy antenie - SP5FCS - 07-09-2010, 22:05
RE: Skrzynka przy antenie - SQ4AVS - 07-09-2010, 22:36
RE: Skrzynka przy antenie - 3Z6AEF - 07-09-2010, 22:49
RE: Skrzynka przy antenie - SP5FCS - 07-09-2010, 23:18
RE: Skrzynka przy antenie - SQ4AVS - 08-09-2010, 7:39
RE: Skrzynka przy antenie - HM_DIPOL - 08-09-2010, 11:50
RE: Skrzynka przy antenie - SP3SWJ - 08-09-2010, 12:33
RE: Skrzynka przy antenie - HM_DIPOL - 08-09-2010, 13:03
RE: Skrzynka przy antenie - SQ6ADE - 08-09-2010, 23:00
RE: Skrzynka przy antenie - SP3SWJ - 08-09-2010, 14:11
RE: Skrzynka przy antenie - SP3SWJ - 08-09-2010, 23:52
RE: Skrzynka przy antenie - SP5FCS - 09-09-2010, 10:14
RE: Skrzynka przy antenie - SP9MRN - 09-09-2010, 10:35
RE: Skrzynka przy antenie - SP3NYF - 09-09-2010, 23:21
RE: Skrzynka przy antenie - SP3SWJ - 09-09-2010, 10:24
RE: Skrzynka przy antenie - SP3SWJ - 09-09-2010, 10:37
RE: Skrzynka przy antenie - SP5FCS - 09-09-2010, 10:40
RE: Skrzynka przy antenie - SP3SWJ - 09-09-2010, 10:44
RE: Skrzynka przy antenie - SP9MRN - 09-09-2010, 10:51
RE: Skrzynka przy antenie - SP1QY - 09-09-2010, 11:17
RE: Skrzynka przy antenie - SP9MRN - 09-09-2010, 11:34
RE: Skrzynka przy antenie - SP3SWJ - 09-09-2010, 11:23
RE: Skrzynka przy antenie - HM_DIPOL - 09-09-2010, 12:52
RE: Skrzynka przy antenie - SP3SWJ - 09-09-2010, 13:23
RE: Skrzynka przy antenie - HM_DIPOL - 09-09-2010, 14:45
RE: Skrzynka przy antenie - SP5FCS - 09-09-2010, 22:18
RE: Skrzynka przy antenie - SP3SWJ - 09-09-2010, 23:15
RE: Skrzynka przy antenie - SQ6OXK - 11-09-2010, 8:07
RE: Skrzynka przy antenie - SP3SWJ - 13-09-2010, 12:20
RE: Skrzynka przy antenie - SP5FCS - 12-09-2010, 20:53
RE: Skrzynka przy antenie - 3Z6AEF - 13-09-2010, 15:09
RE: Skrzynka przy antenie - SP3NYF - 13-09-2010, 19:00
RE: Skrzynka przy antenie - SP5FCS - 14-09-2010, 8:51
RE: Skrzynka przy antenie - SP3NYF - 14-09-2010, 16:52
RE: Skrzynka przy antenie - SQ2EER - 15-09-2010, 21:24
RE: Skrzynka przy antenie - SP3SWJ - 15-09-2010, 21:43
RE: Skrzynka przy antenie - SQ2EER - 15-09-2010, 22:08
RE: Skrzynka przy antenie - SP3SWJ - 15-09-2010, 22:35
RE: Skrzynka przy antenie - SQ2EER - 15-09-2010, 22:48
RE: Skrzynka przy antenie - SP3SWJ - 15-09-2010, 23:01
RE: Skrzynka przy antenie - 3Z6AEF - 21-09-2010, 14:26
RE: Skrzynka przy antenie - SP3SWJ - 21-09-2010, 23:17
RE: Skrzynka przy antenie - SP9MRN - 22-09-2010, 1:31
RE: Skrzynka przy antenie - SP3SWJ - 22-09-2010, 2:05
RE: Skrzynka przy antenie - SP9MRN - 22-09-2010, 2:50
RE: Skrzynka przy antenie - SP5FCS - 22-09-2010, 2:17
RE: Skrzynka przy antenie - SQ6OXK - 22-09-2010, 10:22
RE: Skrzynka przy antenie - SP3SWJ - 22-09-2010, 10:48
RE: Skrzynka przy antenie - SP5FCS - 22-09-2010, 10:57
RE: Skrzynka przy antenie - 3Z6AEF - 28-09-2010, 21:20
RE: Skrzynka przy antenie - SP5FCS - 28-09-2010, 22:27
RE: Skrzynka przy antenie - SQ4AVS - 29-09-2010, 21:09
RE: Skrzynka przy antenie - SP5FCS - 29-09-2010, 22:29
RE: Skrzynka przy antenie - 3Z6AEF - 29-09-2010, 23:04
RE: Skrzynka przy antenie - SP3SWJ - 02-10-2010, 22:55
RE: Skrzynka przy antenie - SP5FCS - 29-09-2010, 23:47
RE: Skrzynka przy antenie - SQ4AVS - 30-09-2010, 7:52
RE: Skrzynka przy antenie - HM_DIPOL - 30-09-2010, 8:56
RE: Skrzynka przy antenie - SQ4AVS - 30-09-2010, 9:23
RE: Skrzynka przy antenie - SQ6OXK - 30-09-2010, 13:14
RE: Skrzynka przy antenie - SQ4AVS - 30-09-2010, 15:22
RE: Skrzynka przy antenie - SQ6OXK - 01-10-2010, 21:12
RE: Skrzynka przy antenie - SQ4AVS - 01-10-2010, 21:24
RE: Skrzynka przy antenie - SP9MRN - 01-10-2010, 22:37
RE: Skrzynka przy antenie - 3Z6AEF - 02-10-2010, 1:31
RE: Skrzynka przy antenie - SQ6OXK - 02-10-2010, 7:08
RE: Skrzynka przy antenie - SQ4AVS - 02-10-2010, 7:56
RE: Skrzynka przy antenie - SQ6OXK - 02-10-2010, 10:55
RE: Skrzynka przy antenie - SP9MRN - 02-10-2010, 15:59
RE: Skrzynka przy antenie - SP9FKP - 02-10-2010, 9:08
RE: Skrzynka przy antenie - SP5FCS - 02-10-2010, 9:43
RE: Skrzynka przy antenie - 3Z6AEF - 02-10-2010, 10:36
RE: Skrzynka przy antenie - SP5FCS - 02-10-2010, 11:29
RE: Skrzynka przy antenie - SP9FKP - 02-10-2010, 11:42
RE: Skrzynka przy antenie - SP5FCS - 02-10-2010, 12:02
RE: Skrzynka przy antenie - 3Z6AEF - 02-10-2010, 16:51
RE: Skrzynka przy antenie - SQ6ADE - 02-10-2010, 21:49
RE: Skrzynka przy antenie - HM_DIPOL - 03-10-2010, 9:36
RE: Skrzynka przy antenie - SP3SWJ - 03-10-2010, 16:04
RE: Skrzynka przy antenie - SQ4AVS - 03-10-2010, 12:13
RE: Skrzynka przy antenie - 3Z6AEF - 06-10-2010, 19:01
RE: Skrzynka przy antenie - HM_DIPOL - 09-10-2010, 12:57
RE: Skrzynka przy antenie - SP3SWJ - 09-10-2010, 14:24
RE: Skrzynka przy antenie - SP9MRN - 09-10-2010, 14:36
RE: Skrzynka przy antenie - SP5FCS - 09-10-2010, 16:52
RE: Skrzynka przy antenie - SP3SWJ - 09-10-2010, 17:16
RE: Skrzynka przy antenie - SQ4AVS - 13-10-2010, 15:45
RE: Skrzynka przy antenie - SP3SWJ - 14-10-2010, 0:33
RE: Skrzynka przy antenie - SP3SWJ - 24-10-2010, 19:00
RE: Skrzynka przy antenie - SP5FCS - 24-10-2010, 19:36
RE: Skrzynka przy antenie - SP3SWJ - 24-10-2010, 20:02
RE: Skrzynka przy antenie - SP5FCS - 24-10-2010, 20:14
RE: Skrzynka przy antenie - SP3SWJ - 24-10-2010, 20:42
RE: Skrzynka przy antenie - SP5FCS - 24-10-2010, 21:50
RE: Skrzynka przy antenie - SP3NYF - 25-10-2010, 10:27
RE: Skrzynka przy antenie - HM_DIPOL - 25-10-2010, 11:54
RE: Skrzynka przy antenie - SP3NYF - 25-10-2010, 19:41
RE: Skrzynka przy antenie - SQ6OXK - 27-10-2010, 0:35
RE: Skrzynka przy antenie - SP3NYF - 27-10-2010, 17:45
RE: Skrzynka przy antenie - SP3SWJ - 02-11-2010, 0:52
RE: Skrzynka przy antenie - 3Z6AEF - 13-11-2010, 17:56
RE: Skrzynka przy antenie - SP2QCA - 16-11-2010, 12:41
RE: Skrzynka przy antenie - SP8BAI - 16-11-2010, 19:26
RE: Skrzynka przy antenie - TG50 - 14-11-2010, 10:48
RE: Skrzynka przy antenie - HM_DIPOL - 18-11-2010, 14:13
RE: Skrzynka przy antenie - SP3SWJ - 18-03-2011, 22:15
RE: Skrzynka przy antenie - HM_DIPOL - 02-05-2011, 11:16
RE: Skrzynka przy antenie - SP3SWJ - 02-05-2011, 11:31
RE: Skrzynka przy antenie - SQ8AQU - 28-12-2011, 18:11
RE: Skrzynka przy antenie - SP9DR - 07-05-2012, 15:14
RE: Skrzynka przy antenie - SP5FCS - 07-05-2012, 17:33
RE: Skrzynka przy antenie - SP3SWJ - 08-05-2012, 1:07
RE: Skrzynka przy antenie - SP9DR - 08-05-2012, 20:19
RE: Skrzynka przy antenie - SP3SWJ - 09-05-2012, 22:49
RE: Skrzynka przy antenie - SP9DR - 13-05-2012, 12:02
RE: Skrzynka przy antenie - SP3SWJ - 13-05-2012, 13:29
RE: Skrzynka przy antenie - SP9DR - 13-05-2012, 15:45
RE: Skrzynka przy antenie - SP3SWJ - 13-05-2012, 16:15
RE: Skrzynka przy antenie - SP9DR - 13-05-2012, 16:47
RE: Skrzynka przy antenie - SP5FCS - 14-05-2012, 21:45
RE: Skrzynka przy antenie - SQ8NYK - 21-01-2013, 18:27
RE: Skrzynka przy antenie - SP9MRN - 21-01-2013, 18:48
RE: Skrzynka przy antenie - SQ8NYK - 21-01-2013, 19:44
RE: Skrzynka przy antenie - SP9MRN - 21-01-2013, 20:10
RE: Skrzynka przy antenie - EI3HMB - 30-08-2013, 10:29
RE: Skrzynka przy antenie - EI3HMB - 12-08-2013, 10:45
RE: Skrzynka przy antenie - SP3SWJ - 12-08-2013, 10:57
RE: Skrzynka przy antenie - EI3HMB - 14-08-2013, 18:09
RE: Skrzynka przy antenie - EI3HMB - 16-08-2013, 19:51
RE: Skrzynka przy antenie - EI3HMB - 20-08-2013, 22:14
RE: Skrzynka przy antenie - SP9FKP - 22-08-2013, 7:41
RE: Skrzynka przy antenie - SP3F - 16-11-2013, 23:00

Skocz do:


Użytkownicy przeglądający ten wątek: 2 gości