Odpowiedz 
 
Ocena wątku:
  • 7 Głosów - 4.14 Średnio
  • 1
  • 2
  • 3
  • 4
  • 5
Składamy wzbudnicę SSB G4CLF
SP9LVZ Offline
Piotr
*****

Liczba postów: 806
Dołączył: 13-01-2015
Post: #920
RE: Składamy wzbudnicę SSB G4CLF
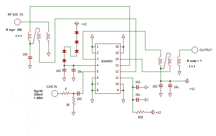
W załączeniu przedstawiam wstępny schemat mieszacza na SL6440. Po przeglądnięciu aplikacji wydaje mi się że będzie konieczność powalczyć z dopasowaniami we-wyj. Wg. karty katalogowej można by zrobić tak, żeby zrobić trafo wejściowe 1:1:1 co daje 500 ohm na wejsciu, co jest dobre z punktu widzenia PP9, ale nie obwodów pasmowych wej/wyj. Nie wiem natomiast jaka jest impedancja wyjścia mieszacza bo nie ma takiej wartości w karcie katalogowej? Czy przy trafo 1:1:1 jest 500 ohm? Jeśli ktoś ma jakieś informacje na ten temat to proszę o odzew. Jeśli by zrobić wej i wyj mieszacza na poziomie 500 ohm to można by go bez problemu przełączać TX/RX. Trzeba by jedynie na wyjściu filtrów pasmowych zrobić trafo 50/500 ohm. Z LO jest mniejszy problem bo ma impedancję 1k5, więc zamkniemy wejście R=50 i podamy 250 mV z BFO jeśli mamy generatory na niskiej impedancji. To tyle moich przemyśleń. Jako trafo wej-wyj można nawinąć, albo dać jakieś fabryczne. Odwracanie mieszacza zrobił bym na przekaźnikach.
Niestety nie mam tych mieszaczy żeby przetestować taką koncepcję, czekam na przesyłkę. Biorąc pod uwagę, że trafka były by nawijane to kwestia dopasowania impedancji jest sprawą wtórną i można się pobawić jak będą płytki.
Pozdrawiam,


Załączone pliki Miniatury
İmage
(Ten post był ostatnio modyfikowany: 10-02-2017 22:22 przez SP9LVZ.)
10-02-2017 22:18
Odwiedź stronę użytkownika Znajdź wszystkie posty użytkownika Odpowiedz cytując ten post
Odpowiedz 


Wiadomości w tym wątku
RE: Składamy wzbudnicę SSB G4CLF - SP9LVZ - 10-02-2017 22:18

Skocz do:


Użytkownicy przeglądający ten wątek: 4 gości