Odpowiedz 
 
Ocena wątku:
  • 1 Głosów - 5 Średnio
  • 1
  • 2
  • 3
  • 4
  • 5
TRX "FUKUŚ"
SP2FP Offline
PAWEŁ
***

Liczba postów: 184
Dołączył: 01-11-2009
Post: #40
RE: TRX "FUKUŚ"
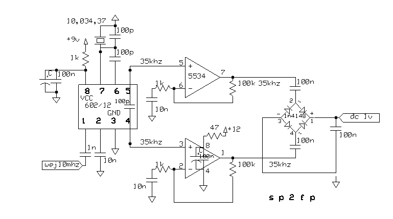
Swego czasu szukałem optymalnego rozwiązania detekcji sygnału do Kaefelka . Podpatrując schematy elecrafta wykombinowałem dodatkowy mieszacz z kwarcem oddalonym około 30-35 khz od pośredniej ( rozwiązanie k2) i po nim wzmacniacz z mostkiem Graetza. Układ oczywiście nie liniowy , ale arw ma działać od pewnego progu. Przy układnie liniowym i tak musimy zadać punkt początku działania arw. Przy dużym wzmocnieniu można uzyskać od razu wartości kilku volt przy których nieliniowość diod maleje . Za mostkiem można dać wzm prądowy i za nim robić co się podoba . Wadą tego rozwiązania , jak i detekcji na częstotliwości pośredniej jest przenikanie generatora fali nośnej - jest on wtedy "słyszalny" dla tego detektora i całość bierze w łeb . Jeśli zastosować by w mieszaczu kwarc zegarkowy to przeniesiemy pasmo mcz na zakres kilkudziesięciu kiloherców i dla niskich częstotliwości m.cz uzyskamy wystarczającą szybkość detekcji . Sam prostownik może wyglądać wtedy inaczej.
Rozważ jeszcze zmienną stała czasową która dla ssb zmniejsza efekt wtórnej modulacji wzmacniaczy pośredniej przez słabiej wygładzone napięcie automatyki .
https://www.youtube.com/watch?v=u4bKgiZzYx4


Załączone pliki
.bmp  ARW detektor.bmp (Rozmiar: 966.98 KB / Pobrań: 1302)
(Ten post był ostatnio modyfikowany: 19-10-2016 22:35 przez SP2FP.)
19-10-2016 22:34
Odwiedź stronę użytkownika Znajdź wszystkie posty użytkownika Odpowiedz cytując ten post
Odpowiedz 


Wiadomości w tym wątku
TRX "FUKUŚ" - SQ5KVS - 08-12-2015, 18:32
RE: TRX "FUKUŚ" - SP2JQR - 08-12-2015, 18:56
RE: TRX "FUKUŚ" - SQ5KVS - 08-12-2015, 19:05
RE: TRX "FUKUŚ" - SP9FKP - 09-12-2015, 8:34
RE: TRX "FUKUŚ" - SQ5KVS - 09-12-2015, 14:53
RE: TRX "FUKUŚ" - SP9FKP - 10-12-2015, 8:28
RE: TRX "FUKUŚ" - SP2JQR - 10-12-2015, 10:57
RE: TRX "FUKUŚ" - SQ5KVS - 10-12-2015, 17:36
RE: TRX "FUKUŚ" - SP2JQR - 10-12-2015, 18:46
RE: TRX "FUKUŚ" - SP9FKP - 10-12-2015, 19:38
RE: TRX "FUKUŚ" - SP9MRN - 10-12-2015, 20:36
RE: TRX "FUKUŚ" - SP7EZG - 21-12-2015, 23:49
RE: TRX "FUKUŚ" - SQ5KVS - 22-12-2015, 1:09
RE: TRX "FUKUŚ" - SP5BMP - 11-12-2015, 8:16
RE: TRX "FUKUŚ" - SP9FKP - 11-12-2015, 10:17
RE: TRX "FUKUŚ" - SQ5KVS - 11-12-2015, 11:54
RE: TRX "FUKUŚ" - SP9FKP - 13-12-2015, 9:35
RE: TRX "FUKUŚ" - SQ5KVS - 13-12-2015, 10:47
RE: TRX "FUKUŚ" - SP9FKP - 13-12-2015, 11:14
RE: TRX "FUKUŚ" - SP3F - 23-12-2015, 4:27
RE: TRX "FUKUŚ" - SP5BMP - 23-12-2015, 7:30
RE: TRX "FUKUŚ" - SP3F - 23-12-2015, 9:49
RE: TRX "FUKUŚ" - SP9FKP - 23-12-2015, 10:00
RE: TRX "FUKUŚ" - SP3F - 23-12-2015, 13:41
RE: TRX "FUKUŚ" - SP9FKP - 23-12-2015, 13:49
RE: TRX "FUKUŚ" - SP3F - 23-12-2015, 15:16
RE: TRX "FUKUŚ" - SQ5KVS - 23-12-2015, 15:48
RE: TRX "FUKUŚ" - SP3F - 23-12-2015, 16:04
RE: TRX "FUKUŚ" - SP3JDZ - 11-04-2016, 20:25
RE: TRX "FUKUŚ" - SQ5KVS - 13-04-2016, 18:11
RE: TRX "FUKUŚ" - SP2JQR - 16-04-2016, 15:20
RE: TRX "FUKUŚ" - SP3JDZ - 16-04-2016, 19:10
RE: TRX "FUKUŚ" - SP5BMP - 16-04-2016, 20:41
RE: TRX "FUKUŚ" - SP3JDZ - 16-04-2016, 21:58
RE: TRX "FUKUŚ" - SP2JQR - 17-04-2016, 13:33
RE: TRX "FUKUŚ" - SQ5KVS - 18-04-2016, 17:23
RE: TRX "FUKUŚ" - SP2JQR - 19-04-2016, 9:12
RE: TRX "FUKUŚ" - SQ5KVS - 13-05-2016, 17:21
RE: TRX "FUKUŚ" - SQ5KVS - 05-07-2016, 18:36
RE: TRX "FUKUŚ" - SP2FP - 19-10-2016 22:34
RE: TRX "FUKUŚ" - SP2JQR - 20-10-2016, 8:27
RE: TRX "FUKUŚ" - SP2FP - 20-10-2016, 8:43
RE: TRX "FUKUŚ" - SP2JQR - 20-10-2016, 16:25
RE: TRX "FUKUŚ" - SQ5KVS - 20-10-2016, 17:20
RE: TRX "FUKUŚ" - SQ5KVS - 13-02-2017, 15:48
RE: TRX "FUKUŚ" - SP2FP - 13-02-2017, 17:25
RE: TRX "FUKUŚ" - SP2JQR - 13-02-2017, 17:51
RE: TRX "FUKUŚ" - SQ5KVS - 13-02-2017, 17:53
RE: TRX "FUKUŚ" - SQ5KVS - 22-02-2017, 11:15
RE: TRX "FUKUŚ" - SP2JQR - 22-02-2017, 14:14
RE: TRX "FUKUŚ" - SQ5KVS - 22-02-2017, 15:17
RE: TRX "FUKUŚ" - SP5DPD - 23-02-2017, 22:09

Skocz do:


Użytkownicy przeglądający ten wątek: 1 gości