Odpowiedz 
 
Ocena wątku:
  • 23 Głosów - 4.26 Średnio
  • 1
  • 2
  • 3
  • 4
  • 5
HUSAREK DSP
SP5BMP Offline
Janusz
****

Liczba postów: 606
Dołączył: 02-11-2010
Post: #9
RE: HUSAREK DSP
Dane techniczne:
Transceiver homodynowy w podstawowej wersji 4 pasmowy 80, 40, 20 i 15 metrów.
Zbudowany w oparciu o moduł Discovery STM32F746G z 4,3 calowym graficznym wyświetlaczem dotykowym.
Emisje : CW i SSB
Tłumienie nośnej 50 dB
Tłumienie 2 wstęgi 60 dB
Moc nadajnika 14W dla napięcia 13,8V, zbudowany stopień końcowy na 2x RD16HHF1
Czułość 0.1 uV
Filtry: 100, 200, 500 Hz, 1kHz, 1,9kHz, 2,2kHz i 2,5kHz.
Załączany wzmacniacz wejściowy 10 dB.
Załączany tłumik wejściowy 20dB.
Załączany dodatkowy wzmacniacz w torze odbiornika 12dB.
Funkcja niezależnego strojenia odbiornika jak i nadajnika.
Notch ręczny jak i automatyczny.
Wbudowany klucz elektroniczny oraz kompresor.
VFO na układzie Si570.
Krok enkodera x1, 3, 5 jak i bezpośrednia szybka zmiana x10, 100, 1000 i więcej.
3 stale czasowe ARW
Dane ustawień zapisywane na karcie SD.
Prąd pobierany: odbiór 0,44A nadawanie 3,2A

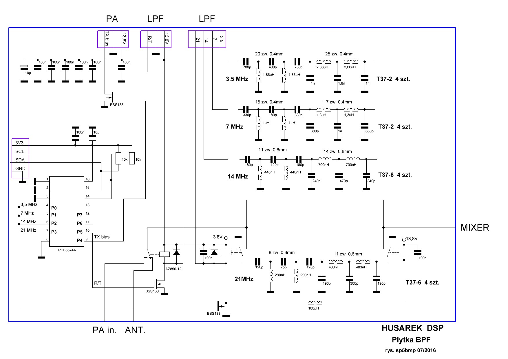
Zamieszczam schematy i projekty płytek drukowanych., które są w wersji do „prasowania”. Autorem projektu płytek modułu radiowego, LPF i BPF jest kolega Maciek sp5cgi za co bardzo dziękuję. Brak jest schematu wzmacniacza mocy. Do jego budowy wykorzystałem płytkę drukowaną z poprzedniej wersji Husarka. Załączam program w wersji binarnej, który można wgrać do modułu Discovery za pomocą ST-linka. 73, Janusz.


Załączone pliki Miniatury
İmage İmage İmage İmage İmage İmage İmage

.lay6  moduł radiowy 12,7-6,141PM.lay6.lay6 (Rozmiar: 530.76 KB / Pobrań: 4757)
.lay6  plytka BPF 51.lay6 (Rozmiar: 165.22 KB / Pobrań: 2763)
.lay6  plytka LPF1-24.lay6 (Rozmiar: 136.17 KB / Pobrań: 3005)
.lay6  Płytka adaptera_V6.lay6 (Rozmiar: 125.58 KB / Pobrań: 2559)
.lay6  Plytka przetwornicy.lay6 (Rozmiar: 25.91 KB / Pobrań: 3017)
.rar  husarekDSP_12042017_A.rar (Rozmiar: 128.64 KB / Pobrań: 3450)
(Ten post był ostatnio modyfikowany: 29-04-2018 10:45 przez SP5BMP.)
07-09-2016 9:38
Znajdź wszystkie posty użytkownika Odpowiedz cytując ten post
Odpowiedz 


Wiadomości w tym wątku
HUSAREK DSP - SP5BMP - 30-08-2016, 21:45
RE: HUSAREK DSP - SP9FKP - 31-08-2016, 14:19
RE: HUSAREK DSP - SP5BMP - 31-08-2016, 16:45
RE: HUSAREK DSP - SP5FCS - 01-09-2016, 12:38
RE: HUSAREK DSP - SP2JQR - 01-09-2016, 13:36
RE: HUSAREK DSP - SP3IQ - 01-09-2016, 15:42
RE: HUSAREK DSP - K2KP - 01-09-2016, 19:59
RE: HUSAREK DSP - SP9HVW - 02-09-2016, 0:30
RE: HUSAREK DSP - SP5BMP - 07-09-2016 9:38
RE: HUSAREK DSP - SP6IFN - 09-09-2016, 7:49
RE: HUSAREK DSP - SP4LVC - 09-09-2016, 8:15
RE: HUSAREK DSP - FRANTA - 11-09-2016, 8:57
RE: HUSAREK DSP - SP5BMP - 11-09-2016, 14:06
RE: HUSAREK DSP - SQ3AUP - 11-09-2016, 17:01
RE: HUSAREK DSP - SP9OYT - 11-09-2016, 20:57
RE: HUSAREK DSP - SP5BMP - 12-09-2016, 9:58
RE: HUSAREK DSP - SP2JQR - 26-09-2016, 14:48
RE: HUSAREK DSP - SP3IQ - 13-09-2016, 12:35
RE: HUSAREK DSP - SP6AUO - 14-09-2016, 14:16
RE: HUSAREK DSP - SP9OYT - 20-09-2016, 18:08
RE: HUSAREK DSP - SP4LVC - 20-09-2016, 23:52
RE: HUSAREK DSP - SP5BMP - 21-09-2016, 6:39
RE: HUSAREK DSP - FRANTA - 21-09-2016, 7:44
RE: HUSAREK DSP - SP5BMP - 21-09-2016, 8:33
RE: HUSAREK DSP - SP4LVC - 23-09-2016, 22:27
RE: HUSAREK DSP - SP5BMP - 24-09-2016, 7:42
RE: HUSAREK DSP - SP9AWP - 24-09-2016, 11:50
RE: HUSAREK DSP - SP5BMP - 24-09-2016, 15:09
RE: HUSAREK DSP - SP9AWP - 24-09-2016, 15:51
RE: HUSAREK DSP - SP7ROH - 24-09-2016, 15:51
RE: HUSAREK DSP - SP9AWP - 24-09-2016, 16:06
RE: HUSAREK DSP - SP4LVC - 24-09-2016, 16:42
RE: HUSAREK DSP - SP9AWP - 24-09-2016, 16:46
RE: HUSAREK DSP - SP5BMP - 24-09-2016, 16:47
RE: HUSAREK DSP - SP9AWP - 24-09-2016, 17:45
RE: HUSAREK DSP - SP4LVC - 24-09-2016, 21:19
RE: HUSAREK DSP - SP9AWP - 25-09-2016, 7:13
RE: HUSAREK DSP - SP5BMP - 25-09-2016, 9:34
RE: HUSAREK DSP - SP9AWP - 25-09-2016, 9:51
RE: HUSAREK DSP - SP9FKP - 25-09-2016, 10:18
RE: HUSAREK DSP - SP9AWP - 28-09-2016, 16:52
RE: HUSAREK DSP - SQ2EER - 25-09-2016, 11:22
RE: HUSAREK DSP - SP9AWP - 25-09-2016, 11:32
RE: HUSAREK DSP - FRANTA - 25-09-2016, 11:55
RE: HUSAREK DSP - SQ2EER - 25-09-2016, 12:30
RE: HUSAREK DSP - SP5BMP - 25-09-2016, 12:47
RE: HUSAREK DSP - SP4LVC - 25-09-2016, 13:46
RE: HUSAREK DSP - SP5CGI - 25-09-2016, 14:16
RE: HUSAREK DSP - SP4LVC - 26-09-2016, 0:39
RE: HUSAREK DSP - SP5BMP - 26-09-2016, 16:57
RE: HUSAREK DSP - FRANTA - 26-09-2016, 18:11
RE: HUSAREK DSP - SP4LVC - 28-09-2016, 17:13
RE: HUSAREK DSP - SP9AWP - 03-10-2016, 6:54
RE: HUSAREK DSP - SP9FKP - 03-10-2016, 7:11
RE: HUSAREK DSP - SP9AWP - 03-10-2016, 7:14
RE: HUSAREK DSP - SP9FKP - 03-10-2016, 8:03
RE: HUSAREK DSP - SQ7HJB - 09-10-2016, 11:36
RE: HUSAREK DSP - SP5BMP - 09-10-2016, 13:56
RE: HUSAREK DSP - SQ7HJB - 09-10-2016, 18:36
RE: HUSAREK DSP - FRANTA - 09-10-2016, 20:15
RE: HUSAREK DSP - FRANTA - 10-10-2016, 7:23
RE: HUSAREK DSP - SP5BMP - 10-10-2016, 16:51
RE: HUSAREK DSP - SP5BMP - 11-10-2016, 18:29
RE: HUSAREK DSP - FRANTA - 11-10-2016, 18:35
RE: HUSAREK DSP - SQ7HJB - 11-10-2016, 19:13
RE: HUSAREK DSP - SP4LVC - 14-10-2016, 18:48
RE: HUSAREK DSP - SQ7HJB - 14-10-2016, 19:36
RE: HUSAREK DSP - SP5BMP - 15-10-2016, 10:44
RE: HUSAREK DSP - SP9FKP - 15-10-2016, 11:29
RE: HUSAREK DSP - SP9FKP - 16-10-2016, 18:04
RE: HUSAREK DSP - SP9SNC - 15-10-2016, 11:30
RE: HUSAREK DSP - SP5BMP - 15-10-2016, 11:47
RE: HUSAREK DSP - SP4LVC - 15-10-2016, 14:30
RE: HUSAREK DSP - SP9SNC - 15-10-2016, 17:43
RE: HUSAREK DSP - SP9FKP - 15-10-2016, 17:55
RE: HUSAREK DSP - SP9SNC - 15-10-2016, 18:55
RE: HUSAREK DSP - SP5BMP - 15-10-2016, 19:11
RE: HUSAREK DSP - SP9SNC - 15-10-2016, 19:31
RE: HUSAREK DSP - SP4LVC - 15-10-2016, 22:24
RE: HUSAREK DSP - SQ7HJB - 16-10-2016, 10:14
RE: HUSAREK DSP - SP4LVC - 16-10-2016, 10:51
RE: HUSAREK DSP - SP5BMP - 16-10-2016, 12:21
RE: HUSAREK DSP - SQ7HJB - 16-10-2016, 12:46
RE: HUSAREK DSP - SP4LVC - 16-10-2016, 18:01
RE: HUSAREK DSP - SP4LVC - 16-10-2016, 18:25
RE: HUSAREK DSP - SP9FKP - 16-10-2016, 18:37
RE: HUSAREK DSP - SP4LVC - 16-10-2016, 18:49
RE: HUSAREK DSP - SP9FKP - 16-10-2016, 19:05
RE: HUSAREK DSP - SP5BMP - 16-10-2016, 19:07
RE: HUSAREK DSP - SP4LVC - 16-10-2016, 20:25
RE: HUSAREK DSP - SP7ROH - 16-10-2016, 20:39
RE: HUSAREK DSP - SP4LVC - 17-10-2016, 8:12
RE: HUSAREK DSP - SP7ROH - 17-10-2016, 16:47
RE: HUSAREK DSP - SP9FKP - 17-10-2016, 8:45
RE: HUSAREK DSP - SP5BMP - 17-10-2016, 8:47
RE: HUSAREK DSP - SQ2EER - 17-10-2016, 17:23
RE: HUSAREK DSP - SP4LVC - 18-10-2016, 12:02
RE: HUSAREK DSP - SP7ROH - 18-10-2016, 13:29
RE: HUSAREK DSP - SP4LVC - 18-10-2016, 14:05
RE: HUSAREK DSP - SP7ROH - 18-10-2016, 16:09
RE: HUSAREK DSP - SP4LVC - 18-10-2016, 16:58
RE: HUSAREK DSP - SP4BK - 20-10-2016, 8:28
RE: HUSAREK DSP - SQ7HJB - 20-10-2016, 12:24
RE: HUSAREK DSP - SP5HBT - 21-10-2016, 13:57
RE: HUSAREK DSP - SP6IFN - 21-10-2016, 17:03
RE: HUSAREK DSP - SP6AUO - 21-10-2016, 18:06
RE: HUSAREK DSP - SP5HBT - 22-10-2016, 19:43
RE: HUSAREK DSP - SP9FKP - 21-10-2016, 18:09
RE: HUSAREK DSP - SP6AUO - 21-10-2016, 18:19
RE: HUSAREK DSP - SQ7HJB - 21-10-2016, 18:30
RE: HUSAREK DSP - SP9SNC - 21-10-2016, 18:46
RE: HUSAREK DSP - SP5BMP - 21-10-2016, 18:57
RE: HUSAREK DSP - SP9SNC - 21-10-2016, 18:59
RE: HUSAREK DSP - SP9FKP - 22-10-2016, 20:17
RE: HUSAREK DSP - SP5HBT - 22-10-2016, 21:17
RE: HUSAREK DSP - SP4LVC - 22-10-2016, 22:19
RE: HUSAREK DSP - SQ7HJB - 23-10-2016, 12:41
RE: HUSAREK DSP - SP7ROH - 23-10-2016, 13:37
RE: HUSAREK DSP - SQ7HJB - 23-10-2016, 14:14
RE: HUSAREK DSP - SP9SNC - 23-10-2016, 18:01
RE: HUSAREK DSP - SP9FKP - 24-10-2016, 9:49
RE: HUSAREK DSP - SQ7HJB - 23-10-2016, 18:04
RE: HUSAREK DSP - SP9SNC - 23-10-2016, 18:25
RE: HUSAREK DSP - SP5BMP - 23-10-2016, 18:50
RE: HUSAREK DSP - SQ7HJB - 23-10-2016, 18:55
RE: HUSAREK DSP - SP5BMP - 24-10-2016, 10:12
RE: HUSAREK DSP - SP4LVC - 25-10-2016, 11:54
RE: HUSAREK DSP - SP5BMP - 25-10-2016, 12:15
RE: HUSAREK DSP - SQ7HJB - 25-10-2016, 13:57
RE: HUSAREK DSP - SP4LVC - 25-10-2016, 14:59
RE: HUSAREK DSP - SP5BMP - 25-10-2016, 17:19
RE: HUSAREK DSP - SP9SNC - 26-10-2016, 19:01
RE: HUSAREK DSP - GREG - 26-10-2016, 22:20
RE: HUSAREK DSP - SP5BMP - 27-10-2016, 20:52
RE: HUSAREK DSP - SP9SNC - 27-10-2016, 22:42
RE: HUSAREK DSP - FRANTA - 28-10-2016, 7:41
RE: HUSAREK DSP - SP9AWP - 28-10-2016, 8:51
RE: HUSAREK DSP - SQ7HJB - 29-10-2016, 10:38
RE: HUSAREK DSP - SP5BMP - 29-10-2016, 11:13
RE: HUSAREK DSP - SQ7HJB - 29-10-2016, 14:04
RE: HUSAREK DSP - SP4LVC - 30-10-2016, 17:23
RE: HUSAREK DSP - SP5BMP - 30-10-2016, 20:19
RE: HUSAREK DSP - SP6RLH - 01-11-2016, 20:10
RE: HUSAREK DSP - SP9AWP - 01-11-2016, 20:23
RE: HUSAREK DSP - SQ8AQX - 04-11-2016, 17:30
RE: HUSAREK DSP - SP4BK - 05-11-2016, 9:28
RE: HUSAREK DSP - SP6RLH - 01-11-2016, 21:30
RE: HUSAREK DSP - SP8BAI - 04-11-2016, 15:22
RE: HUSAREK DSP - Qmar - 04-11-2016, 15:43
RE: HUSAREK DSP - SP4LVC - 05-11-2016, 1:38
RE: HUSAREK DSP - SP5BMP - 05-11-2016, 7:57
RE: HUSAREK DSP - SP9SNC - 05-11-2016, 9:03
RE: HUSAREK DSP - Qmar - 05-11-2016, 17:08
RE: HUSAREK DSP - SP5KC - 08-11-2016, 19:48
RE: HUSAREK DSP - SP5BMP - 08-11-2016, 17:48
RE: HUSAREK DSP - SP9KN - 09-11-2016, 6:51
RE: HUSAREK DSP - SQ7HJB - 09-11-2016, 10:42
RE: HUSAREK DSP - SP2JQR - 09-11-2016, 12:49
RE: HUSAREK DSP - SP5BMP - 09-11-2016, 13:32
RE: HUSAREK DSP - SQ7HJB - 09-11-2016, 13:43
RE: HUSAREK DSP - SP5BMP - 13-11-2016, 16:43
RE: HUSAREK DSP - SQ7HJB - 14-11-2016, 8:42
RE: HUSAREK DSP - SP5BMP - 14-11-2016, 9:37
RE: HUSAREK DSP - HMAMATOR - 14-11-2016, 13:45
RE: HUSAREK DSP - SQ7HJB - 14-11-2016, 13:51
RE: HUSAREK DSP - SP5FCI - 16-11-2016, 23:00
RE: HUSAREK DSP - SP7ROH - 16-11-2016, 23:19
RE: HUSAREK DSP - SP6IWQ - 16-11-2016, 23:22
RE: HUSAREK DSP - SP4LVC - 17-11-2016, 0:06
RE: HUSAREK DSP - SP6AUO - 17-11-2016, 7:02
RE: HUSAREK DSP - Qmar - 17-11-2016, 14:46
RE: HUSAREK DSP - SP4LVC - 17-11-2016, 16:07
RE: HUSAREK DSP - SP5BMP - 17-11-2016, 16:57
RE: HUSAREK DSP - SP9MZU - 17-11-2016, 17:39
RE: HUSAREK DSP - SP4LVC - 17-11-2016, 23:09
RE: HUSAREK DSP - SP6AUO - 17-11-2016, 18:26
RE: HUSAREK DSP - SP9MZU - 18-11-2016, 9:09
RE: HUSAREK DSP - SP6AUO - 18-11-2016, 9:12
RE: HUSAREK DSP - SP5BMP - 18-11-2016, 9:16
RE: HUSAREK DSP - SP4LVC - 19-11-2016, 16:05
RE: HUSAREK DSP - SQ7HJB - 19-11-2016, 17:20
RE: HUSAREK DSP - SP6IWQ - 19-11-2016, 17:37
RE: HUSAREK DSP - SP4LVC - 19-11-2016, 21:24
RE: HUSAREK DSP - SP5BMP - 19-11-2016, 21:33
RE: HUSAREK DSP - SP4LVC - 19-11-2016, 22:50
RE: HUSAREK DSP - SP5BMP - 19-11-2016, 23:04
RE: HUSAREK DSP - SP4LVC - 20-11-2016, 2:09
RE: HUSAREK DSP - SP5BMP - 20-11-2016, 9:55
RE: HUSAREK DSP - SP4LVC - 20-11-2016, 11:45
RE: HUSAREK DSP - TOMASZ.K - 20-11-2016, 14:36
RE: HUSAREK DSP - SP4LVC - 20-11-2016, 15:01
RE: HUSAREK DSP - TOMASZ.K - 20-11-2016, 16:13
RE: HUSAREK DSP - SP4LVC - 20-11-2016, 17:53
RE: HUSAREK DSP - SQ8MVY - 20-11-2016, 21:16
RE: HUSAREK DSP - SP4LVC - 21-11-2016, 10:56
RE: HUSAREK DSP - SP7ROH - 21-11-2016, 11:34
RE: HUSAREK DSP - SQ2EER - 21-11-2016, 19:20
RE: HUSAREK DSP - SP5BMP - 21-11-2016, 20:52
RE: HUSAREK DSP - Qmar - 22-11-2016, 0:15
RE: HUSAREK DSP - SQ2EER - 22-11-2016, 0:23
RE: HUSAREK DSP - Qmar - 22-11-2016, 0:41
RE: HUSAREK DSP - SP4LVC - 22-11-2016, 1:00
RE: HUSAREK DSP - Qmar - 22-11-2016, 1:18
RE: HUSAREK DSP - SP4LVC - 22-11-2016, 1:43
RE: HUSAREK DSP - SP5TAA - 22-11-2016, 2:45
RE: HUSAREK DSP - SP4LVC - 23-11-2016, 1:47
RE: HUSAREK DSP - SP5BMP - 23-11-2016, 7:26
RE: HUSAREK DSP - SP4LVC - 23-11-2016, 11:18
RE: HUSAREK DSP - SP6AUO - 23-11-2016, 11:35
RE: HUSAREK DSP - Qmar - 23-11-2016, 11:46
RE: HUSAREK DSP - SP4LVC - 23-11-2016, 11:52
RE: HUSAREK DSP - SP5BMP - 23-11-2016, 12:25
RE: HUSAREK DSP - SP4LVC - 23-11-2016, 14:20
RE: HUSAREK DSP - Qmar - 23-11-2016, 15:15
RE: HUSAREK DSP - SP5BMP - 23-11-2016, 17:26
RE: HUSAREK DSP - SP9MZU - 23-11-2016, 22:58
RE: HUSAREK DSP - SP4LVC - 24-11-2016, 1:41
RE: HUSAREK DSP - SP5BMP - 24-11-2016, 7:36
RE: HUSAREK DSP - SP5HBT - 25-11-2016, 16:05
RE: HUSAREK DSP - SP9SNC - 25-11-2016, 20:50
RE: HUSAREK DSP - SP5BMP - 25-11-2016, 21:14
RE: HUSAREK DSP - SQ6IYY - 27-11-2016, 12:12
RE: HUSAREK DSP - SQ7HJB - 27-11-2016, 13:46
RE: HUSAREK DSP - SP5BMP - 27-11-2016, 14:46
RE: HUSAREK DSP - SQ6IYY - 27-11-2016, 17:01
RE: HUSAREK DSP - SP9SNC - 29-11-2016, 17:48
RE: HUSAREK DSP - TOMASZ.K - 01-12-2016, 8:11
RE: HUSAREK DSP - SQ6IYY - 02-12-2016, 22:27
RE: HUSAREK DSP - GREG - 04-12-2016, 1:50
RE: HUSAREK DSP - SP4LVC - 04-12-2016, 2:33
RE: HUSAREK DSP - SP9SNC - 04-12-2016, 5:00
RE: HUSAREK DSP - SP5BMP - 04-12-2016, 8:40
RE: HUSAREK DSP - SQ7HJB - 04-12-2016, 9:34
RE: HUSAREK DSP - SP4LVC - 04-12-2016, 12:39
RE: HUSAREK DSP - SP5BMP - 04-12-2016, 20:09
RE: HUSAREK DSP - SQ6IYY - 05-12-2016, 1:01
RE: HUSAREK DSP - SP5CGI - 05-12-2016, 15:30
RE: HUSAREK DSP - SQ6IYY - 06-12-2016, 1:33
RE: HUSAREK DSP - GREG - 06-12-2016, 11:56
RE: HUSAREK DSP - SP5BMP - 06-12-2016, 12:13
RE: HUSAREK DSP - SP4LVC - 08-12-2016, 3:30
RE: HUSAREK DSP - SP5BMP - 08-12-2016, 7:57
RE: HUSAREK DSP - SP4LVC - 08-12-2016, 12:19
RE: HUSAREK DSP - SP7ROH - 08-12-2016, 8:30
RE: HUSAREK DSP - GREG - 08-12-2016, 12:34
RE: HUSAREK DSP - SP4LVC - 08-12-2016, 14:41
RE: HUSAREK DSP - SP7ROH - 08-12-2016, 14:59
RE: HUSAREK DSP - SP4LVC - 08-12-2016, 15:04
RE: HUSAREK DSP - TOMASZ.K - 08-12-2016, 18:24
RE: HUSAREK DSP - Qmar - 08-12-2016, 20:34
RE: HUSAREK DSP - SP7ROH - 08-12-2016, 21:10
RE: HUSAREK DSP - SP4LVC - 09-12-2016, 0:57
RE: HUSAREK DSP - SQ6IYY - 09-12-2016, 8:57
RE: HUSAREK DSP - SP7ROH - 09-12-2016, 9:20
RE: HUSAREK DSP - SQ7HJB - 08-12-2016, 23:10
RE: HUSAREK DSP - TOMASZ.K - 09-12-2016, 9:41
RE: HUSAREK DSP - SP4LVC - 09-12-2016, 11:41
RE: HUSAREK DSP - SP5BMP - 09-12-2016, 12:44
RE: HUSAREK DSP - SP4LVC - 09-12-2016, 17:33
RE: HUSAREK DSP - SP4LVC - 12-12-2016, 2:11
RE: HUSAREK DSP - SQ7HJB - 13-12-2016, 12:26
RE: HUSAREK DSP - SP7ROH - 17-12-2016, 21:14
RE: HUSAREK DSP - SP9KN - 17-12-2016, 23:35
RE: HUSAREK DSP - SQ2EER - 18-12-2016, 1:18
RE: HUSAREK DSP - SP9SNC - 18-12-2016, 19:16
RE: HUSAREK DSP - SP9KN - 19-12-2016, 21:30
RE: HUSAREK DSP - GREG - 19-12-2016, 22:05
RE: HUSAREK DSP - SP5MBD - 20-12-2016, 0:51
RE: HUSAREK DSP - GREG - 20-12-2016, 9:55
RE: HUSAREK DSP - SP9SNC - 20-12-2016, 8:11
RE: HUSAREK DSP - SP5BMP - 20-12-2016, 9:23
RE: HUSAREK DSP - GREG - 20-12-2016, 13:15
RE: HUSAREK DSP - SQ2EER - 21-12-2016, 0:54
RE: HUSAREK DSP - SP9KN - 21-12-2016, 18:10
RE: HUSAREK DSP - SP4SKP - 21-12-2016, 20:03
RE: HUSAREK DSP - SP4LVC - 21-12-2016, 20:28
RE: HUSAREK DSP - SP7ROH - 21-12-2016, 22:10
RE: HUSAREK DSP - SP2GNB - 22-12-2016, 12:27
RE: HUSAREK DSP - SP7ROH - 22-12-2016, 13:28
RE: HUSAREK DSP - SP4LVC - 21-12-2016, 23:48
RE: HUSAREK DSP - SP7ROH - 22-12-2016, 0:32
RE: HUSAREK DSP - SP5BMP - 22-12-2016, 7:06
RE: HUSAREK DSP - SP4LVC - 22-12-2016, 12:18
RE: HUSAREK DSP - GREG - 22-12-2016, 10:37
RE: HUSAREK DSP - SP9SNC - 22-12-2016, 11:09
RE: HUSAREK DSP - GREG - 22-12-2016, 14:47
RE: HUSAREK DSP - SP7ROH - 22-12-2016, 15:25
RE: HUSAREK DSP - GREG - 22-12-2016, 16:27
RE: HUSAREK DSP - SP9SNC - 22-12-2016, 15:35
RE: HUSAREK DSP - SQ6IYY - 26-12-2016, 10:22
RE: HUSAREK DSP - GREG - 28-12-2016, 20:53
RE: HUSAREK DSP - SP4LVC - 29-12-2016, 1:28
RE: HUSAREK DSP - Qmar - 30-12-2016, 2:20
RE: HUSAREK DSP - SP4LVC - 30-12-2016, 21:16
RE: HUSAREK DSP - SP5BMP - 31-12-2016, 12:28
RE: HUSAREK DSP - GREG - 31-12-2016, 13:00
RE: HUSAREK DSP - SP9SNC - 31-12-2016, 13:01
RE: HUSAREK DSP - SP6AUO - 31-12-2016, 14:06
RE: HUSAREK DSP - SP4LVC - 31-12-2016, 16:36
RE: HUSAREK DSP - SP6AUO - 31-12-2016, 19:50
RE: HUSAREK DSP - SP4LVC - 01-01-2017, 4:32
RE: HUSAREK DSP - SQ6IYY - 05-01-2017, 12:50
RE: HUSAREK DSP - SP9SNC - 08-01-2017, 14:39
RE: HUSAREK DSP - SP9KN - 08-01-2017, 15:06
RE: HUSAREK DSP - SP9SNC - 08-01-2017, 15:09
RE: HUSAREK DSP - SP9KN - 08-01-2017, 15:52
RE: HUSAREK DSP - SQ6IYY - 08-01-2017, 16:11
RE: HUSAREK DSP - SP5BMP - 08-01-2017, 17:13
RE: HUSAREK DSP - SP9SNC - 08-01-2017, 20:52
RE: HUSAREK DSP - SQ3AUP - 09-01-2017, 22:38
RE: HUSAREK DSP - SP4LVC - 10-01-2017, 0:26
RE: HUSAREK DSP - SQ2EER - 10-01-2017, 22:05
RE: HUSAREK DSP - SP5BMP - 11-01-2017, 9:19
RE: HUSAREK DSP - GREG - 11-01-2017, 10:59
RE: HUSAREK DSP - SP4LVC - 11-01-2017, 18:58
RE: HUSAREK DSP - GREG - 11-01-2017, 20:23
RE: HUSAREK DSP - SP4LVC - 11-01-2017, 21:47
RE: HUSAREK DSP - SPO3O2OL - 14-01-2017, 19:18
RE: HUSAREK DSP - SP5BMP - 14-01-2017, 21:39
RE: HUSAREK DSP - SP4LVC - 14-01-2017, 22:36
RE: HUSAREK DSP - SPO3O2OL - 14-01-2017, 23:41
RE: HUSAREK DSP - SP4LVC - 15-01-2017, 0:31
RE: HUSAREK DSP - SPO3O2OL - 15-01-2017, 2:00
RE: HUSAREK DSP - SP8BAI - 15-01-2017, 10:35
RE: HUSAREK DSP - GREG - 15-01-2017, 14:55
RE: HUSAREK DSP - SPO3O2OL - 15-01-2017, 18:11
RE: HUSAREK DSP - CYBORG - 05-07-2017, 21:33
RE: HUSAREK DSP - SP6IFN - 15-01-2017, 20:07
RE: HUSAREK DSP - SP2SGA - 15-01-2017, 20:43
RE: HUSAREK DSP - SPO3O2OL - 15-01-2017, 21:46
RE: HUSAREK DSP - SP9FKP - 17-01-2017, 11:36
RE: HUSAREK DSP - SP5CGI - 16-01-2017, 0:57
RE: HUSAREK DSP - SP4BK - 16-01-2017, 7:53
RE: HUSAREK DSP - SP5CGI - 17-01-2017, 11:23
RE: HUSAREK DSP - SP4BK - 17-01-2017, 13:43
RE: HUSAREK DSP - SP5CGI - 17-01-2017, 14:31
RE: HUSAREK DSP - SP5BMP - 17-01-2017, 20:05
RE: HUSAREK DSP - SPO3O2OL - 17-01-2017, 21:47
RE: HUSAREK DSP - SP9KN - 18-01-2017, 8:28
RE: HUSAREK DSP - SP4LVC - 18-01-2017, 12:11
RE: HUSAREK DSP - SP5HBT - 18-01-2017, 12:34
RE: HUSAREK DSP - SP9KN - 18-01-2017, 21:22
RE: HUSAREK DSP - SP4LVC - 18-01-2017, 23:52
RE: HUSAREK DSP - SP2GNB - 18-01-2017, 22:28
RE: HUSAREK DSP - SQ2EER - 18-01-2017, 22:49
RE: HUSAREK DSP - SQ2EER - 19-01-2017, 22:56
RE: HUSAREK DSP - SP9KN - 19-01-2017, 22:57
RE: HUSAREK DSP - SQ2EER - 19-01-2017, 23:00
RE: HUSAREK DSP - SPO3O2OL - 21-01-2017, 0:49
RE: HUSAREK DSP - SQ8MVY - 21-01-2017, 1:08
RE: HUSAREK DSP - SPO3O2OL - 21-01-2017, 1:23
RE: HUSAREK DSP - SQ8MVY - 21-01-2017, 12:33
RE: HUSAREK DSP - SP5BMP - 21-01-2017, 13:16
RE: HUSAREK DSP - SP2GNB - 21-01-2017, 13:29
RE: HUSAREK DSP - SP5BMP - 21-01-2017, 13:38
RE: HUSAREK DSP - SPO3O2OL - 21-01-2017, 14:22
RE: HUSAREK DSP - SP5WO - 22-01-2017, 1:01
RE: HUSAREK DSP - SP2JQR - 22-01-2017, 13:06
RE: HUSAREK DSP - SQ3AUP - 23-01-2017, 0:03
RE: HUSAREK DSP - SP5HBT - 25-01-2017, 21:42
RE: HUSAREK DSP - bolanren - 26-01-2017, 5:26
RE: HUSAREK DSP - SP5HBT - 26-01-2017, 15:12
RE: HUSAREK DSP - SQ3AUP - 28-01-2017, 23:45
RE: HUSAREK DSP - SP5KC - 29-01-2017, 12:10
RE: HUSAREK DSP - SPO3O2OL - 29-01-2017, 17:49
RE: HUSAREK DSP - SP5KC - 29-01-2017, 19:01
RE: HUSAREK DSP - SPO3O2OL - 30-01-2017, 0:10
RE: HUSAREK DSP - SP9TOB - 30-01-2017, 12:05
RE: HUSAREK DSP - SQ3AUP - 30-01-2017, 17:41
RE: HUSAREK DSP - SP5KC - 31-01-2017, 0:49
RE: HUSAREK DSP - SPO3O2OL - 02-02-2017, 18:37
RE: HUSAREK DSP - SP5BMP - 02-02-2017, 21:44
RE: HUSAREK DSP - SPO3O2OL - 03-02-2017, 1:21
RE: HUSAREK DSP - SP9KN - 02-02-2017, 23:04
RE: HUSAREK DSP - SP5CGI - 02-02-2017, 23:32
RE: HUSAREK DSP - SP5CGI - 03-02-2017, 2:31
RE: HUSAREK DSP - SP9SNC - 03-02-2017, 10:17
RE: HUSAREK DSP - SP1UJB - 03-02-2017, 11:28
RE: HUSAREK DSP - SP4LVC - 03-02-2017, 13:28
RE: HUSAREK DSP - SPO3O2OL - 03-02-2017, 14:27
RE: HUSAREK DSP - SP7F - 04-02-2017, 11:25
RE: HUSAREK DSP - SP5BMP - 04-02-2017, 16:40
RE: HUSAREK DSP - SQ2EER - 04-02-2017, 17:37
RE: HUSAREK DSP - SP5BMP - 04-02-2017, 18:44
RE: HUSAREK DSP - SP5BEF - 04-02-2017, 18:58
RE: HUSAREK DSP - SPO3O2OL - 04-02-2017, 21:18
RE: HUSAREK DSP - SP9SNC - 04-02-2017, 21:29
RE: HUSAREK DSP - SPO3O2OL - 04-02-2017, 22:02
RE: HUSAREK DSP - SP9KN - 04-02-2017, 22:54
RE: HUSAREK DSP - SP5BMP - 05-02-2017, 9:54
RE: HUSAREK DSP - SP9KN - 05-02-2017, 10:06
RE: HUSAREK DSP - SP7F - 05-02-2017, 12:31
RE: HUSAREK DSP - KLIMA - 05-02-2017, 14:16
RE: HUSAREK DSP - SPO3O2OL - 05-02-2017, 14:48
RE: HUSAREK DSP - SP6LUN - 05-02-2017, 16:05
RE: HUSAREK DSP - SP7F - 05-02-2017, 15:28
RE: HUSAREK DSP - SP1UJB - 05-02-2017, 17:19
RE: HUSAREK DSP - SP5BMP - 05-02-2017, 17:43
RE: HUSAREK DSP - SPO3O2OL - 05-02-2017, 17:46
RE: HUSAREK DSP - SP9KN - 09-02-2017, 10:08
RE: HUSAREK DSP - SP5DPD - 09-02-2017, 15:09
RE: HUSAREK DSP - SPO3O2OL - 09-02-2017, 20:36
RE: HUSAREK DSP - SP2QBL - 11-02-2017, 1:00
RE: HUSAREK DSP - SPO3O2OL - 11-02-2017, 2:06
RE: HUSAREK DSP - SP4LVC - 11-02-2017, 2:26
RE: HUSAREK DSP - SPO3O2OL - 11-02-2017, 2:36
RE: HUSAREK DSP - SP4LVC - 11-02-2017, 13:01
RE: HUSAREK DSP - SP6IFN - 11-02-2017, 14:03
RE: HUSAREK DSP - SP4LVC - 11-02-2017, 15:27
RE: HUSAREK DSP - SP6IFN - 11-02-2017, 20:35
RE: HUSAREK DSP - SP9KN - 11-02-2017, 13:50
RE: HUSAREK DSP - SQ1GYQ - 11-02-2017, 14:21
RE: HUSAREK DSP - SP5BMP - 11-02-2017, 16:32
RE: HUSAREK DSP - SP9SNC - 11-02-2017, 21:26
RE: HUSAREK DSP - SP6IFN - 11-02-2017, 22:08
RE: HUSAREK DSP - SPO3O2OL - 12-02-2017, 0:28
RE: HUSAREK DSP - SP5BMP - 12-02-2017, 8:54
RE: HUSAREK DSP - SP6IFN - 12-02-2017, 13:57
RE: HUSAREK DSP - GREG - 15-07-2018, 12:04
RE: HUSAREK DSP - SP7ROH - 12-02-2017, 21:18
RE: HUSAREK DSP - SP6IFN - 12-02-2017, 22:17
RE: HUSAREK DSP - SPO3O2OL - 13-02-2017, 1:17
RE: HUSAREK DSP - SP5DPD - 13-02-2017, 12:02
RE: HUSAREK DSP - SPO3O2OL - 13-02-2017, 17:06
RE: HUSAREK DSP - SP9KN - 16-02-2017, 15:33
RE: HUSAREK DSP - SPO3O2OL - 17-02-2017, 1:10
RE: HUSAREK DSP - SP9KN - 17-02-2017, 8:08
RE: HUSAREK DSP - SQ8MVY - 17-02-2017, 10:27
RE: HUSAREK DSP - SPO3O2OL - 17-02-2017, 21:08
RE: HUSAREK DSP - SQ8MVY - 17-02-2017, 22:23
RE: HUSAREK DSP - SP9KN - 17-02-2017, 11:54
RE: HUSAREK DSP - SP3CYY - 17-02-2017, 20:32
RE: HUSAREK DSP - SP5BMP - 17-02-2017, 21:28
RE: HUSAREK DSP - SPO3O2OL - 17-02-2017, 23:07
RE: HUSAREK DSP - SP8BAI - 18-02-2017, 17:18
RE: HUSAREK DSP - SPO3O2OL - 18-02-2017, 20:57
RE: HUSAREK DSP - SP8IMG - 19-02-2017, 12:30
RE: HUSAREK DSP - SP5BMP - 19-02-2017, 13:05
RE: HUSAREK DSP - SP8IMG - 19-02-2017, 13:38
RE: HUSAREK DSP - SP9KN - 19-02-2017, 15:27
RE: HUSAREK DSP - SP8IMG - 19-02-2017, 15:50
RE: HUSAREK DSP - SP9KN - 19-02-2017, 15:55
RE: HUSAREK DSP - SPO3O2OL - 19-02-2017, 19:48
RE: HUSAREK DSP - SP9KN - 19-02-2017, 23:16
RE: HUSAREK DSP - SP7ROH - 19-02-2017, 21:19
RE: HUSAREK DSP - SPO3O2OL - 20-02-2017, 2:43
RE: HUSAREK DSP - SQ8MVY - 20-02-2017, 7:17
RE: HUSAREK DSP - SP5BMP - 20-02-2017, 9:21
RE: HUSAREK DSP - SPO3O2OL - 20-02-2017, 17:59
RE: HUSAREK DSP - SP6EER - 20-02-2017, 20:32
RE: HUSAREK DSP - SP8IMG - 20-02-2017, 22:55
RE: HUSAREK DSP - SP4LVC - 21-02-2017, 0:05
RE: HUSAREK DSP - SP8IMG - 21-02-2017, 17:15
RE: HUSAREK DSP - SP6IFN - 21-02-2017, 18:19
RE: HUSAREK DSP - SP8IMG - 21-02-2017, 18:35
RE: HUSAREK DSP - SP5BMP - 21-02-2017, 20:21
RE: HUSAREK DSP - SP8IMG - 21-02-2017, 20:48
RE: HUSAREK DSP - SQ3AUP - 22-02-2017, 23:39
RE: HUSAREK DSP - SPO3O2OL - 22-02-2017, 23:56
RE: HUSAREK DSP - SP4LVC - 26-02-2017, 1:29
RE: HUSAREK DSP - SPO3O2OL - 26-02-2017, 16:05
RE: HUSAREK DSP - SP4LVC - 26-02-2017, 16:34
RE: HUSAREK DSP - SPO3O2OL - 26-02-2017, 16:40
RE: HUSAREK DSP - SP4LVC - 27-02-2017, 1:38
RE: HUSAREK DSP - SQ2EER - 26-02-2017, 18:32
RE: HUSAREK DSP - SP2JQR - 26-02-2017, 18:43
RE: HUSAREK DSP - SPO3O2OL - 26-02-2017, 19:01
RE: HUSAREK DSP - SP2JQR - 27-02-2017, 11:42
RE: HUSAREK DSP - SP2SGA - 26-02-2017, 19:17
RE: HUSAREK DSP - SP9KN - 27-02-2017, 8:23
RE: HUSAREK DSP - SPO3O2OL - 27-02-2017, 18:26
RE: HUSAREK DSP - SP5BMP - 27-02-2017, 21:17
RE: HUSAREK DSP - SPO3O2OL - 27-02-2017, 23:37
RE: HUSAREK DSP - SP5BMP - 28-02-2017, 7:38
RE: HUSAREK DSP - SPO3O2OL - 28-02-2017, 19:23
RE: HUSAREK DSP - SP3OSJ - 28-02-2017, 10:02
RE: HUSAREK DSP - SP5CGI - 28-02-2017, 11:40
RE: HUSAREK DSP - SP3OSJ - 28-02-2017, 12:33
RE: HUSAREK DSP - SP5CGI - 28-02-2017, 12:54
RE: HUSAREK DSP - SP9SNC - 28-02-2017, 21:09
RE: HUSAREK DSP - SPO3O2OL - 28-02-2017, 21:16
RE: HUSAREK DSP - SP8GPQ - 07-03-2017, 18:10
RE: HUSAREK DSP - SP6LUN - 28-02-2017, 21:56
RE: HUSAREK DSP - SP3OSJ - 28-02-2017, 22:56
RE: HUSAREK DSP - SP9SNC - 28-02-2017, 23:11
RE: HUSAREK DSP - SPO3O2OL - 28-02-2017, 23:13
RE: HUSAREK DSP - SPO3O2OL - 01-03-2017, 21:36
RE: HUSAREK DSP - SP9SNC - 01-03-2017, 22:43
RE: HUSAREK DSP - SPO3O2OL - 02-03-2017, 0:42
RE: HUSAREK DSP - SP4LVC - 02-03-2017, 1:23
RE: HUSAREK DSP - SP5BMP - 02-03-2017, 8:23
RE: HUSAREK DSP - SP4LVC - 02-03-2017, 13:10
RE: HUSAREK DSP - SPO3O2OL - 04-03-2017, 0:33
RE: HUSAREK DSP - SPO3O2OL - 04-03-2017, 15:03
RE: HUSAREK DSP - SQ8MVY - 04-03-2017, 15:39
RE: HUSAREK DSP - SPO3O2OL - 04-03-2017, 16:42
RE: HUSAREK DSP - SP5DPD - 04-03-2017, 15:58
RE: HUSAREK DSP - SP5HBT - 04-03-2017, 18:57
RE: HUSAREK DSP - SPO3O2OL - 04-03-2017, 21:49
RE: HUSAREK DSP - SP5DPD - 04-03-2017, 19:22
RE: HUSAREK DSP - SP3GTG - 04-03-2017, 19:26
RE: HUSAREK DSP - SP8GPQ - 04-03-2017, 19:26
RE: HUSAREK DSP - SPO3O2OL - 04-03-2017, 20:09
RE: HUSAREK DSP - SP2JQR - 05-03-2017, 11:23
RE: HUSAREK DSP - SPO3O2OL - 05-03-2017, 11:55
RE: HUSAREK DSP - SP2JQR - 05-03-2017, 13:07
RE: HUSAREK DSP - SP4LVC - 05-03-2017, 15:45
RE: HUSAREK DSP - SP5CGI - 05-03-2017, 16:59
RE: HUSAREK DSP - SQ8MVY - 05-03-2017, 18:40
RE: HUSAREK DSP - SPO3O2OL - 05-03-2017, 19:46
RE: HUSAREK DSP - SQ6IYY - 05-03-2017, 20:04
RE: HUSAREK DSP - SPO3O2OL - 06-03-2017, 0:55
RE: HUSAREK DSP - SP4LVC - 06-03-2017, 0:37
RE: HUSAREK DSP - SP8IMG - 06-03-2017, 19:05
RE: HUSAREK DSP - SP4LVC - 08-03-2017, 4:20
RE: HUSAREK DSP - SP3OSJ - 06-03-2017, 23:02
RE: HUSAREK DSP - SP4LVC - 07-03-2017, 12:17
RE: HUSAREK DSP - GREG - 07-03-2017, 13:19
RE: HUSAREK DSP - SP3OSJ - 07-03-2017, 16:20
RE: HUSAREK DSP - SP6LUN - 07-03-2017, 19:24
RE: HUSAREK DSP - SPO3O2OL - 07-03-2017, 19:55
RE: HUSAREK DSP - SPO3O2OL - 07-03-2017, 18:39
RE: HUSAREK DSP - SP3OSJ - 07-03-2017, 22:02
RE: HUSAREK DSP - SP2SGA - 07-03-2017, 22:03
RE: HUSAREK DSP - SP3OSJ - 07-03-2017, 22:13
RE: HUSAREK DSP - SP5BMP - 08-03-2017, 7:34
RE: HUSAREK DSP - SP3OSJ - 08-03-2017, 17:13
RE: HUSAREK DSP - SP9FKP - 08-03-2017, 10:14
RE: HUSAREK DSP - SP2SGA - 08-03-2017, 10:41
RE: HUSAREK DSP - SPO3O2OL - 08-03-2017, 20:41
RE: HUSAREK DSP - SP8BAI - 08-03-2017, 12:04
RE: HUSAREK DSP - SP9FKP - 08-03-2017, 12:49
RE: HUSAREK DSP - SP8BAI - 08-03-2017, 13:02
RE: HUSAREK DSP - SP9FKP - 08-03-2017, 14:19
RE: HUSAREK DSP - SP5BMP - 09-03-2017, 19:48
RE: HUSAREK DSP - SPO3O2OL - 09-03-2017, 23:38
RE: HUSAREK DSP - SP8GPQ - 12-03-2017, 9:14
RE: HUSAREK DSP - SPO3O2OL - 12-03-2017, 13:43
RE: HUSAREK DSP - SP9SNC - 12-03-2017, 9:22
RE: HUSAREK DSP - SP2SGA - 12-03-2017, 9:23
RE: HUSAREK DSP - SP8GPQ - 12-03-2017, 14:08
RE: HUSAREK DSP - SP2SGA - 12-03-2017, 14:08
RE: HUSAREK DSP - SQ6IYY - 12-03-2017, 14:16
RE: HUSAREK DSP - SPO3O2OL - 12-03-2017, 15:09
RE: HUSAREK DSP - SQ6IYY - 12-03-2017, 17:18
RE: HUSAREK DSP - SPO3O2OL - 14-03-2017, 1:34
RE: HUSAREK DSP - SP4LVC - 14-03-2017, 2:11
RE: HUSAREK DSP - SPO3O2OL - 14-03-2017, 8:37
RE: HUSAREK DSP - SP4LVC - 14-03-2017, 9:19
RE: HUSAREK DSP - SPO3O2OL - 15-03-2017, 0:42
RE: HUSAREK DSP - GREG - 15-03-2017, 0:53
RE: HUSAREK DSP - SP4LVC - 15-03-2017, 2:03
RE: HUSAREK DSP - SPO3O2OL - 15-03-2017, 8:37
RE: HUSAREK DSP - SP4LVC - 15-03-2017, 13:39
RE: HUSAREK DSP - SP5DPD - 15-03-2017, 15:23
RE: HUSAREK DSP - SPO3O2OL - 15-03-2017, 19:10
RE: HUSAREK DSP - SP8IMG - 15-03-2017, 17:34
RE: HUSAREK DSP - SP5DPD - 15-03-2017, 21:14
RE: HUSAREK DSP - SPO3O2OL - 16-03-2017, 2:05
RE: HUSAREK DSP - SPO3O2OL - 16-03-2017, 0:30
RE: HUSAREK DSP - SP5DPD - 16-03-2017, 1:03
RE: HUSAREK DSP - SP2GNB - 18-03-2017, 12:01
RE: HUSAREK DSP - SP4LVC - 18-03-2017, 12:11
RE: HUSAREK DSP - SP2GNB - 18-03-2017, 12:14
RE: HUSAREK DSP - SPO3O2OL - 18-03-2017, 12:17
RE: HUSAREK DSP - SP2SGA - 18-03-2017, 13:19
RE: HUSAREK DSP - SP5BMP - 18-03-2017, 15:55
RE: HUSAREK DSP - SP6AUO - 18-03-2017, 17:15
RE: HUSAREK DSP - SP2GNB - 18-03-2017, 17:44
RE: HUSAREK DSP - SPO3O2OL - 18-03-2017, 17:56
RE: HUSAREK DSP - SP6AUO - 18-03-2017, 18:50
RE: HUSAREK DSP - SPO3O2OL - 18-03-2017, 19:39
RE: HUSAREK DSP - SP2GNB - 18-03-2017, 22:17
RE: HUSAREK DSP - SP6AUO - 18-03-2017, 23:47
RE: HUSAREK DSP - SPO3O2OL - 19-03-2017, 2:27
RE: HUSAREK DSP - SP9HVW - 20-03-2017, 12:10
RE: HUSAREK DSP - SP2GNB - 20-03-2017, 12:31
RE: HUSAREK DSP - SP5DPD - 21-03-2017, 11:48
RE: HUSAREK DSP - SQ8MVY - 21-03-2017, 21:46
RE: HUSAREK DSP - SP5DPD - 21-03-2017, 23:44
RE: HUSAREK DSP - GREG - 22-03-2017, 14:32
RE: HUSAREK DSP - SPO3O2OL - 22-03-2017, 18:12
RE: HUSAREK DSP - GREG - 24-03-2017, 23:42
RE: HUSAREK DSP - SP8GPQ - 02-04-2017, 11:57
RE: HUSAREK DSP - SP6IYT - 22-03-2017, 15:24
RE: HUSAREK DSP - GREG - 22-03-2017, 16:58
RE: HUSAREK DSP - SP4LVC - 22-03-2017, 17:03
RE: HUSAREK DSP - SP4LVC - 25-03-2017, 1:11
RE: HUSAREK DSP - SP5CGI - 25-03-2017, 1:19
RE: HUSAREK DSP - SP4LVC - 25-03-2017, 1:44
RE: HUSAREK DSP - SP3OSJ - 25-03-2017, 4:09
RE: HUSAREK DSP - SQ4CTK - 25-03-2017, 11:29
RE: HUSAREK DSP - SP5CGI - 28-03-2017, 18:01
RE: HUSAREK DSP - SPO3O2OL - 28-03-2017, 19:52
RE: HUSAREK DSP - SP5DPD - 28-03-2017, 20:11
RE: HUSAREK DSP - SPO3O2OL - 28-03-2017, 20:18
RE: HUSAREK DSP - SP5DPD - 28-03-2017, 20:36
RE: HUSAREK DSP - SPO3O2OL - 28-03-2017, 20:44
RE: HUSAREK DSP - SPO3O2OL - 02-04-2017, 14:20
RE: HUSAREK DSP - SP8GPQ - 02-04-2017, 17:43
RE: HUSAREK DSP - GREG - 02-04-2017, 19:29
RE: HUSAREK DSP - SP5BMP - 02-04-2017, 20:05
RE: HUSAREK DSP - SPO3O2OL - 03-04-2017, 11:38
RE: HUSAREK DSP - SP6IFN - 03-04-2017, 12:06
RE: HUSAREK DSP - SP9SNC - 03-04-2017, 19:07
RE: HUSAREK DSP - SPO3O2OL - 06-04-2017, 23:32
RE: HUSAREK DSP - SP6IFN - 06-04-2017, 23:45
RE: HUSAREK DSP - SPO3O2OL - 07-04-2017, 0:23
RE: HUSAREK DSP - SP6IFN - 07-04-2017, 12:50
RE: HUSAREK DSP - SPO3O2OL - 07-04-2017, 16:16
RE: HUSAREK DSP - SP9FKP - 07-04-2017, 18:49
RE: HUSAREK DSP - SPO3O2OL - 07-04-2017, 21:05
RE: HUSAREK DSP - SQ9RIH - 08-04-2017, 12:44
RE: HUSAREK DSP - SQ4AVS - 07-04-2017, 19:11
RE: HUSAREK DSP - SP5BMP - 07-04-2017, 19:31
RE: HUSAREK DSP - SQ4AVS - 07-04-2017, 19:32
RE: HUSAREK DSP - SPO3O2OL - 09-04-2017, 23:17
RE: HUSAREK DSP - SP4LVC - 17-04-2017, 11:41
RE: HUSAREK DSP - SP6IFN - 17-04-2017, 11:27
RE: HUSAREK DSP - SPO3O2OL - 17-04-2017, 13:59
RE: HUSAREK DSP - SP4LVC - 17-04-2017, 20:47
RE: HUSAREK DSP - SPO3O2OL - 17-04-2017, 21:28
RE: HUSAREK DSP - GREG - 17-04-2017, 22:21
RE: HUSAREK DSP - SPO3O2OL - 17-04-2017, 22:41
RE: HUSAREK DSP - SP5BMP - 18-04-2017, 7:49
RE: HUSAREK DSP - SPO3O2OL - 18-04-2017, 12:40
RE: HUSAREK DSP - SP4LVC - 18-04-2017, 8:30
RE: HUSAREK DSP - SP9MZU - 18-04-2017, 14:34
RE: HUSAREK DSP - SP4LVC - 18-04-2017, 21:13
RE: HUSAREK DSP - SPO3O2OL - 18-04-2017, 22:31
RE: HUSAREK DSP - GREG - 19-04-2017, 1:38
RE: HUSAREK DSP - SPO3O2OL - 19-04-2017, 16:32
RE: HUSAREK DSP - SP4LVC - 19-04-2017, 19:57
RE: HUSAREK DSP - SP4LVC - 19-04-2017, 0:42
RE: HUSAREK DSP - SP9KN - 19-04-2017, 8:24
RE: HUSAREK DSP - SPO3O2OL - 19-04-2017, 21:29
RE: HUSAREK DSP - GREG - 19-04-2017, 22:36
RE: HUSAREK DSP - SP4LVC - 19-04-2017, 22:08
RE: HUSAREK DSP - SPO3O2OL - 19-04-2017, 22:49
RE: HUSAREK DSP - SQ3SKN - 19-04-2017, 23:08
RE: HUSAREK DSP - SPO3O2OL - 19-04-2017, 23:32
RE: HUSAREK DSP - SQ3SKN - 19-04-2017, 23:38
RE: HUSAREK DSP - SPO3O2OL - 19-04-2017, 23:49
RE: HUSAREK DSP - GREG - 20-04-2017, 12:38
RE: HUSAREK DSP - SQ3SKN - 20-04-2017, 0:01
RE: HUSAREK DSP - SPO3O2OL - 20-04-2017, 0:32
RE: HUSAREK DSP - SPO3O2OL - 20-04-2017, 18:38
RE: HUSAREK DSP - SP4LVC - 21-04-2017, 11:41
RE: HUSAREK DSP - SPO3O2OL - 21-04-2017, 21:54
RE: HUSAREK DSP - SP8GPQ - 21-04-2017, 19:28
RE: HUSAREK DSP - SP6IFN - 21-04-2017, 22:45
RE: HUSAREK DSP - SPO3O2OL - 21-04-2017, 23:19
RE: HUSAREK DSP - SP6IFN - 21-04-2017, 23:41
RE: HUSAREK DSP - SPO3O2OL - 21-04-2017, 23:49
RE: HUSAREK DSP - SP9FKP - 22-04-2017, 7:55
RE: HUSAREK DSP - SPO3O2OL - 22-04-2017, 12:18
RE: HUSAREK DSP - SQ8MVY - 22-04-2017, 10:09
RE: HUSAREK DSP - SP3OSJ - 22-04-2017, 11:17
RE: HUSAREK DSP - SP6IFN - 22-04-2017, 12:01
RE: HUSAREK DSP - SPO3O2OL - 22-04-2017, 12:35
RE: HUSAREK DSP - SP6IFN - 22-04-2017, 12:52
RE: HUSAREK DSP - SQ8MVY - 22-04-2017, 12:28
RE: HUSAREK DSP - SPO3O2OL - 22-04-2017, 13:18
RE: HUSAREK DSP - SP3OSJ - 22-04-2017, 18:38
RE: HUSAREK DSP - SPO3O2OL - 22-04-2017, 19:02
RE: HUSAREK DSP - PAC_AN - 25-04-2017, 19:49
RE: HUSAREK DSP - SP5BMP - 26-04-2017, 8:33
RE: HUSAREK DSP - SP4LVC - 26-04-2017, 10:16
RE: HUSAREK DSP - SP5BMP - 26-04-2017, 17:04
RE: HUSAREK DSP - SP4LVC - 27-04-2017, 0:05
RE: HUSAREK DSP - SP8IMG - 30-04-2017, 11:09
RE: HUSAREK DSP - SPO3O2OL - 01-05-2017, 9:51
RE: HUSAREK DSP - SP3OSJ - 30-04-2017, 16:40
RE: HUSAREK DSP - SP8IMG - 30-04-2017, 18:07
RE: HUSAREK DSP - GREG - 01-05-2017, 10:23
RE: HUSAREK DSP - SP3OSJ - 30-04-2017, 19:45
RE: HUSAREK DSP - SQ2EER - 30-04-2017, 20:09
RE: HUSAREK DSP - SQ9SX - 30-04-2017, 20:54
RE: HUSAREK DSP - SP9OYT - 02-05-2017, 19:47
RE: HUSAREK DSP - SP8UFT - 03-05-2017, 11:04
RE: HUSAREK DSP - SP9OYT - 07-05-2017, 11:18
RE: HUSAREK DSP - SP6IFN - 07-05-2017, 15:00
RE: HUSAREK DSP - SP9OYT - 07-05-2017, 15:35
RE: HUSAREK DSP - SP6IFN - 07-05-2017, 15:51
RE: HUSAREK DSP - SP2SGA - 07-05-2017, 22:22
RE: HUSAREK DSP - SP6IFN - 10-05-2017, 15:37
RE: HUSAREK DSP - SP2SGA - 10-05-2017, 18:04
RE: HUSAREK DSP - SP8GPQ - 10-05-2017, 17:09
RE: HUSAREK DSP - SP5TAA - 10-05-2017, 23:12
RE: HUSAREK DSP - SP6IFN - 12-05-2017, 23:33
RE: HUSAREK DSP - SP2JQR - 13-05-2017, 8:09
RE: HUSAREK DSP - SP6IFN - 13-05-2017, 11:20
RE: HUSAREK DSP - SP5BMP - 13-05-2017, 18:26
RE: HUSAREK DSP - SP3OSJ - 13-05-2017, 20:38
RE: HUSAREK DSP - SP6IFN - 13-05-2017, 21:27
RE: HUSAREK DSP - SP2JQR - 14-05-2017, 18:04
RE: HUSAREK DSP - SP2QOT - 14-05-2017, 18:26
RE: HUSAREK DSP - SPO3O2OL - 14-05-2017, 14:37
RE: HUSAREK DSP - SP2JQR - 14-05-2017, 21:44
RE: HUSAREK DSP - SP4LVC - 15-05-2017, 15:39
RE: HUSAREK DSP - SP6IFN - 15-05-2017, 22:12
RE: HUSAREK DSP - SP5BMP - 15-05-2017, 16:27
RE: HUSAREK DSP - SP5BMP - 16-05-2017, 6:20
RE: HUSAREK DSP - SP6IFN - 16-05-2017, 12:00
RE: HUSAREK DSP - SP5BMP - 16-05-2017, 12:21
RE: HUSAREK DSP - SP6IFN - 16-05-2017, 13:52
RE: HUSAREK DSP - SP2SGA - 16-05-2017, 12:24
RE: HUSAREK DSP - SQ4CTK - 16-05-2017, 15:08
RE: HUSAREK DSP - SP6IFN - 16-05-2017, 15:58
RE: HUSAREK DSP - SPO3O2OL - 16-05-2017, 17:24
RE: HUSAREK DSP - SP5BMP - 16-05-2017, 16:09
RE: HUSAREK DSP - SP5BMP - 16-05-2017, 18:03
RE: HUSAREK DSP - SPO3O2OL - 16-05-2017, 19:07
RE: HUSAREK DSP - SQ8AQX - 16-05-2017, 20:09
RE: HUSAREK DSP - SPO3O2OL - 16-05-2017, 20:11
RE: HUSAREK DSP - SQ8AQX - 16-05-2017, 20:24
RE: HUSAREK DSP - SPO3O2OL - 16-05-2017, 20:45
RE: HUSAREK DSP - SP5BMP - 16-05-2017, 21:20
RE: HUSAREK DSP - SPO3O2OL - 16-05-2017, 21:34
RE: HUSAREK DSP - SP5CGI - 16-05-2017, 21:51
RE: HUSAREK DSP - SP6IFN - 16-05-2017, 21:59
RE: HUSAREK DSP - SPO3O2OL - 16-05-2017, 22:47
RE: HUSAREK DSP - SQ7HJB - 17-05-2017, 9:31
RE: HUSAREK DSP - SP5BMP - 17-05-2017, 10:37
RE: HUSAREK DSP - SPO3O2OL - 24-05-2017, 20:47
RE: HUSAREK DSP - SQ3SKN - 24-05-2017, 21:21
RE: HUSAREK DSP - SPO3O2OL - 24-05-2017, 21:45
RE: HUSAREK DSP - SQ3SKN - 24-05-2017, 22:35
RE: HUSAREK DSP - SQ1GYQ - 24-05-2017, 22:13
RE: HUSAREK DSP - SPO3O2OL - 24-05-2017, 22:53
RE: HUSAREK DSP - SP9HVW - 25-05-2017, 15:59
RE: HUSAREK DSP - SPO3O2OL - 25-05-2017, 17:20
RE: HUSAREK DSP - SQ8MVY - 25-05-2017, 18:15
RE: HUSAREK DSP - SPO3O2OL - 25-05-2017, 19:18
RE: HUSAREK DSP - SQ8MVY - 25-05-2017, 20:26
RE: HUSAREK DSP - SPO3O2OL - 25-05-2017, 20:32
RE: HUSAREK DSP - SQ8MVY - 25-05-2017, 20:58
RE: HUSAREK DSP - GREG - 25-05-2017, 21:47
RE: HUSAREK DSP - SQ8MVY - 25-05-2017, 22:50
RE: HUSAREK DSP - SPO3O2OL - 26-05-2017, 0:15
RE: HUSAREK DSP - SPO3O2OL - 25-05-2017, 21:57
RE: HUSAREK DSP - SP5BMP - 26-05-2017, 7:25
RE: HUSAREK DSP - SQ4CTK - 26-05-2017, 9:31
RE: HUSAREK DSP - SP5TAA - 26-05-2017, 13:52
RE: HUSAREK DSP - SP8UFT - 26-05-2017, 7:41
RE: HUSAREK DSP - SP5BMP - 26-05-2017, 9:58
RE: HUSAREK DSP - SP8IMG - 26-05-2017, 14:23
RE: HUSAREK DSP - SP9SNC - 26-05-2017, 14:34
RE: HUSAREK DSP - SP5TAA - 26-05-2017, 15:01
RE: HUSAREK DSP - SP2JQR - 26-05-2017, 14:38
RE: HUSAREK DSP - SP5BMP - 26-05-2017, 14:38
RE: HUSAREK DSP - SP2JQR - 26-05-2017, 15:09
RE: HUSAREK DSP - SP3OSJ - 26-05-2017, 21:10
RE: HUSAREK DSP - SP2JQR - 27-05-2017, 8:44
RE: HUSAREK DSP - SP8UFT - 27-05-2017, 8:47
RE: HUSAREK DSP - SP3OSJ - 27-05-2017, 10:33
RE: HUSAREK DSP - SQ4CTK - 27-05-2017, 11:02
RE: HUSAREK DSP - SPO3O2OL - 27-05-2017, 13:57
RE: HUSAREK DSP - SP2JQR - 27-05-2017, 10:40
RE: HUSAREK DSP - SP4LVC - 27-05-2017, 10:55
RE: HUSAREK DSP - SP3OSJ - 27-05-2017, 11:47
RE: HUSAREK DSP - SP2JQR - 27-05-2017, 11:47
RE: HUSAREK DSP - SP2GNB - 27-05-2017, 20:21
RE: HUSAREK DSP - SP4LVC - 27-05-2017, 20:32
RE: HUSAREK DSP - SP2GNB - 27-05-2017, 21:08
RE: HUSAREK DSP - SPO3O2OL - 28-05-2017, 0:07
RE: HUSAREK DSP - SP3GTG - 28-05-2017, 11:28
RE: HUSAREK DSP - SP2GNB - 28-05-2017, 11:45
RE: HUSAREK DSP - SP3OSJ - 29-05-2017, 3:23
RE: HUSAREK DSP - SP6IFN - 28-05-2017, 23:08
RE: HUSAREK DSP - SP8UFT - 02-06-2017, 8:27
RE: HUSAREK DSP - SP4LVC - 03-06-2017, 13:53
RE: HUSAREK DSP - SQ1GYQ - 03-06-2017, 14:02
RE: HUSAREK DSP - SP5CGI - 03-06-2017, 14:17
RE: HUSAREK DSP - SQ1GYQ - 03-06-2017, 14:41
RE: HUSAREK DSP - SP8UFT - 05-06-2017, 22:54
RE: HUSAREK DSP - SQ2EER - 05-06-2017, 22:56
RE: HUSAREK DSP - SP8UFT - 06-06-2017, 5:15
RE: HUSAREK DSP - SP2GNB - 08-06-2017, 21:14
RE: HUSAREK DSP - SP4LVC - 08-06-2017, 22:24
RE: HUSAREK DSP - SP6IFN - 08-06-2017, 22:41
RE: HUSAREK DSP - SQ1GYQ - 08-06-2017, 21:37
RE: HUSAREK DSP - SP2GNB - 08-06-2017, 22:51
RE: HUSAREK DSP - SP6IFN - 08-06-2017, 22:57
RE: HUSAREK DSP - SQ1GYQ - 11-06-2017, 12:52
RE: HUSAREK DSP - SP2SGA - 11-06-2017, 16:00
RE: HUSAREK DSP - 321321 - 25-06-2017, 10:52
RE: HUSAREK DSP - SP6TGB - 25-06-2017, 11:31
RE: HUSAREK DSP - SP2GNB - 25-06-2017, 12:19
RE: HUSAREK DSP - SP6TGB - 25-06-2017, 12:51
RE: HUSAREK DSP - SP4LVC - 25-06-2017, 20:04
RE: HUSAREK DSP - SP5BMP - 25-06-2017, 13:50
RE: HUSAREK DSP - SP2GNB - 29-06-2017, 13:08
RE: HUSAREK DSP - CYBORG - 30-06-2017, 14:50
RE: HUSAREK DSP - 321321 - 01-07-2017, 13:57
RE: HUSAREK DSP - SP6TGB - 25-06-2017, 20:16
RE: HUSAREK DSP - SP4LVC - 25-06-2017, 20:33
RE: HUSAREK DSP - SP5MX - 25-06-2017, 22:21
RE: HUSAREK DSP - 321321 - 26-06-2017, 11:21
RE: HUSAREK DSP - SQ5KVS - 26-06-2017, 11:43
RE: HUSAREK DSP - 321321 - 05-07-2017, 11:06
RE: HUSAREK DSP - SQ6IYY - 05-07-2017, 11:55
RE: HUSAREK DSP - 321321 - 05-07-2017, 13:08
RE: HUSAREK DSP - 321321 - 05-07-2017, 22:17
RE: HUSAREK DSP - SP4LVC - 06-07-2017, 0:01
RE: HUSAREK DSP - 321321 - 06-07-2017, 10:01
RE: HUSAREK DSP - SP4LVC - 06-07-2017, 16:26
RE: HUSAREK DSP - CYBORG - 08-07-2017, 20:31
RE: HUSAREK DSP - SQ8MVY - 11-07-2017, 0:38
RE: HUSAREK DSP - SP9FKP - 11-07-2017, 6:50
RE: HUSAREK DSP - SP3OSJ - 10-07-2017, 16:01
RE: HUSAREK DSP - CYBORG - 10-07-2017, 20:23
RE: HUSAREK DSP - SPO3O2OL - 10-07-2017, 22:20
RE: HUSAREK DSP - SQ1GYQ - 13-07-2017, 22:57
RE: HUSAREK DSP - SP5BMP - 14-07-2017, 7:33
RE: HUSAREK DSP - SQ1GYQ - 14-07-2017, 16:51
RE: HUSAREK DSP - SP3JDZ - 15-07-2017, 20:51
RE: HUSAREK DSP - SPO3O2OL - 15-07-2017, 23:53
RE: HUSAREK DSP - SP5BMP - 16-07-2017, 8:17
RE: HUSAREK DSP - SPO3O2OL - 16-07-2017, 11:21
RE: HUSAREK DSP - SP3JDZ - 16-07-2017, 12:07
RE: HUSAREK DSP - SPO3O2OL - 16-07-2017, 13:06
RE: HUSAREK DSP - SP5BMP - 16-07-2017, 12:36
RE: HUSAREK DSP - SP3JDZ - 16-07-2017, 14:14
RE: HUSAREK DSP - SPO3O2OL - 16-07-2017, 18:45
RE: HUSAREK DSP - SP6IFN - 16-07-2017, 21:11
RE: HUSAREK DSP - SPO3O2OL - 16-07-2017, 22:28
RE: HUSAREK DSP - SP6IFN - 16-07-2017, 23:01
RE: HUSAREK DSP - SP5CGI - 16-07-2017, 23:16
RE: HUSAREK DSP - SPO3O2OL - 16-07-2017, 23:42
RE: HUSAREK DSP - SP5CGI - 17-07-2017, 0:13
RE: HUSAREK DSP - SPO3O2OL - 17-07-2017, 0:39
RE: HUSAREK DSP - SP5BMP - 17-07-2017, 7:17
RE: HUSAREK DSP - SPO3O2OL - 17-07-2017, 10:29
RE: HUSAREK DSP - SP3JDZ - 20-07-2017, 16:31
RE: HUSAREK DSP - SP8UFT - 21-07-2017, 18:44
RE: HUSAREK DSP - SP8GPQ - 25-08-2017, 22:05
RE: HUSAREK DSP - SP8UFT - 26-08-2017, 15:00
RE: HUSAREK DSP - SP6IFN - 26-08-2017, 20:02
RE: HUSAREK DSP - SP9KN - 23-08-2017, 8:21
RE: HUSAREK DSP - SP5MNO - 24-08-2017, 10:16
RE: HUSAREK DSP - SP5BMP - 25-08-2017, 7:30
RE: HUSAREK DSP - SP6IFN - 25-08-2017, 22:57
RE: HUSAREK DSP - SP5MNO - 26-08-2017, 20:00
RE: HUSAREK DSP - SP5CGI - 26-08-2017, 22:14
RE: HUSAREK DSP - SP5MNO - 26-08-2017, 22:44
RE: HUSAREK DSP - SP9KN - 31-08-2017, 14:50
RE: HUSAREK DSP - HMAMATOR - 08-09-2017, 11:54
RE: HUSAREK DSP - SP3JDZ - 08-09-2017, 12:40
RE: HUSAREK DSP - SP4LVC - 08-09-2017, 12:23
RE: HUSAREK DSP - SP9HVW - 08-09-2017, 18:11
RE: HUSAREK DSP - SP5TAA - 08-09-2017, 18:46
RE: HUSAREK DSP - SPO3O2OL - 08-09-2017, 19:27
RE: HUSAREK DSP - SP4LVC - 08-09-2017, 19:56
RE: HUSAREK DSP - SPO3O2OL - 08-09-2017, 20:18
RE: HUSAREK DSP - SP9KN - 12-09-2017, 22:29
RE: HUSAREK DSP - SP5QIR_2 - 13-09-2017, 11:47
RE: HUSAREK DSP - CYBORG - 13-09-2017, 22:17
RE: HUSAREK DSP - SP5QIR_2 - 13-09-2017, 23:12
RE: HUSAREK DSP - SP9KN - 15-09-2017, 10:14
RE: HUSAREK DSP - SP6EER - 15-09-2017, 17:00
RE: HUSAREK DSP - SP5MNO - 17-09-2017, 17:02
RE: HUSAREK DSP - SP9MRN - 19-09-2017, 23:03
RE: HUSAREK DSP - SPO3O2OL - 19-09-2017, 23:27
RE: HUSAREK DSP - SP9OYT - 21-09-2017, 21:05
RE: HUSAREK DSP - SP5QIR_2 - 22-09-2017, 11:58
RE: HUSAREK DSP - SP5TAA - 22-09-2017, 12:35
RE: HUSAREK DSP - SP5BMP - 25-09-2017, 15:39
RE: HUSAREK DSP - SP7ROH - 25-09-2017, 21:31
RE: HUSAREK DSP - SQ9RFC - 26-09-2017, 2:14
RE: HUSAREK DSP - SP7ROH - 26-09-2017, 8:24
RE: HUSAREK DSP - SP2IPT - 26-09-2017, 13:40
RE: HUSAREK DSP - SQ9RFC - 26-09-2017, 19:19
RE: HUSAREK DSP - SP7ROH - 26-09-2017, 20:40
RE: HUSAREK DSP - SP9KN - 28-09-2017, 21:53
RE: HUSAREK DSP - SP6IFN - 28-09-2017, 22:13
RE: HUSAREK DSP - SQ9RFC - 28-09-2017, 22:54
RE: HUSAREK DSP - SP5MNO - 01-10-2017, 14:34
RE: HUSAREK DSP - GREG - 01-10-2017, 14:36
RE: HUSAREK DSP - SP5MNO - 01-10-2017, 14:43
RE: HUSAREK DSP - SP8GPQ - 11-10-2017, 21:12
RE: HUSAREK DSP - SPO3O2OL - 11-10-2017, 21:43
RE: HUSAREK DSP - SP8GPQ - 11-10-2017, 22:20
RE: HUSAREK DSP - SP8GPQ - 15-10-2017, 14:57
RE: HUSAREK DSP - SPO3O2OL - 15-10-2017, 16:48
RE: HUSAREK DSP - SP8GPQ - 17-10-2017, 21:03
RE: HUSAREK DSP - SPO3O2OL - 19-10-2017, 14:19
RE: HUSAREK DSP - SP8GPQ - 20-10-2017, 17:20
RE: HUSAREK DSP - SP5BMP - 15-10-2017, 18:45
RE: HUSAREK DSP - SPO3O2OL - 15-10-2017, 20:58
RE: HUSAREK DSP - SP8GPQ - 15-10-2017, 19:15
RE: HUSAREK DSP - SP5BMP - 16-10-2017, 7:25
RE: HUSAREK DSP - SPO3O2OL - 16-10-2017, 19:19
RE: HUSAREK DSP - SP3JDZ - 19-10-2017, 7:45
RE: HUSAREK DSP - SP5KC - 19-10-2017, 20:27
RE: HUSAREK DSP - SP3JDZ - 19-10-2017, 20:43
RE: HUSAREK DSP - SP3OSJ - 20-10-2017, 11:29
RE: HUSAREK DSP - SQ8MVY - 20-10-2017, 13:01
RE: HUSAREK DSP - SP3OSJ - 20-10-2017, 15:16
RE: HUSAREK DSP - SQ8MVY - 20-10-2017, 19:03
RE: HUSAREK DSP - SP3OSJ - 20-10-2017, 19:28
RE: HUSAREK DSP - SQ8MVY - 20-10-2017, 19:36
RE: HUSAREK DSP - SP3OSJ - 20-10-2017, 20:30
RE: HUSAREK DSP - SP8UFT - 20-10-2017, 22:06
RE: HUSAREK DSP - SP3OSJ - 20-10-2017, 22:38
RE: HUSAREK DSP - SP8UFT - 21-10-2017, 9:08
RE: HUSAREK DSP - SPO3O2OL - 21-10-2017, 11:08
RE: HUSAREK DSP - SP8UFT - 21-10-2017, 11:49
RE: HUSAREK DSP - 3Z9N - 21-10-2017, 6:43
RE: HUSAREK DSP - SP3OSJ - 21-10-2017, 13:03
RE: HUSAREK DSP - SP8UFT - 21-10-2017, 14:18
RE: HUSAREK DSP - SP4LVC - 23-10-2017, 13:40
RE: HUSAREK DSP - SP8UFT - 25-10-2017, 14:36
RE: HUSAREK DSP - SP3OSJ - 25-10-2017, 14:56
RE: HUSAREK DSP - SP8UFT - 25-10-2017, 15:17
RE: HUSAREK DSP - SP4LVC - 25-10-2017, 15:41
RE: HUSAREK DSP - SP5BMP - 25-10-2017, 15:51
RE: HUSAREK DSP - SP8UFT - 25-10-2017, 16:03
RE: HUSAREK DSP - SP9AWP - 26-10-2017, 8:46
RE: HUSAREK DSP - SP8UFT - 26-10-2017, 9:24
RE: HUSAREK DSP - SP3F - 26-10-2017, 13:13
RE: HUSAREK DSP - SP9AWP - 26-10-2017, 9:30
RE: HUSAREK DSP - SP9AWP - 26-10-2017, 13:46
RE: HUSAREK DSP - SP3F - 28-10-2017, 6:39
RE: HUSAREK DSP - SQ8MVY - 28-10-2017, 7:57
RE: HUSAREK DSP - SP6AUO - 26-10-2017, 14:45
RE: HUSAREK DSP - SQ9RFC - 27-10-2017, 14:59
RE: HUSAREK DSP - SP3F - 31-12-2017, 2:49
RE: HUSAREK DSP - SP9AWP - 27-10-2017, 15:11
RE: HUSAREK DSP - SP9AWP - 28-10-2017, 6:54
RE: HUSAREK DSP - SP3F - 28-10-2017, 9:35
RE: HUSAREK DSP - SQ9RFC - 28-10-2017, 18:18
RE: HUSAREK DSP - SP6AUO - 29-10-2017, 7:06
RE: HUSAREK DSP - SP3F - 29-10-2017, 12:19
RE: HUSAREK DSP - SQ9RFC - 09-11-2017, 23:03
RE: HUSAREK DSP - SP3IQ - 23-11-2017, 16:02
RE: HUSAREK DSP - SP9KN - 27-11-2017, 21:55
RE: HUSAREK DSP - SP5ABB - 27-11-2017, 23:24
RE: HUSAREK DSP - SP4LVC - 28-11-2017, 0:14
RE: HUSAREK DSP - SP5ABB - 28-11-2017, 9:44
RE: HUSAREK DSP - SP4LVC - 28-11-2017, 10:30
RE: HUSAREK DSP - SP8UFT - 28-11-2017, 12:11
RE: HUSAREK DSP - SP5BMP - 28-11-2017, 12:27
RE: HUSAREK DSP - SPO3O2OL - 28-11-2017, 12:33
RE: HUSAREK DSP - SP5ABB - 28-11-2017, 12:59
RE: HUSAREK DSP - SP5BMP - 28-11-2017, 13:18
RE: HUSAREK DSP - SP9FKP - 28-11-2017, 14:39
RE: HUSAREK DSP - SPO3O2OL - 28-11-2017, 17:51
RE: HUSAREK DSP - SQ2RPK - 01-12-2017, 22:49
RE: HUSAREK DSP - SP9MRN - 02-12-2017, 0:18
RE: HUSAREK DSP - CYBORG - 02-12-2017, 21:17
RE: HUSAREK DSP - SQ2RPK - 02-12-2017, 0:25
RE: HUSAREK DSP - SP9XU - 02-12-2017, 21:02
RE: HUSAREK DSP - SQ2RPK - 02-12-2017, 22:52
RE: HUSAREK DSP - CYBORG - 02-12-2017, 23:06
RE: HUSAREK DSP - SP5BMP - 03-12-2017, 9:10
RE: HUSAREK DSP - SQ2RPK - 03-12-2017, 11:52
RE: HUSAREK DSP - SP8UFT - 02-01-2018, 15:37
RE: HUSAREK DSP - SP9AWP - 02-01-2018, 16:10
RE: HUSAREK DSP - SP8UFT - 02-01-2018, 16:48
RE: HUSAREK DSP - SP9KN - 02-01-2018, 21:18
RE: HUSAREK DSP - SP9AWP - 02-01-2018, 21:22
RE: HUSAREK DSP - SP9KN - 02-01-2018, 21:52
RE: HUSAREK DSP - SQ3AUP - 02-01-2018, 22:50
RE: HUSAREK DSP - SP4LVC - 03-01-2018, 0:37
RE: HUSAREK DSP - SP9KN - 03-01-2018, 13:15
RE: HUSAREK DSP - SP4LVC - 03-01-2018, 14:10
RE: HUSAREK DSP - SP9KN - 03-01-2018, 14:43
RE: HUSAREK DSP - SP2GNB - 03-01-2018, 16:35
RE: HUSAREK DSP - SQ3AUP - 03-01-2018, 21:06
RE: HUSAREK DSP - SP9KN - 03-01-2018, 22:43
RE: HUSAREK DSP - SP9SNC - 03-01-2018, 23:10
RE: HUSAREK DSP - SQ7BCH - 04-01-2018, 0:02
RE: HUSAREK DSP - SP4LVC - 04-01-2018, 0:40
RE: HUSAREK DSP - SP9KN - 04-01-2018, 12:34
RE: HUSAREK DSP - SP5BMP - 04-01-2018, 13:29
RE: HUSAREK DSP - SP9KN - 04-01-2018, 13:40
RE: HUSAREK DSP - SP5BMP - 04-01-2018, 13:56
RE: HUSAREK DSP - SP9KN - 04-01-2018, 14:25
RE: HUSAREK DSP - SQ3AUP - 04-01-2018, 17:39
RE: HUSAREK DSP - SP8UFT - 04-01-2018, 18:25
RE: HUSAREK DSP - SP4LVC - 05-01-2018, 11:55
RE: HUSAREK DSP - K2KP - 04-01-2018, 18:49
RE: HUSAREK DSP - SP9KN - 04-01-2018, 23:50
RE: HUSAREK DSP - SP8UFT - 05-01-2018, 13:31
RE: HUSAREK DSP - SP4LVC - 05-01-2018, 16:10
RE: HUSAREK DSP - SQ2RPK - 06-01-2018, 13:36
RE: HUSAREK DSP - SP5BMP - 06-01-2018, 14:21
RE: HUSAREK DSP - SP2GNB - 10-01-2018, 13:29
RE: HUSAREK DSP - SQ7BCH - 14-01-2018, 16:00
RE: HUSAREK DSP - SP5BMP - 14-01-2018, 20:15
RE: HUSAREK DSP - SP6IFN - 14-01-2018, 21:09
RE: HUSAREK DSP - SP7ROH - 14-01-2018, 21:39
RE: HUSAREK DSP - SQ7BCH - 15-01-2018, 1:00
RE: HUSAREK DSP - SP5BMP - 15-01-2018, 13:06
RE: HUSAREK DSP - SP6IFN - 15-01-2018, 18:14
RE: HUSAREK DSP - SP9FKP - 16-01-2018, 12:03
RE: HUSAREK DSP - SQ3HTX - 21-01-2018, 14:34
RE: HUSAREK DSP - SP6IFN - 21-01-2018, 16:27
RE: HUSAREK DSP - SQ3HTX - 21-01-2018, 21:26
RE: HUSAREK DSP - SQ6IYY - 21-01-2018, 23:18
RE: HUSAREK DSP - SP8GPQ - 21-01-2018, 23:34
RE: HUSAREK DSP - SP9KN - 22-01-2018, 8:12
RE: HUSAREK DSP - SP5BMP - 22-01-2018, 9:01
RE: HUSAREK DSP - SP8GPQ - 22-01-2018, 13:08
RE: HUSAREK DSP - SP4LVC - 12-02-2018, 10:26
RE: HUSAREK DSP - SP8GME - 12-02-2018, 18:22
RE: HUSAREK DSP - SP4LVC - 12-02-2018, 19:31
RE: HUSAREK DSP - SP9AWP - 12-02-2018, 19:48
RE: HUSAREK DSP - SP8GME - 12-02-2018, 19:54
RE: HUSAREK DSP - SP9XU - 12-02-2018, 21:10
RE: HUSAREK DSP - SP4LVC - 13-02-2018, 0:32
RE: HUSAREK DSP - SP8GME - 13-02-2018, 0:50
RE: HUSAREK DSP - SQ3AUP - 13-02-2018, 21:06
RE: HUSAREK DSP - SP4LVC - 14-02-2018, 0:51
RE: HUSAREK DSP - SP8UFT - 14-02-2018, 11:18
RE: HUSAREK DSP - SP4LVC - 14-02-2018, 12:20
RE: HUSAREK DSP - SP8UFT - 14-02-2018, 14:35
RE: HUSAREK DSP - SP3F - 14-02-2018, 13:43
RE: HUSAREK DSP - SP4LVC - 14-02-2018, 15:28
RE: HUSAREK DSP - SP7ROH - 14-02-2018, 15:43
RE: HUSAREK DSP - SP4LVC - 14-02-2018, 17:07
RE: HUSAREK DSP - SQ9RFC - 14-02-2018, 17:24
RE: HUSAREK DSP - SP6IFN - 14-02-2018, 21:18
RE: HUSAREK DSP - SP4LVC - 15-02-2018, 0:20
RE: HUSAREK DSP - SP8GME - 17-02-2018, 15:35
RE: HUSAREK DSP - SP4LVC - 17-02-2018, 16:44
RE: HUSAREK DSP - SP9XU - 17-02-2018, 18:41
RE: HUSAREK DSP - SQ2RPK - 17-02-2018, 21:22
RE: HUSAREK DSP - SP4LVC - 17-02-2018, 21:36
RE: HUSAREK DSP - SP9AWP - 19-02-2018, 8:56
RE: HUSAREK DSP - SQ9RFC - 19-02-2018, 8:21
RE: HUSAREK DSP - SP4LVC - 19-02-2018, 10:15
RE: HUSAREK DSP - SP9AWP - 19-02-2018, 10:38
RE: HUSAREK DSP - SP4LVC - 19-02-2018, 11:44
RE: HUSAREK DSP - SP9AWP - 19-02-2018, 11:46
RE: HUSAREK DSP - SP4LVC - 19-02-2018, 12:12
RE: HUSAREK DSP - SP9AWP - 19-02-2018, 13:36
RE: HUSAREK DSP - SQ9RFC - 20-02-2018, 12:18
RE: HUSAREK DSP - SP8UFT - 20-02-2018, 17:59
RE: HUSAREK DSP - SP5BMP - 20-02-2018, 20:19
RE: HUSAREK DSP - SQ9RFC - 20-02-2018, 21:01
RE: HUSAREK DSP - SQ8MVY - 20-02-2018, 21:13
RE: HUSAREK DSP - SP2SGA - 20-02-2018, 23:37
RE: HUSAREK DSP - SP8UFT - 22-02-2018, 15:22
RE: HUSAREK DSP - SP4LVC - 24-02-2018, 9:04
RE: HUSAREK DSP - SP8BAI - 28-02-2018, 19:30
RE: HUSAREK DSP - SP4LVC - 28-02-2018, 23:00
RE: HUSAREK DSP - SP9AWP - 28-02-2018, 23:09
RE: HUSAREK DSP - SP4LVC - 01-03-2018, 22:23
RE: HUSAREK DSP - SP9KN - 09-03-2018, 9:03
RE: HUSAREK DSP - SP9AWP - 09-03-2018, 9:12
RE: HUSAREK DSP - SQ3HTX - 10-03-2018, 19:39
RE: HUSAREK DSP - SP5SMB - 10-03-2018, 23:40
RE: HUSAREK DSP - SP4LVC - 11-03-2018, 10:26
RE: HUSAREK DSP - SP5SMB - 11-03-2018, 11:03
RE: HUSAREK DSP - SP4LVC - 11-03-2018, 11:24
RE: HUSAREK DSP - SP4LVC - 20-03-2018, 11:03
RE: HUSAREK DSP - Qmar - 04-04-2018, 11:42
RE: HUSAREK DSP - SP9KN - 04-04-2018, 12:31
RE: HUSAREK DSP - SP4LVC - 04-04-2018, 17:26
RE: HUSAREK DSP - SP9KN - 04-04-2018, 21:56
RE: HUSAREK DSP - SP4LVC - 10-04-2018, 22:23
RE: HUSAREK DSP - SP3OSJ - 11-04-2018, 12:46
RE: HUSAREK DSP - SP9KN - 11-04-2018, 21:31
RE: HUSAREK DSP - SP2SGA - 11-04-2018, 22:14
RE: HUSAREK DSP - SP9KN - 11-04-2018, 22:37
RE: HUSAREK DSP - SQ2NIH - 11-04-2018, 23:24
RE: HUSAREK DSP - SP2GNB - 12-04-2018, 13:42
RE: HUSAREK DSP - SP9KN - 12-04-2018, 21:32
RE: HUSAREK DSP - SP8GPQ - 16-04-2018, 8:34
RE: HUSAREK DSP - SP9HVW - 16-04-2018, 18:56
RE: HUSAREK DSP - SP9RCL - 09-06-2018, 11:22
RE: HUSAREK DSP - SP9KN - 17-04-2018, 9:05
RE: HUSAREK DSP - SQ3AUP - 17-04-2018, 18:04
RE: HUSAREK DSP - SP9KN - 17-04-2018, 18:08
RE: HUSAREK DSP - SP4LVC - 19-04-2018, 0:28
RE: HUSAREK DSP - SP9KN - 19-04-2018, 5:29
RE: HUSAREK DSP - SQ5KVS - 19-04-2018, 12:23
RE: HUSAREK DSP - SP9KN - 23-04-2018, 21:54
RE: HUSAREK DSP - SP4LVC - 23-04-2018, 22:21
RE: HUSAREK DSP - SP9KN - 23-04-2018, 22:23
RE: HUSAREK DSP - SP4LVC - 25-04-2018, 18:01
RE: HUSAREK DSP - SP9KN - 25-04-2018, 18:22
RE: HUSAREK DSP - FRANTA - 25-04-2018, 18:30
RE: HUSAREK DSP - SQ8MVY - 25-04-2018, 18:40
RE: HUSAREK DSP - HA3HZ - 29-04-2018, 9:40
RE: HUSAREK DSP - SP4LVC - 06-05-2018, 20:55
RE: HUSAREK DSP - HA3HZ - 07-05-2018, 12:48
RE: HUSAREK DSP - SP4LVC - 11-05-2018, 0:01
RE: HUSAREK DSP - SQ2NIH - 16-05-2018, 21:15
RE: HUSAREK DSP - SP5BMP - 17-05-2018, 6:10
RE: HUSAREK DSP - SQ2NIH - 17-05-2018, 17:07
RE: HUSAREK DSP - SP9KN - 17-05-2018, 17:22
RE: HUSAREK DSP - SQ2NIH - 17-05-2018, 17:31
RE: HUSAREK DSP - SP9KN - 18-05-2018, 5:27
RE: HUSAREK DSP - SQ2NIH - 18-05-2018, 17:43
RE: HUSAREK DSP - SP5BMP - 28-05-2018, 20:57
RE: HUSAREK DSP - SP2JQR - 30-05-2018, 10:06
RE: HUSAREK DSP - SP5CGI - 30-05-2018, 10:49
RE: HUSAREK DSP - SP2JQR - 30-05-2018, 10:56
RE: HUSAREK DSP - SP7SP - 31-05-2018, 16:17
RE: HUSAREK DSP - SP5BMP - 31-05-2018, 17:45
RE: HUSAREK DSP - SP4LVC - 31-05-2018, 21:24
RE: HUSAREK DSP - SP9BSL - 01-06-2018, 21:08
RE: HUSAREK DSP - SP5BMP - 02-06-2018, 12:10
RE: HUSAREK DSP - SP9BSL - 03-06-2018, 20:14
RE: HUSAREK DSP - SQ4AVS - 04-06-2018, 3:54
RE: HUSAREK DSP - SP9BSL - 04-06-2018, 11:28
RE: HUSAREK DSP - SP5BMP - 04-06-2018, 11:32
RE: HUSAREK DSP - SP8GPQ - 07-06-2018, 21:47
RE: HUSAREK DSP - SP4LVC - 07-06-2018, 23:05
RE: HUSAREK DSP - SP9KN - 09-06-2018, 12:13
RE: HUSAREK DSP - SP4LVC - 11-06-2018, 14:07
RE: HUSAREK DSP - SP3F - 11-06-2018, 19:20
RE: HUSAREK DSP - SQ2NIH - 11-06-2018, 21:52
RE: HUSAREK DSP - SP4LVC - 12-06-2018, 21:55
RE: HUSAREK DSP - SP9AWP - 14-06-2018, 14:32
RE: HUSAREK DSP - SP4LVC - 15-06-2018, 12:30
RE: HUSAREK DSP - SQ3AUP - 17-06-2018, 9:16
RE: HUSAREK DSP - SP9KN - 17-06-2018, 10:22
RE: HUSAREK DSP - SQ3AUP - 17-06-2018, 11:06
RE: HUSAREK DSP - SP5SMK - 18-06-2018, 14:54
RE: HUSAREK DSP - SQ2RH - 18-06-2018, 15:43
RE: HUSAREK DSP - SP4LVC - 19-06-2018, 20:33
RE: HUSAREK DSP - SQ2RH - 19-06-2018, 21:51
RE: HUSAREK DSP - SP4LVC - 19-06-2018, 22:02
RE: HUSAREK DSP - SP5BMP - 20-06-2018, 6:54
RE: HUSAREK DSP - SQ2RH - 20-06-2018, 7:38
RE: HUSAREK DSP - SP5BMP - 20-06-2018, 8:17
RE: HUSAREK DSP - SQ2RH - 26-06-2018, 0:17
RE: HUSAREK DSP - SP8GPQ - 13-07-2018, 16:46
RE: HUSAREK DSP - SQ2RH - 15-07-2018, 13:06
RE: HUSAREK DSP - SP8GPQ - 15-07-2018, 14:16
RE: HUSAREK DSP - GREG - 20-09-2018, 13:10
RE: HUSAREK DSP - SP9KN - 26-06-2018, 5:29
RE: HUSAREK DSP - SQ2RH - 26-06-2018, 7:44
RE: HUSAREK DSP - SP9KN - 28-06-2018, 11:11
RE: HUSAREK DSP - SP4LVC - 28-06-2018, 18:44
RE: HUSAREK DSP - SQ2RH - 29-06-2018, 1:41
RE: HUSAREK DSP - SP4LVC - 29-06-2018, 23:02
RE: HUSAREK DSP - HMAMATOR - 08-12-2020, 19:39
RE: HUSAREK DSP - SP9KN - 02-07-2018, 9:46
RE: HUSAREK DSP - SQ2NIH - 04-07-2018, 22:17
RE: HUSAREK DSP - SP2JQR - 05-07-2018, 11:14
RE: HUSAREK DSP - SQ3AUP - 05-07-2018, 18:04
RE: HUSAREK DSP - SQ2NIH - 05-07-2018, 23:06
RE: HUSAREK DSP - SP4LVC - 06-07-2018, 6:45
RE: HUSAREK DSP - SQ2NIH - 06-07-2018, 8:53
RE: HUSAREK DSP - HA3HZ - 07-07-2018, 12:35
RE: HUSAREK DSP - SP4LVC - 23-07-2018, 20:14
RE: HUSAREK DSP - SP2JQR - 24-07-2018, 14:29
RE: HUSAREK DSP - HA3HZ - 25-07-2018, 9:08
RE: HUSAREK DSP - SP4LVC - 24-07-2018, 18:51
RE: HUSAREK DSP - SP2JQR - 25-07-2018, 17:22
RE: HUSAREK DSP - SPO3O2OL - 27-07-2018, 17:37
RE: HUSAREK DSP - SQ3AUP - 31-07-2018, 11:58
RE: HUSAREK DSP - SP4LVC - 02-08-2018, 9:10
RE: HUSAREK DSP - GREG - 02-08-2018, 9:30
RE: HUSAREK DSP - SP4LVC - 02-08-2018, 10:51
RE: HUSAREK DSP - SP5BMP - 02-08-2018, 11:48
RE: HUSAREK DSP - SP4LVC - 16-08-2018, 23:30
RE: HUSAREK DSP - SP9KN - 20-08-2018, 22:36
RE: HUSAREK DSP - SP4LVC - 20-08-2018, 23:23
RE: HUSAREK DSP - SP9KN - 21-08-2018, 6:19
RE: HUSAREK DSP - SP4LVC - 22-08-2018, 23:38
RE: HUSAREK DSP - SP2JQR - 23-08-2018, 5:04
RE: HUSAREK DSP - SP9KN - 23-08-2018, 18:19
RE: HUSAREK DSP - SQ2NIH - 30-10-2019, 15:38
RE: HUSAREK DSP - SP4LVC - 23-08-2018, 16:26
RE: HUSAREK DSP - SP2JQR - 23-08-2018, 19:30
RE: HUSAREK DSP - SP4LVC - 26-08-2018, 18:39
RE: HUSAREK DSP - SQ2RPK - 20-09-2018, 9:55
RE: HUSAREK DSP - SQ8MVY - 20-09-2018, 10:01
RE: HUSAREK DSP - SQ2RPK - 20-09-2018, 12:53
RE: HUSAREK DSP - SQ8MVY - 20-09-2018, 13:30
RE: HUSAREK DSP - HMAMATOR - 25-09-2018, 17:54
RE: HUSAREK DSP - SP2FP - 03-10-2018, 9:27
RE: HUSAREK DSP - GREG - 03-10-2018, 13:29
RE: HUSAREK DSP - SP9BSL - 04-10-2018, 8:48
RE: HUSAREK DSP - M'75 - 03-10-2018, 17:02
RE: HUSAREK DSP - SQ1GYQ - 03-10-2018, 17:46
RE: HUSAREK DSP - SP2FP - 04-10-2018, 9:49
RE: HUSAREK DSP - SP9BSL - 04-10-2018, 10:11
RE: HUSAREK DSP - SP9KN - 06-10-2018, 22:53
RE: HUSAREK DSP - SP4LVC - 07-10-2018, 0:15
RE: HUSAREK DSP - SP9KN - 07-10-2018, 8:30
RE: HUSAREK DSP - SQ8MVY - 07-10-2018, 10:00
RE: HUSAREK DSP - SP5CGI - 07-10-2018, 11:13
RE: HUSAREK DSP - SP9KN - 07-10-2018, 22:15
RE: HUSAREK DSP - SQ8MVY - 07-10-2018, 22:27
RE: HUSAREK DSP - SP9KN - 07-10-2018, 22:53
RE: HUSAREK DSP - SP4LVC - 07-10-2018, 23:05
RE: HUSAREK DSP - SP9KN - 07-10-2018, 23:12
RE: HUSAREK DSP - SQ8MVY - 07-10-2018, 23:38
RE: HUSAREK DSP - SP9KN - 11-10-2018, 21:58
RE: HUSAREK DSP - SQ8MVY - 11-10-2018, 22:52
RE: HUSAREK DSP - SP9KN - 14-10-2018, 9:43
RE: HUSAREK DSP - SP6IFN - 14-10-2018, 13:07
RE: HUSAREK DSP - SP9KN - 15-10-2018, 22:21
RE: HUSAREK DSP - GREG - 15-10-2018, 22:24
RE: HUSAREK DSP - SQ8BRZ - 17-10-2018, 16:21
RE: HUSAREK DSP - GREG - 17-10-2018, 16:44
RE: HUSAREK DSP - SP2JQR - 17-10-2018, 16:59
RE: HUSAREK DSP - SP9AWP - 17-10-2018, 17:43
RE: HUSAREK DSP - K2KP - 17-10-2018, 18:44
RE: HUSAREK DSP - SQ8BRZ - 17-10-2018, 19:10
RE: HUSAREK DSP - SP9AWP - 18-10-2018, 5:46
RE: HUSAREK DSP - SP9KN - 18-10-2018, 8:14
RE: HUSAREK DSP - HMAMATOR - 18-10-2018, 11:08
RE: HUSAREK DSP - SP4BK - 18-10-2018, 14:49
RE: HUSAREK DSP - GREG - 18-10-2018, 22:35
RE: HUSAREK DSP - M'75 - 19-10-2018, 8:17
RE: HUSAREK DSP - SP9FKP - 19-10-2018, 10:27
RE: HUSAREK DSP - M'75 - 19-10-2018, 11:21
RE: HUSAREK DSP - SP9FKP - 19-10-2018, 12:28
RE: HUSAREK DSP - M'75 - 19-10-2018, 18:38
RE: HUSAREK DSP - SP5SMK - 19-10-2018, 22:15
RE: HUSAREK DSP - K2KP - 19-10-2018, 14:54
RE: HUSAREK DSP - M'75 - 19-10-2018, 23:00
RE: HUSAREK DSP - SP4LVC - 26-10-2018, 22:32
RE: HUSAREK DSP - SP9KN - 31-10-2018, 21:45
RE: HUSAREK DSP - SP5MI - 29-11-2018, 13:41
RE: HUSAREK DSP - SQ2RPK - 17-12-2018, 12:40
RE: HUSAREK DSP - GREG - 17-12-2018, 18:12
RE: HUSAREK DSP - SP5BMP - 17-12-2018, 18:19
RE: HUSAREK DSP - SP5CGI - 17-12-2018, 18:33
RE: HUSAREK DSP - SP9KN - 01-01-2019, 22:52
RE: HUSAREK DSP - SP5MI - 23-01-2019, 16:02
RE: HUSAREK DSP - SP4LVC - 23-01-2019, 16:28
RE: HUSAREK DSP - HA3HZ - 23-01-2019, 17:13
RE: HUSAREK DSP - SP5MI - 23-01-2019, 20:18
RE: HUSAREK DSP - SP4LVC - 23-01-2019, 20:48
RE: HUSAREK DSP - SP2FP - 24-01-2019, 9:11
RE: HUSAREK DSP - SQ2RPK - 25-01-2019, 13:48
RE: HUSAREK DSP - SP5BMP - 25-01-2019, 14:41
RE: HUSAREK DSP - SQ2RPK - 25-01-2019, 15:16
RE: HUSAREK DSP - HA3HZ - 25-01-2019, 18:49
RE: HUSAREK DSP - SP5MI - 01-02-2019, 16:48
RE: HUSAREK DSP - SQ8MVY - 01-02-2019, 20:46
RE: HUSAREK DSP - SP5MI - 03-02-2019, 18:45
RE: HUSAREK DSP - SP6AUO - 01-02-2019, 17:03
RE: HUSAREK DSP - SP4LVC - 03-02-2019, 14:43
RE: HUSAREK DSP - SP5CGI - 03-02-2019, 16:27
RE: HUSAREK DSP - SP4LVC - 03-02-2019, 17:00
RE: HUSAREK DSP - SP4LVC - 04-02-2019, 14:21
RE: HUSAREK DSP - SP5MI - 10-02-2019, 20:31
RE: HUSAREK DSP - SP2FP - 10-02-2019, 20:48
RE: HUSAREK DSP - SP4LVC - 10-02-2019, 22:16
RE: HUSAREK DSP - SP5MI - 11-02-2019, 12:58
RE: HUSAREK DSP - SP4LVC - 11-02-2019, 13:07
RE: HUSAREK DSP - SP5MI - 11-02-2019, 15:35
RE: HUSAREK DSP - SP4LVC - 11-02-2019, 16:27
RE: HUSAREK DSP - SP5MI - 11-02-2019, 16:58
RE: HUSAREK DSP - SP9BSL - 11-02-2019, 17:31
RE: HUSAREK DSP - SP5MI - 11-02-2019, 18:18
RE: HUSAREK DSP - SP9BSL - 11-02-2019, 19:15
RE: HUSAREK DSP - SP5MI - 11-02-2019, 19:28
RE: HUSAREK DSP - SP9BSL - 11-02-2019, 20:08
RE: HUSAREK DSP - SP5MI - 11-02-2019, 20:29
RE: HUSAREK DSP - SP5CGI - 11-02-2019, 21:15
RE: HUSAREK DSP - SP4LVC - 12-02-2019, 10:32
RE: HUSAREK DSP - SQ9RFC - 12-02-2019, 15:17
RE: HUSAREK DSP - SP5MI - 12-02-2019, 17:22
RE: HUSAREK DSP - SP5BMP - 26-02-2019, 20:39
RE: HUSAREK DSP - HA3HZ - 26-02-2019, 22:21
RE: HUSAREK DSP - SP6AN - 27-02-2019, 9:23
RE: HUSAREK DSP - SP5BMP - 27-02-2019, 9:43
RE: HUSAREK DSP - SQ2NIH - 05-03-2019, 12:07
RE: HUSAREK DSP - SP8GPQ - 05-03-2019, 21:53
RE: HUSAREK DSP - SQ8MVY - 05-03-2019, 13:33
RE: HUSAREK DSP - SP6AUO - 05-03-2019, 13:34
RE: HUSAREK DSP - SQ2NIH - 05-03-2019, 19:14
RE: HUSAREK DSP - SO8FM - 05-03-2019, 19:22
RE: HUSAREK DSP - SQ2NIH - 05-03-2019, 22:43
RE: HUSAREK DSP - SP8GPQ - 06-03-2019, 8:27
RE: HUSAREK DSP - SP6AUO - 06-03-2019, 6:06
RE: HUSAREK DSP - SP5MNO - 06-03-2019, 11:34
RE: HUSAREK DSP - SQ2NIH - 06-03-2019, 21:54
RE: HUSAREK DSP - SP8GPQ - 07-03-2019, 15:38
RE: HUSAREK DSP - SP4LVC - 06-03-2019, 22:52
RE: HUSAREK DSP - SQ2NIH - 07-03-2019, 14:57
RE: HUSAREK DSP - SP5MI - 07-03-2019, 23:16
RE: HUSAREK DSP - SQ2NIH - 09-03-2019, 0:22
RE: HUSAREK DSP - SP3JDZ - 09-03-2019, 11:31
RE: HUSAREK DSP - SQ2NIH - 09-03-2019, 13:57
RE: HUSAREK DSP - SP9HVW - 09-03-2019, 15:37
RE: HUSAREK DSP - HA3HZ - 09-03-2019, 20:21
RE: HUSAREK DSP - SQ2NIH - 09-03-2019, 22:21
RE: HUSAREK DSP - SP2JQR - 14-03-2019, 17:08
RE: HUSAREK DSP - SP5MI - 14-03-2019, 19:13
RE: HUSAREK DSP - SQ2NIH - 15-03-2019, 0:24
RE: HUSAREK DSP - SP6AUO - 15-03-2019, 6:18
RE: HUSAREK DSP - SQ2NIH - 15-03-2019, 8:51
RE: HUSAREK DSP - SQ2NIH - 18-03-2019, 22:31
RE: HUSAREK DSP - SP6AUO - 19-03-2019, 6:29
RE: HUSAREK DSP - SP6LUN - 20-03-2019, 10:58
RE: HUSAREK DSP - SQ2NIH - 20-03-2019, 23:57
RE: HUSAREK DSP - SQ2NIH - 25-03-2019, 23:55
RE: HUSAREK DSP - HMAMATOR - 26-03-2019, 23:03
RE: HUSAREK DSP - SP5CGI - 26-03-2019, 23:22
RE: HUSAREK DSP - SQ2NIH - 27-03-2019, 13:24
RE: HUSAREK DSP - SQ2NIH - 29-03-2019, 22:05
RE: HUSAREK DSP - SQ2NIH - 04-04-2019, 22:44
RE: HUSAREK DSP - SQ2RH - 09-05-2019, 0:15
RE: HUSAREK DSP - SP5BMP - 09-05-2019, 6:27
RE: HUSAREK DSP - SQ2RH - 10-05-2019, 0:14
RE: HUSAREK DSP - SP4LVC - 10-05-2019, 20:44
RE: HUSAREK DSP - SQ2RH - 19-05-2019, 0:57
RE: HUSAREK DSP - SP1UJB - 19-05-2019, 11:10
RE: HUSAREK DSP - SQ2RH - 25-05-2019, 1:52
RE: HUSAREK DSP - SP5TAA - 25-05-2019, 2:20
RE: HUSAREK DSP - SP6AN - 25-05-2019, 7:28
RE: HUSAREK DSP - SQ2RH - 25-05-2019, 9:30
RE: HUSAREK DSP - SQ2RH - 27-05-2019, 21:45
RE: HUSAREK DSP - SP4SKP - 29-05-2019, 10:23
RE: HUSAREK DSP - SQ2RH - 29-05-2019, 9:33
RE: HUSAREK DSP - SQ2RH - 06-06-2019, 2:04
RE: HUSAREK DSP - SQ2RH - 14-06-2019, 23:15
RE: HUSAREK DSP - SQ2NIJ - 16-06-2019, 22:38
RE: HUSAREK DSP - SP8GPQ - 15-06-2019, 9:45
RE: HUSAREK DSP - SP4LVC - 15-06-2019, 12:13
RE: HUSAREK DSP - HA3HZ - 15-06-2019, 15:41
RE: HUSAREK DSP - SQ2RH - 21-07-2019, 13:53
RE: HUSAREK DSP - SP9KN - 21-07-2019, 14:45
RE: HUSAREK DSP - SQ2RH - 21-07-2019, 21:21
RE: HUSAREK DSP - SP9KN - 22-07-2019, 22:19
RE: HUSAREK DSP - SP5BMP - 23-07-2019, 10:28
RE: HUSAREK DSP - SP9KN - 24-07-2019, 12:54
RE: HUSAREK DSP - SQ9RFC - 23-07-2019, 10:43
RE: HUSAREK DSP - SP9BSL - 23-07-2019, 12:13
RE: HUSAREK DSP - SQ9RFC - 23-07-2019, 14:33
RE: HUSAREK DSP - HA3HZ - 23-07-2019, 22:51
RE: HUSAREK DSP - GREG - 24-07-2019, 0:38
RE: HUSAREK DSP - HA3HZ - 24-07-2019, 9:24
RE: HUSAREK DSP - SP5BMP - 28-07-2019, 12:09
RE: HUSAREK DSP - SQ1PSB - 09-08-2019, 9:38
RE: HUSAREK DSP - SP5BMP - 09-08-2019, 18:24
RE: HUSAREK DSP - SQ1PSB - 09-08-2019, 20:54
RE: HUSAREK DSP - SQ2RH - 09-08-2019, 23:39
RE: HUSAREK DSP - SQ1PSB - 10-08-2019, 7:40
RE: HUSAREK DSP - SQ2RH - 10-08-2019, 9:57
RE: HUSAREK DSP - SQ1PSB - 10-08-2019, 13:25
RE: HUSAREK DSP - SQ1PSB - 13-08-2019, 9:42
RE: HUSAREK DSP - SPO3O2OL - 15-08-2019, 8:27
RE: HUSAREK DSP - SP2JQR - 15-08-2019, 11:40
RE: HUSAREK DSP - SP6IFN - 15-08-2019, 12:45
RE: HUSAREK DSP - GREG - 16-08-2019, 14:13
RE: HUSAREK DSP - SQ2RH - 16-08-2019, 14:00
RE: HUSAREK DSP - SQ1PSB - 19-08-2019, 9:12
RE: HUSAREK DSP - SP2JQR - 19-08-2019, 21:18
RE: HUSAREK DSP - SQ1PSB - 20-08-2019, 7:45
RE: HUSAREK DSP - SQ2NIH - 27-08-2019, 14:59
RE: HUSAREK DSP - SP6IFN - 27-08-2019, 20:16
RE: HUSAREK DSP - SQ2NIH - 27-08-2019, 21:42
RE: HUSAREK DSP - SQ2NIH - 05-09-2019, 21:44
RE: HUSAREK DSP - SP4LVC - 05-09-2019, 22:28
RE: HUSAREK DSP - SQ2NIH - 05-09-2019, 22:37
RE: HUSAREK DSP - SQ1PSB - 06-09-2019, 18:13
RE: HUSAREK DSP - GREG - 06-09-2019, 18:28
RE: HUSAREK DSP - SQ1PSB - 06-09-2019, 19:19
RE: HUSAREK DSP - SP3TUM - 06-09-2019, 21:09
RE: HUSAREK DSP - SQ1PSB - 07-09-2019, 7:37
RE: HUSAREK DSP - SP9KN - 08-09-2019, 13:12
RE: HUSAREK DSP - SQ2RH - 08-09-2019, 23:59
RE: HUSAREK DSP - SQ9RFC - 09-09-2019, 0:28
RE: HUSAREK DSP - SQ2RH - 09-09-2019, 0:54
RE: HUSAREK DSP - SQ9RFC - 18-09-2019, 11:09
RE: HUSAREK DSP - SP6IFN - 09-09-2019, 11:06
RE: HUSAREK DSP - SQ2RH - 09-09-2019, 13:04
RE: HUSAREK DSP - SP6IFN - 09-09-2019, 15:06
RE: HUSAREK DSP - SQ2RH - 09-09-2019, 18:12
RE: HUSAREK DSP - SQ2RH - 16-09-2019, 21:38
RE: HUSAREK DSP - SP4LVC - 16-09-2019, 23:24
RE: HUSAREK DSP - SQ2RH - 17-09-2019, 9:39
RE: HUSAREK DSP - SP4LVC - 17-09-2019, 16:00
RE: HUSAREK DSP - SP9KN - 22-09-2019, 10:01
RE: HUSAREK DSP - SP4LVC - 22-09-2019, 10:08
RE: HUSAREK DSP - SP9KN - 22-09-2019, 10:17
RE: HUSAREK DSP - SP9KN - 12-10-2019, 19:14
RE: HUSAREK DSP - SQ9RFC - 19-10-2019, 1:13
RE: HUSAREK DSP - SQ2RH - 20-10-2019, 16:51
RE: HUSAREK DSP - SP2JQR - 19-10-2019, 11:01
RE: HUSAREK DSP - SQ9RFC - 19-10-2019, 12:50
RE: HUSAREK DSP - SP2JQR - 19-10-2019, 18:46
RE: HUSAREK DSP - SQ9RFC - 20-10-2019, 17:39
RE: HUSAREK DSP - SQ2RH - 20-10-2019, 19:46
RE: HUSAREK DSP - SP2JQR - 30-10-2019, 18:40
RE: HUSAREK DSP - SQ2NIH - 31-10-2019, 12:20
RE: HUSAREK DSP - SP5BMP - 09-11-2019, 21:23
RE: HUSAREK DSP - SP9KN - 09-11-2019, 22:03
RE: HUSAREK DSP - SP5BMP - 09-11-2019, 22:55
RE: HUSAREK DSP - SQ2RH - 09-11-2019, 23:57
RE: HUSAREK DSP - SP4LVC - 10-11-2019, 0:00
RE: HUSAREK DSP - SQ2NIH - 10-11-2019, 0:20
RE: HUSAREK DSP - SP5BMP - 10-11-2019, 10:08
RE: HUSAREK DSP - SP2JQR - 10-11-2019, 19:00
RE: HUSAREK DSP - SP9BSL - 12-11-2019, 14:36
RE: HUSAREK DSP - SP2JQR - 12-11-2019, 16:19
RE: HUSAREK DSP - SP9BSL - 12-11-2019, 16:54
RE: HUSAREK DSP - SP1UJB - 11-11-2019, 5:31
RE: HUSAREK DSP - SP2JQR - 11-11-2019, 11:08
RE: HUSAREK DSP - SP5BMP - 11-11-2019, 10:02
RE: HUSAREK DSP - SQ5KVS - 12-11-2019, 12:40
RE: HUSAREK DSP - SP9BSL - 12-11-2019, 12:55
RE: HUSAREK DSP - SQ5KVS - 12-11-2019, 13:07
RE: HUSAREK DSP - SP5BMP - 23-11-2019, 21:14
RE: HUSAREK DSP - SP4LVC - 24-11-2019, 18:56
RE: HUSAREK DSP - SP1UJB - 22-12-2019, 15:04
RE: HUSAREK DSP - SP4LVC - 23-12-2019, 0:44
RE: HUSAREK DSP - SP5BMP - 23-12-2019, 12:52
RE: HUSAREK DSP - SP4LVC - 24-12-2019, 0:19
RE: HUSAREK DSP - SP5CGI - 24-12-2019, 0:45
RE: HUSAREK DSP - SP4LVC - 24-12-2019, 0:54
RE: HUSAREK DSP - SP5BMP - 24-12-2019, 12:58
RE: HUSAREK DSP - SQ8MVY - 24-12-2019, 13:31
RE: HUSAREK DSP - HA3HZ - 24-12-2019, 14:14
RE: HUSAREK DSP - SQ2RH - 24-12-2019, 17:59
RE: HUSAREK DSP - SP4LVC - 24-12-2019, 20:43
RE: HUSAREK DSP - SP5MI - 20-01-2020, 15:14
RE: HUSAREK DSP - SP6IFN - 20-01-2020, 17:01
RE: HUSAREK DSP - SP5MI - 21-01-2020, 15:13
RE: HUSAREK DSP - SP6LUN - 21-01-2020, 15:31
RE: HUSAREK DSP - SP5MI - 21-01-2020, 16:19
RE: HUSAREK DSP - SP5BMP - 21-01-2020, 17:06
RE: HUSAREK DSP - SP5MI - 21-01-2020, 17:23
RE: HUSAREK DSP - SP5BMP - 21-01-2020, 17:39
RE: HUSAREK DSP - SP3TUM - 01-02-2020, 21:45
RE: HUSAREK DSP - SP4LVC - 01-02-2020, 23:48
RE: HUSAREK DSP - SP5MI - 03-02-2020, 22:20
RE: HUSAREK DSP - SP4LVC - 03-02-2020, 22:29
RE: HUSAREK DSP - SP5BMP - 04-02-2020, 17:34
RE: HUSAREK DSP - SQ2RH - 25-03-2020, 23:26
RE: HUSAREK DSP - SP8GPQ - 26-03-2020, 8:12
RE: HUSAREK DSP - SP5BMP - 26-03-2020, 10:03
RE: HUSAREK DSP - HA3HZ - 16-04-2020, 12:13
RE: HUSAREK DSP - SP8GPQ - 26-03-2020, 10:17
RE: HUSAREK DSP - SP4LVC - 26-03-2020, 22:13
RE: HUSAREK DSP - SQ2RH - 26-03-2020, 22:45
RE: HUSAREK DSP - SP5BMP - 27-03-2020, 10:43
RE: HUSAREK DSP - HMAMATOR - 27-03-2020, 13:27
RE: HUSAREK DSP - SP5BMP - 27-03-2020, 15:13
RE: HUSAREK DSP - SP5CGI - 27-03-2020, 21:03
RE: HUSAREK DSP - SQ2RH - 03-04-2020, 21:17
RE: HUSAREK DSP - SQ2RH - 08-04-2020, 22:19
RE: HUSAREK DSP - SP8BAI - 09-04-2020, 9:36
RE: HUSAREK DSP - SQ2RH - 09-04-2020, 13:20
RE: HUSAREK DSP - SQ2RH - 15-04-2020, 16:23
RE: HUSAREK DSP - SP3JDZ - 16-04-2020, 7:49
RE: HUSAREK DSP - SQ2RH - 23-04-2020, 13:21
RE: HUSAREK DSP - SP4LVC - 17-04-2020, 19:44
RE: HUSAREK DSP - SP5DPD - 18-04-2020, 15:36
RE: HUSAREK DSP - SP5MI - 28-04-2020, 8:30
RE: HUSAREK DSP - SP2JQR - 28-04-2020, 9:28
RE: HUSAREK DSP - SP9BSL - 28-04-2020, 9:33
RE: HUSAREK DSP - SP2JQR - 28-04-2020, 13:40
RE: HUSAREK DSP - SP5MI - 28-04-2020, 16:40
RE: HUSAREK DSP - SQ2RH - 03-05-2020, 23:54
RE: HUSAREK DSP - SP4LVC - 04-05-2020, 9:14
RE: HUSAREK DSP - SP2JQR - 04-05-2020, 12:47
RE: HUSAREK DSP - HMAMATOR - 05-05-2020, 9:12
RE: HUSAREK DSP - SP4LVC - 05-05-2020, 16:40
RE: HUSAREK DSP - HMAMATOR - 06-05-2020, 11:20
RE: HUSAREK DSP - SP4LVC - 06-05-2020, 12:44
RE: HUSAREK DSP - SQ9RFC - 06-05-2020, 14:09
RE: HUSAREK DSP - SQ2RH - 06-05-2020, 19:56
RE: HUSAREK DSP - SP5BMP - 06-05-2020, 20:19
RE: HUSAREK DSP - SQ9RFC - 07-05-2020, 0:32
RE: HUSAREK DSP - SP4LVC - 13-05-2020, 20:35
RE: HUSAREK DSP - SQ9RFC - 14-05-2020, 1:24
RE: HUSAREK DSP - SP1UJB - 17-05-2020, 15:55
RE: HUSAREK DSP - SP6IFN - 17-05-2020, 22:07
RE: HUSAREK DSP - SP4LVC - 17-05-2020, 21:35
RE: HUSAREK DSP - SP1UJB - 17-05-2020, 22:46
RE: HUSAREK DSP - SP6IFN - 17-05-2020, 23:45
RE: HUSAREK DSP - SP1UJB - 18-05-2020, 8:29
RE: HUSAREK DSP - SP2JQR - 18-05-2020, 9:05
RE: HUSAREK DSP - SQ9RFC - 19-05-2020, 3:15
RE: HUSAREK DSP - SP2JQR - 19-05-2020, 8:28
RE: HUSAREK DSP - SP1UJB - 19-05-2020, 11:08
RE: HUSAREK DSP - SP2JQR - 20-05-2020, 21:07
RE: HUSAREK DSP - SP4LVC - 16-06-2020, 14:11
RE: HUSAREK DSP - SP2JQR - 16-06-2020, 14:42
RE: HUSAREK DSP - SQ2RPK - 16-06-2020, 20:07
RE: HUSAREK DSP - SP4LVC - 16-06-2020, 22:57
RE: HUSAREK DSP - SP4LVC - 21-07-2020, 13:32
RE: HUSAREK DSP - SQ2RH - 28-08-2020, 18:45
RE: HUSAREK DSP - SP4LVC - 30-08-2020, 17:58
RE: HUSAREK DSP - SQ5KVS - 31-08-2020, 11:17
RE: HUSAREK DSP - HMAMATOR - 31-08-2020, 13:28
RE: HUSAREK DSP - SP4LVC - 31-08-2020, 14:03
RE: HUSAREK DSP - SP2JQR - 31-08-2020, 14:19
RE: HUSAREK DSP - SQ5KVS - 31-08-2020, 14:41
RE: HUSAREK DSP - SP4LVC - 31-08-2020, 16:24
RE: HUSAREK DSP - HMAMATOR - 31-08-2020, 16:49
RE: HUSAREK DSP - SP4LVC - 11-09-2020, 1:04
RE: HUSAREK DSP - SP9SNC - 11-09-2020, 12:31
RE: HUSAREK DSP - SP2JQR - 11-09-2020, 13:29
RE: HUSAREK DSP - SP9SNC - 23-09-2020, 7:08
RE: HUSAREK DSP - SP2JQR - 23-09-2020, 15:55
RE: HUSAREK DSP - SP5BMP - 08-12-2020, 20:04
RE: HUSAREK DSP - HMAMATOR - 09-12-2020, 10:24
RE: HUSAREK DSP - SP5BMP - 10-12-2020, 7:47
RE: HUSAREK DSP - SQ2RH - 25-12-2020, 14:06
RE: HUSAREK DSP - SP4LVC - 26-12-2020, 0:59
RE: HUSAREK DSP - SQ2RH - 02-01-2021, 13:39
RE: HUSAREK DSP - SP4LVC - 02-01-2021, 13:47
RE: HUSAREK DSP - YL2GL - 09-01-2021, 22:07
RE: HUSAREK DSP - SQ4AVS - 10-01-2021, 9:32
RE: HUSAREK DSP - SO8FM - 10-01-2021, 13:40
RE: HUSAREK DSP - SQ9RFC - 10-01-2021, 22:47
RE: HUSAREK DSP - SP9BSL - 11-01-2021, 11:33
RE: HUSAREK DSP - SO8FM - 11-01-2021, 18:55
RE: HUSAREK DSP - SP9BSL - 11-01-2021, 20:45
RE: HUSAREK DSP - SQ4AVS - 11-01-2021, 16:50
RE: HUSAREK DSP - SQ5KVS - 11-01-2021, 19:47
RE: HUSAREK DSP - SQ4AVS - 11-01-2021, 20:23
RE: HUSAREK DSP - SQ4AVS - 11-01-2021, 22:55
RE: HUSAREK DSP - SPO3O2OL - 11-01-2021, 23:22
RE: HUSAREK DSP - SQ9RFC - 11-01-2021, 23:29
RE: HUSAREK DSP - SP2JQR - 12-01-2021, 9:44
RE: HUSAREK DSP - SQ9RFC - 31-01-2021, 2:36
RE: HUSAREK DSP - SP4LVC - 31-01-2021, 20:13
RE: HUSAREK DSP - SP6IFN - 31-01-2021, 20:59
RE: HUSAREK DSP - SP4LVC - 31-01-2021, 21:48
RE: HUSAREK DSP - SP6IFN - 31-01-2021, 22:15
RE: HUSAREK DSP - SP5BMP - 01-02-2021, 9:58
RE: HUSAREK DSP - SP4LVC - 01-02-2021, 10:56
RE: HUSAREK DSP - SQ9RFC - 01-02-2021, 23:30
RE: HUSAREK DSP - SP8BAI - 02-02-2021, 10:30
RE: HUSAREK DSP - SQ9RFC - 02-02-2021, 12:52
RE: HUSAREK DSP - SQ2RH - 10-03-2021, 1:33
RE: HUSAREK DSP - SP9BSL - 10-03-2021, 9:28
RE: HUSAREK DSP - SP2JQR - 15-04-2021, 8:14
RE: HUSAREK DSP - SP8BAI - 27-04-2021, 13:05
RE: HUSAREK DSP - SQ2RH - 27-04-2021, 20:55
RE: HUSAREK DSP - SP8BAI - 28-04-2021, 9:26
RE: HUSAREK DSP - SQ2RH - 28-04-2021, 20:22
RE: HUSAREK DSP - HMAMATOR - 28-04-2021, 9:00
RE: HUSAREK DSP - SP4LVC - 28-04-2021, 10:28
RE: HUSAREK DSP - SQ8MVY - 28-04-2021, 12:31
RE: HUSAREK DSP - SP8BAI - 28-04-2021, 23:03
RE: HUSAREK DSP - SQ5KVS - 28-04-2021, 17:14
RE: HUSAREK DSP - SQ4AVS - 28-04-2021, 17:21
RE: HUSAREK DSP - SN5WD - 28-04-2021, 19:09
RE: HUSAREK DSP - SN5WD - 28-04-2021, 21:23
RE: HUSAREK DSP - SQ8MVY - 29-04-2021, 8:42
RE: HUSAREK DSP - SP8BAI - 29-04-2021, 20:05
RE: HUSAREK DSP - SQ9RFC - 29-04-2021, 21:42
RE: HUSAREK DSP - SPO3O2OL - 03-05-2021, 10:55
RE: HUSAREK DSP - HMAMATOR - 01-05-2021, 17:06
RE: HUSAREK DSP - SQ4AVS - 04-05-2021, 8:55
RE: HUSAREK DSP - RV9OZ - 31-05-2021, 15:58
RE: HUSAREK DSP - SP5BMP - 03-06-2021, 7:33
RE: HUSAREK DSP - RV9OZ - 18-06-2021, 5:03
RE: HUSAREK DSP - SP6MI - 20-06-2021, 12:51
RE: HUSAREK DSP - SP5BMP - 21-06-2021, 10:27
RE: HUSAREK DSP - SP6MI - 21-06-2021, 16:46
RE: HUSAREK DSP - SP5BMP - 21-06-2021, 18:27
RE: HUSAREK DSP - SP6MI - 21-06-2021, 19:32
RE: HUSAREK DSP - SQ2RH - 21-06-2021, 22:32
RE: HUSAREK DSP - SP6MI - 22-06-2021, 8:38
RE: HUSAREK DSP - SQ2RH - 04-07-2021, 9:48
RE: HUSAREK DSP - SP6MI - 24-06-2021, 20:37
RE: HUSAREK DSP - SPO3O2OL - 25-06-2021, 16:45
RE: HUSAREK DSP - SP6MI - 06-07-2021, 8:28
RE: HUSAREK DSP - SP4LVC - 06-07-2021, 11:22
RE: HUSAREK DSP - SP6MI - 06-07-2021, 11:27
RE: HUSAREK DSP - SP4LVC - 07-07-2021, 7:03
RE: HUSAREK DSP - SP6MI - 07-07-2021, 8:18
RE: HUSAREK DSP - SP4LVC - 07-07-2021, 11:19
RE: HUSAREK DSP - SP6MI - 09-07-2021, 13:41
RE: HUSAREK DSP - SP9RQA - 09-07-2021, 14:44
RE: HUSAREK DSP - SP6MI - 09-07-2021, 14:53
RE: HUSAREK DSP - SP9RQA - 09-07-2021, 15:43
RE: HUSAREK DSP - SP6MI - 09-07-2021, 20:55
RE: HUSAREK DSP - SP5BMP - 09-07-2021, 21:24
RE: HUSAREK DSP - SP6MI - 12-07-2021, 14:26
RE: HUSAREK DSP - SQ5MGA - 15-07-2021, 23:24
RE: HUSAREK DSP - SP5BMP - 16-07-2021, 12:48
RE: HUSAREK DSP - SQ5MGA - 17-07-2021, 23:34
RE: HUSAREK DSP - SP6MI - 17-07-2021, 9:33
RE: HUSAREK DSP - SP5BMP - 18-07-2021, 9:40
RE: HUSAREK DSP - SP6MI - 18-07-2021, 13:05
RE: HUSAREK DSP - SQ5MGA - 18-07-2021, 22:54
RE: HUSAREK DSP - SQ5MGA - 04-09-2021, 12:50
RE: HUSAREK DSP - SQ5MGA - 07-09-2021, 14:44
RE: HUSAREK DSP - SP8GPQ - 19-09-2021, 16:03
RE: HUSAREK DSP - SQ5MGA - 22-09-2021, 21:36
RE: HUSAREK DSP - RV9OZ - 02-10-2021, 17:35
RE: HUSAREK DSP - SP5BMP - 08-09-2021, 7:18
RE: HUSAREK DSP - RV9OZ - 22-09-2021, 17:47
RE: HUSAREK DSP - SQ5MGA - 04-10-2021, 19:56
RE: HUSAREK DSP - RV9OZ - 05-10-2021, 5:34
RE: HUSAREK DSP - SP5BMP - 05-10-2021, 18:38
RE: HUSAREK DSP - RV9OZ - 06-10-2021, 3:55
RE: HUSAREK DSP - SP5BMP - 06-10-2021, 8:57
RE: HUSAREK DSP - HA3HZ - 01-11-2021, 12:53
RE: HUSAREK DSP - RV9OZ - 07-10-2021, 7:38
RE: HUSAREK DSP - SP8GPQ - 12-11-2021, 10:15
RE: HUSAREK DSP - SQ2RPK - 12-11-2021, 16:24
RE: HUSAREK DSP - RV9OZ - 01-11-2021, 16:18
RE: HUSAREK DSP - SP5BMP - 02-11-2021, 10:52
RE: HUSAREK DSP - RV9OZ - 04-11-2021, 5:53
RE: HUSAREK DSP - HA3HZ - 07-11-2021, 11:45
RE: HUSAREK DSP - HA3HZ - 09-11-2021, 23:21
RE: HUSAREK DSP - RV9OZ - 11-11-2021, 12:34
RE: HUSAREK DSP - HA3HZ - 11-11-2021, 13:55
RE: HUSAREK DSP - RV9OZ - 11-11-2021, 14:16
RE: HUSAREK DSP - HA3HZ - 11-11-2021, 15:26
RE: HUSAREK DSP - SP8GPQ - 13-11-2021, 9:04
RE: HUSAREK DSP - TOMASZ.K - 17-11-2021, 13:40
RE: HUSAREK DSP - HMAMATOR - 17-11-2021, 18:09
RE: HUSAREK DSP - HA3HZ - 19-11-2021, 18:52
RE: HUSAREK DSP - SP8NTY - 20-11-2021, 17:34
RE: HUSAREK DSP - SQ8MVY - 20-11-2021, 10:09
RE: HUSAREK DSP - HA3HZ - 22-12-2021, 10:49
RE: HUSAREK DSP - RV9OZ - 22-12-2021, 11:12
RE: HUSAREK DSP - HA3HZ - 22-12-2021, 13:41
RE: HUSAREK DSP - RV9OZ - 22-12-2021, 13:52
RE: HUSAREK DSP - SP5TAA - 22-12-2021, 18:26
RE: HUSAREK DSP - SP5BMP - 22-12-2021, 18:28
RE: HUSAREK DSP - HA3HZ - 23-12-2021, 16:34
RE: HUSAREK DSP - SP8GPQ - 30-12-2021, 17:46
RE: HUSAREK DSP - HA3HZ - 31-12-2021, 10:48
RE: HUSAREK DSP - SP5BMP - 31-12-2021, 12:28
RE: HUSAREK DSP - SP8GPQ - 31-12-2021, 19:34
RE: HUSAREK DSP - HA3HZ - 03-01-2022, 23:27
RE: HUSAREK DSP - SP5BMP - 12-01-2022, 19:14
RE: HUSAREK DSP - SQ2RH - 17-01-2022, 12:49
RE: HUSAREK DSP - HA3HZ - 17-01-2022, 17:12
RE: HUSAREK DSP - SP5BMP - 02-02-2022, 18:19
RE: HUSAREK DSP - RV9OZ - 16-02-2022, 8:25
RE: HUSAREK DSP - SP5BMP - 16-02-2022, 11:46
RE: HUSAREK DSP - RV9OZ - 16-02-2022, 12:36
RE: HUSAREK DSP - SQ2NIH - 21-03-2022, 15:50
RE: HUSAREK DSP - SP8BAI - 22-03-2022, 10:56
RE: HUSAREK DSP - SQ2NIH - 22-03-2022, 12:25
RE: HUSAREK DSP - FRANTA - 03-04-2022, 12:49
RE: HUSAREK DSP - SP5BMP - 03-04-2022, 15:23
RE: HUSAREK DSP - FRANTA - 03-04-2022, 20:02
RE: HUSAREK DSP - SP5BMP - 04-04-2022, 6:38
RE: HUSAREK DSP - SQ2NIH - 15-04-2022, 21:32
RE: HUSAREK DSP - SP4LVC - 17-04-2022, 2:17
RE: HUSAREK DSP - SQ2NIH - 18-04-2022, 22:27
RE: HUSAREK DSP - SQ2NIH - 02-05-2022, 18:41
RE: HUSAREK DSP - RV9OZ - 07-06-2022, 11:18
RE: HUSAREK DSP - SP8GPQ - 12-06-2022, 16:05
RE: HUSAREK DSP - SP5BMP - 14-06-2022, 15:42
RE: HUSAREK DSP - SP8GPQ - 15-06-2022, 17:50
RE: HUSAREK DSP - GREG - 15-06-2022, 14:32
RE: HUSAREK DSP - SP5BMP - 16-06-2022, 6:39
RE: HUSAREK DSP - SQ2RH - 16-06-2022, 23:42
RE: HUSAREK DSP - HA3HZ - 17-06-2022, 14:13
RE: HUSAREK DSP - SP2BPD - 23-06-2022, 13:00
RE: HUSAREK DSP - SP9MTS - 23-06-2022, 14:59
RE: HUSAREK DSP - SP5BMP - 23-06-2022, 16:36
RE: HUSAREK DSP - SP2BPD - 23-06-2022, 17:06
RE: HUSAREK DSP - YL2GL - 28-07-2022, 19:18
RE: HUSAREK DSP - SP4LVC - 29-07-2022, 8:57
RE: HUSAREK DSP - YL2GL - 29-07-2022, 19:48
RE: HUSAREK DSP - SP4LVC - 30-07-2022, 0:08
RE: HUSAREK DSP - SP6LUN - 30-07-2022, 9:55
RE: HUSAREK DSP - SP7ROH - 30-07-2022, 18:05
RE: HUSAREK DSP - YL2GL - 31-07-2022, 22:18
RE: HUSAREK DSP - SP4LVC - 30-07-2022, 22:19
RE: HUSAREK DSP - RV9OZ - 31-07-2022, 5:20
RE: HUSAREK DSP - SP5BMP - 31-07-2022, 19:57
RE: HUSAREK DSP - SP3JDZ - 18-10-2022, 10:56
RE: HUSAREK DSP - SP4LVC - 02-08-2022, 8:11
RE: HUSAREK DSP - SP9MZU - 02-08-2022, 10:28
RE: HUSAREK DSP - SQ4AVS - 02-08-2022, 21:06
RE: HUSAREK DSP - SP5MBD - 02-08-2022, 22:14
RE: HUSAREK DSP - SP5CGI - 03-08-2022, 9:35
RE: HUSAREK DSP - SP2JQR - 09-08-2022, 19:24
RE: HUSAREK DSP - SP8BAI - 10-08-2022, 9:44
RE: HUSAREK DSP - SP9MZU - 09-08-2022, 20:58
RE: HUSAREK DSP - SP5BMP - 10-08-2022, 18:17
RE: HUSAREK DSP - SP8BAI - 10-08-2022, 18:32
RE: HUSAREK DSP - SP6LTP - 10-08-2022, 19:45
RE: HUSAREK DSP - SP8GPQ - 19-08-2022, 12:03
RE: HUSAREK DSP - SP4LVC - 21-08-2022, 12:31
RE: HUSAREK DSP - SP5CGI - 21-08-2022, 12:56
RE: HUSAREK DSP - SP4LVC - 21-08-2022, 13:28
RE: HUSAREK DSP - SP6IFN - 21-08-2022, 15:26
RE: HUSAREK DSP - SP4LVC - 21-08-2022, 18:31
RE: HUSAREK DSP - SP5CGI - 21-08-2022, 19:31
RE: HUSAREK DSP - SP4LVC - 21-08-2022, 19:54
RE: HUSAREK DSP - SP8GPQ - 21-08-2022, 20:41
RE: HUSAREK DSP - SP4LVC - 21-08-2022, 22:43
RE: HUSAREK DSP - HA3HZ - 22-08-2022, 11:04
RE: HUSAREK DSP - SP4LVC - 22-08-2022, 14:20
RE: HUSAREK DSP - SP8GPQ - 24-08-2022, 21:24
RE: HUSAREK DSP - SP8GPQ - 27-08-2022, 10:05
RE: HUSAREK DSP - SP4LVC - 27-08-2022, 10:54
RE: HUSAREK DSP - U.L. - 27-08-2022, 10:57
RE: HUSAREK DSP - SP4AP - 30-08-2022, 7:14
RE: HUSAREK DSP - SP8GPQ - 02-09-2022, 8:42
RE: HUSAREK DSP - SP5BMP - 03-09-2022, 7:36
RE: HUSAREK DSP - SP8GPQ - 03-09-2022, 8:06
RE: HUSAREK DSP - SP5BMP - 12-09-2022, 16:00
RE: HUSAREK DSP - SP2JQR - 16-09-2022, 10:01
RE: HUSAREK DSP - SP5BMP - 17-09-2022, 8:41
RE: HUSAREK DSP - SP5CGI - 18-10-2022, 15:46
RE: HUSAREK DSP - SP3JDZ - 18-10-2022, 16:18
RE: HUSAREK DSP - SP5CGI - 18-10-2022, 17:14
RE: HUSAREK DSP - SP3JDZ - 18-10-2022, 17:17
RE: HUSAREK DSP - RV9OZ - 22-10-2022, 14:21
RE: HUSAREK DSP - RV9OZ - 30-10-2022, 9:37
RE: HUSAREK DSP - SP8GPQ - 26-10-2022, 18:38
RE: HUSAREK DSP - SP4AP - 17-12-2022, 21:07
RE: HUSAREK DSP - SP5BMP - 18-12-2022, 7:26
RE: HUSAREK DSP - SP4AP - 18-12-2022, 20:48
RE: HUSAREK DSP - SP2JQR - 20-12-2022, 11:49
RE: HUSAREK DSP - SP8GPQ - 19-12-2022, 21:47
RE: HUSAREK DSP - SP4AP - 22-12-2022, 8:47
RE: HUSAREK DSP - SP8GPQ - 03-01-2023, 8:37
RE: HUSAREK DSP - SP4LVC - 03-01-2023, 13:41
RE: HUSAREK DSP - SP8GPQ - 03-01-2023, 16:39
RE: HUSAREK DSP - SP4AP - 07-01-2023, 19:20
RE: HUSAREK DSP - SQ2RH - 12-02-2023, 21:38
RE: HUSAREK DSP - SP4LVC - 14-02-2023, 23:47
RE: HUSAREK DSP - SQ2RH - 25-02-2023, 21:40
RE: HUSAREK DSP - SQ2RH - 11-05-2023, 18:45
RE: HUSAREK DSP - SP8GPQ - 11-05-2023, 20:13
RE: HUSAREK DSP - SP9BSL - 11-05-2023, 20:36
RE: HUSAREK DSP - SP2JQR - 12-05-2023, 15:34
RE: HUSAREK DSP - HA3HZ - 14-05-2023, 21:12
RE: HUSAREK DSP - 161HS2252 - 15-05-2023, 21:50
RE: HUSAREK DSP - SQ2RH - 15-05-2023, 22:51
RE: HUSAREK DSP - SP5MI - 18-05-2023, 11:07
RE: HUSAREK DSP - SP2JQR - 18-05-2023, 11:32
RE: HUSAREK DSP - SQ2RH - 19-05-2023, 0:09
RE: HUSAREK DSP - HA3HZ - 20-05-2023, 8:31
RE: HUSAREK DSP - SP8LMS - 14-07-2023, 17:21
RE: HUSAREK DSP - SP8GPQ - 14-07-2023, 20:41
RE: HUSAREK DSP - SP8LMS - 15-07-2023, 8:41
RE: HUSAREK DSP - SP5MI - 15-07-2023, 10:20
RE: HUSAREK DSP - SP8LMS - 15-07-2023, 11:06
RE: HUSAREK DSP - SP5MI - 24-07-2023, 11:12
RE: HUSAREK DSP - SP8LMS - 25-07-2023, 8:16
RE: HUSAREK DSP - SQ2KLX - 28-09-2023, 12:11
RE: HUSAREK DSP - SP4AP - 18-12-2023, 21:14
RE: HUSAREK DSP - SP4AP - 28-12-2023, 21:24
RE: HUSAREK DSP - SQ2RH - 01-01-2024, 22:54
RE: HUSAREK DSP - SP4AP - 17-01-2024, 16:39
RE: HUSAREK DSP - SP3TUM - 17-01-2024, 19:37
RE: HUSAREK DSP - SP4AP - 18-01-2024, 9:56
RE: HUSAREK DSP - SQ2RH - 21-01-2024, 18:25
RE: HUSAREK DSP - SP8GPQ - 02-08-2024, 17:40
RE: HUSAREK DSP - YL2GL - 18-12-2024, 20:47
RE: HUSAREK DSP - SP7DCB - 15-01-2025, 23:30
RE: HUSAREK DSP - YL2GL - 23-01-2025, 19:31
RE: HUSAREK DSP - SP5BMP - 24-01-2025, 9:24
RE: HUSAREK DSP - YL2GL - 25-02-2025, 17:47
RE: HUSAREK DSP - SQ2RH - 23-03-2025, 11:33
RE: HUSAREK DSP - SP5TAA - 25-02-2025, 21:09
RE: HUSAREK DSP - YL2GL - 26-03-2025, 20:01
RE: HUSAREK DSP - YL2GL - 14-04-2025, 13:40
RE: HUSAREK DSP - SP5BMP - 15-04-2025, 6:49
RE: HUSAREK DSP - YL2GL - 09-05-2025, 18:20

Skocz do:


Użytkownicy przeglądający ten wątek: 6 gości