Odpowiedz 
 
Ocena wątku:
  • 7 Głosów - 4.14 Średnio
  • 1
  • 2
  • 3
  • 4
  • 5
Składamy wzbudnicę SSB G4CLF
bolanren Offline
Jerzy SP5RZM
****

Liczba postów: 434
Dołączył: 10-04-2011
Post: #722
RE: Składamy wzbudnicę SSB G4CLF
Szanowni Koledzy,

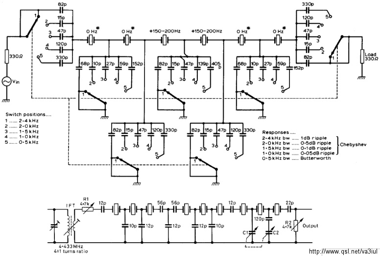
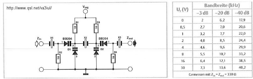
W imieniu wszystkich zainteresowanych dziękuję za "podrzucenie" informacji o rozwiązaniu IF w "K2" z dodatkową modernizacją dokonaną przez Kolegę SP7EWL. Ciekawy jest sposób dopasowania kwarcowego filtru PP9. Drugi filtr też ma interesujące rozwiązanie z diodą pojemnościową. Podobno Rosjanie chętnie takie filtry stosują. Domyślam się, że chodzi o zmianę szerokości pasma?

Pozdrawiam
Jerzy SP5RZM
Szanowni Koledzy Plesseyowcy oraz niemniej Szanowni Koledzy Obserwatorzy,


Po obejrzeniu ostatniego schematu toru p.cz. od "K2" z ciekawości zacząłem poszukiwać podobnych rozwiązań. Od razu wyjaśnię, że nie w celu zaimplementowania ich w kolejnym projekcie ale wyłącznie po to aby zorientować się co w tej materii inni Koledzy robią. Skupiłem się na przestrajanych kwarcowych filtrach. Żałuję jedynie, że autor jednego z opracowań nie podał na jaką środkową "f" filtru jest jego konstrukcja.


Pozdrawiam wszystkich
Jerzy SP5RZM


Załączone pliki Miniatury
İmage İmage
(Ten post był ostatnio modyfikowany: 18-08-2016 9:06 przez bolanren.)
17-08-2016 20:55
Znajdź wszystkie posty użytkownika Odpowiedz cytując ten post
Odpowiedz 


Wiadomości w tym wątku
RE: Składamy wzbudnicę SSB G4CLF - bolanren - 17-08-2016 20:55

Skocz do:


Użytkownicy przeglądający ten wątek: 3 gości