|
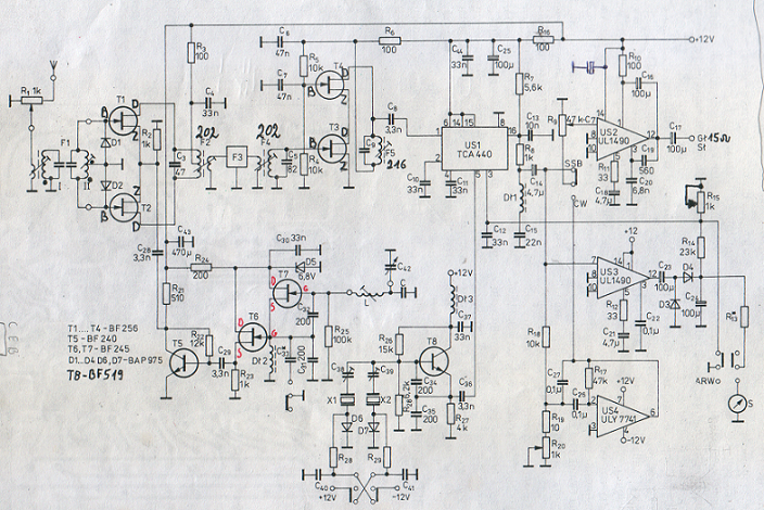
Pięciopasmowy odb.KF wg SP3NYI
|
SQ9HHU
Bartek ![]() ![]() Liczba postów: 50 Dołączył: 05-09-2010 |
|
||
| 21-07-2016 15:41 |
|
|
« Starszy wątek | Nowszy wątek »
|
Użytkownicy przeglądający ten wątek: 1 gości




