Odpowiedz 
 
Ocena wątku:
  • 10 Głosów - 4.6 Średnio
  • 1
  • 2
  • 3
  • 4
  • 5
HUSAREK - nowa homodyna dla "każdego"
SP9HVW Offline
Józef
***

Liczba postów: 158
Dołączył: 14-06-2010
Post: #839
RE: HUSAREK - nowa homodyna dla "każdego"
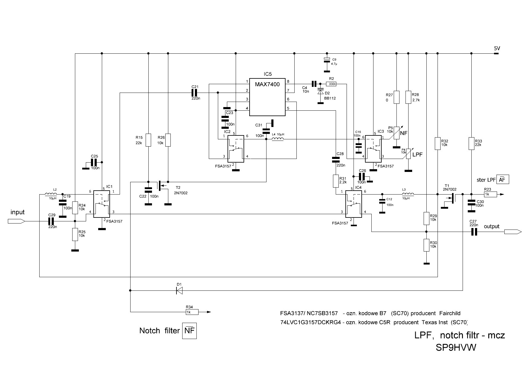
Mam PCB LPF, Notcha na MAX7400 można zastosować przed wz. mcz. z możliwością zał i wył. LPF lub notcha .Układ wprowadza tłumienie 0.4 dB w torze m.cz. - będą dostępne na spotkaniu ŁOŚ.


Załączone pliki Miniatury
İmage İmage İmage

.pdf  MAX 7400, lpf notch.pdf (Rozmiar: 83.92 KB / Pobrań: 1092)
(Ten post był ostatnio modyfikowany: 26-05-2016 20:30 przez SP9HVW.)
13-05-2016 16:38
Znajdź wszystkie posty użytkownika Odpowiedz cytując ten post
Odpowiedz 


Wiadomości w tym wątku
RE: HUSAREK - nowa homodyna dla "każdego" - SP9HVW - 13-05-2016 16:38

Skocz do:


Użytkownicy przeglądający ten wątek: 2 gości