Odpowiedz 
 
Ocena wątku:
  • 1 Głosów - 5 Średnio
  • 1
  • 2
  • 3
  • 4
  • 5
Analizator NA200
SP6VGX Offline
Tomek
***

Liczba postów: 108
Dołączył: 03-11-2012
Post: #20
RE: Analizator NA200
Witam

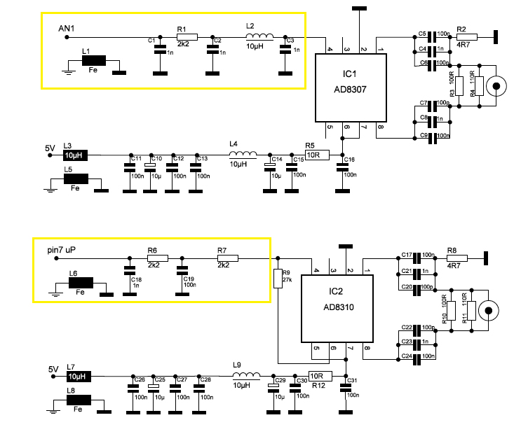
(29-05-2015 11:27)SP5FCS napisał(a):  Wszystkie kondensatory blokujące zasilanie to 100nF+1nF.

To i ja mam kilka pytan odnosnie nowej PCB oraz schematu od SP5CGI.

Na fotografi oznaczylem pola zwiazane z pytaniami kolorami...

İmage

kolor czerwony - to miejsca na kondensatory 100nF ? i tutaj dylemat dawac obok siebie po kilka 100nF czy obok siebie (jak mamy miejsce na dwa) 100nF i 1nF jak wspomniane wyzej ? Na schemacie od SP5CGI sa wszedzie 100nF.

kolor zielony - kondensatory na wejsciach ADC PIC-a na schemacie od SP5CGI sa zaznaczone jako 100nF. Natomiast na oryginalnym NWT 200 uzyte sa 1nF, tak samo w pierwszym poscie na zdieciach plytki SP5FCS widac ze roznia sie one kolorem ceramiki od innych 100nF.

no i teraz kolor zolty w polaczeniu ze schematem:

İmage

Wyjscie sygnalu z AD8307 mamy uzyte 3 x 1nF, rezystor 2.2k i dlawik 10uH.
Natomiast dla AD8310 mamy 1 x 1nF, 1 x 100nF, 2 x 2.2k i na pin 7 PIC-a

i tutaj pytanie bo znowu plytka zaprojektowana jest identycznie dla obu sond czyli 3 miejsca na kondensatory 1 rezystor smd i jeden przewlekany (dlawik). Tutaj znowu na zdjeciach SP5FCS wyglada ze w obu przypadkach mamy zastosowane dlawiki 10uH oraz z sondy AD8310 na pin 2 PIC-a

Natomiast na fotografii SP5CGI jest jak na schemacie.

Tutaj pytanie ktory wariant jest prawidlowy i lepiej sie spisuje ?

Wiem ze to sprawa niby tylko odsprzeganie - ale jak widac i patrzac na PCB dosc istotna... Wiec wole zastosowac sprawdzone juz rozwiazanie z montowaniem tych pojemnosci Smile

Tomek - SP6VGX (SWL: SP-0316-JG)
QTH: Warszawa, LOKATOR: KO02NG
http://www.sp6vgx.pl/
(Ten post był ostatnio modyfikowany: 09-12-2015 3:51 przez SP6VGX.)
09-12-2015 3:51
Znajdź wszystkie posty użytkownika Odpowiedz cytując ten post
Odpowiedz 


Wiadomości w tym wątku
Analizator NA200 - SP5FCS - 20-03-2014, 20:40
RE: Analizator NA200 - SP5FCS - 21-03-2014, 20:56
RE: Analizator NA200 - SP4HKQ - 22-03-2014, 19:16
RE: Analizator NA200 - SQ4AVS - 22-03-2014, 20:56
RE: Analizator NA200 - SP5FCS - 23-03-2014, 0:08
RE: Analizator NA200 - SQ4AVS - 23-03-2014, 9:11
RE: Analizator NA200 - SP5CGI - 28-03-2014, 18:42
RE: Analizator NA200 - SP5AQT - 29-03-2014, 10:44
RE: Analizator NA200 - SP4HKQ - 29-03-2014, 15:46
RE: Analizator NA200 - SP5FCS - 20-09-2014, 15:30
RE: Analizator NA200 - SP3OSJ - 27-11-2014, 13:19
RE: Analizator NA200 - SP5FCS - 05-12-2014, 23:35
RE: Analizator NA200 - SP4HKQ - 01-12-2014, 10:40
RE: Analizator NA200 - SP3OSJ - 06-12-2014, 16:56
RE: Analizator NA200 - SQ2KLX - 28-05-2015, 19:50
RE: Analizator NA200 - SP5FCS - 28-05-2015, 22:04
RE: Analizator NA200 - SQ2KLX - 29-05-2015, 10:23
RE: Analizator NA200 - SP5FCS - 29-05-2015, 11:27
RE: Analizator NA200 - SP6VGX - 09-12-2015 3:51
RE: Analizator NA200 - SP6VGX - 19-12-2015, 22:14
RE: Analizator NA200 - SP5FCS - 19-12-2015, 22:51
RE: Analizator NA200 - SP6VGX - 20-12-2015, 2:57
RE: Analizator NA200 - SP4HKQ - 21-01-2016, 11:57
RE: Analizator NA200 - SP6VGX - 21-01-2016, 12:44
RE: Analizator NA200 - SQ5KVS - 21-01-2016, 14:33
RE: Analizator NA200 - SQ4AVS - 21-01-2016, 15:54
RE: Analizator NA200 - BUBAMUBA - 18-03-2016, 12:26
RE: Analizator NA200 - SP5BMP - 18-03-2016, 13:59
RE: Analizator NA200 - BUBAMUBA - 18-03-2016, 14:21
RE: Analizator NA200 - SP9AWP - 07-11-2016, 10:16
RE: Analizator NA200 - BUBAMUBA - 22-03-2016, 12:45
RE: Analizator NA200 - SP5BMP - 22-03-2016, 16:07
RE: Analizator NA200 - SQ1GYQ - 20-01-2017, 17:58
RE: Analizator NA200 - SP8GPQ - 09-05-2017, 19:39
RE: Analizator NA200 - SP8GPQ - 11-04-2018, 22:07
RE: Analizator NA200 - SP8GPQ - 14-04-2018, 17:41
RE: Analizator NA200 - SQ7GVU - 16-04-2018, 9:56
RE: Analizator NA200 - SP8GPQ - 16-04-2018, 11:50
RE: Analizator NA200 - SQ7GVU - 16-04-2018, 12:24
RE: Analizator NA200 - SP8GPQ - 16-04-2018, 12:44
RE: Analizator NA200 - SP8GPQ - 16-04-2018, 18:48
RE: Analizator NA200 - SQ7GVU - 16-04-2018, 13:00
RE: Analizator NA200 - SP8GPQ - 16-04-2018, 13:10
RE: Analizator NA200 - SQ8MVY - 16-04-2018, 13:48
RE: Analizator NA200 - SP8GPQ - 16-04-2018, 15:01
RE: Analizator NA200 - SP2SGA - 16-04-2018, 15:16
RE: Analizator NA200 - SP8GPQ - 16-04-2018, 17:57
RE: Analizator NA200 - SQ8MVY - 16-04-2018, 18:14
RE: Analizator NA200 - SP8GPQ - 16-04-2018, 18:18
RE: Analizator NA200 - SQ8MVY - 16-04-2018, 18:22
RE: Analizator NA200 - SP8GPQ - 16-04-2018, 18:26
RE: Analizator NA200 - SQ8MVY - 16-04-2018, 18:34
RE: Analizator NA200 - SQ8MVY - 16-04-2018, 19:38
RE: Analizator NA200 - SP8GPQ - 16-04-2018, 21:25
RE: Analizator NA200 - SQ8MVY - 16-04-2018, 21:43
RE: Analizator NA200 - SP8GPQ - 16-04-2018, 22:07
RE: Analizator NA200 - SP6VGJ - 10-05-2018, 17:08
RE: Analizator NA200 - SP8GPQ - 10-05-2018, 18:03
RE: Analizator NA200 - JACEK11111 - 20-01-2019, 12:31
RE: Analizator NA200 - SQ8MVY - 20-01-2019, 14:35
RE: Analizator NA200 - SP1NV - 30-03-2019, 0:50
RE: Analizator NA200 - SP5FCS - 30-03-2019, 11:58
RE: Analizator NA200 - SQ1GYQ - 30-03-2019, 14:36
RE: Analizator NA200 - SP1NV - 30-03-2019, 18:56
RE: Analizator NA200 - SP1NV - 30-05-2019, 0:36
RE: Analizator NA200 - SP1NV - 03-06-2019, 15:41
RE: Analizator NA200 - SP8GPQ - 18-11-2019, 10:59
RE: Analizator NA200 - SQ8AQX - 18-11-2019, 17:57
RE: Analizator NA200 - SP8GPQ - 18-11-2019, 20:10
RE: Analizator NA200 - SP6VGX - 09-02-2020, 11:57
RE: Analizator NA200 - bolanren - 20-06-2025, 14:29
RE: Analizator NA200 - SP8BAI - 20-06-2025, 16:49
RE: Analizator NA200 - bolanren - 20-06-2025, 22:46
RE: Analizator NA200 - SQ4AVS - 21-06-2025, 8:28
RE: Analizator NA200 - bolanren - 21-06-2025, 21:29

Skocz do:


Użytkownicy przeglądający ten wątek: 2 gości