Odpowiedz 
 
Ocena wątku:
  • 7 Głosów - 4.14 Średnio
  • 1
  • 2
  • 3
  • 4
  • 5
Składamy wzbudnicę SSB G4CLF
bolanren Offline
Jerzy SP5RZM
****

Liczba postów: 434
Dołączył: 10-04-2011
Post: #364
RE: Składamy wzbudnicę SSB G4CLF
Witam Szanownych Kolegów "Plesseyowców" i sympatyzujących z nami Kibiców,

Dziękuję za informację o lutowaniu diod. Korzystając z okazji wspomnę, że możemy sobie w prosty sposób dołączyć do naszej wzbudnicy squelch . Można to wykonać na przykład na bazie układu CA3083. W tej strukturze zawartych jest 5 bipolarnych tranzystorów. Schemat ideowy tego układu był już wcześniej podany jako multimod Plessey transceiver.


Pozdrawiam
sp5rzm Jerzy
Szanowni Koledzy "Plesseyowcy" i Sympatycy naszego wątku,

Pojawiła się okazja do zakupu niewielkiej ilości oryginalnych układów scalonych firmy Plessey. W rachubę wchodzą wzmacniacze SL612C. Moim zdaniem warto się w nie zaopatrzyć, zważywszy na to, że mamy do czynienia z oryginalną wersją . Osoby składające naszą płytkę lub planujący tego typu projekty mają niepowtarzalną okazję do szybkiego zaopatrzenia się w te elementy.

Zainteresowani proszeni są o kontakt ze mną na priv.

Pozdrawiam wszystkich,
sp5rzm Jerzy


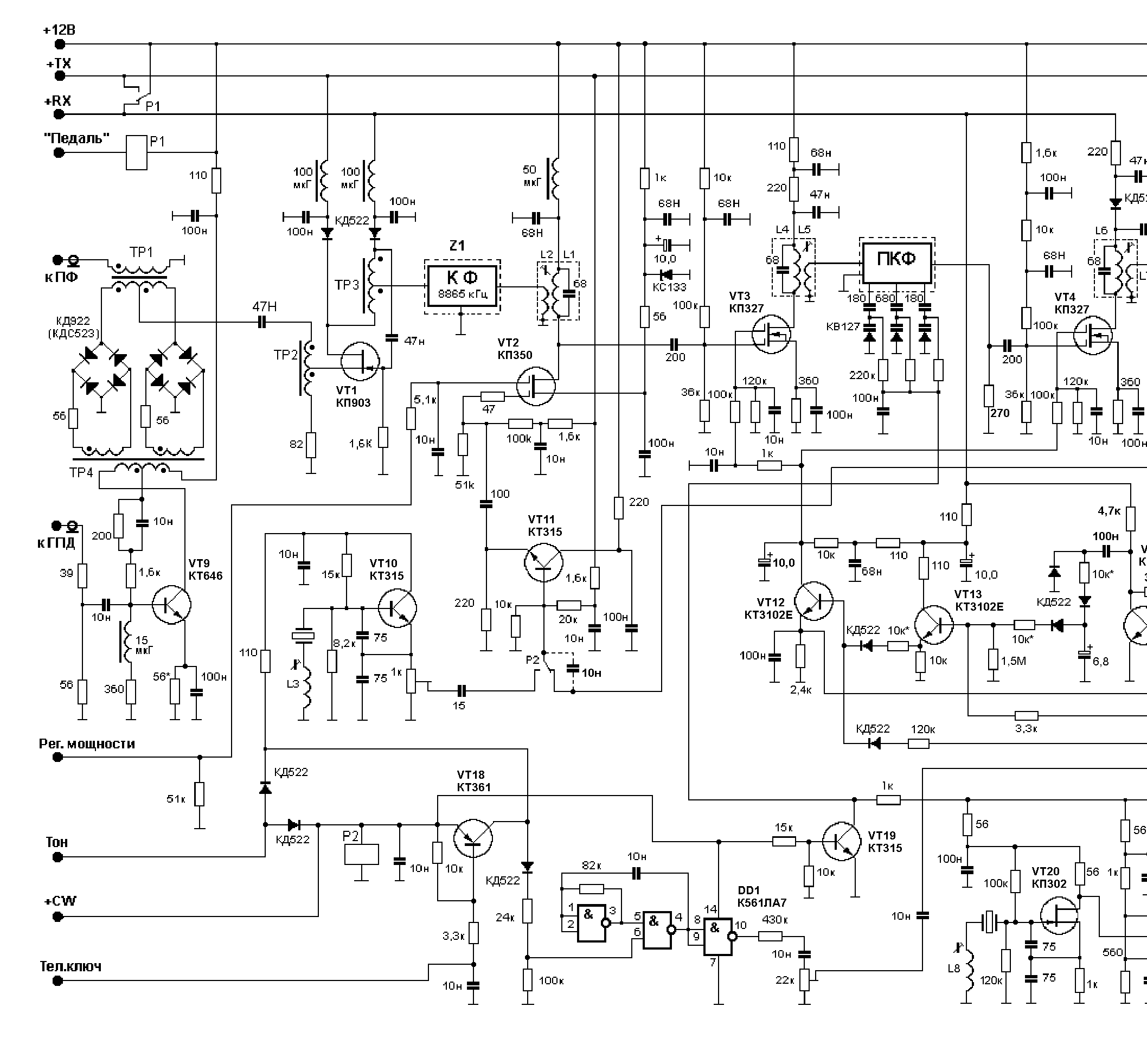
Dzięki uprzejmości Kolegi Henryka SP2JQR ,uzupełniam wpis o schemat rewersyjnego wzmacniacza zbudowanego na tranzystorze KP903.
Kolejny temat, to sprawa diod BAR64-02 przełączających wzmacniacz rewersyjny . Zobowiązałem się do wyjaśnienia sprawy czy jest możliwe ich podlutowanie w istniejący raster naszych padów. Przed tym testem miałem wątpliwość czy uda mi się te elementy zwyczajnie wyjąć z taśmy... Teraz jestem po całkiem świeżym doświadczeniu z tą operacją. Mogę potwierdzić opinię Wojtka, iż jest to możliwe jednakże dostępne jedynie dla ludzi o mocnych nerwach i pewnej ręce.. Obecnie trawi mnie kolejna wątpliwość czy taka rzecz, której nie widać może w ogóle działać..? Sad . Pewnie tak skoro bakterie robią swoje, a tylko nieliczni je oglądają.


Załączone pliki Miniatury
İmage
(Ten post był ostatnio modyfikowany: 21-03-2015 20:41 przez bolanren.)
19-03-2015 20:54
Znajdź wszystkie posty użytkownika Odpowiedz cytując ten post
Odpowiedz 


Wiadomości w tym wątku
RE: Składamy wzbudnicę SSB G4CLF - bolanren - 19-03-2015 20:54

Skocz do:


Użytkownicy przeglądający ten wątek: 3 gości