Odpowiedz 
 
Ocena wątku:
  • 7 Głosów - 4.14 Średnio
  • 1
  • 2
  • 3
  • 4
  • 5
Składamy wzbudnicę SSB G4CLF
SP9LVZ Offline
Piotr
*****

Liczba postów: 806
Dołączył: 13-01-2015
Post: #14
RE: Składamy wzbudnicę SSB G4CLF
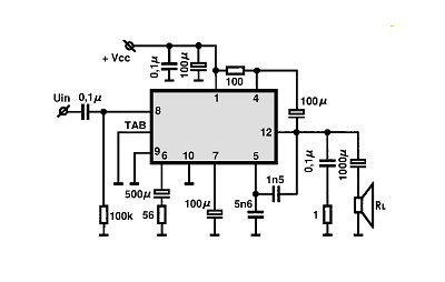
Wartość C 27 wpływa na dwie rzeczy:
- pasmo przenoszenia (10nF będzie na pewno obcinał niskie tony a podbijał wyższe i szumy)
- siłę sygnału odsłuchu (przy 100nF będzie silniejsze wysterowanie wzmacniacza TBA810)

Ja na pewno dam 100nF bo patrzę na typowe aplikacje TBA810, a nie na schemat Plesseya G4CLF, który stosował inny układ wzmacniacza m.cz.


Oczywiście wartość tego kondensatora prawdopodobnie nie będzie przyczyną problemu i jakim pisze Mietek. Trzeba sprawdzić wpierw parametry pracy NE5534 na nóżce (6).
Poza tym jak się zachowuje cały układ można wywnioskować dopiero po uruchomieniu całości ukąłdu.


Załączone pliki Miniatury
İmage
25-01-2015 22:41
Odwiedź stronę użytkownika Znajdź wszystkie posty użytkownika Odpowiedz cytując ten post
Odpowiedz 


Wiadomości w tym wątku
RE: Składamy wzbudnicę SSB G4CLF - SP9LVZ - 25-01-2015 22:41

Skocz do:


Użytkownicy przeglądający ten wątek: 4 gości