Odpowiedz 
 
Ocena wątku:
  • 1 Głosów - 5 Średnio
  • 1
  • 2
  • 3
  • 4
  • 5
Wskaźniki segmentowe na LED
SP5FCS Offline
Adam
*****

Liczba postów: 1,073
Dołączył: 02-02-2009
Post: #10
RE: Wskaźniki segmentowe na LED
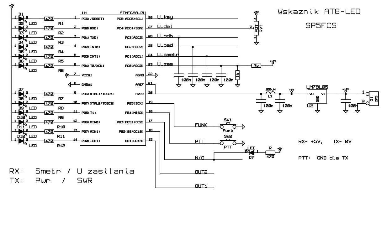
Mikołaj,
trafna uwaga, masz rację, że najbardziej interesujący jest pomiar napięcia podczas nadawania. Procesor może mierzyć napięcie w dowolnym momencie. Ja pisałem o zobrazowaniu pomiaru napięcia podczas odbioru (sam pomiar może być wykonany podczas nadawania).
Ostatecznie procesor mierzy i pokazuje dwa napięcia podczas odbioru i nadawania.

Wersja testowa 0.2:
W pliku AT8_led.zip testowe oprogramowanie do wskaźnika LED.
Uwaga: zmieniony lekko schemat od strony wejść;

Podczas odbioru wskaźnik pokazuje skalę S-metra od S0...S9, S9+10, S9+20dB, po wciśnięciu klawisza FUN pokazuje napięcie zasilania od 9.5V do 15V co 0.5V. Procesor mierzy dwa napięcia U_zas_RX oraz U_zas_TX, jeśli te napięcia różnią się więcej niż 0,5V na wskaźniku zobaczymy dwie świecące diody;

Podczas nadawania wskaźnik pokazuje pomiar mocy, po wciśnięciu klawisza FUN wyświetla SWR (1.0, 1.2,.....2.8, 3.0, 5.0)
S-metr oraz pomiar mocy wyświetlany jest w postaci linijki, pomiar napięcia oraz SWR jako pojedyncza dioda.

Wyjście N/O możemy wykorzystać do przełączania nadawanie/odbiór. Po wykryciu wciśnięcia PTT (zwarcie do masy) na wyjściu N/O pojawia się niski poziom. Do sterowania przekaźnika N/O zalecane jest zastosowanie klucza na tranzystorze. Zwolnienie PTT uruchamia programowy licznik opóźnienia powrotu do stanu wysokiego. Wartość opóźnienia określana jest na podstawie pomiaru napięcia U_del z PR-a (0...2,5sek), około 0,5sek/1V.
Procesor pełni rolę specjalizowanego układu scalonego do obsługi linijki LED z algorytmem obróbki sygnałów pomiarowych.

Procesor ATmega8 pracuje na wewnętrznym gen. RC 8MHz + pin Resetu.
Fuse bits: 0100 -> (CSEL3,2,1,0), 0-> RSTDISBL

W linijce warto zastosować diody LED w osłonkach, unikniemy efektu wzajemnego podświetlania sąsiednich diod. Przy nowoczesnych LED-ach możemy zwiększyć wartość rezystorów szeregowych aby ograniczyć prąd do niezbędnego minimum.


Załączone pliki Miniatury
İmage

.zip  AT8_led.zip (Rozmiar: 99.32 KB / Pobrań: 1226)

73 Adam
29-04-2010 23:06
Znajdź wszystkie posty użytkownika Odpowiedz cytując ten post
Odpowiedz 


Wiadomości w tym wątku
Taurus-S-meter na LM3914 - SP9OYA - 21-07-2009, 21:58
RE: Wskaźniki segmentowe na LED - SP5FCS - 29-04-2010 23:06

Skocz do:


Użytkownicy przeglądający ten wątek: 1 gości