Odpowiedz 
 
Ocena wątku:
  • 1 Głosów - 5 Średnio
  • 1
  • 2
  • 3
  • 4
  • 5
Analizator NA200
SP5FCS Offline
Adam
*****

Liczba postów: 1,073
Dołączył: 02-02-2009
Post: #14
RE: Analizator NA200
(27-11-2014 13:19)SP3OSJ napisał(a):  Dodatkowe moje pytanie o programowanie PiC-a. Wykonuje się ta czynność przed włożeniem w podstawkę czy programuje się go z przyrządu po USB.

1/ W projekcie druku NA200 zastosowany został procesor PIC w wersji przewlekanej co po zastosowaniu podstawki pozwala na programowanie procesora poza przyrządem oraz szybką wymianę procesora w celu zmiany oprogramowania lub sprawdzenia. Taki wariant ułatwia również budowę analizatora kolegom którzy nie mogą sami zaprogramować procesora, brak programatora lub umiejętności. W oryginalnej wersji NWT200 był publikowany bootloader i jeśli ktoś bardzo chce to może go wgrać i aktualizować oprogramowanie poprzez kanał szeregowy. Trzeba pamiętać wtedy o wlutowaniu drugiego układu izolacji galwanicznej na liniach sterujących.

2/ Temat mas w zasadzie został wyjaśniony przez Zdzisława.
Zasilanie dla konwertera USB jest pobierane z komputera PC dlatego obudowa gniazda musi być odizolowana od masy przyrządu. Po to robimy izolację galwaniczną aby masy USB i analizatora były rozdzielone.
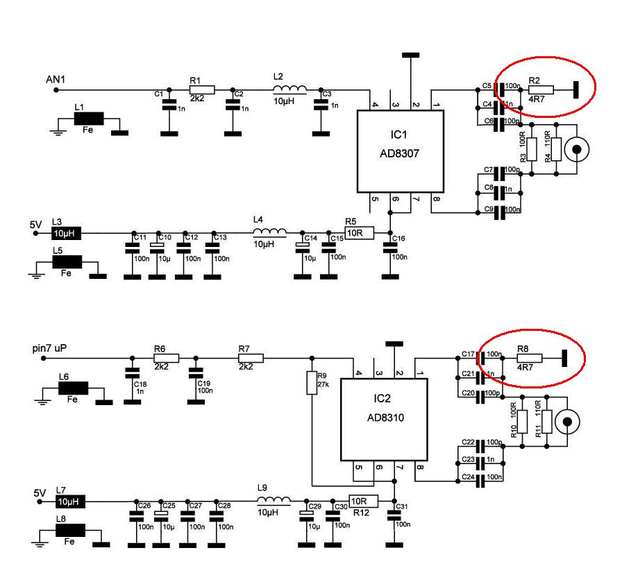
W układach cyfrowych na poziomie masy mamy pewien poziom zakłóceń który ma negatywny wpływ na pomiary. Aby zminimalizować ten efekt w analizatorze NA200 zastosowano metodę "podniesienia masy" na wejściach sond pomiarowych (rezystory 4R7). Dlatego złącza SMA do sond pomiarowych muszą być odizolowane od frontu przyrządu.
Podstawą ekranowania torów w.cz. są wewnętrzne ekrany na sondach pomiarowych, LPF-ie, wzmacniaczu wyjściowym i tłumikach. Metolowa obudowa analizatora połączona z masą stopnia wyjściowego (wyjście analizatora SMA) stanowi dodatkowe ekranowanie.

3/ Podczas budowy i uruchamiania analizatora najlepiej wykonywać kontrolne pomiary i obserwować jak poszczególne ekrany wpływają na poprawę charakterystyk analizatora. Na początek zaczynamy od ekranowania sond pomiarowych. Po osiągnięciu pełnej dynamiki zastosowanych sond pomiarowych nic więcej z przyrządu już nie "wyciśniemy".


Załączone pliki Miniatury
İmage

73 Adam
05-12-2014 23:35
Znajdź wszystkie posty użytkownika Odpowiedz cytując ten post
Odpowiedz 


Wiadomości w tym wątku
Analizator NA200 - SP5FCS - 20-03-2014, 20:40
RE: Analizator NA200 - SP5FCS - 21-03-2014, 20:56
RE: Analizator NA200 - SP4HKQ - 22-03-2014, 19:16
RE: Analizator NA200 - SQ4AVS - 22-03-2014, 20:56
RE: Analizator NA200 - SP5FCS - 23-03-2014, 0:08
RE: Analizator NA200 - SQ4AVS - 23-03-2014, 9:11
RE: Analizator NA200 - SP5CGI - 28-03-2014, 18:42
RE: Analizator NA200 - SP5AQT - 29-03-2014, 10:44
RE: Analizator NA200 - SP4HKQ - 29-03-2014, 15:46
RE: Analizator NA200 - SP5FCS - 20-09-2014, 15:30
RE: Analizator NA200 - SP3OSJ - 27-11-2014, 13:19
RE: Analizator NA200 - SP5FCS - 05-12-2014 23:35
RE: Analizator NA200 - SP4HKQ - 01-12-2014, 10:40
RE: Analizator NA200 - SP3OSJ - 06-12-2014, 16:56
RE: Analizator NA200 - SQ2KLX - 28-05-2015, 19:50
RE: Analizator NA200 - SP5FCS - 28-05-2015, 22:04
RE: Analizator NA200 - SQ2KLX - 29-05-2015, 10:23
RE: Analizator NA200 - SP5FCS - 29-05-2015, 11:27
RE: Analizator NA200 - SP6VGX - 09-12-2015, 3:51
RE: Analizator NA200 - SP6VGX - 19-12-2015, 22:14
RE: Analizator NA200 - SP5FCS - 19-12-2015, 22:51
RE: Analizator NA200 - SP6VGX - 20-12-2015, 2:57
RE: Analizator NA200 - SP4HKQ - 21-01-2016, 11:57
RE: Analizator NA200 - SP6VGX - 21-01-2016, 12:44
RE: Analizator NA200 - SQ5KVS - 21-01-2016, 14:33
RE: Analizator NA200 - SQ4AVS - 21-01-2016, 15:54
RE: Analizator NA200 - BUBAMUBA - 18-03-2016, 12:26
RE: Analizator NA200 - SP5BMP - 18-03-2016, 13:59
RE: Analizator NA200 - BUBAMUBA - 18-03-2016, 14:21
RE: Analizator NA200 - SP9AWP - 07-11-2016, 10:16
RE: Analizator NA200 - BUBAMUBA - 22-03-2016, 12:45
RE: Analizator NA200 - SP5BMP - 22-03-2016, 16:07
RE: Analizator NA200 - SQ1GYQ - 20-01-2017, 17:58
RE: Analizator NA200 - SP8GPQ - 09-05-2017, 19:39
RE: Analizator NA200 - SP8GPQ - 11-04-2018, 22:07
RE: Analizator NA200 - SP8GPQ - 14-04-2018, 17:41
RE: Analizator NA200 - SQ7GVU - 16-04-2018, 9:56
RE: Analizator NA200 - SP8GPQ - 16-04-2018, 11:50
RE: Analizator NA200 - SQ7GVU - 16-04-2018, 12:24
RE: Analizator NA200 - SP8GPQ - 16-04-2018, 12:44
RE: Analizator NA200 - SP8GPQ - 16-04-2018, 18:48
RE: Analizator NA200 - SQ7GVU - 16-04-2018, 13:00
RE: Analizator NA200 - SP8GPQ - 16-04-2018, 13:10
RE: Analizator NA200 - SQ8MVY - 16-04-2018, 13:48
RE: Analizator NA200 - SP8GPQ - 16-04-2018, 15:01
RE: Analizator NA200 - SP2SGA - 16-04-2018, 15:16
RE: Analizator NA200 - SP8GPQ - 16-04-2018, 17:57
RE: Analizator NA200 - SQ8MVY - 16-04-2018, 18:14
RE: Analizator NA200 - SP8GPQ - 16-04-2018, 18:18
RE: Analizator NA200 - SQ8MVY - 16-04-2018, 18:22
RE: Analizator NA200 - SP8GPQ - 16-04-2018, 18:26
RE: Analizator NA200 - SQ8MVY - 16-04-2018, 18:34
RE: Analizator NA200 - SQ8MVY - 16-04-2018, 19:38
RE: Analizator NA200 - SP8GPQ - 16-04-2018, 21:25
RE: Analizator NA200 - SQ8MVY - 16-04-2018, 21:43
RE: Analizator NA200 - SP8GPQ - 16-04-2018, 22:07
RE: Analizator NA200 - SP6VGJ - 10-05-2018, 17:08
RE: Analizator NA200 - SP8GPQ - 10-05-2018, 18:03
RE: Analizator NA200 - JACEK11111 - 20-01-2019, 12:31
RE: Analizator NA200 - SQ8MVY - 20-01-2019, 14:35
RE: Analizator NA200 - SP1NV - 30-03-2019, 0:50
RE: Analizator NA200 - SP5FCS - 30-03-2019, 11:58
RE: Analizator NA200 - SQ1GYQ - 30-03-2019, 14:36
RE: Analizator NA200 - SP1NV - 30-03-2019, 18:56
RE: Analizator NA200 - SP1NV - 30-05-2019, 0:36
RE: Analizator NA200 - SP1NV - 03-06-2019, 15:41
RE: Analizator NA200 - SP8GPQ - 18-11-2019, 10:59
RE: Analizator NA200 - SQ8AQX - 18-11-2019, 17:57
RE: Analizator NA200 - SP8GPQ - 18-11-2019, 20:10
RE: Analizator NA200 - SP6VGX - 09-02-2020, 11:57
RE: Analizator NA200 - bolanren - 20-06-2025, 14:29
RE: Analizator NA200 - SP8BAI - 20-06-2025, 16:49
RE: Analizator NA200 - bolanren - 20-06-2025, 22:46
RE: Analizator NA200 - SQ4AVS - 21-06-2025, 8:28
RE: Analizator NA200 - bolanren - 21-06-2025, 21:29

Skocz do:


Użytkownicy przeglądający ten wątek: 2 gości