Odpowiedz 
 
Ocena wątku:
  • 10 Głosów - 4.6 Średnio
  • 1
  • 2
  • 3
  • 4
  • 5
HUSAREK - nowa homodyna dla "każdego"
SP9HVW Offline
Józef
***

Liczba postów: 158
Dołączył: 14-06-2010
Post: #38
RE: HUSAREK - nowa homodyna dla "każdego"
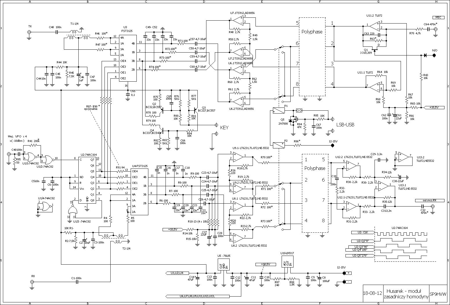
Schemat modułu zasadniczego homodyny Husarek oraz polifazera.


Załączone pliki Miniatury
İmage İmage
(Ten post był ostatnio modyfikowany: 21-08-2012 15:54 przez SP9HVW.)
18-08-2012 1:43
Znajdź wszystkie posty użytkownika Odpowiedz cytując ten post
Odpowiedz 


Wiadomości w tym wątku
RE: HUSAREK - nowa homodyna dla "każdego" - SP9HVW - 18-08-2012 1:43

Skocz do:


Użytkownicy przeglądający ten wątek: 2 gości